GIGABYTE X670E AORUS MASTER - Εγχειρίδιο μητρικής πλακέτας
- 1 Αναγνώριση της Αναθεώρησης της Μητρικής Σας Πλακέτας
- 2 Εισαγωγή Προϊόντος
- 3 Εγκατάσταση Υλικού
- 4 Ρύθμιση BIOS
- 5 Εγκατάσταση του λειτουργικού συστήματος και των προγραμμάτων οδήγησης
- 6 Διαμόρφωση ενός συνόλου RAID
- 7 Κωδικοί LED εντοπισμού σφαλμάτων
- 8 Αναφορές
- 9 Λήψη εγχειριδίου
- 10 Σε άλλες γλώσσες

Αναγνώριση της Αναθεώρησης της Μητρικής Σας Πλακέτας
Ο αριθμός αναθεώρησης στη μητρική σας πλακέτα μοιάζει με αυτό: "REV: X.X.". Για παράδειγμα, "REV: 1.0" σημαίνει ότι η αναθεώρηση της μητρικής πλακέτας είναι 1.0. Ελέγξτε την αναθεώρηση της μητρικής σας πλακέτας πριν από την ενημέρωση του BIOS της μητρικής πλακέτας, των οδηγών ή όταν αναζητάτε τεχνικές πληροφορίες.
Παράδειγμα:

Εισαγωγή Προϊόντος
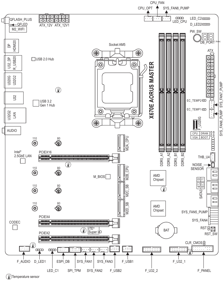
Διάταξη Μητρικής Πλακέτας

(Σημείωση)
Για πληροφορίες κωδικού εντοπισμού σφαλμάτων, ανατρέξτε στο κεφάλαιο Κωδικοί LED Εντοπισμού Σφαλμάτων.
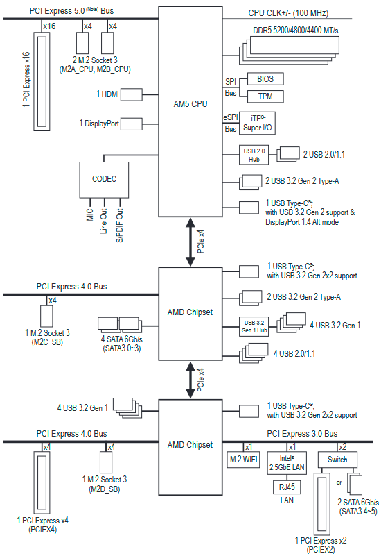
Διάγραμμα Μπλοκ Μητρικής Πλακέτας

(Σημείωση) Η πραγματική υποστήριξη μπορεί να διαφέρει ανάλογα με την CPU.
Εγκατάσταση Υλικού
Προφυλάξεις κατά την εγκατάσταση
Η μητρική πλακέτα περιέχει πολλά ευαίσθητα ηλεκτρονικά κυκλώματα και εξαρτήματα που μπορεί να υποστούν ζημιά ως αποτέλεσμα ηλεκτροστατικής εκφόρτισης (ESD). Πριν από την εγκατάσταση, διαβάστε προσεκτικά το εγχειρίδιο χρήστη και ακολουθήστε αυτές τις διαδικασίες:
- Πριν από την εγκατάσταση, βεβαιωθείτε ότι το πλαίσιο είναι κατάλληλο για τη μητρική πλακέτα.
- Πριν από την εγκατάσταση, μην αφαιρέσετε ή σπάσετε το αυτοκόλλητο S/N (Σειριακός Αριθμός) της μητρικής πλακέτας ή το αυτοκόλλητο εγγύησης που παρέχεται από τον αντιπρόσωπό σας. Αυτά τα αυτοκόλλητα απαιτούνται για την επικύρωση της εγγύησης.
- Αφαιρείτε πάντα την τροφοδοσία AC αποσυνδέοντας το καλώδιο τροφοδοσίας από την πρίζα πριν από την εγκατάσταση ή την αφαίρεση της μητρικής πλακέτας ή άλλων εξαρτημάτων υλικού.
- Όταν συνδέετε εξαρτήματα υλικού στις εσωτερικές υποδοχές της μητρικής πλακέτας, βεβαιωθείτε ότι είναι συνδεδεμένα σφιχτά και με ασφάλεια.
- Όταν χειρίζεστε τη μητρική πλακέτα, αποφύγετε να αγγίζετε μεταλλικά καλώδια ή υποδοχές.
- Είναι καλύτερο να φοράτε ένα βραχιόλι ηλεκτροστατικής εκφόρτισης (ESD) όταν χειρίζεστε ηλεκτρονικά εξαρτήματα, όπως μια μητρική πλακέτα, μια CPU ή μια μνήμη. Εάν δεν έχετε βραχιόλι ESD, κρατήστε τα χέρια σας στεγνά και αγγίξτε πρώτα ένα μεταλλικό αντικείμενο για να εξαλείψετε τον στατικό ηλεκτρισμό.
- Πριν εγκαταστήσετε τη μητρική πλακέτα, τοποθετήστε την πάνω σε ένα αντιστατικό μαξιλάρι ή μέσα σε ένα ηλεκτροστατικό θωρακισμένο δοχείο.
- Πριν συνδέσετε ή αποσυνδέσετε το καλώδιο τροφοδοσίας από τη μητρική πλακέτα, βεβαιωθείτε ότι το τροφοδοτικό έχει απενεργοποιηθεί.
- Πριν ενεργοποιήσετε την τροφοδοσία, βεβαιωθείτε ότι η τάση του τροφοδοτικού έχει ρυθμιστεί σύμφωνα με το τοπικό πρότυπο τάσης.
- Πριν χρησιμοποιήσετε το προϊόν, βεβαιωθείτε ότι όλα τα καλώδια και οι υποδοχές τροφοδοσίας των εξαρτημάτων υλικού σας είναι συνδεδεμένα.
- Για να αποφύγετε ζημιά στη μητρική πλακέτα, μην αφήνετε τις βίδες να έρθουν σε επαφή με το κύκλωμα της μητρικής πλακέτας ή τα εξαρτήματά της.
- Βεβαιωθείτε ότι δεν υπάρχουν περισσευούμενες βίδες ή μεταλλικά εξαρτήματα τοποθετημένα στη μητρική πλακέτα ή μέσα στο περίβλημα του υπολογιστή.
- Μην τοποθετείτε το σύστημα υπολογιστή σε μια ανώμαλη επιφάνεια.
- Μην τοποθετείτε το σύστημα υπολογιστή σε περιβάλλον υψηλής θερμοκρασίας ή υγρό.
- Η ενεργοποίηση της τροφοδοσίας του υπολογιστή κατά τη διαδικασία εγκατάστασης μπορεί να οδηγήσει σε ζημιά στα εξαρτήματα του συστήματος καθώς και σε σωματική βλάβη του χρήστη.
- Εάν δεν είστε βέβαιοι για κάποιο βήμα εγκατάστασης ή έχετε κάποιο πρόβλημα που σχετίζεται με τη χρήση του προϊόντος, συμβουλευτείτε έναν πιστοποιημένο τεχνικό υπολογιστών.
- Εάν χρησιμοποιείτε έναν προσαρμογέα, ένα καλώδιο επέκτασης τροφοδοσίας ή ένα πολύπριζο, φροντίστε να συμβουλευτείτε τις οδηγίες εγκατάστασης και/ή γείωσης.
Προδιαγραφές Προϊόντος
| CPU |
|
| Chipset |
|
| Memory |
|
| Onboard Graphics |
|
| Audio |
|
| LAN |
|
| Wireless Communication Module |
|
| Θύρες επέκτασης |
|
| Διεπαφή αποθήκευσης |
|
| USB |
|
| Εσωτερικές Συνδέσεις |
|
| Εσωτερικές Συνδέσεις |
|
| Συνδέσεις Πίσω Πλευράς |
|
| Ελεγκτής I/O |
|
| Παρακολούθηση Υλικού |
|
| BIOS |
|
| Μοναδικά Χαρακτηριστικά |
|
| Bundled Software |
|
| Operating System |
|
| Form Factor |
|
* Η GIGABYTE διατηρεί το δικαίωμα να κάνει οποιεσδήποτε αλλαγές στις προδιαγραφές του προϊόντος και στις πληροφορίες που σχετίζονται με το προϊόν χωρίς προηγούμενη ειδοποίηση![]()
Επισκεφθείτε τη σελίδα SERVICE/SUPPORT\Utility στον ιστότοπο της GIGABYTE για να κατεβάσετε την πιο πρόσφατη έκδοση των εφαρμογών.
https://www.gigabyte.com/Support/Utility/Motherboard?m=ut
Επεξεργαστής και ψύκτρα επεξεργαστή
Διαβάστε τις παρακάτω οδηγίες πριν ξεκινήσετε την εγκατάσταση του επεξεργαστή:
Βεβαιωθείτε ότι η μητρική πλακέτα υποστηρίζει τον επεξεργαστή. (Μεταβείτε στην ιστοσελίδα της GIGABYTE για την πιο πρόσφατη λίστα υποστήριξης επεξεργαστών.)- Να απενεργοποιείτε πάντα τον υπολογιστή και να αποσυνδέετε το καλώδιο τροφοδοσίας από την πρίζα πριν από την εγκατάσταση του επεξεργαστή για να αποφύγετε ζημιά στο υλικό.
- Εντοπίστε το pin ένα του επεξεργαστή. Δεν μπορείτε να τοποθετήσετε τον επεξεργαστή αν δεν είναι σωστά προσανατολισμένος. (Ή μπορείτε να εντοπίσετε τις εγκοπές και στις δύο πλευρές του επεξεργαστή και τα κλειδιά ευθυγράμμισης στην υποδοχή του επεξεργαστή.)
- Εφαρμόστε μια ομοιόμορφη και λεπτή στρώση θερμογόνου γράσου στην επιφάνεια του επεξεργαστή.
- Μην ενεργοποιείτε τον υπολογιστή εάν δεν είναι εγκατεστημένη η ψύκτρα του επεξεργαστή, διαφορετικά μπορεί να προκληθεί υπερθέρμανση και ζημιά στον επεξεργαστή.
- Ρυθμίστε τη συχνότητα κεντρικού υπολογιστή CPU σύμφωνα με τις προδιαγραφές της CPU. Δεν συνιστάται η ρύθμιση της συχνότητας του συστήματος διαύλου πέρα από τις προδιαγραφές υλικού, καθώς δεν πληροί τις τυπικές απαιτήσεις για τα περιφερειακά. Εάν επιθυμείτε να ρυθμίσετε τη συχνότητα πέρα από τις τυπικές προδιαγραφές, κάντε το σύμφωνα με τις προδιαγραφές του υλικού σας, συμπεριλαμβανομένου του επεξεργαστή, της κάρτας γραφικών, της μνήμης, του σκληρού δίσκου κ.λπ.
Σημειώστε τον προσανατολισμό της CPU
Σημειώστε τα κλειδιά ευθυγράμμισης στην υποδοχή της CPU της μητρικής πλακέτας και τις εγκοπές στην CPU.

Μην αφαιρέσετε το κάλυμμα της υποδοχής της CPU πριν από την εισαγωγή της CPU. Μπορεί να αποκολληθεί αυτόματα από την πλάκα φόρτωσης μετά την εισαγωγή της CPU και το κλείσιμο της πλάκας φόρτωσης.
CPU
Ακολουθήστε τα παρακάτω βήματα για να εγκαταστήσετε σωστά την CPU στην υποδοχή της CPU της μητρικής πλακέτας.
-
- Πιέστε απαλά τη λαβή του μοχλού της υποδοχής της CPU προς τα κάτω και μακριά από την υποδοχή
![]()
- Ανασηκώστε εντελώς τον μοχλό ασφάλισης της υποδοχής της CPU.
- Με τα δάχτυλά σας, κρατήστε το πλαστικό προστατευτικό κάλυμμα που είναι προσαρτημένο στη μεταλλική πλάκα φόρτωσης για να ανασηκώσετε και να ανοίξετε τη μεταλλική πλάκα φόρτωσης.
![GIGABYTE - X670E AORUS MASTER - CPU - Βήμα 1 CPU - Βήμα 1]()
- Πιέστε απαλά τη λαβή του μοχλού της υποδοχής της CPU προς τα κάτω και μακριά από την υποδοχή
- Κρατήστε την CPU με τα δάχτυλά σας από τις άκρες. Ευθυγραμμίστε τη σήμανση του pin ένα της CPU (τρίγωνο) με τη γωνία του pin ένα της υποδοχής της CPU (ή μπορείτε να ευθυγραμμίσετε τις εγκοπές της CPU με τα κλειδιά ευθυγράμμισης της υποδοχής) και εισάγετε απαλά την CPU στη θέση της.
![GIGABYTE - X670E AORUS MASTER - CPU - Βήμα 2 CPU - Βήμα 2]()
- Βεβαιωθείτε ότι η CPU έχει εγκατασταθεί σωστά και, στη συνέχεια, κλείστε την πλάκα φόρτωσης. Ασφαλίστε το μοχλό της υποδοχής κάτω από τη γλωττίδα συγκράτησης. Το πλαστικό προστατευτικό κάλυμμα θα αποκολληθεί μόνο του και μπορεί να αφαιρεθεί.
* Να αντικαθιστάτε πάντα το πλαστικό προστατευτικό κάλυμμα όταν δεν είναι εγκατεστημένη η CPU για να προστατεύετε την υποδοχή της CPU.
![GIGABYTE - X670E AORUS MASTER - CPU - Βήμα 3 CPU - Βήμα 3]()
Μην προσπαθήσετε να εμπλέξετε με δύναμη τον μοχλό ασφάλισης της υποδοχής της CPU όταν η CPU δεν είναι εγκατεστημένη σωστά, καθώς αυτό θα προκαλούσε ζημιά στην CPU και στην υποδοχή της CPU.
Ψύκτρα CPU
Φροντίστε να εγκαταστήσετε την ψύκτρα της CPU μετά την εγκατάσταση της CPU. (Η πραγματική διαδικασία εγκατάστασης μπορεί να διαφέρει ανάλογα με την ψύκτρα της CPU που θα χρησιμοποιηθεί. Ανατρέξτε στο εγχειρίδιο χρήσης για την ψύκτρα της CPU.)
- Εφαρμόστε μια ομοιόμορφη και λεπτή στρώση θερμογόνου γράσου στην επιφάνεια της εγκατεστημένης CPU
![]()
![]()
- 121/Τύπος Α
![]()
Συνδέστε το κλιπ της ψύκτρας της CPU στην προεξοχή στήριξης στη μία πλευρά του πλαισίου συγκράτησης. Από την άλλη πλευρά, πιέστε ευθεία προς τα κάτω το κλιπ της ψύκτρας της CPU για να το συνδέσετε στην προεξοχή στήριξης στο πλαίσιο συγκράτησης. Γυρίστε τη λαβή έκκεντρου από την αριστερή πλευρά στη δεξιά πλευρά για να ασφαλίσετε στη θέση της.
![]()
Τύπος Β![]()
Αρχικά, αφαιρέστε τις τέσσερις βίδες από το πλαίσιο συγκράτησης της CPU και αφαιρέστε το πλαίσιο συγκράτησης της CPU. Στη συνέχεια, ευθυγραμμίστε τις τέσσερις βίδες ώμου στην ψύκτρα της CPU με τα αποστάτες από την πίσω πλάκα. Σφίξτε κάθε βίδα ώμου με ένα σχέδιο 1-2-3-4 (x) όπως φαίνεται στα δεξιά.
![GIGABYTE - X670E AORUS MASTER - Ψύκτρα CPU Ψύκτρα CPU]()
![]()
* Όταν χρησιμοποιείτε μια ψύκτρα CPU Τύπου Β, δεν συνιστάται να σφίγγετε κάθε βίδα μέχρι τέρμα σε ένα βήμα. Ακολουθήστε τη σειρά 1-2-3-4, σφίξτε τη βίδα δεξιόστροφα 1 περιστροφή ανά βήμα. Επαναλάβετε τα βήματα 1-2-3-4 μέχρι να σφίξετε όλες οι βίδες. - Τέλος, συνδέστε τον σύνδεσμο τροφοδοσίας της ψύκτρας της CPU στην κεφαλίδα του ανεμιστήρα της CPU (CPU FAN) στη μητρική πλακέτα
![]()
![]()
Εγκατάσταση της μνήμης
Διαβάστε τις παρακάτω οδηγίες πριν ξεκινήσετε την εγκατάσταση της μνήμης:
Βεβαιωθείτε ότι η μητρική πλακέτα υποστηρίζει τη μνήμη. Συνιστάται να χρησιμοποιείτε μνήμη της ίδιας χωρητικότητας, μάρκας, ταχύτητας και τσιπ. (Μεταβείτε στην ιστοσελίδα της GIGABYTE για τις πιο πρόσφατες υποστηριζόμενες ταχύτητες μνήμης και μονάδες μνήμης.)- Να απενεργοποιείτε πάντα τον υπολογιστή και να αποσυνδέετε το καλώδιο τροφοδοσίας από την πρίζα πριν από την εγκατάσταση της μνήμης για να αποφύγετε ζημιά στο υλικό.
- Οι μονάδες μνήμης έχουν αλάνθαστο σχεδιασμό. Μια μονάδα μνήμης μπορεί να εγκατασταθεί μόνο προς μία κατεύθυνση. Εάν δεν μπορείτε να εισαγάγετε τη μνήμη, αλλάξτε την κατεύθυνση.
Διαμόρφωση μνήμης διπλού καναλιού
Αυτή η μητρική πλακέτα παρέχει τέσσερις υποδοχές μνήμης και υποστηρίζει τεχνολογία διπλού καναλιού. Μετά την εγκατάσταση της μνήμης, το BIOS θα ανιχνεύσει αυτόματα τις προδιαγραφές και τη χωρητικότητα της μνήμης. Η ενεργοποίηση της λειτουργίας μνήμης διπλού καναλιού θα διπλασιάσει το αρχικό εύρος ζώνης της μνήμης.
Οι τέσσερις υποδοχές μνήμης χωρίζονται σε δύο κανάλια και κάθε κανάλι έχει δύο υποδοχές μνήμης ως εξής:
Κανάλι Α: DDR5 Al, DDR5 A2
Κανάλι Β: DDR5 Bl, DDR5 B2
* Προτεινόμενη διαμόρφωση μνήμης διπλού καναλιού![]()
| DDR5_A1 | DDR5_A2 | DDR5_B1 | DDR5_B2 | |
| 2 μονάδες | - - | DS/SS | - - | DS/SS |
| 4 μονάδες | DS/SS | DS/SS | DS/SS | DS/SS |
(SS=Μονής όψης, DS=Διπλής όψης, "- -"=Χωρίς μνήμη)
Λόγω των περιορισμών της CPU, διαβάστε τις παρακάτω οδηγίες πριν εγκαταστήσετε τη μνήμη σε λειτουργία διπλού καναλιού.
- Η λειτουργία διπλού καναλιού δεν μπορεί να ενεργοποιηθεί εάν είναι εγκατεστημένη μόνο μία μονάδα μνήμης.
- Όταν ενεργοποιείτε τη λειτουργία διπλού καναλιού με δύο ή τέσσερις μονάδες μνήμης, συνιστάται να χρησιμοποιείτε μνήμη της ίδιας χωρητικότητας, μάρκας, ταχύτητας και τσιπ.
![GIGABYTE - X670E AORUS MASTER - Διαμόρφωση μνήμης διπλού καναλιού Διαμόρφωση μνήμης διπλού καναλιού]()
Όταν εγκαθιστάτε μια μεμονωμένη μονάδα μνήμης, συνιστούμε να την εγκαταστήσετε στην υποδοχή DDR5 A2 ή DDR5 B2.
Εγκατάσταση μιας κάρτας επέκτασης
Διαβάστε τις παρακάτω οδηγίες πριν ξεκινήσετε την εγκατάσταση μιας κάρτας επέκτασης:
Βεβαιωθείτε ότι η μητρική πλακέτα υποστηρίζει την κάρτα επέκτασης. Διαβάστε προσεκτικά το εγχειρίδιο που συνοδεύει την κάρτα επέκτασης.- Να απενεργοποιείτε πάντα τον υπολογιστή και να αποσυνδέετε το καλώδιο τροφοδοσίας από την πρίζα πριν από την εγκατάσταση μιας κάρτας επέκτασης για να αποφύγετε ζημιά στο υλικό.
Ακολουθήστε τα παρακάτω βήματα για να εγκαταστήσετε σωστά την κάρτα επέκτασης στην υποδοχή επέκτασης.
- Εντοπίστε μια υποδοχή επέκτασης που υποστηρίζει την κάρτα σας. Αφαιρέστε το μεταλλικό κάλυμμα της υποδοχής από τον πίσω πίνακα του πλαισίου.
- Ευθυγραμμίστε την κάρτα με την υποδοχή και πιέστε την κάρτα μέχρι να καθίσει πλήρως στην υποδοχή.
- Βεβαιωθείτε ότι η κάρτα επέκτασης έχει καθίσει πλήρως στην υποδοχή της.
- Ασφαλίστε το μεταλλικό στήριγμα της κάρτας στον πίσω πίνακα του πλαισίου με μια βίδα.
- Μετά την εγκατάσταση όλων των καρτών επέκτασης, αντικαταστήστε το(τα) κάλυμμα(-τα) του πλαισίου.
- Ενεργοποιήστε τον υπολογιστή σας. Εάν είναι απαραίτητο, μεταβείτε στο BIOS Setup για να κάνετε τυχόν απαραίτητες αλλαγές στο BIOS για την(τις) κάρτα(-ες) επέκτασης.
- Εγκαταστήστε το πρόγραμμα οδήγησης που παρέχεται με την κάρτα επέκτασης στο λειτουργικό σας σύστημα.
![GIGABYTE - X670E AORUS MASTER - Εγκατάσταση μιας κάρτας επέκτασης Εγκατάσταση μιας κάρτας επέκτασης]()
Επισκεφθείτε την ιστοσελίδα της GIGABYTE για λεπτομέρειες σχετικά με τη χρήση του PCIe EZ-Latch Plus. https://www.gigabyte.com/WebPage/922/removePClE.html
Συνδέσεις πίσω πλαισίου

- Q-Flash Plus Button (Note)
Το Q-Flash Plus σάς επιτρέπει να ενημερώσετε το BIOS όταν το σύστημά σας είναι απενεργοποιημένο (κατάσταση τερματισμού S5). Αποθηκεύστε το πιο πρόσφατο BIOS σε μια μονάδα USB και συνδέστε την στην αποκλειστική θύρα και, στη συνέχεια, μπορείτε να κάνετε flash το BIOS αυτόματα απλώς πατώντας το κουμπί Q-Flash Plus. Το QFLED θα αναβοσβήνει όταν ξεκινήσουν οι δραστηριότητες αντιστοίχισης και φλασαρίσματος του BIOS και θα σταματήσει να αναβοσβήνει όταν ολοκληρωθεί το κύριο φλασαρισμα του BIOS. - Υποδοχές κεραίας SMA (2TR2)
Χρησιμοποιήστε αυτήν την υποδοχή για να συνδέσετε μια κεραία.
![]()
Σφίξτε τις κεραίες στις υποδοχές της κεραίας και, στη συνέχεια, στρέψτε σωστά τις κεραίες για καλύτερη λήψη σήματος. - DisplayPort
Το DisplayPort παρέχει ψηφιακή απεικόνιση και ήχο υψηλής ποιότητας, υποστηρίζοντας αμφίδρομη μετάδοση ήχου. Μπορείτε να χρησιμοποιήσετε αυτήν τη θύρα για να συνδέσετε την οθόνη σας που υποστηρίζει DisplayPort. Σημείωση: Η τεχνολογία DisplayPort μπορεί να υποστηρίξει μέγιστη ανάλυση 3840x2160@144 Hz, αλλά οι πραγματικές υποστηριζόμενες αναλύσεις εξαρτώνται από την οθόνη που χρησιμοποιείται. - Θύρα HDMI
![]()
Η θύρα HDMI είναι συμβατή με HDCP 2.3 και υποστηρίζει μορφές ήχου Dolby TrueHD και DTS HD HIGH-DEFINITION MULTIMEDIA INTERFACE Master Audio. Υποστηρίζει επίσης έξοδο ήχου LPCM 7. I-channel έως 192 KHz/24 bit. Μπορείτε να χρησιμοποιήσετε αυτήν τη θύρα για να συνδέσετε την οθόνη σας που υποστηρίζει HDMl. Η μέγιστη υποστηριζόμενη ανάλυση είναι 4096x2160@60 Hz, αλλά οι πραγματικές υποστηριζόμενες αναλύσεις εξαρτώνται από την οθόνη που χρησιμοποιείται.
![]()
Μετά την εγκατάσταση της συσκευής DisplayPort/HDMl, φροντίστε να ορίσετε την προεπιλεγμένη συσκευή αναπαραγωγής ήχου σε DisplayPort/HDMl. (Το όνομα στοιχείου ενδέχεται να διαφέρει ανάλογα με το λειτουργικό σας σύστημα.) - Θύρα USB 2.0/1.1
Η θύρα USB υποστηρίζει την προδιαγραφή USB 2.0/1.1. Χρησιμοποιήστε αυτήν τη θύρα για συσκευές USB. - Θύρα USB Type-C@ (με υποστήριξη USB 3.2 Gen 2) (DisplayPort)
Αυτή η θύρα υποστηρίζει τυπική έξοδο οθόνης USB Type-C και DisplayPort. Μπορείτε να συνδέσετε μια οθόνη USB Type-C σε αυτήν τη θύρα ή να χρησιμοποιήσετε ένα καλώδιο προσαρμογέα για να συνδέσετε μια τυπική οθόνη DisplayPort. Η μέγιστη υποστηριζόμενη ανάλυση είναι 3840x2160@144 Hz κατά τη χρήση οθόνης DisplayPort, αλλά οι πραγματικές υποστηριζόμενες αναλύσεις εξαρτώνται από την οθόνη που χρησιμοποιείται. Επίσης, ο σύνδεσμος είναι αναστρέψιμος και υποστηρίζει την προδιαγραφή USB 3.2 Gen 2 και είναι συμβατός με την προδιαγραφή USB 3.2 Gen 1 και USB 2.0. Μπορείτε επίσης να χρησιμοποιήσετε αυτήν τη θύρα για συσκευές USB.
Όταν αφαιρείτε το καλώδιο που είναι συνδεδεμένο σε μια υποδοχή του πίσω πίνακα, αφαιρέστε πρώτα το καλώδιο από τη συσκευή σας και, στη συνέχεια, αφαιρέστε το από τη μητρική πλακέτα.- Όταν αφαιρείτε το καλώδιο, τραβήξτε το ίσια έξω από την υποδοχή. Μην το ταλαντεύετε από τη μια πλευρά στην άλλη για να αποτρέψετε ένα ηλεκτρικό βραχυκύκλωμα μέσα στην υποδοχή του καλωδίου.
- Θύρα USB 3.2 Gen 2 Type-A (Κόκκινη)
Η θύρα USB 3.2 Gen 2 υποστηρίζει την προδιαγραφή USB 3.2 Gen 2 και είναι συμβατή με την προδιαγραφή USB 3.2 Gen 1 και USB 2.0. Χρησιμοποιήστε αυτήν τη θύρα για συσκευές USB. - Θύρα USB 3.2 Gen 2 Type-A (Κόκκινη) (Θύρα Q-Flash Plus)
Η θύρα USB 3.2 Gen 2 υποστηρίζει την προδιαγραφή USB 3.2 Gen 2 και είναι συμβατή με την προδιαγραφή USB 3.2 Gen 1 και USB 2.0. Χρησιμοποιήστε αυτήν τη θύρα για συσκευές USB. Πριν χρησιμοποιήσετε το Q-Flash Plus (Note), φροντίστε να τοποθετήσετε πρώτα τη μονάδα flash USB σε αυτήν τη θύρα. - Θύρα USB Type-C@ (με υποστήριξη USB 3.2 Gen 2x2)
Η αναστρέψιμη θύρα USB υποστηρίζει την προδιαγραφή USB 3.2 Gen 2x2 και είναι συμβατή με τις προδιαγραφές USB 3.2 Gen 2, USB 3.2 Gen 1 και USB 2.0. Χρησιμοποιήστε αυτήν τη θύρα για συσκευές USB. - Θύρα USB 3.2 Gen 1
Η θύρα USB 3.2 Gen 1 υποστηρίζει την προδιαγραφή USB 3.2 Gen 1 και είναι συμβατή με την προδιαγραφή USB 2.0. Χρησιμοποιήστε αυτήν τη θύρα για συσκευές USB. - Θύρα RJ45 LAN
Η θύρα Gigabit Ethernet LAN παρέχει σύνδεση στο Διαδίκτυο με ρυθμό δεδομένων έως και 2,5 Gbps. Τα παρακάτω περιγράφουν τις καταστάσεις των LED της θύρας LAN.
![]()
LED ταχύτητας:Κατάσταση Περιγραφή Πράσινο Ρυθμός δεδομένων 2,5 Gbps Πορτοκαλί Ρυθμός δεδομένων 1 Gbps Απενεργοποίηση Ρυθμός δεδομένων 100 Mbps LED δραστηριότητας:
Κατάσταση Περιγραφή Αναβοσβήνει Πραγματοποιείται μετάδοση ή λήψη δεδομένων Ενεργοποίηση Δεν πραγματοποιείται μετάδοση ή λήψη δεδομένων - Έξοδος γραμμής/Έξοδος μπροστινού ηχείου
Η υποδοχή εξόδου γραμμής. - Είσοδος μικροφώνου/Έξοδος πίσω ηχείου
Η υποδοχή εισόδου μικροφώνου. - Υποδοχή οπτικής εξόδου SIPDIF
Αυτή η υποδοχή παρέχει ψηφιακή έξοδο ήχου σε ένα εξωτερικό σύστημα ήχου που υποστηρίζει ψηφιακό οπτικό ήχο. Πριν χρησιμοποιήσετε αυτήν τη λειτουργία, βεβαιωθείτε ότι το σύστημα ήχου σας παρέχει μια υποδοχή εισόδου ψηφιακού οπτικού ήχου.
Διαμορφώσεις υποδοχής ήχου:
| Υποδοχή | Ακουστικά/ 2 καναλιών | 4-καναλιών | 5.1 καναλιών | 7.1 καναλιών |
| ![]() | ![]() | ![]() | ![]() |
| ![]() | ![]() | ![]() | |
| Έξοδος γραμμής μπροστινού πίνακα/ Έξοδος πλαϊνού ηχείου | ![]() | |||
| Είσοδος μικροφώνου μπροστινού πίνακα/Έξοδος ηχείου κέντρου/υπογούφερ | ![]() | ![]() |
Μπορείτε να αλλάξετε τη λειτουργικότητα μιας υποδοχής ήχου χρησιμοποιώντας το λογισμικό ήχου. Για να ρυθμίσετε τον ήχο 7.1 καναλιών, αποκτήστε πρόσβαση στο λογισμικό ήχου για τις ρυθμίσεις ήχου.
Επισκεφθείτε τον ιστότοπο της GIGABYTE για λεπτομέρειες σχετικά με τη διαμόρφωση του λογισμικού ήχου.
https://www.gigabyte.com/WebPage/698/realtek1220-audio.html
(Note)
Για να ενεργοποιήσετε τη λειτουργία Q-Flash Plus, μεταβείτε στη σελίδα "Unique Features" (Μοναδικά χαρακτηριστικά) του ιστότοπου της GIGABYTE για περισσότερες πληροφορίες.
Ενσωματωμένα κουμπιά, σημεία μέτρησης τάσης και LED
Γρήγορα κουμπιά
Αυτή η μητρική πλακέτα διαθέτει 2 γρήγορα κουμπιά: κουμπί τροφοδοσίας και κουμπί επαναφοράς. Το κουμπί τροφοδοσίας και το κουμπί επαναφοράς επιτρέπουν στους χρήστες να ενεργοποιούν/απενεργοποιούν ή να επαναφέρουν γρήγορα τον υπολογιστή σε ένα περιβάλλον ανοιχτής θήκης όταν θέλουν να αλλάξουν στοιχεία υλικού ή να πραγματοποιήσουν δοκιμές υλικού.

PW SW: Κουμπί τροφοδοσίας
RST SW: Κουμπί επαναφοράς

Το κουμπί επαναφοράς σάς παρέχει πολλές λειτουργίες για χρήση. Για να επαναδιαμορφώσετε το κουμπί ώστε να εκτελεί διαφορετικές εργασίες, μεταβείτε στη σελίδα "BIOS Setup" του ιστότοπου της GIGABYTE και αναζητήστε "RST_SW (MULTIKEY)" για περισσότερες πληροφορίες.
Σημεία μέτρησης τάσης
Χρησιμοποιήστε ένα πολύμετρο για να μετρήσετε τις ακόλουθες τάσεις της μητρικής πλακέτας.

Ενδεικτικές λυχνίες κατάστασης
Οι ενδεικτικές λυχνίες κατάστασης δείχνουν εάν η CPU, η μνήμη, η κάρτα γραφικών και το λειτουργικό σύστημα λειτουργούν σωστά μετά την ενεργοποίηση του συστήματος. Εάν η λυχνία LED CPU/DRAM/VGA είναι αναμμένη, αυτό σημαίνει ότι η αντίστοιχη συσκευή δεν λειτουργεί κανονικά. εάν η λυχνία LED BOOT είναι αναμμένη, αυτό σημαίνει ότι δεν έχετε εισέλθει ακόμη στο λειτουργικό σύστημα.

CPU: Ενδεικτική λυχνία LED κατάστασης CPU
DRAM: Ενδεικτική λυχνία LED κατάστασης μνήμης
VGA: Ενδεικτική λυχνία LED κατάστασης κάρτας γραφικών
BOOT: Ενδεικτική λυχνία LED κατάστασης λειτουργικού συστήματος
Εσωτερικές υποδοχές

- ATX_12V/ATX_12V1
- ATX
- CPU_FAN
- SYS_FAN1/2/3/4
- SYS_FAN5/6/7/8_PUMP
- CPU_OPT
- EC_TEMP1/EC_TEMP2
- D_LED1/D_LED2
- LED_CPU
- LED_C1/LED_C2
- SATA3 0/1/2/3/4/5
- M2A_CPU/M2B_CPU/M2C_SB/M2D_SB
- F_PANEL
- F_AUDIO
- F_U320G
- F_U32_1/F_U32_2
- F_USB1/F_USB2
- SPI_TPM
- THB_U4
- NOISE_SENSOR
- RST
- CLR_CMOS
- BAT
Διαβάστε τις παρακάτω οδηγίες πριν συνδέσετε εξωτερικές συσκευές:
Πρώτα βεβαιωθείτε ότι οι συσκευές σας συμμορφώνονται με τις υποδοχές που θέλετε να συνδέσετε.- Πριν εγκαταστήσετε τις συσκευές, φροντίστε να απενεργοποιήσετε τις συσκευές και τον υπολογιστή σας. Αποσυνδέστε το καλώδιο ρεύματος από την πρίζα για να αποφύγετε ζημιά στις συσκευές.
- Μετά την εγκατάσταση της συσκευής και πριν ενεργοποιήσετε τον υπολογιστή, βεβαιωθείτε ότι το καλώδιο της συσκευής έχει συνδεθεί με ασφάλεια στην υποδοχή της μητρικής πλακέτας.
ATX 12V/ATX 12V1/ATX 12V (Υποδοχές τροφοδοσίας 2x4 και κύρια υποδοχή τροφοδοσίας)
Με τη χρήση της υποδοχής τροφοδοσίας, το τροφοδοτικό μπορεί να παρέχει αρκετή σταθερή ισχύ σε όλα τα εξαρτήματα της μητρικής πλακέτας. Πριν συνδέσετε την υποδοχή τροφοδοσίας, βεβαιωθείτε πρώτα ότι το τροφοδοτικό είναι απενεργοποιημένο και ότι όλες οι συσκευές είναι σωστά εγκατεστημένες. Η υποδοχή τροφοδοσίας διαθέτει σχεδίαση ασφαλείας. Συνδέστε το καλώδιο τροφοδοσίας στην υποδοχή τροφοδοσίας με τον σωστό προσανατολισμό.
Η υποδοχή τροφοδοσίας 12 V παρέχει κυρίως τροφοδοσία στην CPU. Εάν η υποδοχή τροφοδοσίας 12 V δεν είναι συνδεδεμένη, ο υπολογιστής δεν θα ξεκινήσει.
Για την κάλυψη των απαιτήσεων επέκτασης, συνιστάται η χρήση ενός τροφοδοτικού που μπορεί να αντέξει υψηλή κατανάλωση ισχύος (500 W ή μεγαλύτερη). Εάν χρησιμοποιηθεί τροφοδοτικό που δεν παρέχει την απαιτούμενη ισχύ, το αποτέλεσμα μπορεί να οδηγήσει σε ένα ασταθές ή μη εκκινήσιμο σύστημα.

ATX_12V/ATX_12V1:

| Αρ. ακροδέκτη | Ορισμός |
| 1 | GND (Μόνο για 2x4 ακίδων 12V) |
| 2 | GND (Μόνο για 2x4 ακίδων 12V) |
| 3 | GND |
| 4 | GND |
| 5 | +12V (Μόνο για 2x4 ακίδων 12V) |
| 6 | +12V (Μόνο για 2x4 ακίδων 12V) |
| 7 | +12V |
| 8 | +12V |
ATX:

| Αρ. ακροδέκτη | Ορισμός | Αρ. ακροδέκτη | Ορισμός |
| 1 | 3.3V | 13 | 3.3V |
| 2 | 3.3V | 14 | -12V |
| 3 | GND | 15 | GND |
| 4 | +5V | 16 | PS_ON (μαλακό On/Off) |
| 5 | GND | 17 | GND |
| 6 | +5V | 18 | GND |
| 7 | GND | 19 | GND |
| 8 | Power Good | 20 | NC |
| 9 | 5VSB (stand by +5V) | 21 | +5V |
| 10 | +12V | 22 | +5V |
| 11 | +12V (Μόνο για 2x12 ακίδων ATX) | 23 | +5V (Μόνο για 2x12 ακίδων ATX) |
| 12 | 3.3V (Μόνο για 2x12 ακίδων ATX) | 24 | GND (Μόνο για 2x12 ακίδων ATX) |
CPU FAN/SYS FAN1/2/3/4 (Κεφαλίδες ανεμιστήρα)
Όλες οι κεφαλίδες ανεμιστήρα σε αυτήν τη μητρική πλακέτα είναι 4 ακίδων. Οι περισσότερες κεφαλίδες ανεμιστήρα διαθέτουν σχεδίαση ασφαλούς εισαγωγής. Όταν συνδέετε ένα καλώδιο ανεμιστήρα, φροντίστε να το συνδέσετε με τον σωστό προσανατολισμό (το μαύρο καλώδιο σύνδεσης είναι το καλώδιο γείωσης). Η λειτουργία ελέγχου ταχύτητας απαιτεί τη χρήση ενός ανεμιστήρα με σχεδίαση ελέγχου ταχύτητας ανεμιστήρα. Για βέλτιστη απαγωγή θερμότητας, συνιστάται η εγκατάσταση ενός ανεμιστήρα συστήματος στο εσωτερικό του πλαισίου.


CPU_FAN

SYS_FAN1/SYS_FAN2/ SYS_FAN3

SYS_FAN4
| Αρ. ακροδέκτη | Ορισμός |
| 1 | GND |
| 2 | Έλεγχος ταχύτητας τάσης |
| 3 | Sense |
| 4 | Έλεγχος ταχύτητας PWM |
SYS FAN5/6/7/8_PUMP (Κεφαλίδες ανεμιστήρα συστήματος/αντλίας ψύξης νερού)
Οι κεφαλίδες ανεμιστήρα/αντλίας είναι 4 ακίδων. Οι περισσότερες κεφαλίδες ανεμιστήρα διαθέτουν σχεδίαση ασφαλούς εισαγωγής. Όταν συνδέετε ένα καλώδιο ανεμιστήρα, φροντίστε να το συνδέσετε με τον σωστό προσανατολισμό (το μαύρο καλώδιο σύνδεσης είναι το καλώδιο γείωσης). Η λειτουργία ελέγχου ταχύτητας απαιτεί τη χρήση ενός ανεμιστήρα με σχεδίαση ελέγχου ταχύτητας ανεμιστήρα. Για βέλτιστη απαγωγή θερμότητας, συνιστάται η εγκατάσταση ενός ανεμιστήρα συστήματος στο εσωτερικό του πλαισίου. Η κεφαλίδα παρέχει επίσης έλεγχο ταχύτητας για μια αντλία ψύξης νερού. Μεταβείτε στη σελίδα "BIOS Setup" (Ρύθμιση BIOS) του ιστότοπου της GIGABYTE και αναζητήστε το "Smart Fan 6" για περισσότερες πληροφορίες.


SYS FAN5 PUMP
SYS FAN6 PUMP/SYS FAN7 PUMP

SYS FAN8 PUMP
| Αρ. ακροδέκτη | Ορισμός |
| 1 | GND |
| 2 | Έλεγχος ταχύτητας τάσης |
| 3 | Sense |
| 4 | Έλεγχος ταχύτητας PWM |
Βεβαιωθείτε ότι έχετε συνδέσει καλώδια ανεμιστήρα στις κεφαλίδες ανεμιστήρα για να αποφύγετε την υπερθέρμανση της CPU και του συστήματός σας. Η υπερθέρμανση μπορεί να προκαλέσει ζημιά στην CPU ή το σύστημα μπορεί να κολλήσει.- Αυτές οι κεφαλίδες ανεμιστήρα δεν είναι μπλοκ βραχυκυκλωτήρα διαμόρφωσης. Μην τοποθετείτε ένα καπάκι βραχυκυκλωτήρα στις κεφαλίδες.
CPU_OPT (Κεφαλίδα ανεμιστήρα CPU/αντλίας ψύξης νερού)
Η κεφαλίδα ανεμιστήρα/αντλίας είναι 4 ακίδων και διαθέτει σχεδίαση ασφαλούς εισαγωγής. Οι περισσότερες κεφαλίδες ανεμιστήρα διαθέτουν σχεδίαση ασφαλούς εισαγωγής. Όταν συνδέετε ένα καλώδιο ανεμιστήρα, φροντίστε να το συνδέσετε με τον σωστό προσανατολισμό (το μαύρο καλώδιο σύνδεσης είναι το καλώδιο γείωσης). Η λειτουργία ελέγχου ταχύτητας απαιτεί τη χρήση ενός ανεμιστήρα με σχεδίαση ελέγχου ταχύτητας ανεμιστήρα.
| Αρ. ακροδέκτη | Ορισμός |
| 1 | GND |
| 2 | Έλεγχος ταχύτητας τάσης |
| 3 | Sense |
| 4 | Έλεγχος ταχύτητας PWM |

| Υποδοχή | CPU_FAN | SYS_FAN1~4 | SYS_FAN5~8_PUMP | CPU_OPT |
| Μέγιστο ρεύμα | 2A | 2A | 2A | 2A |
| Μέγιστη ισχύς | 24W | 24W | 24W | 24W |
EC TEMPI/EC TEMP2 (Κεφαλίδες αισθητήρα θερμοκρασίας)
Συνδέστε τα καλώδια θερμίστορ στις κεφαλίδες για ανίχνευση θερμοκρασίας.

| Αρ. ακροδέκτη | Ορισμός |
| 1 | ΕΙΣΟΔΟΣ ΑΙΣΘΗΤΗΡΑ |
| 2 | GND |
D LEDI/D LED2 (Κεφαλίδες διευθυνσιοδοτούμενης λωρίδας LED)
Οι κεφαλίδες μπορούν να χρησιμοποιηθούν για τη σύνδεση μιας τυπικής διευθυνσιοδοτούμενης λωρίδας LED 5050, με μέγιστη ονομαστική ισχύ 5A (5V) και μέγιστο αριθμό 1000 LED.

| Αριθμός ακροδέκτη. | Ορισμός |
| 1 | V (5V) |
| 2 | Δεδομένα |
| 3 | Χωρίς ακροδέκτη |
| 4 | GND |

Συνδέστε την addressable λωρίδα LED στην κεφαλίδα. Ο ακροδέκτης τροφοδοσίας (που επισημαίνεται με ένα τρίγωνο στο βύσμα) της λωρίδας LED πρέπει να συνδεθεί στον ακροδέκτη 1 της κεφαλίδας της addressable λωρίδας LED. Η λανθασμένη σύνδεση μπορεί να οδηγήσει σε ζημιά της λωρίδας LED.
LED CPU (Λωρίδα LED ψύκτρας CPU/Κεφαλίδα λωρίδας RGB LED)
Η κεφαλίδα μπορεί να χρησιμοποιηθεί για τη σύνδεση μιας λωρίδας LED ψύκτρας CPU ή μιας τυπικής λωρίδας 5050 RGB LED (12V/G/R/B), με μέγιστη ονομαστική ισχύ 2Α (12V) και μέγιστο μήκος 2m.

| Αριθμός ακροδέκτη. | Ορισμός |
| 1 | 12V |
| 2 | G |
| 3 | R |
| 4 | B |

Συνδέστε τη λωρίδα LED ψύκτρας CPU/τη λωρίδα RGB LED στην κεφαλίδα. Ο ακροδέκτης της λωρίδας powerRGB LED (που επισημαίνεται με ένα τρίγωνο στο βύσμα) της λωρίδας LED πρέπει να συνδεθεί στον ακροδέκτη 1 (12V) αυτής της κεφαλίδας. Η λανθασμένη σύνδεση μπορεί να οδηγήσει σε ζημιά της λωρίδας LED.

Για το πώς να ενεργοποιήσετε/απενεργοποιήσετε τα φώτα της λωρίδας LED, μεταβείτε στη σελίδα "Μοναδικά χαρακτηριστικά" της ιστοσελίδας της GIGABYTE.
Πριν ή κατά την αφαίρεση της εγκατάστασης των συσκευών, φροντίστε να απενεργοποιήσετε τις συσκευές και τον υπολογιστή σας. Αποσυνδέστε το καλώδιο τροφοδοσίας από την πρίζα για να αποφύγετε ζημιά στις συσκευές.
LED CllLED C2 (Κεφαλίδες λωρίδας RGB LED)
Οι κεφαλίδες μπορούν να χρησιμοποιηθούν για τη σύνδεση μιας τυπικής λωρίδας 5050 RGB LED (12V/G/R/B), με μέγιστη ονομαστική ισχύ 2Α (12V) και μέγιστο μήκος 2m.


LED_C2

LED_C1
| Αριθμός ακροδέκτη. | Ορισμός |
| 1 | 12V |
| 2 | G |
| 3 | R |
| 4 | B |

Συνδέστε το ένα άκρο του καλωδίου επέκτασης RGB LED στην κεφαλίδα και το άλλο άκρο στη λωρίδα RGB LED. Το μαύρο καλώδιο (που επισημαίνεται με ένα τρίγωνο στο βύσμαRGB LED) του καλωδίου επέκτασης πρέπει να συνδεθεί στον ακροδέκτη 1 (12V) αυτής της κεφαλίδας. Ο ακροδέκτηςStrip 12V (που επισημαίνεται με ένα βέλος) στο άλλο άκρο του καλωδίου επέκτασης πρέπει να ευθυγραμμιστεί με το 12V της λωρίδας LED. Να είστε προσεκτικοί με τον προσανατολισμό σύνδεσης της λωρίδας LED. Η λανθασμένη σύνδεση μπορεί να οδηγήσει σε ζημιά της λωρίδας LED.

Για το πώς να ενεργοποιήσετε/απενεργοποιήσετε τα φώτα της λωρίδας LED, μεταβείτε στη σελίδα "Μοναδικά χαρακτηριστικά" της ιστοσελίδας της GIGABYTE.
Πριν ή κατά την αφαίρεση της εγκατάστασης των συσκευών, φροντίστε να απενεργοποιήσετε τις συσκευές και τον υπολογιστή σας. Αποσυνδέστε το καλώδιο τροφοδοσίας από την πρίζα για να αποφύγετε ζημιά στις συσκευές.
SATA3 01112131415 (Υποδοχές SATA 6Gb/s)
Οι υποδοχές SATA συμμορφώνονται με το πρότυπο SATA 6Gb/s και είναι συμβατές με το πρότυπο SATA 3Gb/s και SATA 1.5Gb/s. Κάθε υποδοχή SATA υποστηρίζει μία μόνο συσκευή SATA. Οι υποδοχές SATA υποστηρίζουν RAID O, RAID l και RAID 10. Μεταβείτε στη σελίδα "Διαμόρφωση συνόλου RAID" της ιστοσελίδας της GIGABYTE για οδηγίες σχετικά με τη διαμόρφωση ενός πίνακα RAID.

| Αριθμός ακροδέκτη. | Ορισμός |
| 1 | GND |
| 2 | TXP |
| 3 | TXN |
| 4 | GND |
| 5 | RXN |
| 6 | RXP |
| 7 | GND |

Για να ενεργοποιήσετε τη δυνατότητα hot-plugging για τις θύρες SATA, μεταβείτε στη σελίδα "BIOS Setup" της ιστοσελίδας της GIGABYTE και αναζητήστε το στοιχείο "SATA Configuration" για περισσότερες πληροφορίες.
M2A CPU/M2B CPU/M2C SBIM2D SB (Υποδοχές M.2 Socket 3)
Υπάρχουν δύο τύποι M.2 SSD: M.2 SATA SSD και M.2 PCIe SSD. Αυτή η μητρική πλακέτα υποστηρίζει μόνο M.2 PCIe SSD. Λάβετε υπόψη ότι ένα M.2 PCIe SSD δεν μπορεί να χρησιμοποιηθεί για τη δημιουργία ενός συνόλου RAID με έναν σκληρό δίσκο SATA. Μεταβείτε στη σελίδα "Διαμόρφωση συνόλου RAID" της ιστοσελίδας της GIGABYTE για οδηγίες σχετικά με τη διαμόρφωση ενός πίνακα RAID.

Ακολουθήστε τα παρακάτω βήματα για να εγκαταστήσετε σωστά ένα M.2 SSD στην υποδοχή M.2.
Βήμα 1:
Για να αποκτήσετε πρόσβαση στην υποδοχή M.2 που θέλετε να χρησιμοποιήσετε, ξεβιδώστε τις βίδες στην ψύκτρα της μητρικής πλακέτας διαγώνια για να αφαιρέσετε την ψύκτρα. Εντοπίστε την κατάλληλη οπή στήριξης για το M.2 SSD που θα εγκατασταθεί και, στη συνέχεια, εγκαταστήστε πρώτα το κλιπ M.2 EZ-Latch Plus.
Εάν θέλετε να εγκαταστήσετε ένα M.2 SSD στην οπή 11 Omm που έχει ήδη ένα στήριγμα ψύκτρας μητρικής πλακέτας, φροντίστε να αφαιρέσετε πρώτα το κλιπ EZ-Latch Plus και χρησιμοποιήστε τη βίδα της ψύκτρας της μητρικής πλακέτας για να ασφαλίσετε την ψύκτρα και το SSD.
Βήμα 2:
Αφαιρέστε την προστατευτική μεμβράνη από το θερμικό μαξιλάρι στην υποδοχή M.2. Εισαγάγετε το M.2 SSD στην υποδοχή M.2 υπό γωνία.
Βήμα 3:
Πιέστε προς τα κάτω το μπροστινό άκρο του M.2 SSD και βεβαιωθείτε ότι το M.2 SSD είναι ασφαλισμένο από το κλιπ M.2 EZ-Latch Plus. Αφαιρέστε την προστατευτική μεμβράνη από το θερμικό μαξιλάρι στο κάτω μέρος της ψύκτρας της μητρικής πλακέτας και, στη συνέχεια, τοποθετήστε ξανά την ψύκτρα και σφίξτε τις βίδες διαγώνια.
* Τύποι M.2 SSD που υποστηρίζονται από κάθε υποδοχή M.2:
| M.2 PCIe x4 SSD | M.2 PCIe x2 SSD | M.2 SATA SSD | |
| M2A_CPU | ![]() | ![]() | ![]() |
| M2B_CPU | ![]() | ![]() | ![]() |
| M2C_SB | ![]() | ![]() | ![]() |
| M2D_SB | ![]() | ![]() | ![]() |
Επισκεφτείτε την ιστοσελίδα της GIGABYTE για λεπτομέρειες σχετικά με τη χρήση του M.2 EZ-Latch Plus.
Εγκαταστήστε το M 2 SSD https://www.gigabyte.com/WebPage/920/M2-latchplus.html
Αφαιρέστε το M 2 SSD https://www.gigabyte.com/WebPage/921/removeM2.html
* Η σχεδίαση της ψύκτρας της μητρικής πλακέτας ενδέχεται να διαφέρει ανάλογα με το μοντέλο.
F PANEL (Κεφαλίδα μπροστινού πίνακα)
Συνδέστε τον διακόπτη λειτουργίας, τον διακόπτη επαναφοράς, το ηχείο, τον διακόπτη/αισθητήρα εισβολής στο περίβλημα και την ένδειξη κατάστασης συστήματος στο περίβλημα σε αυτήν την κεφαλίδα σύμφωνα με τις αντιστοιχίσεις ακροδεκτών παρακάτω. Σημειώστε τους θετικούς και αρνητικούς ακροδέκτες πριν συνδέσετε τα καλώδια.

- PLED/PWR_LED (LED τροφοδοσίας):
Συνδέεται στην ένδειξη κατάστασης τροφοδοσίας στην μπροστινή πλευρά του πλαισίου. Η λυχνία LED είναι αναμμένη όταν το σύστημα είναι σε λειτουργία. Η λυχνία LED είναι σβηστή όταν το σύστημα βρίσκεται σε κατάσταση αναστολής λειτουργίας S3/S4 ή είναι απενεργοποιημένο (S5).
| Κατάσταση συστήματος | LED |
| S0 | Ενεργοποιημένη |
| S3/S4/S5 | Απενεργοποιημένη |
- PW (Διακόπτης λειτουργίας):
Συνδέεται στον διακόπτη λειτουργίας στην μπροστινή πλευρά του πλαισίου. Μπορείτε να διαμορφώσετε τον τρόπο απενεργοποίησης του συστήματός σας χρησιμοποιώντας τον διακόπτη λειτουργίας (μεταβείτε στη σελίδα "BIOS Setup" της ιστοσελίδας της GIGABYTE και αναζητήστε το στοιχείο "Soft-Off by PWR-BTTN" για περισσότερες πληροφορίες). - SPEAK (Ηχείο):
Συνδέεται στο ηχείο στην μπροστινή πλευρά του πλαισίου. Το σύστημα αναφέρει την κατάσταση εκκίνησης του συστήματος εκδίδοντας έναν κωδικό ηχητικού σήματος. Θα ακουστεί ένα απλό σύντομο ηχητικό σήμα εάν δεν εντοπιστεί κανένα πρόβλημα κατά την εκκίνηση του συστήματος. - HD (LED δραστηριότητας σκληρού δίσκου):
Συνδέεται στη λυχνία LED δραστηριότητας του σκληρού δίσκου στην μπροστινή πλευρά του πλαισίου. Η λυχνία LED είναι αναμμένη όταν ο σκληρός δίσκος διαβάζει ή γράφει δεδομένα. - RES (Διακόπτης επαναφοράς):
Συνδέεται στον διακόπτη επαναφοράς στην μπροστινή πλευρά του πλαισίου. Πατήστε τον διακόπτη επαναφοράς για να επανεκκινήσετε τον υπολογιστή εάν ο υπολογιστής παγώσει και αποτύχει να εκτελέσει μια κανονική επανεκκίνηση. - CI (Κεφαλίδα εισβολής στο περίβλημα):
Συνδέεται στον διακόπτη/αισθητήρα εισβολής στο περίβλημα στο περίβλημα που μπορεί να ανιχνεύσει εάν έχει αφαιρεθεί το κάλυμμα του περιβλήματος. Αυτή η λειτουργία απαιτεί ένα περίβλημα με διακόπτη/αισθητήρα εισβολής στο περίβλημα. - NC: Καμία σύνδεση.
Η σχεδίαση του μπροστινού πίνακα ενδέχεται να διαφέρει ανάλογα με το περίβλημα. Μια μονάδα μπροστινού πίνακα αποτελείται κυρίως από διακόπτη λειτουργίας, διακόπτη επαναφοράς, LED τροφοδοσίας, LED δραστηριότητας σκληρού δίσκου, ηχείο και ούτω καθεξής. Όταν συνδέετε τη μονάδα μπροστινού πίνακα του περιβλήματός σας σε αυτήν την κεφαλίδα, βεβαιωθείτε ότι οι αντιστοιχίσεις καλωδίων και οι αντιστοιχίσεις ακροδεκτών αντιστοιχούν σωστά.
F_AUDIO (Επικεφαλίδα ήχου μπροστινού πλαισίου)
Η επικεφαλίδα ήχου μπροστινού πλαισίου υποστηρίζει ήχο High Definition (HD). Μπορείτε να συνδέσετε την μονάδα ήχου μπροστινού πλαισίου του πλαισίου σας σε αυτήν την επικεφαλίδα. Βεβαιωθείτε ότι οι αντιστοιχίσεις καλωδίων του συνδετήρα της μονάδας αντιστοιχούν στις αντιστοιχίσεις ακίδων της επικεφαλίδας της μητρικής πλακέτας. Η εσφαλμένη σύνδεση μεταξύ του συνδετήρα της μονάδας και της επικεφαλίδας της μητρικής πλακέτας θα καταστήσει τη συσκευή ανίκανη να λειτουργήσει ή ακόμη και να την καταστρέψει.

| Αρ. ακίδας | Ορισμός |
| 1 | MIC L |
| 2 | GND |
| 3 | MIC R |
| 4 | NC |
| 5 | Head Phone R |
| 6 | Ανίχνευση MIC |
| 7 | SENSE_SEND |
| 8 | No Pin |
| 9 | Head Phone L |
| 10 | Ανίχνευση Head Phone |

Ορισμένα πλαίσια παρέχουν μια μονάδα ήχου μπροστινού πλαισίου που διαθέτει ξεχωριστούς συνδετήρες σε κάθε καλώδιο αντί για ένα μόνο βύσμα. Για πληροφορίες σχετικά με τη σύνδεση της μονάδας ήχου μπροστινού πλαισίου που διαθέτει διαφορετικές αντιστοιχίσεις καλωδίων, επικοινωνήστε με τον κατασκευαστή του πλαισίου.
F_U320G (USB Type-C ® Επικεφαλίδα με υποστήριξη USB 3.2 Gen 2x2)
Η επικεφαλίδα συμμορφώνεται με τις προδιαγραφές USB 3.2 Gen 2x2 και μπορεί να παρέχει μία θύρα USB.

| Αρ. ακίδας | Ορισμός | Αρ. ακίδας | Ορισμός |
| 1 | VBUS | 11 | VBUS |
| 2 | TX1+ | 12 | TX2+ |
| 3 | TX1- | 13 | TX2- |
| 4 | GND | 14 | GND |
| 5 | RX1+ | 15 | RX2+ |
| 6 | RX1- | 16 | RX2- |
| 7 | VBUS | 17 | GND |
| 8 | CC1 | 18 | D- |
| 9 | SBU1 | 19 | D+ |
| 10 | SBU2 | 20 | CC2 |
F_U32_1/F_U32_2 (Επικεφαλίδες USB 3.2 Gen 1)
Οι επικεφαλίδες συμμορφώνονται με τις προδιαγραφές USB 3.2 Gen 1 και USB 2.0 και κάθε επικεφαλίδα μπορεί να παρέχει δύο θύρες USB. Για να αγοράσετε το προαιρετικό μπροστινό πλαίσιο 3,5" που παρέχει δύο θύρες USB 3.2 Gen 1, επικοινωνήστε με τον τοπικό αντιπρόσωπο.


| Αρ. ακίδας | Ορισμός | Αρ. ακίδας | Ορισμός |
| 1 | VBUS | 11 | D2+ |
| 2 | SSRX1- | 12 | D2- |
| 3 | SSRX1+ | 13 | GND |
| 4 | GND | 14 | SSTX2+ |
| 5 | SSTX1- | 15 | SSTX2- |
| 6 | SSTX1+ | 16 | GND |
| 7 | GND | 17 | SSRX2+ |
| 8 | D1- | 18 | SSRX2- |
| 9 | D1+ | 19 | VBUS |
| 10 | NC | 20 | No Pin |
F_USBI/F USB2 (Επικεφαλίδες USB 2.0/1.1)
Οι επικεφαλίδες συμμορφώνονται με τις προδιαγραφές USB 2.0/1.1. Κάθε επικεφαλίδα USB μπορεί να παρέχει δύο θύρες USB μέσω ενός προαιρετικού βραχίονα USB. Για να αγοράσετε τον προαιρετικό βραχίονα USB, επικοινωνήστε με τον τοπικό αντιπρόσωπο.

| Αρ. ακίδας | Ορισμός |
| 1 | Τροφοδοσία (5V) |
| 2 | Τροφοδοσία (5V) |
| 3 | USB DX- |
| 4 | USB DY- |
| 5 | USB DX+ |
| 6 | USB DY+ |
| 7 | GND |
| 8 | GND |
| 9 | No Pin |
| 10 | NC |
Πριν εγκαταστήσετε το βραχίονα USB, φροντίστε να απενεργοποιήσετε τον υπολογιστή σας και να αποσυνδέσετε το καλώδιο τροφοδοσίας από την πρίζα για να αποφύγετε ζημιά στο βραχίονα USB.
SPI_TPM (Επικεφαλίδα Trusted Platform Module)
Μπορείτε να συνδέσετε ένα SPI TPM (Trusted Platform Module) σε αυτήν την επικεφαλίδα.

| Αρ. ακίδας | Ορισμός |
| 1 | Έξοδος δεδομένων |
| 2 | Τροφοδοσία (3.3V) |
| 3 | No Pin |
| 4 | NC |
| 5 | Είσοδος δεδομένων |
| 6 | CLK |
| 7 | Chip Select |
| 8 | GND |
| 9 | IRQ S F_ |
| 10 | NC |
| 11 | NC |
| 12 | RST B S S_F |
THB_U4 (Συνδετήρας κάρτας προσθήκης)
Αυτός ο συνδετήρας είναι για μια κάρτα προσθήκης GIGABYTE.

NOISE SENSOR (Επικεφαλίδα ανίχνευσης θορύβου)
Αυτή η επικεφαλίδα μπορεί να χρησιμοποιηθεί για τη σύνδεση ενός καλωδίου ανίχνευσης θορύβου για την ανίχνευση του θορύβου μέσα στην θήκη.

| Αρ. ακίδας | Ορισμός |
| 1 | Ανίχνευση θορύβου |
| 2 | GND |

Για περισσότερες πληροφορίες σχετικά με τη λειτουργία ανίχνευσης θορύβου, μεταβείτε στη σελίδα "Μοναδικά χαρακτηριστικά" του ιστότοπου της GIGABYTE και αναζητήστε το "FAN CONTROL".
Πριν συνδέσετε το καλώδιο στην κεφαλίδα, φροντίστε να αφαιρέσετε το βραχυκυκλωτήρα. επανατοποθετήστε το βραχυκυκλωτήρα εάν η κεφαλίδα δεν χρησιμοποιείται.
RST (Βραχυκυκλωτήρας επαναφοράς)
Ο βραχυκυκλωτήρας επαναφοράς μπορεί να συνδεθεί με το διακόπτη επαναφοράς στο μπροστινό πλαίσιο του πλαισίου. Πατήστε το διακόπτη επαναφοράς για να επανεκκινήσετε τον υπολογιστή εάν ο υπολογιστής παγώσει και αποτύχει να εκτελέσει μια κανονική επανεκκίνηση.

| Αρ. ακίδας | Ορισμός |
| 1 | Επαναφορά |
| 2 | GND |

Ο βραχυκυκλωτήρας επαναφοράς σάς παρέχει πολλές λειτουργίες για χρήση. Για να αντιστοιχίσετε εκ νέου το κουμπί για να εκτελεί διαφορετικές εργασίες, μεταβείτε στη σελίδα "BIOS Setup" του ιστότοπου της GIGABYTE και αναζητήστε το "RST_SW (MULTIKEY)" για περισσότερες πληροφορίες.
CLR CMOS (Clear CMOS Jumper)
Χρησιμοποιήστε αυτόν τον βραχυκυκλωτήρα για να διαγράψετε τη διαμόρφωση του BIOS και να επαναφέρετε τις τιμές CMOS στις εργοστασιακές προεπιλογές. Για να διαγράψετε τις τιμές CMOS, χρησιμοποιήστε ένα μεταλλικό αντικείμενο, όπως ένα κατσαβίδι, για να αγγίξετε τους δύο ακροδέκτες για μερικά δευτερόλεπτα.

Να απενεργοποιείτε πάντα τον υπολογιστή σας και να αποσυνδέετε το καλώδιο ρεύματος από την πρίζα πριν διαγράψετε τις τιμές CMOS.- Μετά την επανεκκίνηση του συστήματος, μεταβείτε στο BIOS Setup για να φορτώσετε τις εργοστασιακές προεπιλογές (επιλέξτε Load Optimized Defaults (Φόρτωση βελτιστοποιημένων προεπιλογών)) ή διαμορφώστε χειροκίνητα τις ρυθμίσεις του BIOS (μεταβείτε στη σελίδα "BIOS Setup" (Ρύθμιση BIOS) του ιστότοπου της GIGABYTE για περισσότερες πληροφορίες).
BAT (Battery)
Η μπαταρία παρέχει ρεύμα για να διατηρεί τις τιμές (όπως οι διαμορφώσεις BIOS, η ημερομηνία και οι πληροφορίες ώρας) στην CMOS όταν ο υπολογιστής είναι απενεργοποιημένος. Αντικαταστήστε την μπαταρία όταν η τάση της μπαταρίας πέσει σε χαμηλό επίπεδο ή οι τιμές CMOS ενδέχεται να μην είναι ακριβείς ή να χαθούν.


Μπορείτε να διαγράψετε τις τιμές CMOS αφαιρώντας την μπαταρία![]()
- Απενεργοποιήστε τον υπολογιστή σας και αποσυνδέστε το καλώδιο ρεύματος.
- Αφαιρέστε απαλά την μπαταρία από τη θήκη της μπαταρίας και περιμένετε ένα λεπτό. (Ή χρησιμοποιήστε ένα μεταλλικό αντικείμενο, όπως ένα κατσαβίδι, για να αγγίξετε τους θετικούς και αρνητικούς ακροδέκτες της θήκης της μπαταρίας, βραχυκυκλώνοντάς τους για 5 δευτερόλεπτα.)
- Αντικαταστήστε την μπαταρία.
- Συνδέστε το καλώδιο ρεύματος και επανεκκινήστε τον υπολογιστή σας.
Να απενεργοποιείτε πάντα τον υπολογιστή σας και να αποσυνδέετε το καλώδιο ρεύματος πριν αντικαταστήσετε την μπαταρία.- Αντικαταστήστε την μπαταρία με μια ισοδύναμη. Ενδέχεται να προκληθεί ζημιά στις συσκευές σας εάν η μπαταρία αντικατασταθεί με ένα εσφαλμένο μοντέλο.
- Επικοινωνήστε με το σημείο αγοράς ή τον τοπικό αντιπρόσωπο εάν δεν μπορείτε να αντικαταστήσετε την μπαταρία μόνοι σας ή δεν είστε σίγουροι για το μοντέλο της μπαταρίας.
- Κατά την εγκατάσταση της μπαταρίας, σημειώστε τον προσανατολισμό της θετικής πλευράς (+) και της αρνητικής πλευράς (-) της μπαταρίας (η θετική πλευρά θα πρέπει να είναι στραμμένη προς τα πάνω).
- Οι χρησιμοποιημένες μπαταρίες πρέπει να υποβάλλονται σε επεξεργασία σύμφωνα με τους τοπικούς περιβαλλοντικούς κανονισμούς.
Ρύθμιση BIOS
Το BIOS (Basic Input and Output System) καταγράφει τις παραμέτρους υλικού του συστήματος στο CMOS στη μητρική πλακέτα. Οι κύριες λειτουργίες του περιλαμβάνουν τη διεξαγωγή του Power-On Self-Test (POST) κατά την εκκίνηση του συστήματος, την αποθήκευση των παραμέτρων του συστήματος και τη φόρτωση του λειτουργικού συστήματος, κ.λπ. Το BIOS περιλαμβάνει ένα πρόγραμμα εγκατάστασης BIOS που επιτρέπει στο χρήστη να τροποποιήσει τις βασικές ρυθμίσεις διαμόρφωσης του συστήματος ή να ενεργοποιήσει ορισμένες λειτουργίες του συστήματος.
Όταν απενεργοποιηθεί η τροφοδοσία, η μπαταρία στη μητρική πλακέτα παρέχει την απαραίτητη ισχύ στο CMOS για να διατηρήσει τις τιμές διαμόρφωσης στο CMOS.
Για να αποκτήσετε πρόσβαση στο πρόγραμμα εγκατάστασης BIOS, πατήστε το πλήκτρο <Delete> κατά τη διάρκεια του POST όταν ενεργοποιηθεί η τροφοδοσία.
Για να αναβαθμίσετε το BIOS, χρησιμοποιήστε είτε το βοηθητικό πρόγραμμα GIGABYTE Q-Flash είτε το Q-Flash Plus.
- Το Q-Flash επιτρέπει στον χρήστη να αναβαθμίσει ή να δημιουργήσει αντίγραφα ασφαλείας του BIOS γρήγορα και εύκολα χωρίς να εισέλθει στο λειτουργικό σύστημα.
- Το Q-Flash Plus σας επιτρέπει να ενημερώσετε το BIOS όταν το σύστημά σας είναι απενεργοποιημένο (κατάσταση τερματισμού λειτουργίας S5). Αποθηκεύστε το πιο πρόσφατο BIOS σε μια μονάδα USB και συνδέστε το στην αποκλειστική θύρα και, στη συνέχεια, μπορείτε να κάνετε flash το BIOS αυτόματα απλώς πατώντας το κουμπί Q-Flash Plus.
Για οδηγίες σχετικά με τη χρήση των βοηθητικών προγραμμάτων Q-Flash και Q-Flash Plus, μεταβείτε στη σελίδα "Μοναδικά χαρακτηριστικά" του ιστότοπου της GIGABYTE και αναζητήστε "Βοηθητικά προγράμματα ενημέρωσης BIOS".
Επειδή το φλας του BIOS είναι δυνητικά επικίνδυνο, εάν δεν αντιμετωπίζετε προβλήματα χρησιμοποιώντας την τρέχουσα έκδοση του BIOS, συνιστάται να μην κάνετε φλας το BIOS. Για να κάνετε φλας το BIOS, κάντε το με προσοχή. Η ανεπαρκής ανανέωση του BIOS ενδέχεται να οδηγήσει σε δυσλειτουργία του συστήματος.- Συνιστάται να μην αλλάξετε τις προεπιλεγμένες ρυθμίσεις (εκτός εάν χρειάζεται) για να αποτρέψετε την αστάθεια του συστήματος ή άλλα απροσδόκητα αποτελέσματα. Η ανεπαρκής αλλαγή των ρυθμίσεων μπορεί να οδηγήσει σε αποτυχία εκκίνησης του συστήματος. Εάν συμβεί αυτό, προσπαθήστε να καθαρίσετε τις τιμές CMOS και να επαναφέρετε την πλακέτα στις προεπιλεγμένες τιμές.
- Ανατρέξτε στις εισαγωγές της μπαταρίας/καθαρισμού του βραχυκυκλωτήρα CMOS στο κεφάλαιο Εγκατάσταση υλικού ή μεταβείτε στη σελίδα "Εγκατάσταση BIOS" του ιστότοπου της GIGABYTE και αναζητήστε "Φόρτωση βελτιστοποιημένων προεπιλογών" για το πώς να καθαρίσετε τις τιμές CMOS.
Επισκεφτείτε τον ιστότοπο της GIGABYTE για λεπτομέρειες σχετικά με τη διαμόρφωση του BIOS Setup.
https://www.gigabyte.com/WebPage/917/amd600-bios.html
Οθόνη εκκίνησης:
Η ακόλουθη οθόνη λογότυπου εκκίνησης θα εμφανιστεί όταν εκκινείται ο υπολογιστής.

Πλήκτρα λειτουργιών
<DEL>: BIOS SETUP\Q-FLASH
Πατήστε το πλήκτρο <Delete> για να εισέλθετε στο BIOS Setup ή για να αποκτήσετε πρόσβαση στο βοηθητικό πρόγραμμα Q-Flash στο BIOS Setup.
<F12>: BOOT MENU
Το Boot Menu σάς επιτρέπει να ορίσετε την πρώτη συσκευή εκκίνησης χωρίς να εισέλθετε στο BIOS Setup. Στο Boot Menu, χρησιμοποιήστε το πλήκτρο επάνω βέλους <↑> ή το πλήκτρο κάτω βέλους <↓> για να επιλέξετε την πρώτη συσκευή εκκίνησης και, στη συνέχεια, πατήστε <Enter> για να αποδεχτείτε. Το σύστημα θα εκκινηθεί αμέσως από τη συσκευή.
Σημείωση: Η ρύθμιση στο Boot Menu ισχύει μόνο για μία φορά. Μετά την επανεκκίνηση του συστήματος, η σειρά εκκίνησης της συσκευής θα εξακολουθεί να βασίζεται στις ρυθμίσεις του BIOS Setup.
<END>: Q-FLASH
Πατήστε το πλήκτρο <End> για να αποκτήσετε πρόσβαση στο βοηθητικό πρόγραμμα Q-Flash απευθείας χωρίς να χρειαστεί να εισέλθετε πρώτα στο BIOS Setup. Το λειτουργικό σύστημα και οι οδηγοί
Εγκατάσταση του λειτουργικού συστήματος και των προγραμμάτων οδήγησης
Εγκατάσταση λειτουργικού συστήματος
Με τις σωστές ρυθμίσεις BIOS, είστε έτοιμοι να εγκαταστήσετε το λειτουργικό σύστημα.
Καθώς ορισμένα λειτουργικά συστήματα περιλαμβάνουν ήδη το πρόγραμμα οδήγησης RAID, δεν χρειάζεται να εγκαταστήσετε ξεχωριστό πρόγραμμα οδήγησης RAID κατά τη διαδικασία εγκατάστασης των Windows. Μετά την εγκατάσταση του λειτουργικού συστήματος, συνιστούμε να εγκαταστήσετε όλα τα απαιτούμενα προγράμματα οδήγησης από το GIGABYTE Control Center για να διασφαλίσετε την απόδοση και τη συμβατότητα του συστήματος. Εάν το λειτουργικό σύστημα που πρόκειται να εγκατασταθεί απαιτεί να παρέχετε επιπλέον πρόγραμμα οδήγησης RAID κατά τη διαδικασία εγκατάστασης του λειτουργικού συστήματος, ανατρέξτε στα παρακάτω βήματα:
Βήμα 1:
Μεταβείτε στον ιστότοπο της GIGABYTE, μεταβείτε στην ιστοσελίδα του μοντέλου της μητρικής πλακέτας, κατεβάστε το αρχείο AMD RAID Preinstall Driver στη σελίδα Support\Download\SATA RAID/AHCI, αποσυμπιέστε το αρχείο και αντιγράψτε τα αρχεία στη μονάδα USB.
Βήμα 2:
Εκκινήστε από το δίσκο εγκατάστασης των Windows και εκτελέστε τα τυπικά βήματα εγκατάστασης του λειτουργικού συστήματος. Όταν εμφανιστεί η οθόνη που σας ζητά να φορτώσετε το πρόγραμμα οδήγησης, επιλέξτε Browse (Αναζήτηση).
Βήμα 3:
Εισαγάγετε τη μονάδα USB και, στη συνέχεια, μεταβείτε στη θέση του προγράμματος οδήγησης. Επιλέξτε πρώτα AMD-RAID Bottom Device και κάντε κλικ στο Next (Επόμενο) για να φορτώσετε το πρόγραμμα οδήγησης. Στη συνέχεια, επιλέξτε AMD-RAID Controller και κάντε κλικ στο Next (Επόμενο) για να φορτώσετε το πρόγραμμα οδήγησης. Τέλος, συνεχίστε την εγκατάσταση του λειτουργικού συστήματος.

Εγκατάσταση προγραμμάτων οδήγησης
Μετά την εγκατάσταση του λειτουργικού συστήματος, θα εμφανιστεί ένα παράθυρο διαλόγου στην κάτω δεξιά γωνία της επιφάνειας εργασίας, το οποίο θα σας ρωτά εάν θέλετε να κατεβάσετε και να εγκαταστήσετε τα προγράμματα οδήγησης και τις εφαρμογές GIGABYTE μέσω του GIGABYTE Control Center (GCC). Κάντε κλικ στο Install (Εγκατάσταση) για να συνεχίσετε την εγκατάσταση. (Στο BIOS Setup, βεβαιωθείτε ότι η επιλογή Settings\Gigabyte Utilities Downloader Configuration\Gigabyte Utilities Downloader έχει οριστεί σε Enabled (Ενεργοποιημένο).)

Όταν εμφανιστεί το παράθυρο διαλόγου End UserLicenseAgreement, πατήστε <Accept> για να εγκαταστήσετε το GIGABYTE Control Center (GCC). Στην οθόνη GIGABYTE CONTROL CENTER, επιλέξτε τα προγράμματα οδήγησης και τις εφαρμογές που θέλετε να εγκαταστήσετε και κάντε κλικ στο Install (Εγκατάσταση).


Πριν από την εγκατάσταση, βεβαιωθείτε ότι το σύστημα είναι συνδεδεμένο στο Διαδίκτυο.
Επισκεφτείτε τον ιστότοπο της GIGABYTE για περισσότερες πληροφορίες σχετικά με το λογισμικό.
https://www.gigabyte.com/WebPage/916/amd600-app.html
Επισκεφτείτε τον ιστότοπο της GIGABYTE για περισσότερες πληροφορίες σχετικά με την αντιμετώπιση προβλημάτων.
https://www.gigabyte.com/WebPage/351/faq.html
Διαμόρφωση ενός συνόλου RAID
Επίπεδα RAID
| RAID 0 | RAID 1 | RAID 10 | |
| Ελάχιστος αριθμός σκληρών δίσκων | ≥2 | 2 | 4 |
| Χωρητικότητα πίνακα | Αριθμός σκληρών δίσκων * Μέγεθος του μικρότερου δίσκου | Μέγεθος του μικρότερου δίσκου | Μέγεθος του μικρότερου δίσκου * (Αριθμός σκληρών δίσκων/2) |
| Ανοχή σφαλμάτων | Όχι | Ναι | Ναι |
Πριν ξεκινήσετε, ετοιμάστε τα ακόλουθα στοιχεία:
Αυτή η μητρική πλακέτα υποστηρίζει RAID 0, RAID 1 και RAID 10. Ετοιμάστε τον σωστό αριθμό σκληρών δίσκων όπως υποδεικνύεται στον παραπάνω πίνακα πριν διαμορφώσετε μια διάταξη RAID.
- Σκληροί δίσκοι SATA ή SSD. Για να διασφαλίσετε τη βέλτιστη απόδοση, συνιστάται να χρησιμοποιήσετε δύο σκληρούς δίσκους με πανομοιότυπο μοντέλο και χωρητικότητα.
- Δίσκος εγκατάστασης των Windows.
- Ένας υπολογιστής συνδεδεμένος στο Διαδίκτυο.
- Μια μονάδα USB.
Επισκεφτείτε τον ιστότοπο της GIGABYTE για λεπτομέρειες σχετικά με τη διαμόρφωση μιας διάταξης RAID. https://www.gigabyte.com/WebPage/918/amd600-raid.html
Κωδικοί LED εντοπισμού σφαλμάτων
Κανονική εκκίνηση
| Κωδικός | Περιγραφή |
| 10 | Ξεκίνησε ο πυρήνας PEI. |
| 11 | Ξεκίνησε η προ-μνήμης αρχικοποίηση της CPU. |
| 12~14 | Δεσμευμένο. |
| 15 | Ξεκίνησε η προ-μνήμης αρχικοποίηση North-Bridge. |
| 16~18 | Δεσμευμένο. |
| 19 | Ξεκίνησε η προ-μνήμης αρχικοποίηση South-Bridge. |
| 1A~2A | Δεσμευμένο. |
| 2B~2F | Αρχικοποίηση μνήμης. |
| 31 | Εγκαταστάθηκε η μνήμη. |
| 32~36 | Αρχικοποίηση CPU PEI. |
| 37~3A | Αρχικοποίηση IOH PEI. |
| 3B~3E | Αρχικοποίηση PCH PEI. |
| 3F~4F | Δεσμευμένο. |
| 60 | Ξεκίνησε ο πυρήνας DXE. |
| 61 | Αρχικοποίηση NVRAM. |
| 62 | Εγκατάσταση των υπηρεσιών χρόνου εκτέλεσης PCH. |
| 63~67 | Ξεκίνησε η αρχικοποίηση CPU DXE. |
| 68 | Ξεκίνησε η αρχικοποίηση της γέφυρας κεντρικού υπολογιστή PCI. |
| 69 | Αρχικοποίηση IOH DXE. |
| 6A | Αρχικοποίηση IOH SMM. |
| 6B~6F | Δεσμευμένο. |
| 70 | Αρχικοποίηση PCH DXE. |
| 71 | Αρχικοποίηση PCH SMM. |
| 72 | Αρχικοποίηση συσκευών PCH. |
| 73~77 | Αρχικοποίηση PCH DXE (συγκεκριμένο για την ενότητα PCH). |
| 78 | Αρχικοποίηση πυρήνα ACPI. |
| 79 | Ξεκίνησε η αρχικοποίηση CSM. |
| 7A~7F | Δεσμευμένο για χρήση AMI. |
| 80~8F | Δεσμευμένο για χρήση OEM (κωδικοί αρχικοποίησης OEM DXE). |
| 90 | Μεταφορά φάσης σε BDS (Επιλογή συσκευής εκκίνησης) από DXE. |
| 91 | Έκδοση συμβάντος για σύνδεση προγραμμάτων οδήγησης. |
| 92 | Ξεκίνησε η αρχικοποίηση διαύλου PCI. |
| 93 | Αρχικοποίηση άμεσης σύνδεσης διαύλου PCI. |
| 94 | Απαρίθμηση διαύλου PCI για τον εντοπισμό του αριθμού των απαιτούμενων πόρων. |
| 95 | Έλεγχος των αιτούμενων πόρων της συσκευής PCI. |
| 96 | Ανάθεση πόρων συσκευής PCI. |
| 97 | Σύνδεση συσκευών εξόδου κονσόλας (π.χ. η οθόνη είναι φωτισμένη). |
| 98 | Σύνδεση συσκευών εισόδου κονσόλας (π.χ. ενεργοποιούνται το πληκτρολόγιο/ποντίκι PS2/USB). |
| 99 | Αρχικοποίηση Super IO. |
| 9A | Ξεκίνησε η αρχικοποίηση USB. |
| 9B | Έκδοση επαναφοράς κατά τη διάρκεια της διαδικασίας αρχικοποίησης USB. |
| 9C | Εντοπισμός και εγκατάσταση όλων των συνδεδεμένων συσκευών USB. |
| 9D | Ενεργοποίηση όλων των συνδεδεμένων συσκευών USB. |
| 9E~9F | Δεσμευμένο. |
| A0 | Ξεκίνησε η αρχικοποίηση IDE. |
| A1 | Έκδοση επαναφοράς κατά τη διάρκεια της διαδικασίας αρχικοποίησης IDE. |
| A2 | Εντοπισμός και εγκατάσταση όλων των συνδεδεμένων συσκευών IDE. |
| A3 | Ενεργοποίηση όλων των συνδεδεμένων συσκευών IDE. |
| A4 | Ξεκίνησε η αρχικοποίηση SCSI. |
| A5 | Έκδοση επαναφοράς κατά τη διάρκεια της διαδικασίας αρχικοποίησης SCSI. |
| A6 | Εντοπισμός και εγκατάσταση όλων των συνδεδεμένων συσκευών SCSI. |
| A7 | Ενεργοποίηση όλων των συνδεδεμένων συσκευών SCSI. |
| A8 | Επαλήθευση κωδικού πρόσβασης εάν απαιτείται. |
| A9 | Ξεκίνησε η εγκατάσταση BIOS. |
| AA | Δεσμευμένο. |
| AB | Αναμονή εντολής χρήστη στην Εγκατάσταση BIOS. |
| AC | Δεσμευμένο. |
| AD | Έκδοση συμβάντος Ετοιμότητας για εκκίνηση για Εκκίνηση λειτουργικού συστήματος. |
| AE | Εκκίνηση σε Legacy OS. |
| AF | Έξοδος υπηρεσιών εκκίνησης. |
| B0 | Έναρξη εγκατάστασης AP χρόνου εκτέλεσης. |
| B1 | Λήξη εγκατάστασης AP χρόνου εκτέλεσης. |
| B2 | Αρχικοποίηση Legacy Option ROM. |
| B3 | Επαναφορά συστήματος εάν απαιτείται. |
| B4 | Άμεση σύνδεση συσκευής USB. |
| B5 | Άμεση σύνδεση συσκευής PCI. |
| B6 | Εκκαθάριση NVRAM. |
| B7 | Επαναδιαμόρφωση ρυθμίσεων NVRAM. |
| B8~BF | Δεσμευμένο. |
| C0~CF | Δεσμευμένο. |
Επαναφορά S3
| Κωδικός | Περιγραφή |
| E0 | Έγινε έναρξη της Επαναφοράς S3 (κλήθηκε από DXE IPL). |
| E1 | Συμπλήρωση δεδομένων δέσμης ενεργειών εκκίνησης για επαναφορά S3. |
| E2 | Αρχικοποιεί VGA για επαναφορά S3. |
| E3 | Κλήση διανύσματος αφύπνισης OS S3. |
Ανάκτηση
| Κωδικός | Περιγραφή |
| F0 | Η λειτουργία ανάκτησης θα ενεργοποιηθεί λόγω εντοπισμού μη έγκυρου όγκου υλικολογισμικού. |
| F1 | Η λειτουργία ανάκτησης θα ενεργοποιηθεί από την απόφαση του χρήστη. |
| F2 | Έγινε έναρξη της ανάκτησης. |
| F3 | Βρέθηκε η εικόνα υλικολογισμικού ανάκτησης. |
| F4 | Φορτώθηκε η εικόνα υλικολογισμικού ανάκτησης. |
| F5~F7 | Δεσμευμένο για μελλοντικούς κωδικούς προόδου AMI. |
Σφάλμα
| Κωδικός | Περιγραφή |
| 50~55 | Παρουσιάστηκε σφάλμα αρχικοποίησης μνήμης. |
| 56 | Μη έγκυρος τύπος ή ταχύτητα CPU. |
| 57 | Ασυμβατότητα CPU. |
| 58 | Αποτυχία αυτοελέγχου CPU ή πιθανό σφάλμα προσωρινής μνήμης CPU. |
| 59 | Δεν βρέθηκε μικροκώδικας CPU ή απέτυχε η ενημέρωση μικροκώδικα. |
| 5A | Εσωτερικό σφάλμα CPU. |
| 5B | Απέτυχε το Reset PPI. |
| 5C~5F | Δεσμευμένο. |
| D0 | Σφάλμα αρχικοποίησης CPU. |
| D1 | Σφάλμα αρχικοποίησης IOH. |
| D2 | Σφάλμα αρχικοποίησης PCH. |
| D3 | Ορισμένα από τα αρχιτεκτονικά πρωτόκολλα δεν είναι διαθέσιμα. |
| D4 | Σφάλμα εκχώρησης πόρων PCI. Έλλειψη πόρων. |
| D5 | Χωρίς χώρο για αρχικοποίηση Legacy Option ROM. |
| D6 | Δεν βρέθηκαν συσκευές εξόδου κονσόλας. |
| D7 | Δεν βρέθηκαν συσκευές εισόδου κονσόλας. |
| D8 | Είναι μη έγκυρος κωδικός πρόσβασης. |
| D9~DA | Δεν είναι δυνατή η φόρτωση της επιλογής εκκίνησης. |
| DB | Απέτυχε η ενημέρωση Flash. |
| DC | Απέτυχε το πρωτόκολλο επαναφοράς. |
| DE~DF | Δεσμευμένο. |
| E8 | Απέτυχε η επαναφορά S3. |
| E9 | Δεν βρέθηκε το S3 Resume PPI. |
| EA | Μη έγκυρη δέσμη ενεργειών εκκίνησης επαναφοράς S3. |
| EB | Απέτυχε η κλήση αφύπνισης S3 OS. |
| EC~EF | Δεσμευμένο. |
| F8 | Μη έγκυρο το Recovery PPI. |
| <F9> | Δεν βρέθηκε η κάψουλα ανάκτησης. |
| FA | Μη έγκυρη κάψουλα ανάκτησης. |
| FB~FF | Δεσμευμένο. |

Αναφορές
Αφαίρεση M.2
Ρύθμιση GIGABYTE AMD 600 Series BIOS
Εγχειρίδιο αντιμετώπισης προβλημάτων GIGABYTE
Ρύθμιση GIGABYTE AMD 600 Series BIOS
Βοηθητικό πρόγραμμα | Υπηρεσία / Υποστήριξη - GIGABYTE GlobalGIGABYTE Realtek Audio
M.2 EZ-Latch PLUS
Εγχειρίδιο λογισμικού μητρικών πλακετών GIGABYTE
Λήψη εγχειριδίου
Εδώ μπορείτε να κατεβάσετε την πλήρη έκδοση pdf του εγχειριδίου, μπορεί να περιέχει πρόσθετες οδηγίες ασφαλείας, πληροφορίες εγγύησης, κανόνες FCC κ.λπ.
Λήψη GIGABYTE X670E AORUS MASTER - Εγχειρίδιο μητρικής πλακέτας















