GIGABYTE Z790M AORUS ELITE AX, Z790M AORUS ELITE - Εγχειρίδιο μητρικής πλακέτας

Αναγνώριση της αναθεώρησης της μητρικής σας πλακέτας
Ο αριθμός αναθεώρησης στη μητρική σας πλακέτα είναι της μορφής: "REV: X.X.". Για παράδειγμα, "REV: 1.0" σημαίνει ότι η αναθεώρηση της μητρικής πλακέτας είναι 1.0. Ελέγξτε την αναθεώρηση της μητρικής πλακέτας σας πριν από την ενημέρωση του BIOS της μητρικής πλακέτας, των προγραμμάτων οδήγησης ή όταν αναζητάτε τεχνικές πληροφορίες.
Παράδειγμα:

Εισαγωγή προϊόντος
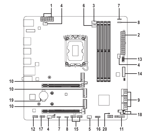
Διάταξη μητρικής πλακέτας

Αισθητήρας θερμοκρασίας
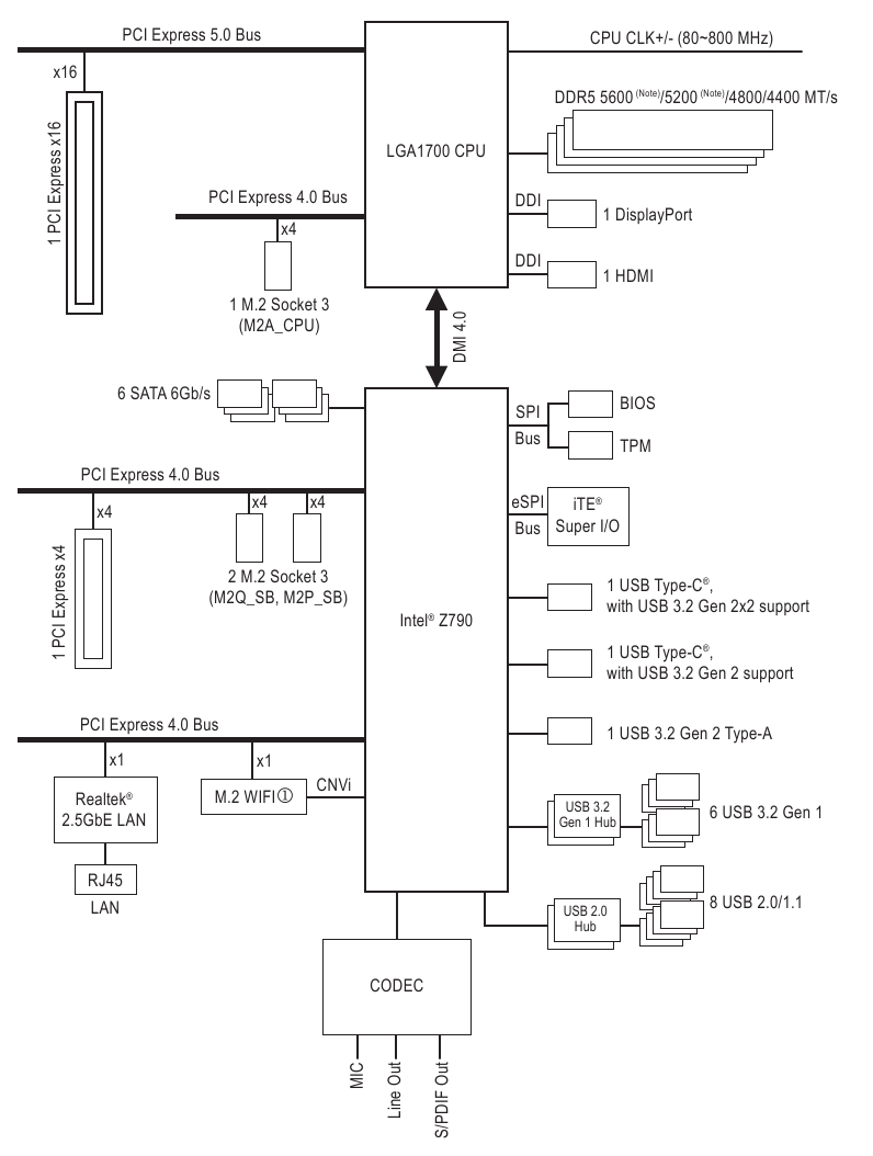
- μόνο για Z790M AORUS ELITE AX.
(Σημείωση) Μόνο για PCB rev. 1.1 ή μεταγενέστερη.
Διάγραμμα μπλοκ μητρικής πλακέτας

- μόνο για Z790M AORUS ELITE
(Σημείωση) Η πραγματική υποστήριξη ενδέχεται να διαφέρει ανάλογα με την CPU.
Εγκατάσταση Υλικού
Προφυλάξεις Εγκατάστασης
Η μητρική πλακέτα περιέχει πολλά ευαίσθητα ηλεκτρονικά κυκλώματα και εξαρτήματα που μπορούν να υποστούν ζημιά ως αποτέλεσμα ηλεκτροστατικής εκφόρτισης (ESD). Πριν από την εγκατάσταση, διαβάστε προσεκτικά το εγχειρίδιο χρήσης και ακολουθήστε αυτές τις διαδικασίες:
- Πριν από την εγκατάσταση, βεβαιωθείτε ότι το πλαίσιο είναι κατάλληλο για τη μητρική πλακέτα.
- Πριν από την εγκατάσταση, μην αφαιρέσετε ή σπάσετε το αυτοκόλλητο SIN (Σειριακός Αριθμός) της μητρικής πλακέτας ή το αυτοκόλλητο εγγύησης που παρέχεται από τον αντιπρόσωπό σας. Αυτά τα αυτοκόλλητα απαιτούνται για την επικύρωση της εγγύησης.
- Αφαιρείτε πάντα την τροφοδοσία AC αποσυνδέοντας το καλώδιο τροφοδοσίας από την πρίζα πριν εγκαταστήσετε ή αφαιρέσετε τη μητρική πλακέτα ή άλλα εξαρτήματα υλικού.
- Όταν συνδέετε εξαρτήματα υλικού στους εσωτερικούς συνδετήρες της μητρικής πλακέτας, βεβαιωθείτε ότι είναι συνδεδεμένα σφιχτά και με ασφάλεια.
- Όταν χειρίζεστε τη μητρική πλακέτα, αποφύγετε να αγγίζετε μεταλλικούς ακροδέκτες ή συνδετήρες.
- Είναι καλύτερο να φοράτε έναν ιμάντα καρπού ηλεκτροστατικής εκφόρτισης (ESD) όταν χειρίζεστε ηλεκτρονικά εξαρτήματα όπως μια μητρική πλακέτα, CPU ή μνήμη. Εάν δεν έχετε ιμάντα καρπού ESD, κρατήστε τα χέρια σας στεγνά και αγγίξτε πρώτα ένα μεταλλικό αντικείμενο για να εξαλείψετε τον στατικό ηλεκτρισμό.
- Πριν εγκαταστήσετε τη μητρική πλακέτα, τοποθετήστε την πάνω σε ένα αντιστατικό μαξιλάρι ή μέσα σε ένα ηλεκτροστατικό θωρακισμένο δοχείο.
- Πριν συνδέσετε ή αποσυνδέσετε το καλώδιο τροφοδοσίας από τη μητρική πλακέτα, βεβαιωθείτε ότι το τροφοδοτικό έχει απενεργοποιηθεί.
- Πριν ενεργοποιήσετε την τροφοδοσία, βεβαιωθείτε ότι η τάση τροφοδοσίας έχει ρυθμιστεί σύμφωνα με το τοπικό πρότυπο τάσης.
- Πριν χρησιμοποιήσετε το προϊόν, βεβαιωθείτε ότι όλα τα καλώδια και οι συνδετήρες τροφοδοσίας των εξαρτημάτων υλικού σας είναι συνδεδεμένα.
- Για να αποφύγετε ζημιά στη μητρική πλακέτα, μην αφήνετε τις βίδες να έρθουν σε επαφή με το κύκλωμα της μητρικής πλακέτας ή τα εξαρτήματά της.
- Βεβαιωθείτε ότι δεν υπάρχουν βίδες ή μεταλλικά εξαρτήματα που έχουν απομείνει τοποθετημένα στη μητρική πλακέτα ή μέσα στη θήκη του υπολογιστή.
- Μην τοποθετείτε το σύστημα υπολογιστή σε ανώμαλη επιφάνεια.
- Μην τοποθετείτε το σύστημα υπολογιστή σε περιβάλλον υψηλής θερμοκρασίας ή υγρό.
- Η ενεργοποίηση της τροφοδοσίας του υπολογιστή κατά τη διαδικασία εγκατάστασης μπορεί να οδηγήσει σε ζημιά στα εξαρτήματα του συστήματος καθώς και σε σωματική βλάβη στον χρήστη.
- Εάν δεν είστε βέβαιοι για οποιοδήποτε βήμα εγκατάστασης ή έχετε πρόβλημα που σχετίζεται με τη χρήση του προϊόντος, συμβουλευτείτε έναν πιστοποιημένο τεχνικό υπολογιστών.
- Εάν χρησιμοποιείτε έναν προσαρμογέα, καλώδιο επέκτασης τροφοδοσίας ή πολύμπριζο, φροντίστε να συμβουλευτείτε τις οδηγίες εγκατάστασης και/ή γείωσης.
Προδιαγραφές προϊόντος
CPU |
|
Chipset |
|
Memory |
|
Onboard Graphics |
|
Audio |
|
LAN |
|
Wireless Communication Module1 |
|
Expansion Slots |
|
Storage Interface |
|
USB |
|
Internal Connectors |
|
Internal Connectors |
|
Back Panel Connectors |
|
I/O Controller |
|
Hardware Monitor |
|
BIOS |
|
Unique Features |
|
Bundled Software |
|
Operating System |
|
Form Factor |
|
* Η GIGABYTE διατηρεί το δικαίωμα να προβεί σε οποιεσδήποτε αλλαγές στις προδιαγραφές του προϊόντος και στις πληροφορίες που σχετίζονται με το προϊόν χωρίς προηγούμενη ειδοποίηση![]()
Επισκεφτείτε τη σελίδα SERVICE/SUPPORT\Utility στον ιστότοπο της GIGABYTE για να κατεβάσετε την πιο πρόσφατη έκδοση των εφαρμογών.
https://www.gigabyte.com/Support/Utility/Motherboard?m=ut
Εγκατάσταση της CPU και του ψύκτη CPU
Διαβάστε τις παρακάτω οδηγίες πριν ξεκινήσετε την εγκατάσταση της CPU:
- Βεβαιωθείτε ότι η μητρική πλακέτα υποστηρίζει την CPU.
(Μεταβείτε στον ιστότοπο της GIGABYTE για την πιο πρόσφατη λίστα υποστήριξης CPU.) - Πάντα να απενεργοποιείτε τον υπολογιστή και να αποσυνδέετε το καλώδιο τροφοδοσίας από την πρίζα πριν εγκαταστήσετε την CPU για να αποτρέψετε ζημιά στο υλικό.
- Εντοπίστε το pin ένα της CPU. Η CPU δεν μπορεί να εισαχθεί εάν είναι λανθασμένα προσανατολισμένη. (Ή μπορείτε να εντοπίσετε τις εγκοπές και στις δύο πλευρές της CPU και τα κλειδιά ευθυγράμμισης στην υποδοχή CPU.)
- Εφαρμόστε μια ομοιόμορφη και λεπτή στρώση θερμικής πάστας στην επιφάνεια της CPU.
- Μην ενεργοποιήσετε τον υπολογιστή εάν δεν είναι εγκατεστημένος ο ψύκτης της CPU, διαφορετικά ενδέχεται να προκληθεί υπερθέρμανση και ζημιά στην CPU.
- Ρυθμίστε τη συχνότητα κεντρικού υπολογιστή CPU σύμφωνα με τις προδιαγραφές της CPU. Δεν συνιστάται η ρύθμιση της συχνότητας του διαύλου συστήματος πέρα από τις προδιαγραφές υλικού, επειδή δεν πληροί τις τυπικές απαιτήσεις για τα περιφερειακά. Εάν θέλετε να ρυθμίσετε τη συχνότητα πέρα από τις τυπικές προδιαγραφές, κάντε το σύμφωνα με τις προδιαγραφές υλικού σας, συμπεριλαμβανομένης της CPU, της κάρτας γραφικών, της μνήμης, του σκληρού δίσκου κ.λπ.
- Σημειώστε τον προσανατολισμό της CPU
Σημειώστε τα κλειδιά ευθυγράμμισης στην υποδοχή CPU της μητρικής πλακέτας και τις εγκοπές στην CPU.
![GIGABYTE - Z790M AORUS ELITE AX - Σημειώστε τον προσανατολισμό της CPU Σημειώστε τον προσανατολισμό της CPU]()
Μην αφαιρέσετε το κάλυμμα της υποδοχής CPU πριν εισαγάγετε την CPU. Μπορεί να ξεκολλήσει αυτόματα από την πλάκα φόρτωσης αφού εισαγάγετε την CPU και κλείσετε την πλάκα φόρτωσης.
Επισκεφθείτε τον ιστότοπο της GIGABYTE για λεπτομέρειες σχετικά με την εγκατάσταση υλικού.
https://www.gigabyte.com/WebPage/210/quick-guide.html?m=sw
- Εγκατάσταση της CPU
Ακολουθήστε τα παρακάτω βήματα για να εγκαταστήσετε σωστά την CPU στην υποδοχή CPU της μητρικής πλακέτας.
- Πιέστε απαλά τη λαβή του μοχλού της υποδοχής CPU προς τα κάτω και μακριά από την υποδοχή
![]()
- Ανασηκώστε εντελώς τον μοχλό ασφάλισης της υποδοχής CPU.
- Χρησιμοποιήστε την γλωττίδα δακτύλου στο πλάι της μεταλλικής πλάκας φόρτωσης για να σηκώσετε και να ανοίξετε τη μεταλλική πλάκα φόρτωσης με το πλαστικό προστατευτικό κάλυμμα συνδεδεμένο σε αυτήν
![]()
- Πιέστε απαλά τη λαβή του μοχλού της υποδοχής CPU προς τα κάτω και μακριά από την υποδοχή
- Κρατήστε την CPU με τα δάχτυλά σας από τις άκρες Ευθυγραμμίστε τη σήμανση pin ένα της CPU (τρίγωνο) με τη γωνία pin ένα της υποδοχής CPU (ή μπορείτε να ευθυγραμμίσετε τις εγκοπές CPU με τα κλειδιά ευθυγράμμισης υποδοχής) και τοποθετήστε απαλά την CPU στη θέση της
![]()
![GIGABYTE - Z790M AORUS ELITE AX - Εγκατάσταση της CPU - Βήμα 2 Εγκατάσταση της CPU - Βήμα 2]()
- Βεβαιωθείτε ότι η CPU είναι σωστά εγκατεστημένη και, στη συνέχεια, κλείστε την πλάκα φόρτωσης. Το πλαστικό προστατευτικό κάλυμμα θα ξεκολλήσει, απλώς αφαιρέστε το. Ασφαλίστε τον μοχλό κάτω από την γλωττίδα συγκράτησης για να ολοκληρώσετε την εγκατάσταση της CPU
![]()
*Να αντικαθιστάτε πάντα το πλαστικό προστατευτικό κάλυμμα όταν δεν είναι εγκατεστημένη η CPU για να προστατεύετε την υποδοχή CPU![]()
![GIGABYTE - Z790M AORUS ELITE AX - Εγκατάσταση της CPU - Βήμα 3 Εγκατάσταση της CPU - Βήμα 3]()
Μην ασκήσετε δύναμη για να εμπλέξετε τον μοχλό ασφάλισης της υποδοχής CPU όταν η CPU δεν είναι σωστά εγκατεστημένη, καθώς αυτό θα προκαλέσει ζημιά στην CPU και στην υποδοχή CPU.
- Εγκατάσταση του ψύκτη CPU
Βεβαιωθείτε ότι έχετε εγκαταστήσει τον ψύκτη CPU μετά την εγκατάσταση της CPU. (Η πραγματική διαδικασία εγκατάστασης ενδέχεται να διαφέρει ανάλογα με τον ψύκτη CPU που θα χρησιμοποιηθεί. Ανατρέξτε στο εγχειρίδιο χρήστη για τον ψύκτη CPU σας.)- Εφαρμόστε μια ομοιόμορφη και λεπτή στρώση θερμικής πάστας στην επιφάνεια της εγκατεστημένης CPU
![]()
![GIGABYTE - Z790M AORUS ELITE AX - Εγκατάσταση του ψύκτη CPU - Βήμα 1 Εγκατάσταση του ψύκτη CPU - Βήμα 1]()
- Τοποθετήστε τον ψύκτη πάνω από την CPU, ευθυγραμμίζοντας τα τέσσερα μπουλόνια ώθησης μέσω των οπών των μπουλονιών στη μητρική πλακέτα Πιέστε προς τα κάτω τα μπουλόνια ώθησης διαγώνια.
![GIGABYTE - Z790M AORUS ELITE AX - Εγκατάσταση του ψύκτη CPU - Βήμα 2 Εγκατάσταση του ψύκτη CPU - Βήμα 2]()
- Τέλος, συνδέστε τον σύνδεσμο τροφοδοσίας του ψύκτη CPU στην κεφαλίδα ανεμιστήρα CPU (CPU FAN) στη μητρική πλακέτα
![]()
![]()
- Εφαρμόστε μια ομοιόμορφη και λεπτή στρώση θερμικής πάστας στην επιφάνεια της εγκατεστημένης CPU
Εγκατάσταση της μνήμης
Διαβάστε τις παρακάτω οδηγίες πριν ξεκινήσετε την εγκατάσταση της μνήμης:
- Βεβαιωθείτε ότι η μητρική πλακέτα υποστηρίζει τη μνήμη. Συνιστάται η χρήση μνήμης ίδιας χωρητικότητας, μάρκας, ταχύτητας και τσιπ. (Μεταβείτε στον ιστότοπο της GIGABYTE για τις πιο πρόσφατες υποστηριζόμενες ταχύτητες μνήμης και μονάδες μνήμης.)
- Πάντα να απενεργοποιείτε τον υπολογιστή και να αποσυνδέετε το καλώδιο τροφοδοσίας από την πρίζα πριν εγκαταστήσετε τη μνήμη για να αποτρέψετε ζημιά στο υλικό.
- Οι μονάδες μνήμης έχουν σχεδιαστεί έτσι ώστε να μην κάνουν λάθη. Μια μονάδα μνήμης μπορεί να εγκατασταθεί μόνο προς μία κατεύθυνση. Εάν δεν μπορείτε να εισαγάγετε τη μνήμη, αλλάξτε την κατεύθυνση.
Διαμόρφωση μνήμης διπλού καναλιού
Αυτή η μητρική πλακέτα παρέχει τέσσερις υποδοχές μνήμης και υποστηρίζει τεχνολογία διπλού καναλιού. Μετά την εγκατάσταση της μνήμης, το BIOS θα ανιχνεύσει αυτόματα τις προδιαγραφές και τη χωρητικότητα της μνήμης. Η ενεργοποίηση της λειτουργίας μνήμης διπλού καναλιού θα διπλασιάσει το αρχικό εύρος ζώνης μνήμης.
Οι τέσσερις υποδοχές μνήμης χωρίζονται σε δύο κανάλια και κάθε κανάλι έχει δύο υποδοχές μνήμης ως εξής:
Κανάλι A: DDR5 Al, DDR5 A2
Κανάλι B: DDR5 Bl, DDR5 B2
Συνιστώμενη διαμόρφωση μνήμης διπλού καναλιού![]()
| DDR5 Al | DDR5 A2 | DDR5 Bl | DDR5 B2 | |
| 2 μονάδες | -- | DS/SS | -- | DS/SS |
| 4 μονάδες | DS/SS | DS/SS | DS/SS | DS/SS |
(SS=Μονόπλευρη, DS=Διπλής όψης, -"=Χωρίς μνήμη)
Λόγω των περιορισμών της CPU, διαβάστε τις παρακάτω οδηγίες πριν εγκαταστήσετε τη μνήμη σε λειτουργία διπλού καναλιού.
- Δεν είναι δυνατή η ενεργοποίηση της λειτουργίας διπλού καναλιού εάν είναι εγκατεστημένη μόνο μία μονάδα μνήμης.
- Κατά την ενεργοποίηση της λειτουργίας διπλού καναλιού με δύο ή τέσσερις μονάδες μνήμης, συνιστάται η χρήση μνήμης ίδιας χωρητικότητας, μάρκας, ταχύτητας και τσιπ.
![GIGABYTE - Z790M AORUS ELITE AX - Διαμόρφωση μνήμης διπλού καναλιού Διαμόρφωση μνήμης διπλού καναλιού]()
Όταν εγκαθιστάτε μια μεμονωμένη μονάδα μνήμης, συνιστούμε να την εγκαταστήσετε στην υποδοχή DDR5 A2 ή DDR5 B2.
Εγκατάσταση μιας κάρτας επέκτασης
Διαβάστε τις παρακάτω οδηγίες πριν ξεκινήσετε την εγκατάσταση μιας κάρτας επέκτασης:
- Βεβαιωθείτε ότι η μητρική πλακέτα υποστηρίζει την κάρτα επέκτασης. Διαβάστε προσεκτικά το εγχειρίδιο που συνοδεύει την κάρτα επέκτασης.
- Πάντα να απενεργοποιείτε τον υπολογιστή και να αποσυνδέετε το καλώδιο τροφοδοσίας από την πρίζα πριν εγκαταστήσετε μια κάρτα επέκτασης για να αποτρέψετε ζημιά στο υλικό.
Ακολουθήστε τα παρακάτω βήματα για να εγκαταστήσετε σωστά την κάρτα επέκτασης στην υποδοχή επέκτασης.

- Εντοπίστε μια υποδοχή επέκτασης που υποστηρίζει την κάρτα σας. Αφαιρέστε το μεταλλικό κάλυμμα της υποδοχής από τον πίσω πίνακα του πλαισίου.
- Ευθυγραμμίστε την κάρτα με την υποδοχή και πιέστε την κάρτα προς τα κάτω μέχρι να καθίσει πλήρως στην υποδοχή.
- Βεβαιωθείτε ότι η κάρτα επέκτασης έχει τοποθετηθεί πλήρως στην υποδοχή της.
- Ασφαλίστε το μεταλλικό στήριγμα της κάρτας στον πίσω πίνακα του πλαισίου με μια βίδα.
- Μετά την εγκατάσταση όλων των καρτών επέκτασης, αντικαταστήστε το(τα) κάλυμμα(τα) του πλαισίου.
- Ενεργοποιήστε τον υπολογιστή σας. Εάν είναι απαραίτητο, μεταβείτε στο BIOS Setup για να κάνετε τις απαραίτητες αλλαγές BIOS για την(τις) κάρτα(ες) επέκτασης.
- Εγκαταστήστε το πρόγραμμα οδήγησης που παρέχεται με την κάρτα επέκτασης στο λειτουργικό σας σύστημα.
Συνδέσεις Πίσω Πάνελ

- Θύρα USB 2.0/1.1
Η θύρα USB υποστηρίζει την προδιαγραφή USB 2.0/1.1. Χρησιμοποιήστε αυτήν τη θύρα για συσκευές USB. - Υποδοχές Κεραίας SMA (2T2R)O
Χρησιμοποιήστε αυτήν την υποδοχή για να συνδέσετε μια κεραία.
Σφίξτε τις κεραίες στις υποδοχές κεραίας και, στη συνέχεια, στοχεύστε σωστά τις κεραίες για καλύτερη λήψη σήματος. - DisplayPort
Η DisplayPort παρέχει ψηφιακή απεικόνιση και ήχο υψηλής ποιότητας, υποστηρίζοντας αμφίδρομη μετάδοση ήχου. Η DisplayPort μπορεί να υποστηρίξει μηχανισμούς προστασίας περιεχομένου HDCP 2.3. Μπορείτε να χρησιμοποιήσετε αυτήν τη θύρα για να συνδέσετε την οθόνη σας που υποστηρίζει DisplayPort. Σημείωση: Η τεχνολογία DisplayPort μπορεί να υποστηρίξει μέγιστη ανάλυση 4096x2304@60 Hz, αλλά οι πραγματικές υποστηριζόμενες αναλύσεις εξαρτώνται από την οθόνη που χρησιμοποιείται. - Θύρα HDMI
TM
Η θύρα HDMI είναι συμβατή με HDCP 2.3 και υποστηρίζει μορφές Dolby TrueHD και DTS HD Master Audio. Υποστηρίζει επίσης έξοδο ήχου LPCM 7.1 καναλιών έως 192 KHz/24 bit. Μπορείτε να χρησιμοποιήσετε αυτήν τη θύρα για να συνδέσετε την οθόνη σας που υποστηρίζει HDMl. Η μέγιστη υποστηριζόμενη ανάλυση είναι 4096x2160@60 Hz, αλλά οι πραγματικές υποστηριζόμενες αναλύσεις εξαρτώνται από την οθόνη που χρησιμοποιείται.
Μετά την εγκατάσταση της συσκευής DisplayPort/HDMl, βεβαιωθείτε ότι έχετε ορίσει την προεπιλεγμένη συσκευή αναπαραγωγής ήχου σε DisplayPort/HDMl. (Το όνομα στοιχείου ενδέχεται να διαφέρει ανάλογα με το λειτουργικό σας σύστημα.) - Θύρα USB 3.2 Gen 2 Type-A (Κόκκινο) (Θύρα Q-Flash Plus)
Η θύρα USB 3.2 Gen 2 υποστηρίζει την προδιαγραφή USB 3.2 Gen 2 και είναι συμβατή με τις προδιαγραφές USB 3.2 Gen 1 και USB 2.0. Χρησιμοποιήστε αυτήν τη θύρα για συσκευές USB. Πριν χρησιμοποιήσετε το Q-Flash Plus (Σημείωση), βεβαιωθείτε ότι έχετε εισαγάγει πρώτα τη μονάδα flash USB σε αυτήν τη θύρα. - Θύρα USB Type-C@
Η αναστρέψιμη θύρα USB υποστηρίζει την προδιαγραφή USB 3.2 Gen 2x2 και είναι συμβατή με τις προδιαγραφές USB 3.2 Gen 2, USB 3.2 Gen 1 και USB 2.0. Χρησιμοποιήστε αυτήν τη θύρα για συσκευές USB. - Θύρα USB 3.2 Gen 1
Η θύρα USB 3.2 Gen 1 υποστηρίζει την προδιαγραφή USB 3.2 Gen 1 και είναι συμβατή με την προδιαγραφή USB 2.0. Χρησιμοποιήστε αυτήν τη θύρα για συσκευές USB.
- μόνο για Z790M AORUS ELITE AX.
(Σημείωση) Για να ενεργοποιήσετε τη λειτουργία Q-Flash Plus, μεταβείτε στη σελίδα "Μοναδικά χαρακτηριστικά" του ιστότοπου της GIGABYTE για περισσότερες πληροφορίες.
- Θύρα RJ45 LAN
Η θύρα Gigabit Ethernet LAN παρέχει σύνδεση στο Internet με ρυθμό δεδομένων έως 2,5 Gbps. Ακολουθεί η περιγραφή των καταστάσεων των LED της θύρας LAN.
![]()
LED ταχύτητας:Κατάσταση Περιγραφή Πορτοκαλί Ρυθμός δεδομένων 2,5 Gbps Πράσινο Ρυθμός δεδομένων 1 Gbps Απενεργοποίηση Ρυθμός δεδομένων 100 Mbps LED δραστηριότητας:
Κατάσταση Περιγραφή Αναβοσβήνει Εκτελείται μετάδοση ή λήψη δεδομένων Απενεργοποίηση Δεν εκτελείται μετάδοση ή λήψη δεδομένων - Έξοδος Γραμμής/Έξοδος Μπροστινού Ηχείου
Η υποδοχή εξόδου γραμμής. - Είσοδος Μικροφώνου/Έξοδος Πίσω Ηχείου
Η υποδοχή εισόδου μικροφώνου. - Οπτική Υποδοχή Εξόδου SIPDIF
Αυτή η υποδοχή παρέχει ψηφιακή έξοδο ήχου σε ένα εξωτερικό σύστημα ήχου που υποστηρίζει ψηφιακό οπτικό ήχο. Πριν χρησιμοποιήσετε αυτήν τη λειτουργία, βεβαιωθείτε ότι το σύστημα ήχου σας παρέχει μια οπτική ψηφιακή υποδοχή εισόδου ήχου.
Διαμορφώσεις υποδοχής ήχου:
| Υποδοχή | Ακουστικά/ 2 καναλιών | 4 καναλιών | 5 1 καναλιών | 7. I καναλιών |
| ![]() | ![]() | ![]() | ![]() |
| ![]() | ![]() | ![]() | |
| Έξοδος Γραμμής Μπροστινού Πάνελ/Έξοδος Πλευρικού Ηχείου | ![]() | |||
| Είσοδος Μικροφώνου Μπροστινού Πάνελ/Έξοδος Κεντρικού/Subwoofer Ηχείου | ![]() | ![]() |
Μπορείτε να αλλάξετε τη λειτουργικότητα μιας υποδοχής ήχου χρησιμοποιώντας το λογισμικό ήχου. Για να διαμορφώσετε ήχο 7.1 καναλιών, αποκτήστε πρόσβαση στο λογισμικό ήχου για τις ρυθμίσεις ήχου.
Επισκεφθείτε τον ιστότοπο της GIGABYTE για λεπτομέρειες σχετικά με τη διαμόρφωση του λογισμικού ήχου.
https://www.gigabyte.com/WebPage/698/realtek1220-audio.html
- Όταν αφαιρείτε το καλώδιο που είναι συνδεδεμένο σε μια υποδοχή του πίσω πάνελ, αφαιρέστε πρώτα το καλώδιο από τη συσκευή σας και, στη συνέχεια, αφαιρέστε το από τη μητρική πλακέτα.
- Όταν αφαιρείτε το καλώδιο, τραβήξτε το ίσια έξω από την υποδοχή. Μην το κουνάτε από τη μια πλευρά στην άλλη για να αποφύγετε ένα ηλεκτρικό βραχυκύκλωμα μέσα στην υποδοχή του καλωδίου.
Ενσωματωμένα Κουμπιά και LED
RST SW (Κουμπί Επαναφοράς)
Το κουμπί επαναφοράς επιτρέπει στους χρήστες να ενεργοποιούν/απενεργοποιούν γρήγορα τον υπολογιστή σε ένα περιβάλλον ανοιχτής θήκης όταν θέλουν να αλλάξουν στοιχεία υλικού ή να πραγματοποιήσουν δοκιμές υλικού.

Το κουμπί επαναφοράς σάς παρέχει πολλές λειτουργίες για χρήση. Για να αντιστοιχίσετε εκ νέου το κουμπί για να εκτελεί διαφορετικές εργασίες, μεταβείτε στη σελίδα "Ρύθμιση BIOS" του ιστότοπου της GIGABYTE και αναζητήστε το "RST_SW (MULTIKEY)" για περισσότερες πληροφορίες.
CLR SW (Κουμπί Εκκαθάρισης CMOS)
Χρησιμοποιήστε αυτό το κουμπί για να εκκαθαρίσετε τη διαμόρφωση του BIOS και να επαναφέρετε τις τιμές CMOS στις εργοστασιακές προεπιλογές, όταν χρειάζεται.

- Απενεργοποιείτε πάντα τον υπολογιστή σας και αποσυνδέετε το καλώδιο τροφοδοσίας από την πρίζα πριν χρησιμοποιήσετε το κουμπί εκκαθάρισης CMOS.
- Μην χρησιμοποιείτε το κουμπί εκκαθάρισης CMOS όταν το σύστημα είναι ενεργοποιημένο, διαφορετικά το σύστημα μπορεί να τερματιστεί και ενδέχεται να προκληθεί απώλεια ή ζημιά δεδομένων.
- Μετά την επανεκκίνηση του συστήματος, μεταβείτε στη Ρύθμιση BIOS για να φορτώσετε τις εργοστασιακές προεπιλογές (επιλέξτε Φόρτωση Βελτιστοποιημένων Προεπιλογών) ή διαμορφώστε χειροκίνητα τις ρυθμίσεις του BIOS (μεταβείτε στη σελίδα "Ρύθμιση BIOS" του ιστότοπου της GIGABYTE για περισσότερες πληροφορίες).
QFLASH PLUS (Κουμπί Q-Flash Plus)
Το Q-Flash Plus σάς επιτρέπει να ενημερώσετε το BIOS όταν το σύστημά σας είναι απενεργοποιημένο (κατάσταση τερματισμού S5). Αποθηκεύστε το πιο πρόσφατο BIOS σε μια μονάδα USB και συνδέστε το στην αποκλειστική θύρα και, στη συνέχεια, μπορείτε να κάνετε flash αυτόματα το BIOS απλώς πατώντας το κουμπί Q-Flash Plus. Το QFLED θα αναβοσβήνει όταν ξεκινήσουν οι δραστηριότητες αντιστοίχισης και flash του BIOS και θα σταματήσει να αναβοσβήνει όταν ολοκληρωθεί το κύριο flash του BIOS.

Για να ενεργοποιήσετε τη λειτουργία Q-Flash Plus, μεταβείτε στη σελίδα "Μοναδικά χαρακτηριστικά" του ιστότοπου της GIGABYTE για περισσότερες πληροφορίες.
LED κατάστασης (Σημείωση)
Τα LED κατάστασης δείχνουν εάν η CPU, η μνήμη, η κάρτα γραφικών και το λειτουργικό σύστημα λειτουργούν σωστά μετά την ενεργοποίηση του συστήματος. Εάν το LED CPU/DRAMNGA είναι αναμμένο, αυτό σημαίνει ότι η αντίστοιχη συσκευή δεν λειτουργεί κανονικά. Εάν το LED BOOT είναι αναμμένο, αυτό σημαίνει ότι δεν έχετε εισέλθει ακόμη στο λειτουργικό σύστημα.

CPU: LED κατάστασης CPU
DRAM: LED κατάστασης μνήμης
VGA: LED κατάστασης κάρτας γραφικών
BOOT: LED κατάστασης λειτουργικού συστήματος
(Σημείωση) Μόνο για PCB rev. 1.1 ή νεότερη.
Εσωτερικές υποδοχές

- ATX_12V_2X2/ATX_12V_2X4
- ATX
- CPU_FAN
- SYS_FAN1/2/3
- SYS_FAN4_PUMP
- CPU_OPT
- LED_C1/LED_C2
- D_LED1/D_LED2
- SATA3 2/3/4/5/6/7
- M2A_CPU/M2Q_SB/M2P_SB
- F_PANEL
- F_AUDIO
- F_U32C
- F_U32
- F_USB1/F_USB2
- SPI_TPM
- COM
- THB_C1/THB_C2
- BAT
- RST
Διαβάστε τις ακόλουθες οδηγίες πριν συνδέσετε εξωτερικές συσκευές:
- Βεβαιωθείτε πρώτα ότι οι συσκευές σας είναι συμβατές με τις υποδοχές που θέλετε να συνδέσετε.
- Πριν εγκαταστήσετε τις συσκευές, φροντίστε να απενεργοποιήσετε τις συσκευές και τον υπολογιστή σας. Αποσυνδέστε το καλώδιο τροφοδοσίας από την πρίζα για να αποφύγετε ζημιά στις συσκευές.
- Μετά την εγκατάσταση της συσκευής και πριν ενεργοποιήσετε τον υπολογιστή, βεβαιωθείτε ότι το καλώδιο της συσκευής έχει συνδεθεί καλά στην υποδοχή της μητρικής πλακέτας.
1/2) ATX_12V_2X2/ATX_12V_2X4/ATX (Υποδοχές τροφοδοσίας 2x2, 2x4, 12V και υποδοχή τροφοδοσίας 2x12)
Με τη χρήση της υποδοχής τροφοδοσίας, το τροφοδοτικό μπορεί να παρέχει αρκετή σταθερή τροφοδοσία σε όλα τα εξαρτήματα της μητρικής πλακέτας. Πριν συνδέσετε την υποδοχή τροφοδοσίας, βεβαιωθείτε πρώτα ότι το τροφοδοτικό είναι απενεργοποιημένο και ότι όλες οι συσκευές είναι σωστά εγκατεστημένες. Η υποδοχή τροφοδοσίας διαθέτει αλάνθαστο σχεδιασμό. Συνδέστε το καλώδιο τροφοδοσίας στην υποδοχή τροφοδοσίας με τον σωστό προσανατολισμό.
Η υποδοχή τροφοδοσίας 12V παρέχει κυρίως τροφοδοσία στην CPU. Εάν δεν είναι συνδεδεμένη η υποδοχή τροφοδοσίας 12V, ο υπολογιστής δεν θα ξεκινήσει.
Για να ικανοποιηθούν οι απαιτήσεις επέκτασης, συνιστάται η χρήση τροφοδοτικού που να μπορεί να αντέξει υψηλή κατανάλωση ρεύματος (500W ή μεγαλύτερη). Εάν χρησιμοποιηθεί ένα τροφοδοτικό που δεν παρέχει την απαιτούμενη ισχύ, το αποτέλεσμα μπορεί να οδηγήσει σε ένα ασταθές ή μη εκκινήσιμο σύστημα.


| Αρ. ακροδέκτη | Ορισμός |
| 1 | GND |
| 2 | GND |
| 3 | +12V |
| 4 | +12V |

| Αρ. ακροδέκτη | Ορισμός | Αρ. ακροδέκτη | Ορισμός |
| 1 | GND (Μόνο για 2x4 ακροδέκτες 12V) | 5 | +12V (Μόνο για 2x4 ακροδέκτες 12V) |
| 2 | GND (Μόνο για 2x4 ακροδέκτες 12V) | 6 | +12V (Μόνο για 2x4 ακροδέκτες 12V) |
| 3 | GND | 7 | +12V |
| 4 | GND | 8 | +12V |

| Αρ. ακροδέκτη | Ορισμός | Αρ. ακροδέκτη | Ορισμός |
| 1 | 3.3V | 13 | 3.3V |
| 2 | 3.3V | 14 | -12V |
| 3 | GND | 15 | GND |
| 4 | +5V | 16 | PS_ON (soft On/Off) |
| 5 | GND | 17 | GND |
| 6 | +5V | 18 | GND |
| 7 | GND | 19 | GND |
| 8 | Power Good | 20 | NC |
| 9 | 5VSB (stand by +5V) | 21 | +5V |
| 10 | +12V | 22 | +5V |
| 11 | +12V (Μόνο για ATX 2x12 ακροδεκτών) | 23 | +5V (Μόνο για ATX 2x12 ακροδεκτών) |
| 12 | 3.3V (Μόνο για ATX 2x12 ακροδεκτών) | 24 | GND (Μόνο για ATX 2x12 ακροδεκτών) |
3/4) CPU FAN/SYS FAN1/2/3 (Κεφαλίδες ανεμιστήρα)
Όλες οι κεφαλίδες ανεμιστήρα σε αυτήν τη μητρική πλακέτα είναι 4 ακροδεκτών. Οι περισσότερες κεφαλίδες ανεμιστήρα διαθέτουν αλάνθαστο σχεδιασμό εισαγωγής. Όταν συνδέετε ένα καλώδιο ανεμιστήρα, φροντίστε να το συνδέσετε με τον σωστό προσανατολισμό (το μαύρο καλώδιο σύνδεσης είναι το καλώδιο γείωσης). Η λειτουργία ελέγχου ταχύτητας απαιτεί τη χρήση ανεμιστήρα με σχεδιασμό ελέγχου ταχύτητας ανεμιστήρα. Για βέλτιστη απαγωγή θερμότητας, συνιστάται η εγκατάσταση ενός ανεμιστήρα συστήματος μέσα στο πλαίσιο.


| Αρ. ακροδέκτη | Ορισμός |
| 1 | GND |
| 2 | Έλεγχος ταχύτητας τάσης |
| 3 | Αίσθηση |
| 4 | Έλεγχος ταχύτητας PWM |
- SYS FAN4 PUMP (Κεφαλίδα ανεμιστήρα συστήματος/αντλίας υδρόψυξης)
Η κεφαλίδα ανεμιστήρα/αντλίας είναι 4 ακροδεκτών και διαθέτει αλάνθαστο σχεδιασμό εισαγωγής. Οι περισσότερες κεφαλίδες ανεμιστήρα διαθέτουν αλάνθαστο σχεδιασμό εισαγωγής. Όταν συνδέετε ένα καλώδιο ανεμιστήρα, φροντίστε να το συνδέσετε με τον σωστό προσανατολισμό (το μαύρο καλώδιο σύνδεσης είναι το καλώδιο γείωσης). Η λειτουργία ελέγχου ταχύτητας απαιτεί τη χρήση ανεμιστήρα με σχεδιασμό ελέγχου ταχύτητας ανεμιστήρα. Για βέλτιστη απαγωγή θερμότητας, συνιστάται η εγκατάσταση ενός ανεμιστήρα συστήματος μέσα στο πλαίσιο. Η κεφαλίδα παρέχει επίσης έλεγχο ταχύτητας για μια αντλία υδρόψυξης. Μεταβείτε στη σελίδα "BIOS Setup" (Ρύθμιση BIOS) του ιστότοπου της GIGABYTE και αναζητήστε το "Smart Fan 6" για περισσότερες πληροφορίες.
![]()
Αρ. ακροδέκτη Ορισμός 1 GND 2 Έλεγχος ταχύτητας τάσης 3 Αίσθηση 4 Έλεγχος ταχύτητας PWM
- Βεβαιωθείτε ότι έχετε συνδέσει τα καλώδια του ανεμιστήρα στις κεφαλίδες του ανεμιστήρα για να αποτρέψετε την υπερθέρμανση της CPU και του συστήματός σας. Η υπερθέρμανση μπορεί να προκαλέσει ζημιά στην CPU ή το σύστημα μπορεί να σταματήσει να λειτουργεί.
- Αυτές οι κεφαλίδες ανεμιστήρα δεν είναι μπλοκ βραχυκυκλωτήρα διαμόρφωσης. Μην τοποθετείτε ένα καπάκι βραχυκυκλωτήρα στις κεφαλίδες.
- CPU_OPT (Κεφαλίδα ανεμιστήρα CPU/αντλίας υδρόψυξης)
Η κεφαλίδα ανεμιστήρα/αντλίας είναι 4 ακροδεκτών και διαθέτει αλάνθαστο σχεδιασμό εισαγωγής. Οι περισσότερες κεφαλίδες ανεμιστήρα διαθέτουν αλάνθαστο σχεδιασμό εισαγωγής. Όταν συνδέετε ένα καλώδιο ανεμιστήρα, φροντίστε να το συνδέσετε με τον σωστό προσανατολισμό (το μαύρο καλώδιο σύνδεσης είναι το καλώδιο γείωσης). Η λειτουργία ελέγχου ταχύτητας απαιτεί τη χρήση ανεμιστήρα με σχεδιασμό ελέγχου ταχύτητας ανεμιστήρα.
![]()
Αρ. ακροδέκτη Ορισμός 1 GND 2 Έλεγχος ταχύτητας τάσης 3 Αίσθηση 4 Έλεγχος ταχύτητας PWM Υποδοχή CPU_FAN SYS_FAN1~3 SYS_FAN4_PUMP CPU_OPT Μέγιστο ρεύμα 2A 2A 2A 2A Μέγιστη ισχύς 24W 24W 24W 24W - LED CllLED C2 (Κεφαλίδες ταινίας LED RGB)
Οι κεφαλίδες μπορούν να χρησιμοποιηθούν για τη σύνδεση μιας τυπικής ταινίας LED 5050 RGB (12V/G/R/B), με μέγιστη ισχύ 2A (12V) και μέγιστο μήκος 2m.
![]()
Ορισμός αρ. ακροδέκτη 1 12V 2 G 3 R 4 B Συνδέστε τη λωρίδα RGB LED στην κεφαλίδα. Ο ακροδέκτης τροφοδοσίας (σημειωμένος με τρίγωνο λωρίδας RGB LED στην υποδοχή) της λωρίδας LED πρέπει να συνδεθεί στον ακροδέκτη 1 (12V) αυτής της κεφαλίδας. Μια λανθασμένη σύνδεση μπορεί να οδηγήσει σε ζημιά στη λωρίδα LED.
![Σύνδεση της λωρίδας RGB LED στην κεφαλίδα]()
Για να μάθετε πώς να ενεργοποιείτε/απενεργοποιείτε τα φώτα της λωρίδας LED, μεταβείτε στη σελίδα "Μοναδικά χαρακτηριστικά" του ιστότοπου της GIGABYTE.
Πριν εγκαταστήσετε ή αφαιρέσετε τις συσκευές, φροντίστε να απενεργοποιήσετε τις συσκευές και τον υπολογιστή σας. Αποσυνδέστε το καλώδιο ρεύματος από την πρίζα για να αποφύγετε ζημιά στις συσκευές.
-
D_LEDI/D LED2 (Κεφαλίδες λωρίδας LED με δυνατότητα διευθυνσιοδότησης)
Οι κεφαλίδες μπορούν να χρησιμοποιηθούν για τη σύνδεση μιας τυπικής λωρίδας LED με δυνατότητα διευθυνσιοδότησης 5050, με μέγιστη ονομαστική ισχύ 5A (5V) και μέγιστο αριθμό 1000 LED.
![D_LEDI/D LED2]()
![Κεφαλίδα λωρίδας LED με δυνατότητα διευθυνσιοδότησης]()
Αρ. ακροδέκτη Ορισμός 1 V (5V) 2 Δεδομένα 3 Χωρίς ακροδέκτη 4 GND Συνδέστε τη λωρίδα LED με δυνατότητα διευθυνσιοδότησης στην κεφαλίδα. Ο ακροδέκτης τροφοδοσίας (σημειωμένος με λωρίδα LED με δυνατότητα διευθυνσιοδότησης με ένα τρίγωνο στην υποδοχή) της λωρίδας LED πρέπει να συνδεθεί στον ακροδέκτη 1 της κεφαλίδας λωρίδας LED με δυνατότητα διευθυνσιοδότησης. Μια λανθασμένη σύνδεση μπορεί να οδηγήσει σε ζημιά στη λωρίδα LED.
![Συνδέστε τη λωρίδα LED με δυνατότητα διευθυνσιοδότησης στην κεφαλίδα.]()
Για να μάθετε πώς να ενεργοποιείτε/απενεργοποιείτε τα φώτα της λωρίδας LED, μεταβείτε στη σελίδα "Μοναδικά χαρακτηριστικά" του ιστότοπου της GIGABYTE.
Πριν εγκαταστήσετε ή αφαιρέσετε τις συσκευές, φροντίστε να απενεργοποιήσετε τις συσκευές και τον υπολογιστή σας. Αποσυνδέστε το καλώδιο ρεύματος από την πρίζα για να αποφύγετε ζημιά στις συσκευές.
-
SATA3 21314151617 (Υποδοχές SATA 6Gb/s)
Οι υποδοχές SATA συμμορφώνονται με το πρότυπο SATA 6Gb/s και είναι συμβατές με το πρότυπο SATA 3Gb/s και SATA 1.5Gb/s. Κάθε υποδοχή SATA υποστηρίζει μια μεμονωμένη συσκευή SATA. Το Intel@Chipset υποστηρίζει RAID 0, RAID l, RAID 5 και RAID 10. Μεταβείτε στη σελίδα "Διαμόρφωση ενός συνόλου RAID" του ιστότοπου της GIGABYTE για οδηγίες σχετικά με τη διαμόρφωση ενός πίνακα RAID.
![GIGABYTE - Z790M AORUS ELITE AX - SATA3 21314151617 (Υποδοχές SATA 6Gb/s) SATA3 21314151617 (Υποδοχές SATA 6Gb/s)]()
Αρ. ακροδέκτη Ορισμός 1 GND 2 TXP 3 TXN 4 GND 5 RXN 6 RXP 7 GND
Για να ενεργοποιήσετε τη δυνατότητα άμεσης σύνδεσης για τις θύρες SATA, μεταβείτε στη σελίδα "Ρύθμιση BIOS" του ιστότοπου της GIGABYTE και αναζητήστε το στοιχείο "SATA Configuration" για περισσότερες πληροφορίες. - M2A CPU/M2Q SBIM2P SB (Υποδοχές 3 M.2)
Υπάρχουν δύο τύποι M.2 SSD: M.2 SATA SSD και M.2 PCIe SSD. Αυτή η μητρική πλακέτα υποστηρίζει μόνο M.2 PCIe SSD. Φροντίστε να επαληθεύσετε τον τύπο των M.2 SSD που θέλετε να χρησιμοποιήσετε. Λάβετε υπόψη ότι ένα M.2 PCIe SSD δεν μπορεί να χρησιμοποιηθεί για τη δημιουργία ενός συνόλου RAID με έναν σκληρό δίσκο SATA. Μεταβείτε στη σελίδα "Διαμόρφωση ενός συνόλου RAID" του ιστότοπου της GIGABYTE για οδηγίες σχετικά με τη διαμόρφωση ενός πίνακα RAID.
![GIGABYTE - Z790M AORUS ELITE AX - M2A CPU/M2Q SBIM2P SB (Υποδοχές 3 M.2) M2A CPU/M2Q SBIM2P SB (Υποδοχές 3 M.2)]()
![Εγκατάσταση M.2 SSD]()
Ακολουθήστε τα παρακάτω βήματα για να εγκαταστήσετε σωστά ένα M.2 SSD στην υποδοχή M.2.-
Για να αποκτήσετε πρόσβαση στην υποδοχή M.2 που θέλετε να χρησιμοποιήσετε, ξεβιδώστε τις βίδες στην ψύκτρα της μητρικής πλακέτας διαγώνια για να αφαιρέσετε την ψύκτρα. Εντοπίστε την κατάλληλη οπή στήριξης για το M.2 SSD που θα εγκατασταθεί και, στη συνέχεια, εγκαταστήστε πρώτα το κλιπ M.2 EZ-Latch Plus.
Εάν θέλετε να εγκαταστήσετε ένα M.2 SSD στην οπή 110mm που έχει ήδη ένα στήριγμα ψύκτρας μητρικής πλακέτας, φροντίστε να αφαιρέσετε πρώτα το κλιπ EZ-Latch Plus και να χρησιμοποιήσετε τη βίδα ψύκτρας μητρικής πλακέτας για να στερεώσετε την ψύκτρα και το SSD. -
Αφαιρέστε την προστατευτική μεμβράνη από το θερμοαγώγιμο επίθεμα στην υποδοχή M.2. Εισαγάγετε το M.2 SSD στην υποδοχή M.2 υπό γωνία.
-
Πιέστε προς τα κάτω το μπροστινό άκρο του M.2 SSD και βεβαιωθείτε ότι το M.2 SSD είναι ασφαλισμένο από το κλιπ M.2 EZ-Latch Plus. Αφαιρέστε την προστατευτική μεμβράνη από το κάτω μέρος της ψύκτρας της μητρικής πλακέτας και, στη συνέχεια, αντικαταστήστε την ψύκτρα και σφίξτε τις βίδες διαγώνια.
* Τύποι M.2 SSD που υποστηρίζονται από κάθε υποδοχή M.2:M.2 PCIex4 SSD M.2 PCIe SSD M.2 SATA SSD M2A CPU ![Υποστηρίζεται]()
![Υποστηρίζεται]()
![Υποστηρίζεται]()
![Δεν υποστηρίζεται]()
M2Q_SB ![Υποστηρίζεται]()
![Υποστηρίζεται]()
![Υποστηρίζεται]()
![Δεν υποστηρίζεται]()
M2P SB ![Υποστηρίζεται]()
![Υποστηρίζεται]()
![Υποστηρίζεται]()
![Δεν υποστηρίζεται]()
-
Επισκεφτείτε τον ιστότοπο της GIGABYTE για λεπτομέρειες σχετικά με τη χρήση του M.2 EZ-Latch Plus.
Εγκαταστήστε το M 2 SSD https://www.gigabyte.com/WebPage/920/M2-latchplus.html
Αφαιρέστε το M 2 SSD https://www.gigabyte.com/WebPage/921/removeM2.html
* Η σχεδίαση της ψύκτρας της μητρικής πλακέτας ενδέχεται να διαφέρει ανάλογα με το μοντέλο.
- F_PANEL (Κεφαλίδα μπροστινού πίνακα)
Συνδέστε το διακόπτη τροφοδοσίας, το διακόπτη επαναφοράς, το ηχείο, το διακόπτη/αισθητήρα εισβολής στο περίβλημα και την ένδειξη κατάστασης συστήματος στο περίβλημα σε αυτήν την κεφαλίδα σύμφωνα με τις παρακάτω αντιστοιχίσεις ακροδεκτών. Σημειώστε τους θετικούς και αρνητικούς ακροδέκτες πριν συνδέσετε τα καλώδια.
- PLED/PWR_LED (LED τροφοδοσίας):
Συνδέεται στην ένδειξη κατάστασης τροφοδοσίας στον μπροστινό πίνακα του περιβλήματος. Το LED είναι αναμμένο όταν το σύστημα λειτουργεί. Το LED είναι σβηστό όταν το σύστημα βρίσκεται σε κατάσταση αναστολής λειτουργίας S3/S4 ή είναι απενεργοποιημένο (S5).Κατάσταση συστήματος LED S0 Ενεργοποιημένο S3/S4/S5 Απενεργοποιημένο - PW (Διακόπτης τροφοδοσίας):
Συνδέεται στο διακόπτη τροφοδοσίας στον μπροστινό πίνακα του περιβλήματος. Μπορείτε να διαμορφώσετε τον τρόπο απενεργοποίησης του συστήματός σας χρησιμοποιώντας το διακόπτη τροφοδοσίας (μεταβείτε στη σελίδα "Ρύθμιση BIOS" του ιστότοπου της GIGABYTE και αναζητήστε το στοιχείο "Soft-Off by PWR-BTTN" για περισσότερες πληροφορίες). - SPEAK (Ηχείο):
Συνδέεται στο ηχείο στον μπροστινό πίνακα του περιβλήματος. Το σύστημα αναφέρει την κατάσταση εκκίνησης του συστήματος εκδίδοντας έναν κωδικό ηχητικού σήματος. Θα ακουστεί ένα μονό σύντομο ηχητικό σήμα εάν δεν εντοπιστεί κανένα πρόβλημα κατά την εκκίνηση του συστήματος. - HD (LED δραστηριότητας σκληρού δίσκου):
Συνδέεται στο LED δραστηριότητας σκληρού δίσκου στον μπροστινό πίνακα του περιβλήματος. Το LED είναι αναμμένο όταν ο σκληρός δίσκος διαβάζει ή γράφει δεδομένα. - RES (Διακόπτης επαναφοράς):
Συνδέεται στο διακόπτη επαναφοράς στον μπροστινό πίνακα του περιβλήματος. Πατήστε το διακόπτη επαναφοράς για να επανεκκινήσετε τον υπολογιστή εάν ο υπολογιστής «παγώσει» και αποτύχει να εκτελέσει μια κανονική επανεκκίνηση. - Cl (Κεφαλίδα εισβολής στο περίβλημα):
Συνδέεται στο διακόπτη/αισθητήρα εισβολής στο περίβλημα που μπορεί να ανιχνεύσει εάν έχει αφαιρεθεί το κάλυμμα του περιβλήματος. Αυτή η λειτουργία απαιτεί ένα περίβλημα με διακόπτη/αισθητήρα εισβολής στο περίβλημα. - NC: Καμία σύνδεση.
Η σχεδίαση του μπροστινού πίνακα μπορεί να διαφέρει ανάλογα με το περίβλημα. Μια μονάδα μπροστινού πίνακα αποτελείται κυρίως από διακόπτη τροφοδοσίας, διακόπτη επαναφοράς, LED τροφοδοσίας, LED δραστηριότητας σκληρού δίσκου, ηχείο κ.λπ. Όταν συνδέετε τη μονάδα μπροστινού πίνακα του περιβλήματός σας σε αυτήν την κεφαλίδα, βεβαιωθείτε ότι οι αντιστοιχίσεις καλωδίων και οι αντιστοιχίσεις ακροδεκτών ταιριάζουν σωστά.
- PLED/PWR_LED (LED τροφοδοσίας):
- F_AUDIO (Κεφαλίδα ήχου μπροστινού πίνακα)
Η κεφαλίδα ήχου μπροστινού πίνακα υποστηρίζει ήχο High Definition (HD). Μπορείτε να συνδέσετε τη μονάδα ήχου μπροστινού πίνακα του περιβλήματός σας σε αυτήν την κεφαλίδα. Βεβαιωθείτε ότι οι αντιστοιχίσεις καλωδίων του συνδέσμου της μονάδας ταιριάζουν με τις αντιστοιχίσεις ακροδεκτών της κεφαλίδας της μητρικής πλακέτας. Μια εσφαλμένη σύνδεση μεταξύ του συνδέσμου της μονάδας και της κεφαλίδας της μητρικής πλακέτας θα καταστήσει τη συσκευή ανίκανη να λειτουργήσει ή ακόμα και να την καταστρέψει.
Αρ. ακροδέκτη Ορισμός 1 MIC L 2 GND 3 MICR 4 NC 5 Ακουστικό R 6 Ανίχνευση MIC 7 SENSE SEND 8 Χωρίς ακροδέκτη 9 Ακουστικό L 10 Ανίχνευση ακουστικού
Ορισμένα πλαίσια παρέχουν μια μονάδα ήχου στην μπροστινή επιφάνεια που διαθέτει ξεχωριστές υποδοχές σε κάθε καλώδιο αντί για ένα μόνο βύσμα. Για πληροφορίες σχετικά με τη σύνδεση της μονάδας ήχου στην μπροστινή επιφάνεια που έχει διαφορετικές αντιστοιχίσεις καλωδίων, επικοινωνήστε με τον κατασκευαστή του πλαισίου.
- F_U32C (USB Type-C@ Header με υποστήριξη USB 3.2 Gen 2)
Η κεφαλίδα συμμορφώνεται με τις προδιαγραφές USB 3.2 Gen 2 και μπορεί να παρέχει μία θύρα USB.
Αριθμός ακίδας Ορισμός Αριθμός ακίδας Ορισμός 1 VBUS 11 VBUS 2 TX1+ 12 TX2+ 3 TX1- 13 TX2- 4 GND 14 GND 5 RX1+ 15 RX2+ 6 RX1- 16 RX2- 7 VBUS 17 GND 8 CC1 18 D- 9 SBU1 19 D+ 10 SBU2 20 CC2 - F_U32 (Κεφαλίδα USB 3.2 Gen 1)
Η κεφαλίδα συμμορφώνεται με τις προδιαγραφές USB 3.2 Gen 1 και USB 2.0 και μπορεί να παρέχει δύο θύρες USB. Για να αγοράσετε την προαιρετική μπροστινή επιφάνεια 3,5" που παρέχει δύο θύρες USB 3.2 Gen 1, επικοινωνήστε με τον τοπικό αντιπρόσωπο.
Αριθμός ακίδας Ορισμός Αριθμός ακίδας Ορισμός Ορισμός 1 VBUS 11 D2+ 2 SSRX1- 12 D2- 3 SSRX1+ 13 GND 4 GND 14 SSTX2+ 5 SSTX1- 15 SSTX2- 6 SSTX1+ 16 1 GND 7 GND 17 SSRX2+ 8 D1- 18 SSRX2- 9 D1+ 19 VBUS 10 NC 20 No Pin - F_USBI/F USB2 (Κεφαλίδες USB 2.0/1.1)
Οι κεφαλίδες συμμορφώνονται με τις προδιαγραφές USB 2.0/1.1. Κάθε κεφαλίδα USB μπορεί να παρέχει δύο θύρες USB μέσω ενός προαιρετικού βραχίονα USB. Για να αγοράσετε τον προαιρετικό βραχίονα USB, επικοινωνήστε με τον τοπικό αντιπρόσωπο.
Αριθμός ακίδας Ορισμός 1 Τροφοδοσία (5V) 2 Τροφοδοσία (5V) 3 USB DX- 4 USB DY- 5 USB DX+ 6 USB DY+ 7 GND 8 GND 9 No Pin 10 NC
Πριν εγκαταστήσετε το βραχίονα USB, φροντίστε να απενεργοποιήσετε τον υπολογιστή σας και να αποσυνδέσετε το καλώδιο τροφοδοσίας από την πρίζα για να αποφύγετε ζημιά στο βραχίονα USB.
- SPI_TPM (Κεφαλίδα Trusted Platform Module)
Μπορείτε να συνδέσετε ένα SPI TPM (Trusted Platform Module) σε αυτήν την κεφαλίδα.
Αριθμός ακίδας Ορισμός 1 Έξοδος δεδομένων 2 Τροφοδοσία (3,3V) 3 No Pin 4 NC 5 Είσοδος δεδομένων 6 CLK 7 Chip Select _ 0 8 GND 9 IRQ 10 NC 11 NC 12 RST - COM (Κεφαλίδα σειριακής θύρας)
Η κεφαλίδα COM μπορεί να παρέχει μία σειριακή θύρα μέσω ενός προαιρετικού καλωδίου θύρας COM. Για να αγοράσετε το προαιρετικό καλώδιο θύρας COM, επικοινωνήστε με τον τοπικό αντιπρόσωπο.
Αριθμός ακίδας Ορισμός 1 NDCD- 2 NSIN 3 NSOUT 4 NDTR- 5 GND 6 NDSR- 7 NRTS- 8 NCTS- 9 NRI- 10 No Pin - THB CllTHB C2 (Υποδοχές πρόσθετης κάρτας Thunderbole)
Οι υποδοχές χρησιμοποιούνται για σύνδεση σε μια πρόσθετη κάρτα GIGABYTE Thunderbolt".
![GIGABYTE - Z790M AORUS ELITE AX - THB CllTHB C2 (Υποδοχές πρόσθετης κάρτας Thunderbole) THB CllTHB C2 (Υποδοχές πρόσθετης κάρτας Thunderbole)]()
![]()
Υποστηρίζει μια πρόσθετη κάρτα Thunderbolt". - BAT (Μπαταρία)
Η μπαταρία παρέχει ισχύ για να διατηρεί τις τιμές (όπως οι ρυθμίσεις BIOS, η ημερομηνία και οι πληροφορίες ώρας) στο CMOS όταν ο υπολογιστής είναι απενεργοποιημένος. Αντικαταστήστε την μπαταρία όταν η τάση της μπαταρίας πέσει σε χαμηλό επίπεδο ή οι τιμές CMOS ενδέχεται να μην είναι ακριβείς ή να χαθούν.
![]()
![]()
Μπορείτε να διαγράψετε τις τιμές CMOS αφαιρώντας την μπαταρία
- Απενεργοποιήστε τον υπολογιστή σας και αποσυνδέστε το καλώδιο τροφοδοσίας
![]()
- Αφαιρέστε απαλά την μπαταρία από την υποδοχή της μπαταρίας και περιμένετε ένα λεπτό. (Ή χρησιμοποιήστε ένα μεταλλικό αντικείμενο όπως ένα κατσαβίδι για να αγγίξετε τους θετικούς και αρνητικούς ακροδέκτες της υποδοχής της μπαταρίας, βραχυκυκλώνοντάς τους για 5 δευτερόλεπτα.)
- Αντικαταστήστε την μπαταρία.
- Συνδέστε το καλώδιο τροφοδοσίας και επανεκκινήστε τον υπολογιστή σας.
- Απενεργοποιήστε τον υπολογιστή σας και αποσυνδέστε το καλώδιο τροφοδοσίας
- Πάντα να απενεργοποιείτε τον υπολογιστή σας και να αποσυνδέετε το καλώδιο ρεύματος πριν αντικαταστήσετε την μπαταρία.
- Αντικαταστήστε την μπαταρία με μια αντίστοιχη. Μπορεί να προκληθεί ζημιά στις συσκευές σας εάν η μπαταρία αντικατασταθεί με ένα λανθασμένο μοντέλο.
- Επικοινωνήστε με το σημείο αγοράς ή τον τοπικό αντιπρόσωπο εάν δεν μπορείτε να αντικαταστήσετε την μπαταρία μόνοι σας ή δεν είστε σίγουροι για το μοντέλο της μπαταρίας.
- Κατά την εγκατάσταση της μπαταρίας, σημειώστε τον προσανατολισμό της θετικής πλευράς (+) και της αρνητικής πλευράς (-) της μπαταρίας (η θετική πλευρά πρέπει να είναι στραμμένη προς τα πάνω).
- Οι χρησιμοποιημένες μπαταρίες πρέπει να διαχειρίζονται σύμφωνα με τους τοπικούς περιβαλλοντικούς κανονισμούς.
- RST (Reset Jumper)
Ο βραχυκυκλωτήρας επαναφοράς μπορεί να συνδεθεί με τον διακόπτη επαναφοράς στην μπροστινή πλευρά του πλαισίου. Πατήστε τον διακόπτη επαναφοράς για να επανεκκινήσετε τον υπολογιστή εάν ο υπολογιστής παγώσει και αποτύχει να εκτελέσει μια κανονική επανεκκίνηση.
![]()
Αρ. ακροδέκτη Ορισμός 1 Επαναφορά 2 GND
Ο βραχυκυκλωτήρας επαναφοράς σας παρέχει πολλές λειτουργίες για χρήση. Για να αντιστοιχίσετε εκ νέου το κουμπί για να εκτελεί διαφορετικές εργασίες, μεταβείτε στη σελίδα "BIOS Setup" (Ρύθμιση BIOS) του ιστότοπου της GIGABYTE και αναζητήστε το "RST_SW (MULTIKEY)" για περισσότερες πληροφορίες.
Ρύθμιση BIOS
Το BIOS (Basic Input and Output System) καταγράφει τις παραμέτρους υλικού του συστήματος στην CMOS στη μητρική πλακέτα. Οι κύριες λειτουργίες του περιλαμβάνουν τη διεξαγωγή του Power-On Self-Test (POST) κατά την εκκίνηση του συστήματος, την αποθήκευση των παραμέτρων του συστήματος και τη φόρτωση του λειτουργικού συστήματος κ.λπ. Το BIOS περιλαμβάνει ένα πρόγραμμα BIOS Setup που επιτρέπει στον χρήστη να τροποποιήσει τις βασικές ρυθμίσεις διαμόρφωσης του συστήματος ή να ενεργοποιήσει ορισμένες λειτουργίες του συστήματος.
Όταν απενεργοποιηθεί η τροφοδοσία, η μπαταρία στη μητρική πλακέτα παρέχει την απαραίτητη τροφοδοσία στην CMOS για να διατηρήσει τις τιμές διαμόρφωσης στην CMOS.
Για να αποκτήσετε πρόσβαση στο πρόγραμμα BIOS Setup, πατήστε το πλήκτρο <Delete> κατά τη διάρκεια του POST όταν ενεργοποιηθεί η τροφοδοσία.
Για να αναβαθμίσετε το BIOS, χρησιμοποιήστε είτε το βοηθητικό πρόγραμμα GIGABYTE Q-Flash είτε το Q-Flash Plus.
- Το Q-Flash επιτρέπει στο χρήστη να αναβαθμίσει ή να δημιουργήσει αντίγραφα ασφαλείας του BIOS γρήγορα και εύκολα χωρίς να εισέλθει στο λειτουργικό σύστημα.
- Το Q-Flash Plus σάς επιτρέπει να ενημερώσετε το BIOS όταν το σύστημά σας είναι απενεργοποιημένο (κατάσταση τερματισμού S5). Αποθηκεύστε το πιο πρόσφατο BIOS σε μια μονάδα USB thumb drive και συνδέστε το στην αποκλειστική θύρα και, στη συνέχεια, μπορείτε να κάνετε flash το BIOS αυτόματα πατώντας απλώς το κουμπί Q-Flash Plus.
Για οδηγίες σχετικά με τη χρήση των βοηθητικών προγραμμάτων Q-Flash και Q-Flash Plus, μεταβείτε στη σελίδα "Μοναδικά χαρακτηριστικά" του ιστότοπου της GIGABYTE και αναζητήστε "BIOS Update Utilities".
- Επειδή το φλας του BIOS είναι δυνητικά επικίνδυνο, εάν δεν αντιμετωπίζετε προβλήματα χρησιμοποιώντας την τρέχουσα έκδοση του BIOS, συνιστάται να μην κάνετε φλας στο BIOS. Για να κάνετε φλας στο BIOS, κάντε το με προσοχή. Η ακατάλληλη αναβάθμιση του BIOS μπορεί να οδηγήσει σε δυσλειτουργία του συστήματος.
- Συνιστάται να μην αλλάξετε τις προεπιλεγμένες ρυθμίσεις (εκτός εάν χρειάζεται) για να αποφύγετε την αστάθεια του συστήματος ή άλλα απροσδόκητα αποτελέσματα. Η ακατάλληλη αλλαγή των ρυθμίσεων μπορεί να οδηγήσει σε αποτυχία εκκίνησης του συστήματος. Εάν συμβεί αυτό, δοκιμάστε να διαγράψετε τις τιμές CMOS και να επαναφέρετε την πλακέτα στις προεπιλεγμένες τιμές.
- Ανατρέξτε στις εισαγωγές της μπαταρίας/βραχυκυκλωτήρα/κουμπιού clear CMOS στο Κεφάλαιο 2 ή μεταβείτε στη σελίδα "BIOS Setup" του ιστότοπου της GIGABYTE και αναζητήστε "Load Optimized Defaults" για το πώς να διαγράψετε τις τιμές CMOS.
Επισκεφθείτε τον ιστότοπο της GIGABYTE για λεπτομέρειες σχετικά με τη διαμόρφωση του BIOS Setup.
https://www.gigabyte.com/WebPage/928/inte1700-bios.html
Οθόνη εκκίνησης:
Θα εμφανιστεί η ακόλουθη οθόνη με το λογότυπο κατά την εκκίνηση του υπολογιστή.

Πλήκτρα λειτουργιών:
<DEL>: BIOS SETUP\Q-FLASH
Πατήστε το πλήκτρο <Delete> για να εισέλθετε στο BIOS Setup ή για να αποκτήσετε πρόσβαση στο βοηθητικό πρόγραμμα Q-Flash στο BIOS Setup.
<F12>: BOOT MENU
Το Boot Menu σάς επιτρέπει να ορίσετε την πρώτη συσκευή εκκίνησης χωρίς να εισέλθετε στο BIOS Setup. Στο Boot Menu, χρησιμοποιήστε το πλήκτρο επάνω βέλους <
> ή το πλήκτρο κάτω βέλους <
> για να επιλέξετε την πρώτη συσκευή εκκίνησης και, στη συνέχεια, πατήστε <Enter> για να αποδεχτείτε. Το σύστημα θα ξεκινήσει αμέσως από τη συσκευή.
Σημείωση: Η ρύθμιση στο Boot Menu ισχύει μόνο για μία φορά. Μετά την επανεκκίνηση του συστήματος, η σειρά εκκίνησης της συσκευής θα εξακολουθεί να βασίζεται στις ρυθμίσεις του BIOS Setup.
<END>: Q-FLASH
Πατήστε το πλήκτρο <End> για να αποκτήσετε πρόσβαση απευθείας στο βοηθητικό πρόγραμμα Q-Flash χωρίς να χρειαστεί πρώτα να εισέλθετε στο BIOS Setup.
Εγκατάσταση του λειτουργικού συστήματος και των προγραμμάτων οδήγησης
Εγκατάσταση λειτουργικού συστήματος
Με τις σωστές ρυθμίσεις του BIOS, είστε έτοιμοι να εγκαταστήσετε το λειτουργικό σύστημα.
Εάν θέλετε να εγκαταστήσετε ένα λειτουργικό σύστημα σε έναν τόμο RAID, πρέπει πρώτα να εγκαταστήσετε το πρόγραμμα οδήγησης Intel@ RST VMD Controller κατά τη διαδικασία εγκατάστασης του λειτουργικού συστήματος. Ανατρέξτε στα παρακάτω βήματα:

- Μεταβείτε στον ιστότοπο της GIGABYTE, μεταβείτε στην ιστοσελίδα του μοντέλου της μητρικής πλακέτας, κατεβάστε το αρχείο προγράμματος οδήγησης Intel SATA Preinstall στη σελίδα Support\Download\SATA RAID/AHCI, αποσυμπιέστε το αρχείο και αντιγράψτε τα αρχεία στη μονάδα USB thumb drive.
- Εκκινήστε από το δίσκο εγκατάστασης των Windows και εκτελέστε τα τυπικά βήματα εγκατάστασης του λειτουργικού συστήματος. Όταν εμφανιστεί η οθόνη που σας ζητά να φορτώσετε το πρόγραμμα οδήγησης, επιλέξτε Αναζήτηση.
- Εισαγάγετε τη μονάδα USB thumb drive και, στη συνέχεια, μεταβείτε στη θέση του προγράμματος οδήγησης. Όταν εμφανιστεί μια οθόνη όπως φαίνεται παρακάτω, επιλέξτε Intel RST VMD Controller 467F και κάντε κλικ στο Next (Επόμενο) για να φορτώσετε το πρόγραμμα οδήγησης και να συνεχίσετε την εγκατάσταση του λειτουργικού συστήματος.
Εγκατάσταση προγραμμάτων οδήγησης
Αφού εγκαταστήσετε το λειτουργικό σύστημα, θα εμφανιστεί ένα πλαίσιο διαλόγου στην κάτω δεξιά γωνία της επιφάνειας εργασίας, το οποίο θα σας ρωτά εάν θέλετε να κάνετε λήψη και εγκατάσταση των προγραμμάτων οδήγησης και των εφαρμογών GIGABYTE μέσω του GIGABYTE Control Center (GCC). Κάντε κλικ στην επιλογή Install (Εγκατάσταση) για να συνεχίσετε την εγκατάσταση. (Στο BIOS Setup, βεβαιωθείτε ότι η επιλογή Settings\Gigabyte Utilities Downloader Configuration\Gigabyte Utilities Downloader έχει οριστεί σε Enabled (Ενεργοποιημένο).)

Όταν εμφανιστεί το πλαίσιο διαλόγου End User License Agreement (Άδεια χρήσης τελικού χρήστη), πατήστε <Accept> (Αποδοχή) για να εγκαταστήσετε το GIGABYTE Control Center (GCC). Στην οθόνη GIGABYTE CONTROL CENTER, επιλέξτε τα προγράμματα οδήγησης και τις εφαρμογές που θέλετε να εγκαταστήσετε και κάντε κλικ στην επιλογή Install (Εγκατάσταση).

Πριν από την εγκατάσταση, βεβαιωθείτε ότι το σύστημα είναι συνδεδεμένο στο Internet.
Επισκεφθείτε τον ιστότοπο της GIGABYTE για περισσότερες πληροφορίες σχετικά με το λογισμικό.
https://www.gigabyte.com/WebPage/926/inte1700-app.html
Επισκεφθείτε τον ιστότοπο της GIGABYTE για περισσότερες πληροφορίες σχετικά με την αντιμετώπιση προβλημάτων.
https://www.gigabyte.com/WebPage/351/faq.html
Διαμόρφωση συνόλου RAID
Επίπεδα RAID
| RAID O | RAID 1 | RAID 5 | RAID 10 | |
| Ελάχιστος αριθμός μονάδων σκληρού δίσκου | 2 | 2 | 3 | 4 |
| Χωρητικότητα πίνακα | Αριθμός μονάδων σκληρού δίσκου * Μέγεθος της μικρότερης μονάδας δίσκου | Μέγεθος της μικρότερης μονάδας δίσκου | (Αριθμός μονάδων σκληρού δίσκου -1) * Μέγεθος της μικρότερης μονάδας δίσκου | (Αριθμός μονάδων σκληρού δίσκου/2) * Μέγεθος της μικρότερης μονάδας δίσκου |
| Αντοχή σε σφάλματα | Όχι | Ναι | Ναι | Ναι |
Πριν ξεκινήσετε, ετοιμάστε τα παρακάτω στοιχεία:
Αυτή η μητρική πλακέτα υποστηρίζει RAID 0, RAID 1, RAID 5 και RAID 10. Ετοιμάστε τον σωστό αριθμό μονάδων σκληρού δίσκου όπως υποδεικνύεται στον παραπάνω πίνακα πριν από τη διαμόρφωση ενός πίνακα RAID.
- SATA μονάδες σκληρού δίσκου ή SSD. Για να εξασφαλίσετε τη βέλτιστη απόδοση, συνιστάται να χρησιμοποιήσετε δύο μονάδες σκληρού δίσκου με ίδια μοντέλο και χωρητικότητα.
- Δίσκος εγκατάστασης Windows.
- Ένας υπολογιστής συνδεδεμένος στο Internet.
- Μια μονάδα USB thumb drive.
Λάβετε υπόψη ότι δεν μπορείτε να χρησιμοποιήσετε μια M.2 PCIe SSD για να δημιουργήσετε ένα σύνολο RAID με μια μονάδα σκληρού δίσκου SATA.
Επισκεφθείτε τον ιστότοπο της GIGABYTE για λεπτομέρειες σχετικά με τη διαμόρφωση ενός πίνακα RAID.
https://www.gigabyte.com/WebPage/927/inte1700-raid.html

Επικοινωνήστε μαζί μας
GIGA-BYTE TECHNOLOGY CO., LTD.
Διεύθυνση. No.6, Baoqiang Rd, Xindian Dist., New Taipei City 231
ΤΗΛ. +886-2-8912-4000,
ΦΑΞ +886-2-8912-4005
Τεχνική και μη τεχνική υποστήριξη (Πωλήσεις/Μάρκετινγκ) https://esupport.gigabyte.com
Διεύθυνση WEB (Αγγλικά): https://www.gigabyte.com
Διεύθυνση WEB (Κινεζικά): https://www.gigabyte.com/tw
- GIGABYTE eSupport
Για να υποβάλετε μια τεχνική ή μη τεχνική ερώτηση (Πωλήσεις/Μάρκετινγκ), συνδεθείτε στο: https://esupport.gigabyte.com
![]()

Η GIGABYTE θα μειώσει τη χρήση χαρτιού για να εκπληρώσει τις ευθύνες ενός παγκόσμιου πολίτη. Επίσης, για να μειωθούν οι επιπτώσεις στην παγκόσμια υπερθέρμανση του πλανήτη, τα υλικά συσκευασίας αυτού του προϊόντος είναι ανακυκλώσιμα και επαναχρησιμοποιήσιμα. Η GIGABYTE συνεργάζεται μαζί σας για την προστασία του περιβάλλοντος. Για περισσότερες λεπτομέρειες σχετικά με το προϊόν, επισκεφθείτε τον ιστότοπο της GIGABYTE.
Πνευματικά δικαιώματα
©2023 GIGA-BYTE TECHNOLOGY CO., LTD. Με επιφύλαξη παντός δικαιώματος.
Τα εμπορικά σήματα που αναφέρονται σε αυτό το εγχειρίδιο είναι νόμιμα καταχωρισμένα στους αντίστοιχους κατόχους τους.

Αναφορές
GIGABYTE Quick-Guide
Remove M.2
GIGABYTE Troubleshooting Manual
GIGABYTE - eSupport
GIGABYTE Global
GIGABYTE 技嘉科技
Utility | Service / Support - GIGABYTE GlobalGIGABYTE Realtek Audio
M.2 EZ-Latch PLUS
Λήψη εγχειριδίου
Εδώ μπορείτε να κατεβάσετε την πλήρη έκδοση pdf του εγχειριδίου, μπορεί να περιέχει πρόσθετες οδηγίες ασφαλείας, πληροφορίες εγγύησης, κανόνες FCC κ.λπ.
Λήψη GIGABYTE Z790M AORUS ELITE AX, Z790M AORUS ELITE - Εγχειρίδιο μητρικής πλακέτας



























TM

















2 