GIGABYTE A520 AORUS ELITE - Εγχειρίδιο μητρικής πλακέτας

Αναγνώριση της αναθεώρησης της μητρικής πλακέτας σας
Ο αριθμός αναθεώρησης στη μητρική πλακέτα σας μοιάζει με αυτό: "REV: X.X.". Για παράδειγμα, "REV: 1.0" σημαίνει ότι η αναθεώρηση της μητρικής πλακέτας είναι 1.0. Ελέγξτε την αναθεώρηση της μητρικής πλακέτας σας πριν από την ενημέρωση του BIOS της μητρικής πλακέτας, των οδηγών ή όταν αναζητάτε τεχνικές πληροφορίες.
Παράδειγμα:

Εισαγωγή Προϊόντος
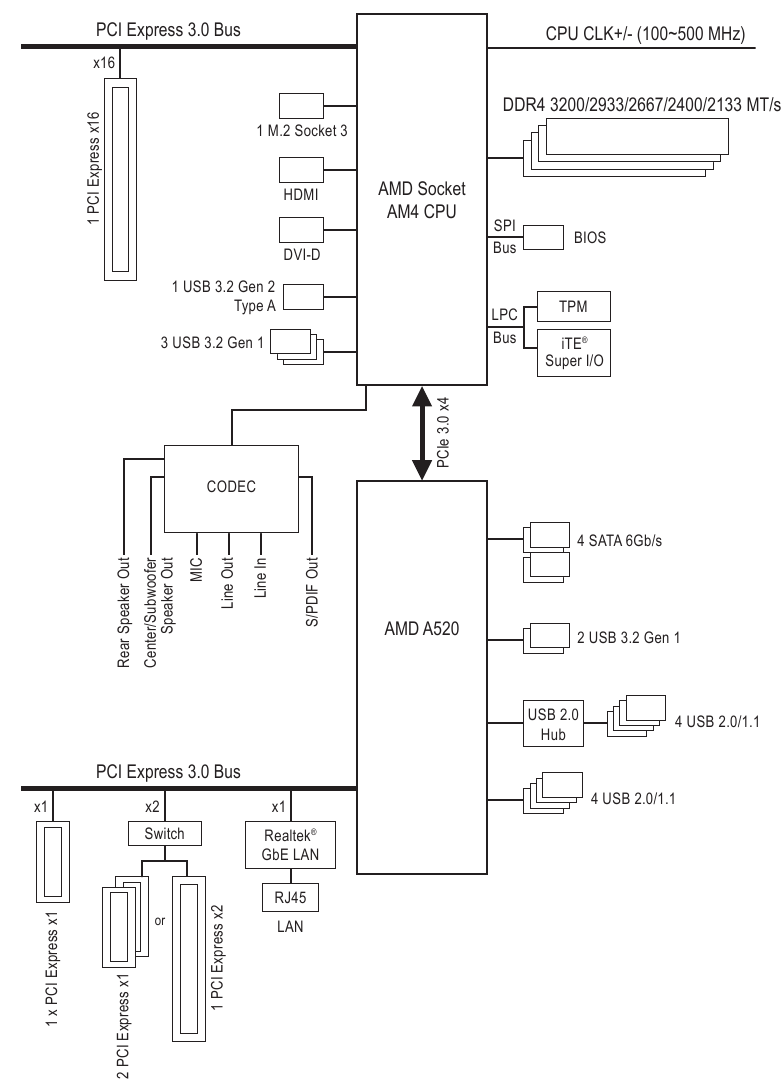
Διάταξη μητρικής πλακέτας

Διάγραμμα μπλοκ μητρικής πλακέτας

Εγκατάσταση Υλικού
Προφυλάξεις Εγκατάστασης
Η μητρική πλακέτα περιέχει πολλά ευαίσθητα ηλεκτρονικά κυκλώματα και εξαρτήματα που μπορούν να υποστούν ζημιά ως αποτέλεσμα ηλεκτροστατικής εκφόρτισης (ESD). Πριν από την εγκατάσταση, διαβάστε προσεκτικά το εγχειρίδιο χρήσης και ακολουθήστε αυτές τις διαδικασίες:
- Πριν από την εγκατάσταση, βεβαιωθείτε ότι το πλαίσιο είναι κατάλληλο για τη μητρική πλακέτα.
- Πριν από την εγκατάσταση, μην αφαιρέσετε ή σπάσετε το αυτοκόλλητο S/N (Serial Number) της μητρικής πλακέτας ή το αυτοκόλλητο εγγύησης που παρέχεται από τον αντιπρόσωπό σας. Αυτά τα αυτοκόλλητα απαιτούνται για την επικύρωση της εγγύησης.
- Αφαιρείτε πάντα την τροφοδοσία AC αποσυνδέοντας το καλώδιο τροφοδοσίας από την πρίζα πριν εγκαταστήσετε ή αφαιρέσετε τη μητρική πλακέτα ή άλλα στοιχεία υλικού.
- Όταν συνδέετε στοιχεία υλικού στις εσωτερικές υποδοχές της μητρικής πλακέτας, βεβαιωθείτε ότι είναι συνδεδεμένα σφιχτά και με ασφάλεια.
- Όταν χειρίζεστε τη μητρική πλακέτα, αποφύγετε να αγγίζετε μεταλλικούς ακροδέκτες ή υποδοχές.
- Είναι καλύτερο να φοράτε έναν ιμάντα καρπού ηλεκτροστατικής εκφόρτισης (ESD) όταν χειρίζεστε ηλεκτρονικά εξαρτήματα όπως μια μητρική πλακέτα, CPU ή μνήμη. Εάν δεν έχετε ιμάντα καρπού ESD, κρατήστε τα χέρια σας στεγνά και αγγίξτε πρώτα ένα μεταλλικό αντικείμενο για να εξαλείψετε τον στατικό ηλεκτρισμό.
- Πριν εγκαταστήσετε τη μητρική πλακέτα, τοποθετήστε την πάνω από ένα αντιστατικό ταπέτο ή μέσα σε ένα δοχείο ηλεκτροστατικής θωράκισης.
- Πριν συνδέσετε ή αποσυνδέσετε το καλώδιο τροφοδοσίας από τη μητρική πλακέτα, βεβαιωθείτε ότι το τροφοδοτικό έχει απενεργοποιηθεί.
- Πριν ενεργοποιήσετε την τροφοδοσία, βεβαιωθείτε ότι η τάση τροφοδοσίας έχει ρυθμιστεί σύμφωνα με το τοπικό πρότυπο τάσης.
- Πριν χρησιμοποιήσετε το προϊόν, βεβαιωθείτε ότι όλα τα καλώδια και οι υποδοχές τροφοδοσίας του υλικού σας είναι συνδεδεμένα.
- Για να αποφύγετε ζημιά στη μητρική πλακέτα, μην αφήνετε τις βίδες να έρθουν σε επαφή με το κύκλωμα της μητρικής πλακέτας ή τα εξαρτήματά της.
- Βεβαιωθείτε ότι δεν υπάρχουν βίδες ή μεταλλικά εξαρτήματα που έχουν απομείνει τοποθετημένα στη μητρική πλακέτα ή μέσα στη θήκη του υπολογιστή.
- Μην τοποθετείτε το σύστημα υπολογιστή σε μια ανώμαλη επιφάνεια.
- Μην τοποθετείτε το σύστημα υπολογιστή σε περιβάλλον υψηλής θερμοκρασίας ή υγρό.
- Η ενεργοποίηση της τροφοδοσίας του υπολογιστή κατά τη διάρκεια της διαδικασίας εγκατάστασης μπορεί να οδηγήσει σε ζημιά στα στοιχεία του συστήματος καθώς και σε σωματική βλάβη στον χρήστη.
- Εάν δεν είστε βέβαιοι για κάποιο βήμα εγκατάστασης ή έχετε κάποιο πρόβλημα που σχετίζεται με τη χρήση του προϊόντος, συμβουλευτείτε έναν πιστοποιημένο τεχνικό υπολογιστών.
- Εάν χρησιμοποιείτε έναν προσαρμογέα, ένα καλώδιο επέκτασης τροφοδοσίας ή ένα πολύμπριζο, φροντίστε να συμβουλευτείτε τις οδηγίες εγκατάστασης ή/και γείωσης.
Προδιαγραφές προϊόντος
| CPU |
|
| Chipset |
|
| Memory |
|
| Onboard Graphics |
|
| Audio |
|
| LAN |
|
| Expansion Slots |
|
| Storage Interface |
|
| USB |
|
| Internal Connectors |
|
| Back Panel Connectors |
|
| I/O Controller |
|
| Hardware Monitor |
|
| BIOS |
|
| Unique Features |
|
| Bundled Software |
|
| Operating System |
|
| Form Factor |
|
* Η GIGABYTE διατηρεί το δικαίωμα να προβεί σε οποιεσδήποτε αλλαγές στις προδιαγραφές του προϊόντος και στις πληροφορίες που σχετίζονται με το προϊόν χωρίς προηγούμενη ειδοποίηση.
Εγκατάσταση της CPU
Διαβάστε τις ακόλουθες οδηγίες πριν ξεκινήσετε την εγκατάσταση της CPU:
- Βεβαιωθείτε ότι η μητρική πλακέτα υποστηρίζει την CPU. (Μεταβείτε στον ιστότοπο της GIGABYTE για την πιο πρόσφατη λίστα υποστηριζόμενων CPU.)
- Πάντα να απενεργοποιείτε τον υπολογιστή και να αποσυνδέετε το καλώδιο τροφοδοσίας από την πρίζα πριν εγκαταστήσετε την CPU για να αποφύγετε ζημιά στο υλικό.
- Εντοπίστε την ακίδα ένα της CPU. Δεν μπορεί να τοποθετηθεί η CPU εάν έχει λανθασμένο προσανατολισμό.
- Εφαρμόστε μια ομοιόμορφη και λεπτή στρώση θερμοαγώγιμης πάστας στην επιφάνεια της CPU.
- Μην ενεργοποιείτε τον υπολογιστή εάν δεν είναι εγκατεστημένο το ψυγείο της CPU, διαφορετικά ενδέχεται να προκληθεί υπερθέρμανση και ζημιά στην CPU.
- Ρυθμίστε τη συχνότητα κεντρικού υπολογιστή της CPU σύμφωνα με τις προδιαγραφές της CPU. Δεν συνιστάται να ρυθμίζεται η συχνότητα διαύλου συστήματος πέρα από τις προδιαγραφές του υλικού, καθώς δεν πληροί τις τυπικές απαιτήσεις για τα περιφερειακά. Εάν επιθυμείτε να ρυθμίσετε τη συχνότητα πέρα από τις τυπικές προδιαγραφές, κάντε το σύμφωνα με τις προδιαγραφές του υλικού σας, συμπεριλαμβανομένων της CPU, της κάρτας γραφικών, της μνήμης, του σκληρού δίσκου κ.λπ.
Εγκατάσταση της CPU
Ανασηκώστε εντελώς τον μοχλό ασφάλισης της υποδοχής CPU. Εντοπίστε την ακίδα ένα (που υποδηλώνεται με ένα μικρό τρίγωνο) της υποδοχής CPU και της CPU. Μόλις τοποθετηθεί η CPU στην υποδοχή της, τοποθετήστε ένα δάχτυλο στο μέσο της CPU, χαμηλώνοντας τον μοχλό ασφάλισης και ασφαλίζοντάς τον στην πλήρως κλειδωμένη θέση.

Μην πιέσετε την CPU μέσα στην υποδοχή CPU πριν ανασηκωθεί ο μοχλός ασφάλισης της υποδοχής CPU, διαφορετικά ενδέχεται να προκληθεί ζημιά στην CPU και στην υποδοχή CPU.
Εγκατάσταση της Μνήμης
Διαβάστε τις παρακάτω οδηγίες πριν ξεκινήσετε την εγκατάσταση της μνήμης:
- Βεβαιωθείτε ότι η μητρική πλακέτα υποστηρίζει τη μνήμη. Συνιστάται η χρήση μνήμης ίδιας χωρητικότητας, μάρκας, ταχύτητας και τσιπ. (Επισκεφθείτε τον ιστότοπο της GIGABYTE για τις πιο πρόσφατες υποστηριζόμενες ταχύτητες μνήμης και μονάδες μνήμης.)
- Να απενεργοποιείτε πάντα τον υπολογιστή και να αποσυνδέετε το καλώδιο τροφοδοσίας από την πρίζα πριν από την εγκατάσταση της μνήμης για να αποφύγετε ζημιά στο υλικό.
- Οι μονάδες μνήμης έχουν αδιάβροχο σχεδιασμό. Μια μονάδα μνήμης μπορεί να εγκατασταθεί μόνο σε μία κατεύθυνση. Εάν δεν μπορείτε να εισαγάγετε τη μνήμη, αλλάξτε την κατεύθυνση.
Διαμόρφωση Μνήμης Διπλού Καναλιού
Αυτή η μητρική πλακέτα παρέχει τέσσερις υποδοχές μνήμης και υποστηρίζει τεχνολογία διπλού καναλιού. Μετά την εγκατάσταση της μνήμης, το BIOS θα ανιχνεύσει αυτόματα τις προδιαγραφές και τη χωρητικότητα της μνήμης. Η ενεργοποίηση της λειτουργίας μνήμης διπλού καναλιού θα διπλασιάσει το αρχικό εύρος ζώνης μνήμης. Οι τέσσερις υποδοχές μνήμης χωρίζονται σε δύο κανάλια και κάθε κανάλι έχει δύο υποδοχές μνήμης ως εξής:
Κανάλι A: DDR4_A1, DDR4_A2
Κανάλι B: DDR4_B1, DDR4_B2 &
Επισκεφθείτε τον ιστότοπο της GIGABYTE για λεπτομέρειες σχετικά με την εγκατάσταση υλικού. http://www.gigabyte.com/WebPage/210/quick-guide.html?m=sw
Συνιστώμενη διαμόρφωση μνήμης διπλού καναλιού:
| DDR4_A1 | DDR4_A2 | DDR4_B1 | DDR4_B2 | |
| 2 Μονάδες | - - | DS/SS | - - | DS/SS |
| 4 Μονάδες | DS/SS | DS/SS | DS/SS | DS/SS |
(SS=Μονής Όψης, DS=Διπλής Όψης, "- -"=Χωρίς Μνήμη) Λόγω περιορισμών της CPU, διαβάστε τις παρακάτω οδηγίες πριν εγκαταστήσετε τη μνήμη σε λειτουργία διπλού καναλιού.
- Η λειτουργία διπλού καναλιού δεν μπορεί να ενεργοποιηθεί εάν είναι εγκατεστημένη μόνο μία μονάδα μνήμης.
- Όταν ενεργοποιείτε τη λειτουργία διπλού καναλιού με δύο ή τέσσερις μονάδες μνήμης, συνιστάται η χρήση μνήμης ίδιας χωρητικότητας, μάρκας, ταχύτητας και τσιπ.
Εγκατάσταση μιας Κάρτας Επέκτασης
Διαβάστε τις παρακάτω οδηγίες πριν ξεκινήσετε την εγκατάσταση μιας κάρτας επέκτασης:
- Βεβαιωθείτε ότι η μητρική πλακέτα υποστηρίζει την κάρτα επέκτασης. Διαβάστε προσεκτικά το εγχειρίδιο που συνοδεύει με την κάρτα επέκτασης.
- Να απενεργοποιείτε πάντα τον υπολογιστή και να αποσυνδέετε το καλώδιο τροφοδοσίας από την πρίζα πριν από την εγκατάσταση μιας κάρτας επέκτασης για να αποφύγετε ζημιά στο υλικό.
Συνδέσεις Πίσω Πάνελ

- Θύρα Πληκτρολογίου/Ποντικιού PS/2
Χρησιμοποιήστε αυτήν τη θύρα για να συνδέσετε ένα ποντίκι ή πληκτρολόγιο PS/2. - Θύρα USB 3.2 Gen 1
Η θύρα USB 3.2 Gen 1 υποστηρίζει την προδιαγραφή USB 3.2 Gen 1 και είναι συμβατή με την προδιαγραφή USB 2.0. Χρησιμοποιήστε αυτήν τη θύρα για συσκευές USB. - Θύρα USB 3.2 Gen 1 (Θύρα Q-Flash Plus)
Η θύρα USB υποστηρίζει την προδιαγραφή USB 3.2 Gen 1. Χρησιμοποιήστε αυτήν τη θύρα για συσκευές USB. Πριν χρησιμοποιήσετε το Q-Flash Plus (Σημείωση 1) , βεβαιωθείτε ότι έχετε εισαγάγει πρώτα τη μονάδα flash USB σε αυτήν τη θύρα. - Θύρα DVI-D (Σημείωση 2) (Σημείωση 3)
Η θύρα DVI-D συμμορφώνεται με την προδιαγραφή DVI-D και υποστηρίζει μέγιστη ανάλυση 1920x1200@60 Hz (οι πραγματικές υποστηριζόμενες αναλύσεις εξαρτώνται από την οθόνη που χρησιμοποιείται). Συνδέστε μια οθόνη που υποστηρίζει σύνδεση DVI-D σε αυτήν τη θύρα. - Θύρα HDMI (Σημείωση 2)
Η θύρα HDMI είναι συμβατή με HDCP 2.3 και υποστηρίζει τις μορφές Dolby TrueHD και DTS HD Master Audio. Υποστηρίζει επίσης έξοδο ήχου LPCM 7.1 καναλιών έως 192KHz/24bit. Μπορείτε να χρησιμοποιήσετε αυτήν τη θύρα για να συνδέσετε την οθόνη που υποστηρίζει HDMI. Η μέγιστη υποστηριζόμενη ανάλυση είναι 4096x2160@60 Hz, αλλά οι πραγματικές υποστηριζόμενες αναλύσεις εξαρτώνται από την οθόνη που χρησιμοποιείται.

Μετά την εγκατάσταση της συσκευής HDMI, βεβαιωθείτε ότι έχετε ρυθμίσει την προεπιλεγμένη συσκευή αναπαραγωγής ήχου σε HDMI. (Το όνομα στοιχείου μπορεί να διαφέρει ανάλογα με το λειτουργικό σας σύστημα.)
(Σημείωση 1) Για να ενεργοποιήσετε τη λειτουργία Q-Flash Plus, μεταβείτε στη σελίδα "Μοναδικά Χαρακτηριστικά" του ιστότοπου της GIGABYTE για περισσότερες πληροφορίες.
(Σημείωση 2) Μόνο για επεξεργαστές AMD Ryzen ™ 5000 G-Series/4000 G-Series.
(Σημείωση 3) Η θύρα DVI-D δεν υποστηρίζει σύνδεση D-Sub μέσω προσαρμογέα.
- Θύρα USB 2.0/1.1
Η θύρα USB υποστηρίζει την προδιαγραφή USB 2.0/1.1. Χρησιμοποιήστε αυτήν τη θύρα για συσκευές USB. - Θύρα LAN RJ-45
Η θύρα Gigabit Ethernet LAN παρέχει σύνδεση στο Internet με ρυθμό δεδομένων έως και 1 Gbps. Τα παρακάτω περιγράφουν τις καταστάσεις των LED της θύρας LAN.

Ταχύτητα LED:
| Κατάσταση | Περιγραφή |
| Πορτοκαλί | Ρυθμός δεδομένων 1 Gbps |
| Πράσινο | Ρυθμός δεδομένων 100 Mbps |
| Ανενεργό | Ρυθμός δεδομένων 10 Mbps |
Δραστηριότητα LED:
| Κατάσταση | Περιγραφή |
| Αναβοσβήνει | Πραγματοποιείται μετάδοση ή λήψη δεδομένων |
| Ανενεργό | Δεν πραγματοποιείται μετάδοση ή λήψη δεδομένων |
- Θύρα USB 3.2 Gen 2
Η θύρα USB 3.2 Gen 2 υποστηρίζει την προδιαγραφή USB 3.2 Gen 2 και είναι συμβατή με την προδιαγραφή USB 3.2 Gen 1 και USB 2.0. Χρησιμοποιήστε αυτήν τη θύρα για συσκευές USB. - Έξοδος Ηχείου Κέντρου/Subwoofer
Χρησιμοποιήστε αυτήν την υποδοχή ήχου για να συνδέσετε ηχεία κέντρου/subwoofer. - Έξοδος Πίσω Ηχείου
Χρησιμοποιήστε αυτήν την υποδοχή ήχου για να συνδέσετε πίσω ηχεία. - Οπτική Υποδοχή Εξόδου S/PDIF
Αυτή η υποδοχή παρέχει έξοδο ψηφιακού ήχου σε ένα εξωτερικό σύστημα ήχου που υποστηρίζει ψηφιακό οπτικό ήχο. Πριν χρησιμοποιήσετε αυτήν τη δυνατότητα, βεβαιωθείτε ότι το σύστημα ήχου σας παρέχει μια οπτική ψηφιακή υποδοχή εισόδου ήχου. - Είσοδος Γραμμής/Έξοδος Πλευρικού Ηχείου
Η υποδοχή εισόδου γραμμής. Χρησιμοποιήστε αυτήν την υποδοχή ήχου για συσκευές εισόδου γραμμής, όπως μια μονάδα οπτικού δίσκου, walkman κ.λπ. - Έξοδος Γραμμής/Έξοδος Μπροστινού Ηχείου
Η υποδοχή εξόδου γραμμής. - Είσοδος Μικροφώνου/Έξοδος Πλευρικού Ηχείου
Η υποδοχή εισόδου μικροφώνου.
Διαμορφώσεις Υποδοχής Ήχου:
| Υποδοχή | Ακουστικά/2 καναλιών | 4 καναλιών | 5.1 καναλιών | 7.1 καναλιών |
| ![]() | ![]() | ||
| | ![]() | ![]() | |
| ![]() | |||
| ![]() | ![]() | ![]() | |
| ![]() ![]() |

Μπορείτε να αλλάξετε τη λειτουργικότητα μιας υποδοχής ήχου χρησιμοποιώντας το λογισμικό ήχου.
Επισκεφθείτε τον ιστότοπο της GIGABYTE για λεπτομέρειες σχετικά με τη διαμόρφωση του λογισμικού ήχου. https://www.gigabyte.com/WebPage/697/realtek897-audio.html
- Όταν αφαιρείτε το καλώδιο που είναι συνδεδεμένο σε μια σύνδεση πίσω πίνακα, αφαιρέστε πρώτα το καλώδιο από τη συσκευή σας και, στη συνέχεια, αφαιρέστε το από τη μητρική πλακέτα.
- Όταν αφαιρείτε το καλώδιο, τραβήξτε το ευθεία έξω από την υποδοχή. Μην το κουνάτε από τη μια πλευρά στην άλλη για να αποφύγετε βραχυκύκλωμα μέσα στην υποδοχή καλωδίου.
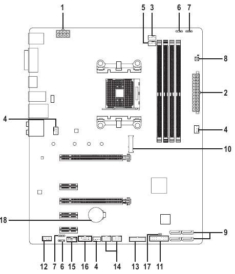
Εσωτερικές συνδέσεις

- ATX_12V
- ATX
- CPU_FAN
- SYS_FAN1/2/3
- CPU_OPT
- D_LED1/D_LED2
- LED_C1/LED_C2
- QFLASH_PLUS
- SATA3 0/1/2/3
- M2A_CPU
- F_PANEL
- F_AUDIO
- F_U32
- F_USB1/F_USB2
- TPM
- COM
- CLR_CMOS
- BAT
Διαβάστε τις ακόλουθες οδηγίες πριν συνδέσετε εξωτερικές συσκευές:
- Αρχικά βεβαιωθείτε ότι οι συσκευές σας είναι συμβατές με τις υποδοχές που θέλετε να συνδέσετε.
- Πριν εγκαταστήσετε τις συσκευές, φροντίστε να απενεργοποιήσετε τις συσκευές και τον υπολογιστή σας. Αποσυνδέστε το καλώδιο τροφοδοσίας από την πρίζα για να αποφύγετε την πρόκληση ζημιάς στις συσκευές.
- Μετά την εγκατάσταση της συσκευής και πριν ενεργοποιήσετε τον υπολογιστή, βεβαιωθείτε ότι το καλώδιο της συσκευής έχει συνδεθεί καλά στην υποδοχή της μητρικής πλακέτας.
1/2) ATX_12V/ATX (Υποδοχή τροφοδοσίας 2x4 12V και κύρια υποδοχή τροφοδοσίας 2x12)
Με τη χρήση της υποδοχής τροφοδοσίας, το τροφοδοτικό μπορεί να παρέχει αρκετή σταθερή ισχύ σε όλα τα εξαρτήματα της μητρικής πλακέτας. Πριν συνδέσετε την υποδοχή τροφοδοσίας, βεβαιωθείτε πρώτα ότι το τροφοδοτικό είναι απενεργοποιημένο και ότι όλες οι συσκευές είναι σωστά εγκατεστημένες. Η υποδοχή τροφοδοσίας διαθέτει αδιάβροχο σχεδιασμό. Συνδέστε το καλώδιο τροφοδοσίας στην υποδοχή τροφοδοσίας στη σωστή κατεύθυνση. Η υποδοχή τροφοδοσίας 12V τροφοδοτεί κυρίως την CPU. Εάν η υποδοχή τροφοδοσίας 12V δεν είναι συνδεδεμένη, ο υπολογιστής δεν θα ξεκινήσει.

Για να ικανοποιήσετε τις απαιτήσεις επέκτασης, συνιστάται η χρήση τροφοδοτικού που μπορεί να αντέξει υψηλή κατανάλωση ενέργειας (500W ή μεγαλύτερη). Εάν χρησιμοποιηθεί τροφοδοτικό που δεν παρέχει την απαιτούμενη ισχύ, το αποτέλεσμα μπορεί να οδηγήσει σε ασταθές ή μη εκκινήσιμο σύστημα.
ATX_12V:

| Αρ. ακίδας | Ορισμός | Αρ. ακίδας | Ορισμός |
| 1 | GND (Μόνο για 2x4 ακίδες 12V) | 5 | +12V (Μόνο για 2x4 ακίδες 12V) |
| 2 | GND (Μόνο για 2x4 ακίδες 12V) | 6 | +12V (Μόνο για 2x4 ακίδες 12V) |
| 3 | GND | 7 | +12V |
| 4 | GND | 8 | +12V |
ATX:

| Αρ. ακίδας | Ορισμός | Αρ. ακίδας | Ορισμός |
| 1 | 3.3V | 13 | 3.3V |
| 2 | 3.3V | 14 | -12V |
| 3 | GND | 15 | GND |
| 4 | +5V | 16 | PS_ON (μαλακό On/Off) |
| 5 | GND | 17 | GND |
| 6 | +5V | 18 | GND |
| 7 | GND | 19 | GND |
| 8 | Power Good | 20 | NC |
| 9 | 5VSB (σε αναμονή +5V) | 21 | +5V |
| 10 | +12V | 22 | +5V |
| 11 | +12V (Μόνο για ATX 2x12 ακίδων) | 23 | +5V (Μόνο για ATX 2x12 ακίδων) |
| 12 | 3.3V (Μόνο για ATX 2x12 ακίδων) | 24 | GND (Μόνο για ATX 2x12 ακίδων) |
3/4) CPU_FAN/SYS_FAN1/2/3 (κεφαλίδες ανεμιστήρων)
Όλες οι κεφαλίδες ανεμιστήρων σε αυτήν τη μητρική πλακέτα είναι 4 ακίδων. Οι περισσότερες κεφαλίδες ανεμιστήρων διαθέτουν αδιάβροχο σχέδιο εισαγωγής. Όταν συνδέετε ένα καλώδιο ανεμιστήρα, φροντίστε να το συνδέσετε στη σωστή κατεύθυνση (το μαύρο καλώδιο σύνδεσης είναι το καλώδιο γείωσης). Η λειτουργία ελέγχου ταχύτητας απαιτεί τη χρήση ενός ανεμιστήρα με σχέδιο ελέγχου ταχύτητας ανεμιστήρα. Για βέλτιστη απαγωγή θερμότητας, συνιστάται να εγκαταστήσετε έναν ανεμιστήρα συστήματος μέσα στο πλαίσιο.

| Ορισμός αριθμού ακίδας | |
| 1 | GND |
| 2 | Έλεγχος ταχύτητας τάσης |
| 3 | Αίσθηση |
| 4 | Έλεγχος ταχύτητας PWM |
- Φροντίστε να συνδέσετε καλώδια ανεμιστήρα στις κεφαλίδες ανεμιστήρα για να αποτρέψετε την υπερθέρμανση της CPU και του συστήματός σας. Η υπερθέρμανση μπορεί να προκαλέσει ζημιά στην CPU ή το σύστημα μπορεί να κολλήσει.
- Αυτές οι κεφαλίδες ανεμιστήρων δεν είναι μπλοκ βραχυκυκλωτήρα διαμόρφωσης. Μην τοποθετείτε ένα καπάκι βραχυκυκλωτήρα στις κεφαλίδες.
- CPU_OPT (Κεφαλίδα αντλίας ανεμιστήρα/ψύξης νερού CPU)
Η κεφαλίδα ανεμιστήρα/αντλίας είναι 4 ακίδων και διαθέτει αδιάβροχο σχέδιο εισαγωγής. Οι περισσότερες κεφαλίδες ανεμιστήρων διαθέτουν αδιάβροχο σχέδιο εισαγωγής. Όταν συνδέετε ένα καλώδιο ανεμιστήρα, φροντίστε να το συνδέσετε στη σωστή κατεύθυνση (το μαύρο καλώδιο σύνδεσης είναι το καλώδιο γείωσης). Η λειτουργία ελέγχου ταχύτητας απαιτεί τη χρήση ενός ανεμιστήρα με σχέδιο ελέγχου ταχύτητας ανεμιστήρα.
![]()
| Αρ. ακίδας | Ορισμός |
| 1 | GND |
| 2 | Έλεγχος ταχύτητας τάσης |
| 3 | Αίσθηση |
| 4 | Έλεγχος ταχύτητας PWM |
- Φροντίστε να συνδέσετε καλώδια ανεμιστήρα στις κεφαλίδες ανεμιστήρα για να αποτρέψετε την υπερθέρμανση της CPU και του συστήματός σας. Η υπερθέρμανση μπορεί να προκαλέσει ζημιά στην CPU ή το σύστημα μπορεί να κολλήσει.
- Αυτές οι κεφαλίδες ανεμιστήρων δεν είναι μπλοκ βραχυκυκλωτήρα διαμόρφωσης. Μην τοποθετείτε ένα καπάκι βραχυκυκλωτήρα στις κεφαλίδες.
- D_LED1/D_LED2 (Διευθυνσιοδοτούμενες κεφαλίδες λωρίδας LED)
Οι κεφαλίδες μπορούν να χρησιμοποιηθούν για τη σύνδεση μιας τυπικής διευθυνσιοδοτούμενης λωρίδας LED 5050, με μέγιστη ονομαστική ισχύ 5A (5V) και μέγιστο αριθμό 1000 LED.
![]()
| Αρ. ακίδας | Ορισμός |
| 1 | V (5V) |
| 2 | Δεδομένα |
| 3 | Χωρίς ακίδα |
| 4 | GND |
Συνδέστε την διευθυνσιοδοτούμενη λωρίδα LED στην κεφαλίδα. Η ακίδα τροφοδοσίας (που επισημαίνεται με ένα τρίγωνο στο βύσμα) της λωρίδας LED πρέπει να συνδεθεί στην ακίδα 1 της διευθυνσιοδοτούμενης κεφαλίδας λωρίδας LED. Η εσφαλμένη σύνδεση μπορεί να οδηγήσει σε ζημιά στη λωρίδα LED.
- LED_C1/LED_C2 (Κεφαλίδες λωρίδας RGB LED)
Οι κεφαλίδες μπορούν να χρησιμοποιηθούν για τη σύνδεση μιας τυπικής λωρίδας RGB LED 5050 (12V/G/R/B), με μέγιστη ονομαστική ισχύ 2A (12V) και μέγιστο μήκος 2m.
![]()
| Αρ. ακίδας | Ορισμός |
| 1 | 12V |
| 2 | G |
| 3 | R |
| 4 | B |
Συνδέστε την λωρίδα RGB LED στην κεφαλίδα. Η ακίδα τροφοδοσίας (που επισημαίνεται με ένα τρίγωνο στο βύσμα) της λωρίδας LED πρέπει να συνδεθεί στην ακίδα 1 (12V) αυτής της κεφαλίδας. Η εσφαλμένη σύνδεση μπορεί να οδηγήσει σε ζημιά στη λωρίδα LED.

Για το πώς να ενεργοποιήσετε/απενεργοποιήσετε τα φώτα της λωρίδας LED, επισκεφθείτε την ιστοσελίδα "Μοναδικά χαρακτηριστικά" του ιστότοπου της GIGABYTE.
Πριν εγκαταστήσετε τις συσκευές, φροντίστε να απενεργοποιήσετε τις συσκευές και τον υπολογιστή σας. Αποσυνδέστε το καλώδιο τροφοδοσίας από την πρίζα για να αποφύγετε την πρόκληση ζημιάς στις συσκευές.
- QFLASH_PLUS (Κουμπί Q-Flash Plus)
Το Q-Flash Plus σάς επιτρέπει να ενημερώσετε το BIOS όταν το σύστημά σας είναι απενεργοποιημένο (κατάσταση τερματισμού λειτουργίας S5). Αποθηκεύστε το πιο πρόσφατο BIOS σε μια μονάδα USB και συνδέστε την στη θύρα Q-Flash Plus και, στη συνέχεια, μπορείτε πλέον να αναβοσβήσετε αυτόματα το BIOS απλώς πατώντας το κουμπί Q-Flash Plus. Το QFLED θα αναβοσβήνει όταν ξεκινήσουν οι δραστηριότητες αντιστοίχισης και αναβοσβήνει το BIOS και θα σταματήσει να αναβοσβήνει όταν ολοκληρωθεί το κύριο BIOS.
![]()

Για να ενεργοποιήσετε τη λειτουργία Q-Flash Plus, μεταβείτε στη σελίδα "Μοναδικά χαρακτηριστικά" της ιστοσελίδας της GIGABYTE για περισσότερες πληροφορίες.
- SATA3 0/1/2/3 (Υποδοχές SATA 6Gb/s)
Οι υποδοχές SATA συμμορφώνονται με το πρότυπο SATA 6Gb/s και είναι συμβατές με τα πρότυπα SATA 3Gb/s και SATA 1.5Gb/s. Κάθε υποδοχή SATA υποστηρίζει μία μόνο συσκευή SATA. Οι υποδοχές SATA υποστηρίζουν RAID 0, RAID 1 και RAID 10. Μεταβείτε στη σελίδα "Διαμόρφωση συνόλου RAID" της ιστοσελίδας της GIGABYTE για οδηγίες σχετικά με τη διαμόρφωση ενός πίνακα RAID.
![]()
| Αρ. ακροδέκτη | Ορισμός |
| 1 | GND |
| 2 | TXP |
| 3 | TXN |
| 4 | GND |
| 5 | RXN |
| 6 | RXP |
| 7 | GND |
- M2A_CPU (Υποδοχή M.2 3)
Η υποδοχή M.2 υποστηρίζει M.2 SATA SSD ή M.2 PCIe SSD και υποστηρίζει διαμόρφωση RAID. Λάβετε υπόψη ότι ένα M.2 PCIe SSD δεν μπορεί να χρησιμοποιηθεί για τη δημιουργία ενός συνόλου RAID με έναν σκληρό δίσκο SATA. Μεταβείτε στη σελίδα "Διαμόρφωση συνόλου RAID" της ιστοσελίδας της GIGABYTE για οδηγίες σχετικά με τη διαμόρφωση ενός πίνακα RAID.
![]()
Ακολουθήστε τα παρακάτω βήματα για να εγκαταστήσετε σωστά ένα M.2 SSD στην υποδοχή M.2.
Βήμα 1:
Χρησιμοποιήστε ένα κατσαβίδι για να ξεβιδώσετε τη βίδα και το στήριγμα από τη μητρική πλακέτα. Εντοπίστε την κατάλληλη οπή στερέωσης για το M.2 SSD που πρόκειται να εγκατασταθεί και, στη συνέχεια, βιδώστε πρώτα το στήριγμα.
Βήμα 2:
Σύρετε το M.2 SSD στην υποδοχή υπό γωνία.
Βήμα 3:
Πιέστε το M.2 SSD προς τα κάτω και, στη συνέχεια, στερεώστε το με τη βίδα.
![Εικονίδιο γρήγορης λάμψης Q-Plus]()
Επιλέξτε την κατάλληλη οπή για το M.2 SSD που πρόκειται να εγκατασταθεί και ξανασφίξτε τη βίδα και το στήριγμα.
- F_PANEL (Επικεφαλίδα μπροστινού πίνακα)
Συνδέστε το διακόπτη τροφοδοσίας, το διακόπτη επαναφοράς, το ηχείο, το διακόπτη/αισθητήρα εισβολής πλαισίου και την ένδειξη κατάστασης συστήματος στο πλαίσιο σε αυτήν την επικεφαλίδα σύμφωνα με τις παρακάτω αντιστοιχίσεις ακροδεκτών. Σημειώστε τους θετικούς και αρνητικούς ακροδέκτες πριν συνδέσετε τα καλώδια.
![]()
- PLED/PWR_LED (LED τροφοδοσίας):
| Κατάσταση συστήματος | LED |
| S0 | Ενεργοποιημένο |
| S3/S4/S5 | Απενεργοποιημένο |
Συνδέεται στην ένδειξη κατάστασης τροφοδοσίας στην μπροστινή πλευρά του πλαισίου. Η λυχνία LED είναι αναμμένη όταν το σύστημα λειτουργεί. Η λυχνία LED είναι σβηστή όταν το σύστημα βρίσκεται σε κατάσταση αναστολής λειτουργίας S3/S4 ή είναι απενεργοποιημένο (S5).
- PW (Διακόπτης τροφοδοσίας):
Συνδέεται στο διακόπτη τροφοδοσίας στην μπροστινή πλευρά του πλαισίου. Μπορείτε να διαμορφώσετε τον τρόπο απενεργοποίησης του συστήματός σας χρησιμοποιώντας το διακόπτη τροφοδοσίας (μεταβείτε στη σελίδα "BIOS Setup" της ιστοσελίδας της GIGABYTE και αναζητήστε "Settings\Platform Power" για περισσότερες πληροφορίες). - SPEAK (Ηχείο):
Συνδέεται στο ηχείο στην μπροστινή πλευρά του πλαισίου. Το σύστημα αναφέρει την κατάσταση εκκίνησης του συστήματος εκδίδοντας έναν κωδικό ηχητικού σήματος. Θα ακουστεί ένα μόνο σύντομο ηχητικό σήμα εάν δεν εντοπιστεί κανένα πρόβλημα κατά την εκκίνηση του συστήματος.
- HD (LED δραστηριότητας σκληρού δίσκου):
Συνδέεται στη λυχνία LED δραστηριότητας σκληρού δίσκου στην μπροστινή πλευρά του πλαισίου. Η λυχνία LED είναι αναμμένη όταν ο σκληρός δίσκος διαβάζει ή εγγράφει δεδομένα. - RES (Διακόπτης επαναφοράς):
Συνδέεται στο διακόπτη επαναφοράς στην μπροστινή πλευρά του πλαισίου. Πατήστε το διακόπτη επαναφοράς για να επανεκκινήσετε τον υπολογιστή εάν ο υπολογιστής παγώσει και δεν εκτελεί μια κανονική επανεκκίνηση. - CI (Επικεφαλίδα εισβολής πλαισίου):
Συνδέεται στο διακόπτη/αισθητήρα εισβολής πλαισίου στο πλαίσιο που μπορεί να ανιχνεύσει εάν έχει αφαιρεθεί το κάλυμμα του πλαισίου. Αυτή η λειτουργία απαιτεί ένα πλαίσιο με διακόπτη/αισθητήρα εισβολής πλαισίου. - NC: Χωρίς σύνδεση.

Ο σχεδιασμός του μπροστινού πίνακα ενδέχεται να διαφέρει ανάλογα με το πλαίσιο. Μια μονάδα μπροστινού πίνακα αποτελείται κυρίως από διακόπτη τροφοδοσίας, διακόπτη επαναφοράς, λυχνία LED τροφοδοσίας, λυχνία LED δραστηριότητας σκληρού δίσκου, ηχείο κ.λπ. Όταν συνδέετε τη μονάδα μπροστινού πίνακα του πλαισίου σας σε αυτήν την επικεφαλίδα, βεβαιωθείτε ότι οι αντιστοιχίσεις καλωδίων και οι αντιστοιχίσεις ακροδεκτών ταιριάζουν σωστά.
- F_AUDIO (Επικεφαλίδα ήχου μπροστινού πίνακα)
Η επικεφαλίδα ήχου μπροστινού πίνακα υποστηρίζει ήχο High Definition (HD). Μπορείτε να συνδέσετε τη μονάδα ήχου μπροστινού πίνακα του πλαισίου σας σε αυτήν την επικεφαλίδα. Βεβαιωθείτε ότι οι αντιστοιχίσεις καλωδίων του συνδέσμου μονάδας ταιριάζουν με τις αντιστοιχίσεις ακροδεκτών της επικεφαλίδας της μητρικής πλακέτας. Η εσφαλμένη σύνδεση μεταξύ του συνδέσμου μονάδας και της επικεφαλίδας της μητρικής πλακέτας θα καταστήσει τη συσκευή ανίκανη να λειτουργήσει ή ακόμη και θα την καταστρέψει.
![]()
| Αρ. ακροδέκτη | Ορισμός | Αρ. ακροδέκτη | Ορισμός |
| 1 F_ | MIC L | 6 | MIC Detection F_ |
| 2 | GND | 7 | SENSE_SEND |
| 3 | MIC R | 8 | No Pin |
| 4 | NC | 9 | Head Phone L |
| 5 | Head Phone R | 10 | Head Phone Detection |

Ορισμένα πλαίσια παρέχουν μια μονάδα ήχου μπροστινού πίνακα που έχει διαχωρισμένους συνδέσμους σε κάθε καλώδιο αντί για ένα μόνο βύσμα. Για πληροφορίες σχετικά με τη σύνδεση της μονάδας ήχου μπροστινού πίνακα που έχει διαφορετικές αντιστοιχίσεις καλωδίων, επικοινωνήστε με τον κατασκευαστή του πλαισίου.
- F_U32 (Επικεφαλίδα USB 3.2 Gen 1)
Η επικεφαλίδα συμμορφώνεται με τις προδιαγραφές USB 3.2 Gen 1 και USB 2.0 και μπορεί να παρέχει δύο θύρες USB. Για την αγορά του προαιρετικού μπροστινού πίνακα 3,5" που παρέχει δύο θύρες USB 3.2 Gen 1, επικοινωνήστε με τον τοπικό αντιπρόσωπο.
![]()
| Αρ. ακροδέκτη | Ορισμός | Αρ. ακροδέκτη | Ορισμός | Αρ. ακροδέκτη | Ορισμός |
| 1 | VBUS | 8 | D1- | 15 | SSTX2- |
| 2 | SSRX1- | 9 | D1+ | 16 | GND |
| 3 | SSRX1+ | 10 | NC | 17 | SSRX2+ |
| 4 | GND | 11 | D2+ | 18 | SSRX2- |
| 5 | SSTX1- | 12 | D2- | 19 | VBUS |
| 6 | SSTX1+ | 13 | GND | 20 | No Pin |
| 7 | GND | 14 B S_ B | SSTX2+ |
- F_USB1/F_USB2 (Επικεφαλίδες USB 2.0/1.1)
Οι επικεφαλίδες συμμορφώνονται με τις προδιαγραφές USB 2.0/1.1. Κάθε επικεφαλίδα USB μπορεί να παρέχει δύο θύρες USB μέσω ενός προαιρετικού βραχίονα USB. Για την αγορά του προαιρετικού βραχίονα USB, επικοινωνήστε με τον τοπικό αντιπρόσωπο.
![]()
| Αρ. ακροδέκτη | Ορισμός | Αρ. ακροδέκτη | Ορισμός |
| 1 | Τροφοδοσία (5V) | 6 | USB DY+ |
| 2 | Τροφοδοσία (5V) | 7 | GND |
| 3 | USB DX- | 8 | GND |
| 4 | USB DY- | 9 | No Pin |
| 5 | USB DX+ | 10 | NC |
Πριν εγκαταστήσετε το βραχίονα USB, φροντίστε να απενεργοποιήσετε τον υπολογιστή σας και να αποσυνδέσετε το καλώδιο τροφοδοσίας _ από την πρίζα για να αποφύγετε ζημιά στο βραχίονα USB.
- TPM (Trusted Platform Module Header)
Μπορείτε να συνδέσετε ένα TPM (Trusted Platform Module) σε αυτήν την κεφαλίδα.
![]()
| Pin No. | Definition | Pin No. | Definition |
| 1 | LAD0 | 7 | LAD3 |
| 2 | VCC3 | 8 | GND |
| 3 | LAD1 | 9 | LFRAME |
| 4 | No Pin | 10 | NC |
| 5 | LAD2 | 11 | SERIRQ |
| 6 | LCLK | 12 | LRESET |
- COM (Serial Port Header)
Η κεφαλίδα COM μπορεί να παρέχει μια σειριακή θύρα μέσω ενός προαιρετικού καλωδίου θύρας COM. Για την αγορά του προαιρετικού καλωδίου θύρας COM, επικοινωνήστε με τον τοπικό αντιπρόσωπο.
![]()
| Pin No. | Definition | Pin No. | Definition |
| 1 | NDCD- | 6 | NDSR- |
| 2 | NSIN | 7 | NRTS- |
| 3 | NSOUT | 8 | NCTS- |
| 4 | NDTR- | 9 | NRI- |
| 5 | GND | 10 | No Pin |
- CLR_CMOS (Clear CMOS Jumper)
Χρησιμοποιήστε αυτόν τον βραχυκυκλωτήρα για να διαγράψετε τη διαμόρφωση του BIOS και να επαναφέρετε τις τιμές CMOS στις εργοστασιακές προεπιλογές. Για να διαγράψετε τις τιμές CMOS, χρησιμοποιήστε ένα μεταλλικό αντικείμενο όπως ένα κατσαβίδι για να αγγίξετε τις δύο ακίδες για λίγα δευτερόλεπτα.
Open: Κανονικό
Short: Εκκαθάριση τιμών CMOS
- Να απενεργοποιείτε πάντα τον υπολογιστή σας πριν διαγράψετε τις τιμές CMOS.
- Μετά την επανεκκίνηση του συστήματος, μεταβείτε στο BIOS Setup για να φορτώσετε τις εργοστασιακές προεπιλογές (επιλέξτε Load Optimized Defaults) ή να διαμορφώσετε χειροκίνητα τις ρυθμίσεις του BIOS (μεταβείτε στη σελίδα "BIOS Setup" του ιστότοπου της GIGABYTE για περισσότερες πληροφορίες).
- BAT (Battery)
Η μπαταρία παρέχει ρεύμα για να διατηρεί τις τιμές (όπως διαμορφώσεις BIOS, πληροφορίες ημερομηνίας και ώρας) στο CMOS όταν ο υπολογιστής είναι απενεργοποιημένος. Αντικαταστήστε την μπαταρία όταν η τάση της μπαταρίας πέσει σε χαμηλό επίπεδο, διαφορετικά οι τιμές CMOS ενδέχεται να μην είναι ακριβείς ή να χαθούν.

Μπορείτε να διαγράψετε τις τιμές CMOS αφαιρώντας την μπαταρία:
- Απενεργοποιήστε τον υπολογιστή σας και αποσυνδέστε το καλώδιο τροφοδοσίας.
- Αφαιρέστε απαλά την μπαταρία από τη θήκη της μπαταρίας και περιμένετε ένα λεπτό. (Ή χρησιμοποιήστε ένα μεταλλικό αντικείμενο όπως ένα κατσαβίδι για να αγγίξετε τους θετικούς και αρνητικούς ακροδέκτες της θήκης της μπαταρίας, κάνοντάς τους βραχυκύκλωμα για 5 δευτερόλεπτα.)
- Αντικαταστήστε την μπαταρία.
- Συνδέστε το καλώδιο τροφοδοσίας και επανεκκινήστε τον υπολογιστή σας.
- Να απενεργοποιείτε πάντα τον υπολογιστή σας και να αποσυνδέετε το καλώδιο τροφοδοσίας πριν αντικαταστήσετε την μπαταρία.
- Αντικαταστήστε την μπαταρία με μια ισοδύναμη. Ενδέχεται να προκληθεί ζημιά στις συσκευές σας εάν η μπαταρία είναι αντικατασταθεί με ένα εσφαλμένο μοντέλο.
- Επικοινωνήστε με το σημείο αγοράς ή τον τοπικό αντιπρόσωπο εάν δεν μπορείτε να αντικαταστήσετε την μπαταρία μόνοι σας ή δεν είστε βέβαιοι για το μοντέλο της μπαταρίας.
- Κατά την εγκατάσταση της μπαταρίας, σημειώστε τον προσανατολισμό της θετικής πλευράς (+) και της αρνητικής πλευράς (-) της μπαταρίας (η θετική πλευρά πρέπει να είναι στραμμένη προς τα πάνω).
- Οι χρησιμοποιημένες μπαταρίες πρέπει να τύχουν χειρισμού σύμφωνα με τους τοπικούς περιβαλλοντικούς κανονισμούς.
Ρύθμιση BIOS
Το BIOS (Basic Input and Output System) καταγράφει τις παραμέτρους υλικού του συστήματος στο CMOS στη μητρική πλακέτα. Οι κύριες λειτουργίες του περιλαμβάνουν τη διεξαγωγή του Power-On Self-Test (POST) κατά την εκκίνηση του συστήματος, την αποθήκευση παραμέτρων συστήματος και τη φόρτωση του λειτουργικού συστήματος, κ.λπ. Το BIOS περιλαμβάνει ένα πρόγραμμα ρύθμισης BIOS που επιτρέπει στο χρήστη να τροποποιήσει τις βασικές ρυθμίσεις διαμόρφωσης του συστήματος ή να ενεργοποιήσει ορισμένες λειτουργίες του συστήματος.
Όταν η τροφοδοσία είναι απενεργοποιημένη, η μπαταρία στη μητρική πλακέτα παρέχει την απαραίτητη ισχύ στο CMOS για να διατηρήσει τις τιμές διαμόρφωσης στο CMOS.
Για να αποκτήσετε πρόσβαση στο πρόγραμμα ρύθμισης BIOS, πατήστε το πλήκτρο <Delete> κατά τη διάρκεια του POST όταν είναι ενεργοποιημένη η τροφοδοσία.
- Για να αναβαθμίσετε το BIOS, χρησιμοποιήστε είτε το GIGABYTE Q-Flash είτε το βοηθητικό πρόγραμμα @BIOS.
- Το Q-Flash επιτρέπει στο χρήστη να αναβαθμίσει ή να δημιουργήσει αντίγραφα ασφαλείας του BIOS γρήγορα και εύκολα χωρίς να εισέλθει στο λειτουργικό σύστημα. • Το @BIOS είναι ένα βοηθητικό πρόγραμμα που βασίζεται στα Windows, το οποίο αναζητά και κατεβάζει την πιο πρόσφατη έκδοση του BIOS από το Διαδίκτυο και ενημερώνει το BIOS.
Για οδηγίες σχετικά με τη χρήση των βοηθητικών προγραμμάτων Q-Flash και @BIOS, μεταβείτε στη σελίδα "Μοναδικά χαρακτηριστικά" του ιστότοπου της GIGABYTE και αναζητήστε "Βοηθητικά προγράμματα ενημέρωσης BIOS".
- Επειδή η αναβάθμιση του BIOS είναι δυνητικά επικίνδυνη, εάν δεν αντιμετωπίζετε προβλήματα χρησιμοποιώντας την τρέχουσα έκδοση του BIOS, συνιστάται να μην αναβαθμίσετε το BIOS. Για να αναβαθμίσετε το BIOS, κάντε το με προσοχή. Η ακατάλληλη αναβάθμιση του BIOS μπορεί να οδηγήσει σε δυσλειτουργία του συστήματος.
- Συνιστάται να μην αλλάξετε τις προεπιλεγμένες ρυθμίσεις (εκτός εάν χρειάζεται) για να αποτρέψετε την αστάθεια του συστήματος ή άλλα απροσδόκητα αποτελέσματα. Η ακατάλληλη αλλαγή των ρυθμίσεων μπορεί να οδηγήσει σε αποτυχία εκκίνησης του συστήματος. Εάν συμβεί αυτό, προσπαθήστε να διαγράψετε τις τιμές CMOS και να επαναφέρετε την πλακέτα στις προεπιλεγμένες τιμές.
- Ανατρέξτε στις εισαγωγές της μπαταρίας/του βραχυκυκλωτήρα διαγραφής CMOS στο κεφάλαιο Εγκατάσταση υλικού ή μεταβείτε στη σελίδα "BIOS Setup" του ιστότοπου της GIGABYTE και αναζητήστε "Load Optimized Defaults" για το πώς να διαγράψετε τις τιμές CMOS.
- Τα μενού ρύθμισης BIOS είναι μόνο για αναφορά και ενδέχεται να διαφέρουν ανάλογα με την έκδοση του BIOS.
Οθόνη εκκίνησης: Η ακόλουθη οθόνη με το λογότυπο εκκίνησης θα εμφανιστεί όταν εκκινηθεί ο υπολογιστής.

Πλήκτρα λειτουργιών: <DEL>: BIOS SETUP\Q-FLASH
Πατήστε το πλήκτρο <Delete> για να εισέλθετε στο BIOS Setup ή για να αποκτήσετε πρόσβαση στο βοηθητικό πρόγραμμα Q-Flash στο BIOS Setup.
<F12>: ΜΕΝΟΥ ΕΚΚΙΝΗΣΗΣ
Το μενού εκκίνησης σάς επιτρέπει να ορίσετε την πρώτη συσκευή εκκίνησης χωρίς να εισέλθετε στο BIOS Setup. Στο μενού εκκίνησης, χρησιμοποιήστε το πλήκτρο επάνω βέλους <h> ή το πλήκτρο κάτω βέλους <i> για να επιλέξετε την πρώτη συσκευή εκκίνησης, στη συνέχεια πατήστε <Enter> για να αποδεχτείτε. Το σύστημα θα εκκινηθεί αμέσως από τη συσκευή. Σημείωση: Η ρύθμιση στο μενού εκκίνησης ισχύει μόνο για μία φορά. Μετά την επανεκκίνηση του συστήματος, η σειρά εκκίνησης της συσκευής θα εξακολουθεί να βασίζεται στις ρυθμίσεις του BIOS Setup.
<END>: Q-FLASH
Πατήστε το πλήκτρο <End> για να αποκτήσετε πρόσβαση στο βοηθητικό πρόγραμμα Q-Flash απευθείας χωρίς να χρειαστεί να εισέλθετε πρώτα στο BIOS Setup.
Εγκατάσταση του λειτουργικού συστήματος και των προγραμμάτων οδήγησης
Εγκατάσταση λειτουργικού συστήματος
Με τις σωστές ρυθμίσεις BIOS, είστε έτοιμοι να εγκαταστήσετε το λειτουργικό σύστημα.
Καθώς ορισμένα λειτουργικά συστήματα περιλαμβάνουν ήδη το πρόγραμμα οδήγησης RAID, δεν χρειάζεται να εγκαταστήσετε ξεχωριστό πρόγραμμα οδήγησης RAID κατά τη διάρκεια της διαδικασίας εγκατάστασης των Windows. Αφού εγκατασταθεί το λειτουργικό σύστημα, συνιστούμε να εγκαταστήσετε όλα τα απαιτούμενα προγράμματα οδήγησης από το GIGABYTE APP Center για να διασφαλίσετε την απόδοση και τη συμβατότητα του συστήματος. Εάν το λειτουργικό σύστημα που πρόκειται να εγκατασταθεί απαιτεί να παρέχετε επιπλέον πρόγραμμα οδήγησης RAID κατά τη διάρκεια της διαδικασίας εγκατάστασης του λειτουργικού συστήματος, ανατρέξτε στα παρακάτω βήματα:
Βήμα 1:
Μεταβείτε στον ιστότοπο της GIGABYTE, περιηγηθείτε στην ιστοσελίδα του μοντέλου της μητρικής πλακέτας, κατεβάστε το αρχείο AMD RAID Preinstall Driver στη σελίδα Support\Download\SATA RAID/AHCI, αποσυμπιέστε το αρχείο και αντιγράψτε τα αρχεία στη μονάδα USB.
Βήμα 2: Εκκινήστε από το δίσκο εγκατάστασης των Windows και εκτελέστε τα τυπικά βήματα εγκατάστασης του λειτουργικού συστήματος. Όταν εμφανιστεί η οθόνη που σας ζητά να φορτώσετε το πρόγραμμα οδήγησης, επιλέξτε Browse (Αναζήτηση).
Βήμα 3: Εισαγάγετε τη μονάδα USB και, στη συνέχεια, περιηγηθείτε στη θέση του προγράμματος οδήγησης. Επιλέξτε πρώτα AMD-RAID Bottom Device και κάντε κλικ στο Next (Επόμενο) για να φορτώσετε το πρόγραμμα οδήγησης. Στη συνέχεια, επιλέξτε AMD-RAID Controller και κάντε κλικ στο Next (Επόμενο) για να φορτώσετε το πρόγραμμα οδήγησης. Τέλος, συνεχίστε την εγκατάσταση του λειτουργικού συστήματος.

Εγκατάσταση προγραμμάτων οδήγησης
Αφού εγκαταστήσετε το λειτουργικό σύστημα, θα εμφανιστεί ένα παράθυρο διαλόγου στην κάτω δεξιά γωνία της επιφάνειας εργασίας, το οποίο θα σας ρωτά εάν θέλετε να κατεβάσετε και να εγκαταστήσετε τα προγράμματα οδήγησης και τις εφαρμογές GIGABYTE μέσω του APP Center. Κάντε κλικ στο Install (Εγκατάσταση) για να συνεχίσετε με την εγκατάσταση. (Στο BIOS Setup, βεβαιωθείτε ότι το Settings\IO Ports\APP Center Download & Install Configuration\APP Center Download & Install is έχει οριστεί σε Enabled (Ενεργοποιημένο).)

Όταν εμφανιστεί το παράθυρο διαλόγου της Άδειας Χρήσης Τελικού Χρήστη, πατήστε <Accept> για να εγκαταστήσετε το APP Center. Στην οθόνη APP Center, επιλέξτε τα προγράμματα οδήγησης και τις εφαρμογές που θέλετε να εγκαταστήσετε και κάντε κλικ στο Install (Εγκατάσταση).


Πριν από την εγκατάσταση, βεβαιωθείτε ότι το σύστημα είναι συνδεδεμένο στο Διαδίκτυο.
Επισκεφθείτε τον ιστότοπο της GIGABYTE για περισσότερες πληροφορίες σχετικά με το λογισμικό. https://www.gigabyte.com/WebPage/320/am4-app-center.html?m=sw
Επισκεφθείτε τον ιστότοπο της GIGABYTE για περισσότερες πληροφορίες σχετικά με την αντιμετώπιση προβλημάτων. https://www.gigabyte.com/WebPage/351/faq.html
Ρύθμιση παραμέτρων ενός συνόλου RAID
Επίπεδα RAID
| RAID 0 | RAID 1 | RAID 10 | |
| Ελάχιστος αριθμός σκληρών δίσκων | ≥2 | 2 | 4 |
| Χωρητικότητα πίνακα | Αριθμός σκληρών δίσκων * Μέγεθος του μικρότερου δίσκου | Μέγεθος του μικρότερου δίσκου | (Αριθμός σκληρών δίσκων/2) * Μέγεθος του μικρότερου δίσκου |
| Ανοχή σφαλμάτων | Όχι | Ναι | Ναι |
Πριν ξεκινήσετε, ετοιμάστε τα παρακάτω στοιχεία:
Αυτή η μητρική πλακέτα υποστηρίζει RAID 0, RAID 1 και RAID 10. Ετοιμάστε τον σωστό αριθμό σκληρών δίσκων όπως υποδεικνύεται στον παραπάνω πίνακα πριν ρυθμίσετε έναν πίνακα RAID.
- Σκληροί δίσκοι SATA ή SSD. Για να διασφαλίσετε τη βέλτιστη απόδοση, συνιστάται να χρησιμοποιήσετε δύο σκληρούς δίσκους με πανομοιότυπο μοντέλο και χωρητικότητα.
- Δίσκος εγκατάστασης των Windows.
- Ένας υπολογιστής συνδεδεμένος στο Διαδίκτυο.
- Μια μονάδα USB.
Δεν μπορεί να χρησιμοποιηθεί μια μονάδα M.2 PCIe SSD για τη δημιουργία ενός συνόλου RAID με έναν σκληρό δίσκο SATA.
Επισκεφθείτε τον ιστότοπο της GIGABYTE για λεπτομέρειες σχετικά με τη ρύθμιση ενός πίνακα RAID. https://www.gigabyte.com/WebPage/543/a520-raid.html
Επικοινωνήστε μαζί μας
GIGA-BYTE TECHNOLOGY CO., LTD.
Διεύθυνση: No.6, Baoqiang Rd., Xindian Dist., New Taipei City 231
ΤΗΛ: +886-2-8912-4000, ΦΑΞ: +886-2-8912-4005
Τεχνική και μη τεχνική υποστήριξη (Πωλήσεις/Μάρκετινγκ): https://esupport.gigabyte.com
Διεύθυνση WEB (Αγγλικά): https://www.gigabyte.com
Διεύθυνση WEB (Κινέζικα): https://www.gigabyte.com/tw
- GIGABYTE eSupport
Για να υποβάλετε μια τεχνική ή μη τεχνική ερώτηση (Πωλήσεις/Μάρκετινγκ), συνδεθείτε στην ακόλουθη διεύθυνση: https://esupport.gigabyte.com
![]()
Αναφορές
Γρήγορος οδηγός GIGABYTE
GIGABYTE Realtek Audio
Εγχειρίδιο λογισμικού μητρικών πλακετών σειράς GIGABYTE AM4
Εγχειρίδιο αντιμετώπισης προβλημάτων GIGABYTE
Εγχειρίδιο GIGABYTE RAID
GIGABYTE - eSupport
GIGABYTE Global
GIGABYTE 技嘉科技
Λήψη εγχειριδίου
Εδώ μπορείτε να κατεβάσετε την πλήρη έκδοση pdf του εγχειριδίου, μπορεί να περιέχει πρόσθετες οδηγίες ασφαλείας, πληροφορίες εγγύησης, κανόνες FCC κ.λπ.
Λήψη GIGABYTE A520 AORUS ELITE - Εγχειρίδιο μητρικής πλακέτας













