Εγχειρίδιο μητρικής πλακέτας GIGABYTE B560I AORUS PRO AX
- 1 Αναγνώριση της Αναθεώρησης της Μητρικής σας Πλακέτας
- 2 Διάταξη Μητρικής Πλακέτας B560I AORUS PRO AX
- 3 Διάγραμμα Μπλοκ Μητρικής Πλακέτας B560I AORUS PRO AX
-
4
Εγκατάσταση υλικού
- 4.1 Προφυλάξεις κατά την εγκατάσταση
- 4.2 Προδιαγραφές προϊόντος
- 4.3 Εγκατάσταση της CPU
- 4.4 Εγκατάσταση της μνήμης
- 4.5 Εγκατάσταση μιας κάρτας επέκτασης
- 4.6 Συνδέσεις πίσω πλαισίου
-
4.7
Εσωτερικές Συνδέσεις
- 4.7.1 ATX_12V_2X4/ATX (Υποδοχή Τροφοδοσίας 2x4 12V και Υποδοχή Κύριας Τροφοδοσίας 2x12)
- 4.7.2 CPU_FAN/SYS_FAN1/2 (Κεφαλίδες Ανεμιστήρα)
- 4.7.3 D_LED (Διευθυνσιοδοτήσιμη Κεφαλίδα Λωρίδας LED)
- 4.7.4 LED_C (Κεφαλίδα Λωρίδας RGB LED)
- 4.7.5 SATA3 2/3/4/5 (Συνδέσεις SATA 6Gb/s)
- 4.7.6 M2A_CPU(Σημείωση 1)/M2P_SB(Σημείωση 2) (Υποδοχές M.2 Socket 3)
- 4.7.7 F_AUDIO (Επικεφαλίδα ήχου μπροστινού πλαισίου)
- 4.7.8 F_PANEL (Επικεφαλίδα μπροστινού πλαισίου)
- 4.7.9 SPEAKER (Επικεφαλίδα ηχείου)
- 4.7.10 F_U32G1 (Επικεφαλίδα USB 3.2 Gen 1)
- 4.7.11 F_U32CG1 (Επικεφαλίδα USB Type-C με υποστήριξη USB 3.2 Gen 1)
- 4.7.12 F_USB1 (Επικεφαλίδα USB 2.0/1.1)
- 4.7.13 CI (Επικεφαλίδα ανίχνευσης εισβολής πλαισίου)
- 4.7.14 CLR_CMOS (Jumper εκκαθάρισης CMOS)
- 4.7.15 BAT (Μπαταρία)
- 5 Ρύθμιση BIOS
- 6 Εγκατάσταση Intel Optane Memory και Storage Management
- 7 Εγκατάσταση προγραμμάτων οδήγησης
- 8 Αναφορές
- 9 Λήψη εγχειριδίου
- 10 Σε άλλες γλώσσες

Αναγνώριση της Αναθεώρησης της Μητρικής σας Πλακέτας
Ο αριθμός αναθεώρησης στη μητρική σας πλακέτα μοιάζει με αυτόν: "REV: X.X.". Για παράδειγμα, "REV: 1.0" σημαίνει ότι η αναθεώρηση της μητρικής πλακέτας είναι 1.0. Ελέγξτε την αναθεώρηση της μητρικής σας πλακέτας πριν από την ενημέρωση του BIOS, των προγραμμάτων οδήγησης ή όταν αναζητάτε τεχνικές πληροφορίες.
Παράδειγμα:

Διάταξη Μητρικής Πλακέτας B560I AORUS PRO AX

Περιεχόμενα Κουτιού
- Μητρική πλακέτα B560I AORUS PRO AX
- Εγχειρίδιο Χρήστη
- Δίσκος οδηγών μητρικής πλακέτας
- Ένα καλώδιο επέκτασης RGB LED strip
- Δύο καλώδια SATA
- Βίδα(ες) M.2/στήριγμα(τα) M.2
- Μία κεραία
- Δύο καλώδια επέκτασης κεφαλίδας ανεμιστήρα
* Τα παραπάνω περιεχόμενα του κουτιού είναι μόνο για αναφορά και τα πραγματικά αντικείμενα εξαρτώνται από τη συσκευασία του προϊόντος που θα λάβετε.
Τα περιεχόμενα του κουτιού υπόκεινται σε αλλαγές χωρίς προειδοποίηση.
(Σημείωση) Ο σύνδεσμος/τσιπ βρίσκεται στο πίσω μέρος της μητρικής πλακέτας.
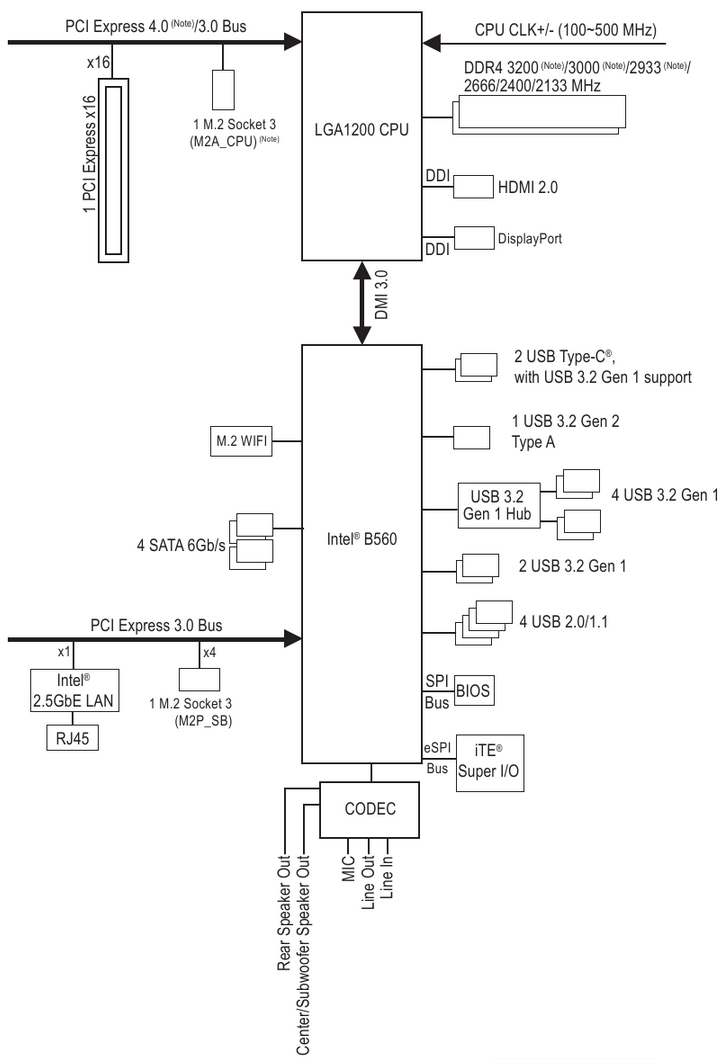
Διάγραμμα Μπλοκ Μητρικής Πλακέτας B560I AORUS PRO AX

(Σημείωση) Η πραγματική υποστήριξη ενδέχεται να διαφέρει ανάλογα με την CPU.
Εγκατάσταση υλικού
Προφυλάξεις κατά την εγκατάσταση
Η μητρική πλακέτα περιέχει πολλά ευαίσθητα ηλεκτρονικά κυκλώματα και εξαρτήματα που μπορεί να υποστούν ζημιά ως αποτέλεσμα ηλεκτροστατικής εκφόρτισης (ESD). Πριν από την εγκατάσταση, διαβάστε προσεκτικά το εγχειρίδιο χρήσης και ακολουθήστε αυτές τις διαδικασίες:
- Πριν από την εγκατάσταση, βεβαιωθείτε ότι το πλαίσιο είναι κατάλληλο για τη μητρική πλακέτα.
- Πριν από την εγκατάσταση, μην αφαιρέσετε ή σπάσετε το αυτοκόλλητο S/N (Σειριακός αριθμός) της μητρικής πλακέτας ή το αυτοκόλλητο εγγύησης που παρέχεται από τον αντιπρόσωπό σας. Αυτά τα αυτοκόλλητα απαιτούνται για την επικύρωση της εγγύησης.
- Αφαιρείτε πάντα την τροφοδοσία AC αποσυνδέοντας το καλώδιο τροφοδοσίας από την πρίζα πριν εγκαταστήσετε ή αφαιρέσετε τη μητρική πλακέτα ή άλλα στοιχεία υλικού.
- Όταν συνδέετε στοιχεία υλικού στους εσωτερικούς συνδέσμους της μητρικής πλακέτας, βεβαιωθείτε ότι είναι συνδεδεμένα σφιχτά και με ασφάλεια.
- Όταν χειρίζεστε τη μητρική πλακέτα, αποφύγετε να αγγίζετε μεταλλικούς ακροδέκτες ή συνδέσμους.
- Είναι καλύτερο να φοράτε έναν ιμάντα καρπού ηλεκτροστατικής εκφόρτισης (ESD) όταν χειρίζεστε ηλεκτρονικά εξαρτήματα, όπως μια μητρική πλακέτα, μια CPU ή μια μνήμη. Εάν δεν έχετε ιμάντα καρπού ESD, κρατήστε τα χέρια σας στεγνά και αγγίξτε πρώτα ένα μεταλλικό αντικείμενο για να εξαλείψετε τον στατικό ηλεκτρισμό.
- Πριν από την εγκατάσταση της μητρικής πλακέτας, τοποθετήστε την πάνω σε ένα αντιστατικό μαξιλάρι ή μέσα σε ένα δοχείο ηλεκτροστατικής θωράκισης.
- Πριν συνδέσετε ή αποσυνδέσετε το καλώδιο τροφοδοσίας από τη μητρική πλακέτα, βεβαιωθείτε ότι το τροφοδοτικό έχει απενεργοποιηθεί.
- Πριν ενεργοποιήσετε την τροφοδοσία, βεβαιωθείτε ότι η τάση τροφοδοσίας έχει ρυθμιστεί σύμφωνα με το τοπικό πρότυπο τάσης.
- Πριν χρησιμοποιήσετε το προϊόν, βεβαιωθείτε ότι όλα τα καλώδια και οι σύνδεσμοι τροφοδοσίας των στοιχείων υλικού σας είναι συνδεδεμένα.
- Για να αποφύγετε ζημιά στη μητρική πλακέτα, μην αφήνετε τις βίδες να έρθουν σε επαφή με το κύκλωμα της μητρικής πλακέτας ή τα εξαρτήματά της.
- Βεβαιωθείτε ότι δεν έχουν απομείνει βίδες ή μεταλλικά εξαρτήματα τοποθετημένα στη μητρική πλακέτα ή μέσα στο περίβλημα του υπολογιστή.
- Μην τοποθετείτε το σύστημα υπολογιστή σε μια ανώμαλη επιφάνεια.
- Μην τοποθετείτε το σύστημα υπολογιστή σε περιβάλλον υψηλής θερμοκρασίας ή σε υγρό περιβάλλον.
- Η ενεργοποίηση της τροφοδοσίας του υπολογιστή κατά τη διαδικασία εγκατάστασης μπορεί να οδηγήσει σε ζημιά στα στοιχεία του συστήματος καθώς και σε σωματική βλάβη στον χρήστη.
- Εάν δεν είστε βέβαιοι για κάποιο βήμα εγκατάστασης ή έχετε ένα πρόβλημα που σχετίζεται με τη χρήση του προϊόντος, συμβουλευτείτε έναν πιστοποιημένο τεχνικό υπολογιστών.
- Εάν χρησιμοποιείτε έναν προσαρμογέα, ένα καλώδιο επέκτασης τροφοδοσίας ή ένα πολύπριζο, φροντίστε να συμβουλευτείτε τις οδηγίες εγκατάστασης ή/και γείωσης.
Προδιαγραφές προϊόντος
| CPU |
|
| Chipset |
|
| Memory |
|
| Onboard Graphics |
|
| Audio |
|
| LAN |
|
| Wireless Communication Module |
|
| Expansion Slots |
|
| Storage Interface |
|
| USB |
|
| Internal Connectors |
|
| Back Panel Connectors |
|
| I/O Controller |
|
| Hardware Monitor |
|
| BIOS |
|
| Unique Features |
|
| Bundled Software |
|
| Operating System |
|
| Form Factor |
|
(Σημείωση) Υποστηρίζεται μόνο από επεξεργαστές 11ης γενιάς.
* Η GIGABYTE διατηρεί το δικαίωμα να προβεί σε οποιεσδήποτε αλλαγές στις προδιαγραφές του προϊόντος και στις πληροφορίες που σχετίζονται με το προϊόν χωρίς προηγούμενη ειδοποίηση.
Επισκεφθείτε τον ιστότοπο της GIGABYTE για λίστες υποστήριξης CPU, μονάδων μνήμης, SSD και συσκευών M.2.
Επισκεφθείτε τη σελίδα Support\Utility List (Λίστα υποστήριξης\βοηθητικών προγραμμάτων) στον ιστότοπο της GIGABYTE για να κατεβάσετε την πιο πρόσφατη έκδοση των εφαρμογών.
Εγκατάσταση της CPU
Διαβάστε τις ακόλουθες οδηγίες πριν ξεκινήσετε την εγκατάσταση της CPU:
- Βεβαιωθείτε ότι η μητρική πλακέτα υποστηρίζει την CPU. (Μεταβείτε στην ιστοσελίδα της GIGABYTE για την πιο πρόσφατη λίστα υποστήριξης CPU.)
- Να απενεργοποιείτε πάντα τον υπολογιστή και να αποσυνδέετε το καλώδιο τροφοδοσίας από την πρίζα πριν από την εγκατάσταση της CPU για να αποφύγετε ζημιά στο υλικό.
- Εντοπίστε την ακίδα ένα της CPU. Η CPU δεν μπορεί να εισαχθεί εάν δεν είναι σωστά προσανατολισμένη. (Ή μπορείτε να εντοπίσετε τις εγκοπές και στις δύο πλευρές της CPU και τα κλειδιά ευθυγράμμισης στην υποδοχή CPU.)
- Εφαρμόστε μια ομοιόμορφη και λεπτή στρώση θερμικής πάστας στην επιφάνεια της CPU.
- Μην ενεργοποιείτε τον υπολογιστή εάν δεν είναι εγκατεστημένο το ψυγείο CPU, διαφορετικά ενδέχεται να προκληθεί υπερθέρμανση και ζημιά στην CPU.
- Ρυθμίστε τη συχνότητα κεντρικού υπολογιστή CPU σύμφωνα με τις προδιαγραφές της CPU. Δεν συνιστάται η ρύθμιση της συχνότητας διαύλου συστήματος πέρα από τις προδιαγραφές του υλικού, καθώς δεν πληροί τις τυπικές απαιτήσεις για τα περιφερειακά. Εάν επιθυμείτε να ρυθμίσετε τη συχνότητα πέρα από τις τυπικές προδιαγραφές, κάντε το σύμφωνα με τις προδιαγραφές του υλικού σας, συμπεριλαμβανομένης της CPU, της κάρτας γραφικών, της μνήμης, του σκληρού δίσκου κ.λπ.
Εγκατάσταση της CPU
Εντοπίστε τα κλειδιά ευθυγράμμισης στην υποδοχή CPU της μητρικής πλακέτας και τις εγκοπές στην CPU.

Μην αφαιρέσετε το κάλυμμα της υποδοχής CPU πριν εισαγάγετε την CPU. Ενδέχεται να ξεκολλήσει αυτόματα από την πλάκα φορτίου κατά τη διαδικασία επανασύνδεσης του μοχλού μετά την εισαγωγή της CPU.
Εγκατάσταση της μνήμης
Διαβάστε τις ακόλουθες οδηγίες πριν ξεκινήσετε την εγκατάσταση της μνήμης:
- Βεβαιωθείτε ότι η μητρική πλακέτα υποστηρίζει τη μνήμη. Συνιστάται η χρήση μνήμης ίδιας χωρητικότητας, μάρκας, ταχύτητας και chip. (Μεταβείτε στον ιστότοπο της GIGABYTE για τις πιο πρόσφατες υποστηριζόμενες ταχύτητες μνήμης και μονάδες μνήμης.)
- Να απενεργοποιείτε πάντα τον υπολογιστή και να αποσυνδέετε το καλώδιο τροφοδοσίας από την πρίζα πριν από την εγκατάσταση της μνήμης για να αποφύγετε ζημιά στο υλικό.
- Οι μονάδες μνήμης έχουν αδιάβροχο σχέδιο. Μια μονάδα μνήμης μπορεί να εγκατασταθεί μόνο προς μία κατεύθυνση. Εάν δεν μπορείτε να εισαγάγετε τη μνήμη, αλλάξτε την κατεύθυνση.
Διαμόρφωση μνήμης διπλού καναλιού
Αυτή η μητρική πλακέτα παρέχει δύο υποδοχές μνήμης και υποστηρίζει τεχνολογία διπλού καναλιού. Μετά την εγκατάσταση της μνήμης, το BIOS θα εντοπίσει αυτόματα τις προδιαγραφές και τη χωρητικότητα της μνήμης. Η ενεργοποίηση της λειτουργίας μνήμης διπλού καναλιού θα διπλασιάσει το αρχικό εύρος ζώνης μνήμης.
Οι δύο υποδοχές μνήμης χωρίζονται σε δύο κανάλια και κάθε κανάλι έχει μία υποδοχή μνήμης ως εξής:
- Κανάλι A: DDR4_A1
- Κανάλι B: DDR4_B1
Επισκεφθείτε τον ιστότοπο της GIGABYTE για λεπτομέρειες σχετικά με την εγκατάσταση υλικού.
Λόγω των περιορισμών της CPU, διαβάστε τις ακόλουθες οδηγίες πριν εγκαταστήσετε τη μνήμη σε λειτουργία διπλού καναλιού.
- Η λειτουργία διπλού καναλιού δεν μπορεί να ενεργοποιηθεί εάν είναι εγκατεστημένη μόνο μία μονάδα μνήμης.
- Όταν ενεργοποιείτε τη λειτουργία διπλού καναλιού με δύο μονάδες μνήμης, συνιστάται η χρήση μνήμης ίδιας χωρητικότητας, μάρκας, ταχύτητας και chip.
Εγκατάσταση μιας κάρτας επέκτασης
Διαβάστε τις ακόλουθες οδηγίες πριν ξεκινήσετε την εγκατάσταση μιας κάρτας επέκτασης:
- Βεβαιωθείτε ότι η μητρική πλακέτα υποστηρίζει την κάρτα επέκτασης. Διαβάστε προσεκτικά το εγχειρίδιο που συνοδεύει την κάρτα επέκτασης.
- Να απενεργοποιείτε πάντα τον υπολογιστή και να αποσυνδέετε το καλώδιο τροφοδοσίας από την πρίζα πριν από την εγκατάσταση μιας κάρτας επέκτασης για να αποφύγετε ζημιά στο υλικό.
Συνδέσεις πίσω πλαισίου

- Θύρα USB 3.2 Gen 2 Type-A (κόκκινη)
Η θύρα USB 3.2 Gen 2 υποστηρίζει την προδιαγραφή USB 3.2 Gen 2 και είναι συμβατή με την προδιαγραφή USB 3.2 Gen 1 και USB 2.0. Χρησιμοποιήστε αυτήν τη θύρα για συσκευές USB. - Θύρα USB Type-C®
Η αναστρέψιμη θύρα USB υποστηρίζει την προδιαγραφή USB 3.2 Gen 1 και είναι συμβατή με την προδιαγραφή USB 2.0. Χρησιμοποιήστε αυτήν τη θύρα για συσκευές USB. - Θύρα USB 2.0/1.1 (θύρα Q-Flash Plus)
Η θύρα USB υποστηρίζει την προδιαγραφή USB 2.0/1.1. Χρησιμοποιήστε αυτήν τη θύρα για συσκευές USB. Πριν χρησιμοποιήσετε το Q-Flash Plus (Σημείωση), βεβαιωθείτε ότι έχετε εισαγάγει πρώτα τη μονάδα flash USB σε αυτήν τη θύρα. - Θύρα USB 2.0/1.1
Η θύρα USB υποστηρίζει την προδιαγραφή USB 2.0/1.1. Χρησιμοποιήστε αυτήν τη θύρα για συσκευές USB. - Θύρα USB 3.2 Gen 1
Η θύρα USB 3.2 Gen 1 υποστηρίζει την προδιαγραφή USB 3.2 Gen 1 και είναι συμβατή με την προδιαγραφή USB 2.0. Χρησιμοποιήστε αυτήν τη θύρα για συσκευές USB. - DisplayPort
Η DisplayPort παρέχει ψηφιακή απεικόνιση και ήχο υψηλής ποιότητας, υποστηρίζοντας αμφίδρομη μετάδοση ήχου. Η DisplayPort μπορεί να υποστηρίξει μηχανισμούς προστασίας περιεχομένου HDCP 2.3. Μπορείτε να χρησιμοποιήσετε αυτήν τη θύρα για να συνδέσετε την οθόνη που υποστηρίζει DisplayPort. Σημείωση: Η τεχνολογία DisplayPort μπορεί να υποστηρίξει μέγιστη ανάλυση 4096x2304@60 Hz, αλλά οι πραγματικές υποστηριζόμενες αναλύσεις εξαρτώνται από την οθόνη που χρησιμοποιείται. - Θύρα HDMI
![]()
Η θύρα HDMI υποστηρίζει μορφές HDCP 2.3 και Dolby TrueHD και DTS HD Master Audio. Υποστηρίζει επίσης έξοδο ήχου LPCM 7.1 καναλιών έως 192 KHz/16 bit. Μπορείτε να χρησιμοποιήσετε αυτήν τη θύρα για να συνδέσετε την οθόνη που υποστηρίζει HDMI. Η μέγιστη υποστηριζόμενη ανάλυση είναι 4096x2160@60 Hz, αλλά οι πραγματικές υποστηριζόμενες αναλύσεις εξαρτώνται από την οθόνη που χρησιμοποιείται.
Μετά την εγκατάσταση της συσκευής HDMI/DisplayPort, φροντίστε να ορίσετε την προεπιλεγμένη συσκευή αναπαραγωγής ήχου σε HDMI/DisplayPort. (Το όνομα στοιχείου μπορεί να διαφέρει ανάλογα με το λειτουργικό σας σύστημα.)
(Σημείωση) Για να ενεργοποιήσετε τη λειτουργία Q-Flash Plus, επισκεφθείτε την ιστοσελίδα "Μοναδικά χαρακτηριστικά" του ιστότοπου της GIGABYTE. - Κουμπί Q-Flash Plus(Σημείωση)
Το Q-Flash Plus σάς επιτρέπει να ενημερώσετε το BIOS όταν το σύστημά σας είναι απενεργοποιημένο (κατάσταση τερματισμού λειτουργίας S5). Αποθηκεύστε το πιο πρόσφατο BIOS σε μια μονάδα USB και συνδέστε το στη θύρα Q-Flash Plus και, στη συνέχεια, μπορείτε να αναβοσβήνετε αυτόματα το BIOS απλώς πατώντας το κουμπί Q-Flash Plus. Το QFLED θα αναβοσβήνει όταν ξεκινήσουν οι δραστηριότητες αντιστοίχισης και αναβοσβήνει το BIOS και θα σταματήσει να αναβοσβήνει όταν ολοκληρωθεί το κύριο αναβοσβήνει του BIOS. - Θύρα RJ-45 LAN
Η θύρα Gigabit Ethernet LAN παρέχει σύνδεση στο Internet με ταχύτητα δεδομένων έως 2,5 Gbps. Τα παρακάτω περιγράφουν τις καταστάσεις των LED της θύρας LAN.
![]()
LED σύνδεσης/ταχύτητας:
LED δραστηριότητας:Κατάσταση Περιγραφή Πράσινο Ταχύτητα δεδομένων 2,5 Gbps Πορτοκαλί Ταχύτητα δεδομένων 1 Gbps Απενεργοποίηση Ταχύτητα δεδομένων 100 Mbps Κατάσταση Περιγραφή Αναβοσβήνει Εκτελείται μετάδοση ή λήψη δεδομένων Ενεργοποίηση Δεν εκτελείται μετάδοση ή λήψη δεδομένων - Συνδέσεις κεραίας SMA (2T2R)
Χρησιμοποιήστε αυτήν τη σύνδεση για να συνδέσετε μια κεραία.
Σφίξτε τις κεραίες στις συνδέσεις της κεραίας και, στη συνέχεια, στοχεύστε σωστά τις κεραίες για καλύτερη λήψη σήματος.
- Είσοδος γραμμής/Έξοδος πίσω ηχείου
Η υποδοχή εισόδου γραμμής. Χρησιμοποιήστε αυτήν την υποδοχή ήχου για συσκευές εισόδου γραμμής, όπως μια μονάδα οπτικού δίσκου, walkman κ.λπ. - Έξοδος γραμμής/Έξοδος μπροστινού ηχείου
Η υποδοχή εξόδου γραμμής. Αυτή η υποδοχή υποστηρίζει λειτουργία ενίσχυσης ήχου. Για καλύτερη ποιότητα ήχου, συνιστάται να συνδέσετε τα ακουστικά/ηχεία σας σε αυτήν την υποδοχή (τα πραγματικά εφέ ενδέχεται να διαφέρουν ανάλογα με τη συσκευή που χρησιμοποιείται). - Είσοδος μικροφώνου/Έξοδος ηχείου κέντρου/υπογούφερ
Η υποδοχή εισόδου μικροφώνου.
Διαμορφώσεις υποδοχής ήχου:
| Υποδοχή | Ακουστικά/2 καναλιών | 4 καναλιών | 5.1 καναλιών | 7.1 καναλιών |
| ✓ | ✓ | ✓ | |
| ✓ | ✓ | ✓ | ✓ |
| ✓ | ✓ | ||
| Έξοδος γραμμής μπροστινού πλαισίου/Έξοδος πλευρικού ηχείου | ✓ |
- Μπορείτε να αλλάξετε τη λειτουργικότητα μιας υποδοχής ήχου χρησιμοποιώντας το λογισμικό ήχου.
- Για να διαμορφώσετε ήχο 7.1 καναλιών, πρέπει να ανοίξετε το λογισμικό ήχου και να επιλέξετε Ρυθμίσεις για προχωρημένους συσκευής > Συσκευή αναπαραγωγής για να αλλάξετε πρώτα την προεπιλεγμένη ρύθμιση.
- Όταν αφαιρείτε το καλώδιο που είναι συνδεδεμένο σε μια σύνδεση πίσω πλαισίου, αφαιρέστε πρώτα το καλώδιο από τη συσκευή σας και, στη συνέχεια, αφαιρέστε το από τη μητρική πλακέτα.
- Όταν αφαιρείτε το καλώδιο, τραβήξτε το ευθεία έξω από τη σύνδεση. Μην το κουνάτε από τη μία πλευρά στην άλλη για να αποφύγετε ένα ηλεκτρικό βραχυκύκλωμα μέσα στη σύνδεση του καλωδίου.
(Σημείωση) Για να ενεργοποιήσετε τη λειτουργία Q-Flash Plus, επισκεφθείτε την ιστοσελίδα "Μοναδικά χαρακτηριστικά" του ιστότοπου της GIGABYTE.
Επισκεφθείτε τον ιστότοπο της GIGABYTE για λεπτομέρειες σχετικά με τη διαμόρφωση του λογισμικού ήχου.
Εσωτερικές Συνδέσεις

- ATX_12V_2X4
- ATX
- CPU_FAN
- SYS_FAN1/2
- D_LED
- LED_C
- SATA3 2/3/4/5
- M2A_CPU/M2P_SB(Σημείωση)
- F_AUDIO
- F_PANEL
- SPEAKER
- F_U32G1
- F_U32CG1
- F_USB1
- CI
- CLR_CMOS
- BAT
(Σημείωση) Ο σύνδεσμος M2P_SB βρίσκεται στο πίσω μέρος της μητρικής πλακέτας.
Διαβάστε τις ακόλουθες οδηγίες πριν συνδέσετε εξωτερικές συσκευές:
- Αρχικά, βεβαιωθείτε ότι οι συσκευές σας συμμορφώνονται με τις υποδοχές που θέλετε να συνδέσετε.
- Πριν εγκαταστήσετε τις συσκευές, φροντίστε να απενεργοποιήσετε τις συσκευές και τον υπολογιστή σας. Αποσυνδέστε το καλώδιο τροφοδοσίας από την πρίζα για να αποφύγετε ζημιά στις συσκευές.
- Αφού εγκαταστήσετε τη συσκευή και πριν ενεργοποιήσετε τον υπολογιστή, βεβαιωθείτε ότι το καλώδιο της συσκευής έχει συνδεθεί με ασφάλεια στην υποδοχή της μητρικής πλακέτας.
ATX_12V_2X4/ATX (Υποδοχή Τροφοδοσίας 2x4 12V και Υποδοχή Κύριας Τροφοδοσίας 2x12)
Με τη χρήση της υποδοχής τροφοδοσίας, το τροφοδοτικό μπορεί να παρέχει αρκετή σταθερή ισχύ σε όλα τα εξαρτήματα της μητρικής πλακέτας. Πριν συνδέσετε την υποδοχή τροφοδοσίας, βεβαιωθείτε πρώτα ότι το τροφοδοτικό είναι απενεργοποιημένο και ότι όλες οι συσκευές είναι σωστά εγκατεστημένες. Η υποδοχή τροφοδοσίας διαθέτει αδιάβροχο σχεδιασμό. Συνδέστε το καλώδιο τροφοδοσίας στην υποδοχή τροφοδοσίας με τον σωστό προσανατολισμό.
Η υποδοχή τροφοδοσίας 12V τροφοδοτεί κυρίως την CPU. Εάν η υποδοχή τροφοδοσίας 12V δεν είναι συνδεδεμένη, ο υπολογιστής δεν θα ξεκινήσει.
Για να ικανοποιήσετε τις απαιτήσεις επέκτασης, συνιστάται η χρήση ενός τροφοδοτικού που να μπορεί να αντέξει υψηλή κατανάλωση ενέργειας (500W ή μεγαλύτερη). Εάν χρησιμοποιηθεί τροφοδοτικό που δεν παρέχει την απαιτούμενη ισχύ, το αποτέλεσμα μπορεί να οδηγήσει σε ένα ασταθές ή μη εκκινήσιμο σύστημα.
ATX_12V_2X4

| Αρ. ακροδέκτη | Ορισμός |
| 1 | GND (Μόνο για 2x4 ακίδες 12V) |
| 2 | GND (Μόνο για 2x4 ακίδες 12V) |
| 3 | GND |
| 4 | GND |
| 5 | +12V (Μόνο για 2x4 ακίδες 12V) |
| 6 | +12V (Μόνο για 2x4 ακίδες 12V) |
| 7 | +12V |
| 8 | +12V |
ATX

| Αρ. ακροδέκτη | Ορισμός |
| 1 | 3.3V |
| 2 | 3.3V |
| 3 | GND |
| 4 | +5V |
| 5 | GND |
| 6 | +5V |
| 7 | GND |
| 8 | Power Good |
| 9 | 5VSB (stand by +5V) |
| 10 | +12V |
| 11 | +12V (Μόνο για 2x12 ακίδες ATX) |
| 12 | 3.3V (Μόνο για 2x12 ακίδες ATX) |
| 13 | 3.3V |
| 14 | -12V |
| 15 | GND |
| 16 | PS_ON (soft On/Off) |
| 17 | GND |
| 18 | GND |
| 19 | GND |
| 20 | NC |
| 21 | +5V |
| 22 | +5V |
| 23 | +5V (Μόνο για 2x12 ακίδες ATX) |
| 24 | GND (Μόνο για 2x12 ακίδες ATX) |
CPU_FAN/SYS_FAN1/2 (Κεφαλίδες Ανεμιστήρα)
Όλες οι κεφαλίδες ανεμιστήρα σε αυτήν τη μητρική πλακέτα είναι 4 ακίδων. Οι περισσότερες κεφαλίδες ανεμιστήρα διαθέτουν αδιάβροχο σχεδιασμό εισαγωγής. Όταν συνδέετε ένα καλώδιο ανεμιστήρα, φροντίστε να το συνδέσετε με τον σωστό προσανατολισμό (το μαύρο καλώδιο σύνδεσης είναι το καλώδιο γείωσης). Η λειτουργία ελέγχου ταχύτητας απαιτεί τη χρήση ανεμιστήρα με σχεδίαση ελέγχου ταχύτητας ανεμιστήρα. Για βέλτιστη απαγωγή θερμότητας, συνιστάται να εγκατασταθεί ένας ανεμιστήρας συστήματος μέσα στο περίβλημα.
| Αρ. ακροδέκτη | Ορισμός |
| 1 | GND |
| 2 | Έλεγχος Ταχύτητας Τάσης |
| 3 | Αίσθηση |
| 4 | Έλεγχος Ταχύτητας PWM |

| Σύνδεσμος | CPU_FAN | SYS_FAN1/2 |
| Μέγιστο Ρεύμα | 2A | 2A |
| Μέγιστη Ισχύς | 24W | 24W |
- Βεβαιωθείτε ότι έχετε συνδέσει τα καλώδια του ανεμιστήρα στις κεφαλίδες του ανεμιστήρα για να αποτρέψετε την υπερθέρμανση της CPU και του συστήματός σας. Η υπερθέρμανση μπορεί να προκαλέσει ζημιά στην CPU ή το σύστημα μπορεί να κολλήσει.
- Αυτές οι κεφαλίδες ανεμιστήρα δεν είναι μπλοκ βραχυκυκλωτήρα διαμόρφωσης. Μην τοποθετείτε ένα καπάκι βραχυκυκλωτήρα στις κεφαλίδες.
D_LED (Διευθυνσιοδοτήσιμη Κεφαλίδα Λωρίδας LED)
Η κεφαλίδα μπορεί να χρησιμοποιηθεί για τη σύνδεση μιας τυπικής διευθυνσιοδοτήσιμης λωρίδας LED 5050, με μέγιστη ονομαστική ισχύ 5A (5V) και μέγιστο αριθμό 1000 LED.

| Αρ. ακροδέκτη | Ορισμός |
| 1 | V (5V) |
| 2 | Δεδομένα |
| 3 | Χωρίς ακροδέκτη |
| 4 | GND |
Συνδέστε την διευθυνσιοδοτήσιμη λωρίδα LED στην κεφαλίδα. Ο ακροδέκτης τροφοδοσίας (που επισημαίνεται με ένα τρίγωνο στο βύσμα) της λωρίδας LED πρέπει να συνδεθεί στον ακροδέκτη 1 της διευθυνσιοδοτήσιμης κεφαλίδας λωρίδας LED. Η λανθασμένη σύνδεση μπορεί να οδηγήσει σε ζημιά της λωρίδας LED.
LED_C (Κεφαλίδα Λωρίδας RGB LED)
Η κεφαλίδα μπορεί να χρησιμοποιηθεί για τη σύνδεση μιας τυπικής λωρίδας RGB LED 5050 (12V/G/R/B), με μέγιστη ονομαστική ισχύ 2A (12V) και μέγιστο μήκος 2m.

| Αρ. ακροδέκτη | Ορισμός |
| 1 | 12V |
| 2 | G |
| 3 | R |
| 4 | B |
Συνδέστε το ένα άκρο του καλωδίου επέκτασης RGB LED στην κεφαλίδα και το άλλο άκρο στη λωρίδα RGB LED. Το μαύρο καλώδιο (που επισημαίνεται με ένα τρίγωνο στο βύσμα) του καλωδίου επέκτασης πρέπει να συνδεθεί στον ακροδέκτη 1 (12V) αυτής της κεφαλίδας. Ο ακροδέκτης 12V (που επισημαίνεται με ένα βέλος) στο άλλο άκρο του καλωδίου επέκτασης πρέπει να είναι ευθυγραμμισμένος με τα 12V της λωρίδας LED. Να είστε προσεκτικοί με τον προσανατολισμό σύνδεσης της λωρίδας LED. Η λανθασμένη σύνδεση μπορεί να οδηγήσει σε ζημιά της λωρίδας LED.
Για το πώς να ενεργοποιήσετε/απενεργοποιήσετε τα φώτα της λωρίδας LED, επισκεφθείτε την ιστοσελίδα "Μοναδικά Χαρακτηριστικά" του ιστότοπου της GIGABYTE.
Πριν εγκαταστήσετε τις συσκευές, φροντίστε να απενεργοποιήσετε τις συσκευές και τον υπολογιστή σας. Αποσυνδέστε το καλώδιο τροφοδοσίας από την πρίζα για να αποφύγετε ζημιά στις συσκευές.
SATA3 2/3/4/5 (Συνδέσεις SATA 6Gb/s)
Οι υποδοχές SATA συμμορφώνονται με το πρότυπο SATA 6Gb/s και είναι συμβατές με τα πρότυπα SATA 3Gb/s και SATA 1.5Gb/s. Κάθε υποδοχή SATA υποστηρίζει μια μόνο συσκευή SATA.

| Αρ. ακροδέκτη | Ορισμός |
| 1 | GND |
| 2 | TXP |
| 3 | TXN |
| 4 | GND |
| 5 | RXN |
| 6 | RXP |
| 7 | GND |
Για να ενεργοποιήσετε τη σύνδεση εν ώρα λειτουργίας για τις θύρες SATA, ανατρέξτε στην ενότητα "BIOS Setup", "Settings\IO Ports\ SATA And RST Configuration", για περισσότερες πληροφορίες.
M2A_CPU(Σημείωση 1)/M2P_SB(Σημείωση 2) (Υποδοχές M.2 Socket 3)
Η υποδοχή M.2 υποστηρίζει M.2 SATA SSD ή M.2 PCIe SSD.

Ακολουθήστε τα παρακάτω βήματα για να εγκαταστήσετε σωστά ένα M.2 SSD στην υποδοχή M.2.
Βήμα 1:
Εντοπίστε την υποδοχή M.2 όπου θα εγκαταστήσετε το M.2 SSD, χρησιμοποιήστε ένα κατσαβίδι για να ξεβιδώσετε τη βίδα στην ψύκτρα και, στη συνέχεια, αφαιρέστε την ψύκτρα (Μόνο η υποδοχή M2A_CPU έχει την ψύκτρα). Αφαιρέστε την προστατευτική μεμβράνη από το θερμοαγώγιμο επίθεμα στην υποδοχή M.2.
Βήμα 2:
Εντοπίστε την κατάλληλη οπή στερέωσης με βάση το μήκος της μονάδας M.2 SSD. Εάν είναι απαραίτητο, μετακινήστε το στήριγμα στην επιθυμητή οπή στερέωσης. Εισαγάγετε το M.2 SSD στην υποδοχή M.2 υπό γωνία.
Βήμα 3:
Πιέστε το M.2 SSD προς τα κάτω και, στη συνέχεια, χρησιμοποιήστε τη βίδα που περιλαμβάνεται για να το ασφαλίσετε στην υποδοχή. Αντικαταστήστε την ψύκτρα και ασφαλίστε την στην αρχική οπή. Αφαιρέστε την προστατευτική μεμβράνη από το κάτω μέρος της ψύκτρας πριν αντικαταστήσετε την ψύκτρα.
(Σημείωση 1) Υποστηρίζεται μόνο από επεξεργαστές 11ης γενιάς.
(Σημείωση 2) Ο σύνδεσμος M2P_SB βρίσκεται στο πίσω μέρος της μητρικής πλακέτας.
F_AUDIO (Επικεφαλίδα ήχου μπροστινού πλαισίου)
Η επικεφαλίδα ήχου μπροστινού πλαισίου υποστηρίζει ήχο High Definition (HD). Μπορείτε να συνδέσετε την μονάδα ήχου μπροστινού πλαισίου του πλαισίου σας σε αυτήν την επικεφαλίδα. Βεβαιωθείτε ότι οι αντιστοιχίσεις καλωδίων του συνδετήρα της μονάδας ταιριάζουν με τις αντιστοιχίσεις ακίδων της επικεφαλίδας της μητρικής πλακέτας. Η εσφαλμένη σύνδεση μεταξύ του συνδετήρα της μονάδας και της επικεφαλίδας της μητρικής πλακέτας θα καταστήσει τη συσκευή ανίκανη να λειτουργήσει ή ακόμα και θα την καταστρέψει.

| Αριθμός ακίδας | Ορισμός |
| 1 | MIC2_L |
| 2 | GND |
| 3 | MIC2_R |
| 4 | NC |
| 5 | LINE2_R |
| 6 | Sense |
| 7 | FAUDIO_JD |
| 8 | No Pin |
| 9 | LINE2_L |
| 10 | Sense |
Ορισμένα πλαίσια παρέχουν μια μονάδα ήχου μπροστινού πλαισίου που διαθέτει ξεχωριστούς συνδετήρες σε κάθε καλώδιο αντί για ένα μόνο βύσμα. Για πληροφορίες σχετικά με τη σύνδεση της μονάδας ήχου μπροστινού πλαισίου που έχει διαφορετικές αντιστοιχίσεις καλωδίων, επικοινωνήστε με τον κατασκευαστή του πλαισίου.
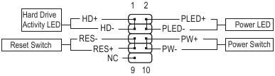
F_PANEL (Επικεφαλίδα μπροστινού πλαισίου)
Συνδέστε το διακόπτη τροφοδοσίας, το διακόπτη επαναφοράς και την ένδειξη κατάστασης συστήματος στο πλαίσιο σε αυτήν την επικεφαλίδα σύμφωνα με τις αντιστοιχίσεις ακίδων που ακολουθούν. Σημειώστε τις θετικές και αρνητικές ακίδες πριν συνδέσετε τα καλώδια.

- PLED (Power LED):
Κατάσταση συστήματος LED S0 Ενεργοποιημένο S3/S4/S5 Απενεργοποιημένο
Συνδέεται με την ένδειξη κατάστασης τροφοδοσίας στην μπροστινή όψη του πλαισίου. Η λυχνία LED είναι αναμμένη όταν το σύστημα λειτουργεί. Η λυχνία LED είναι σβηστή όταν το σύστημα βρίσκεται σε κατάσταση αναστολής λειτουργίας S3/S4 ή απενεργοποιημένο (S5).
- PW (Διακόπτης τροφοδοσίας):
Συνδέεται με το διακόπτη τροφοδοσίας στην μπροστινή όψη του πλαισίου. Μπορείτε να διαμορφώσετε τον τρόπο απενεργοποίησης του συστήματός σας χρησιμοποιώντας το διακόπτη τροφοδοσίας (ανατρέξτε στην ενότητα "BIOS Setup", "Settings\Platform Power", για περισσότερες πληροφορίες). - HD (LED δραστηριότητας σκληρού δίσκου):
Συνδέεται με τη λυχνία LED δραστηριότητας σκληρού δίσκου στην μπροστινή όψη του πλαισίου. Η λυχνία LED είναι αναμμένη όταν ο σκληρός δίσκος διαβάζει ή γράφει δεδομένα. - RES (Διακόπτης επαναφοράς):
Συνδέεται με το διακόπτη επαναφοράς στην μπροστινή όψη του πλαισίου. Πατήστε το διακόπτη επαναφοράς για να επανεκκινήσετε τον υπολογιστή εάν ο υπολογιστής "παγώσει" και δεν καταφέρει να εκτελέσει μια κανονική επανεκκίνηση. - NC: Καμία σύνδεση.
Ο σχεδιασμός του μπροστινού πλαισίου ενδέχεται να διαφέρει ανάλογα με το πλαίσιο. Μια μονάδα μπροστινού πλαισίου αποτελείται κυρίως από το διακόπτη τροφοδοσίας, το διακόπτη επαναφοράς, τη λυχνία LED τροφοδοσίας, τη λυχνία LED δραστηριότητας του σκληρού δίσκου κ.λπ. Όταν συνδέετε τη μονάδα μπροστινού πλαισίου του πλαισίου σας σε αυτήν την επικεφαλίδα, βεβαιωθείτε ότι οι αντιστοιχίσεις καλωδίων και οι αντιστοιχίσεις ακίδων ταιριάζουν σωστά.
SPEAKER (Επικεφαλίδα ηχείου)
Το σύστημα αναφέρει την κατάσταση εκκίνησης του συστήματος εκδίδοντας έναν κωδικό ηχητικού σήματος. Ένα μονό σύντομο ηχητικό σήμα θα ακουστεί εάν δεν εντοπιστεί κανένα πρόβλημα κατά την εκκίνηση του συστήματος. Αυτή η επικεφαλίδα μπορεί επίσης να παρέχει έξοδο ήχου στο λειτουργικό σύστημα.

| Αριθμός ακίδας | Ορισμός |
| 1 | SPK+ |
| 2 | SPK- |
F_U32G1 (Επικεφαλίδα USB 3.2 Gen 1)
Η επικεφαλίδα συμμορφώνεται με τις προδιαγραφές USB 3.2 Gen 1 και USB 2.0 και μπορεί να παρέχει δύο θύρες USB. Για την αγορά του προαιρετικού μπροστινού πλαισίου 3,5" που παρέχει δύο θύρες USB 3.2 Gen 1, επικοινωνήστε με τον τοπικό αντιπρόσωπο.

| Αριθμός ακίδας | Ορισμός |
| 1 | VBUS |
| 2 | SSRX1- |
| 3 | SSRX1+ |
| 4 | GND |
| 5 | SSTX1- |
| 6 | SSTX1+ |
| 7 | GND |
| 8 | D1- |
| 9 | D1+ |
| 10 | NC |
| 11 | D2+ |
| 12 | D2- |
| 13 | GND |
| 14 | SSTX2+ |
| 15 | SSTX2- |
| 16 | GND |
| 17 | SSRX2+ |
| 18 | SSRX2- |
| 19 | VBUS |
| 20 | No Pin |
F_U32CG1 (Επικεφαλίδα USB Type-C® με υποστήριξη USB 3.2 Gen 1)
Η επικεφαλίδα συμμορφώνεται με τις προδιαγραφές USB 3.2 Gen 1 και μπορεί να παρέχει μία θύρα USB.

| Αριθμός ακίδας | Ορισμός |
| 1 | VBUS |
| 2 | TX1+ |
| 3 | TX1- |
| 4 | GND |
| 5 | RX1+ |
| 6 | RX1- |
| 7 | VBUS |
| 8 | CC1 |
| 9 | SBU1 |
| 10 | SBU2 |
| 11 | VBUS |
| 12 | TX2+ |
| 13 | TX2- |
| 14 | GND |
| 15 | RX2+ |
| 16 | RX2- |
| 17 | GND |
| 18 | D- |
| 19 | D+ |
| 20 | CC2 |
F_USB1 (Επικεφαλίδα USB 2.0/1.1)
Η επικεφαλίδα συμμορφώνεται με τις προδιαγραφές USB 2.0/1.1. Κάθε επικεφαλίδα USB μπορεί να παρέχει δύο θύρες USB μέσω μιας προαιρετικής βάσης στήριξης USB. Για την αγορά της προαιρετικής βάσης στήριξης USB, επικοινωνήστε με τον τοπικό αντιπρόσωπο.

| Αριθμός ακίδας | Ορισμός |
| 1 | Τροφοδοσία (5V) |
| 2 | Τροφοδοσία (5V) |
| 3 | USB DX- |
| 4 | USB DY- |
| 5 | USB DX+ |
| 6 | USB DY+ |
| 7 | GND |
| 8 | GND |
| 9 | No Pin |
| 10 | NC |
- Μην συνδέσετε το καλώδιο της βάσης στήριξης IEEE 1394 (2x5-pin) στην επικεφαλίδα USB 2.0/1.1.
- Πριν εγκαταστήσετε τη βάση στήριξης USB, φροντίστε να απενεργοποιήσετε τον υπολογιστή σας και να αποσυνδέσετε το καλώδιο τροφοδοσίας από την πρίζα για να αποφύγετε την πρόκληση ζημιάς στη βάση στήριξης USB.
CI (Επικεφαλίδα ανίχνευσης εισβολής πλαισίου)
Αυτή η μητρική πλακέτα παρέχει μια λειτουργία ανίχνευσης πλαισίου που ανιχνεύει εάν έχει αφαιρεθεί το κάλυμμα του πλαισίου. Αυτή η λειτουργία απαιτεί ένα πλαίσιο με σχεδίαση ανίχνευσης εισβολής πλαισίου.

| Αριθμός ακίδας | Ορισμός |
| 1 | Σήμα |
| 2 | GND |
CLR_CMOS (Jumper εκκαθάρισης CMOS)
Χρησιμοποιήστε αυτό το βραχυκυκλωτήρα για να εκκαθαρίσετε τη διαμόρφωση του BIOS και να επαναφέρετε τις τιμές CMOS στις εργοστασιακές προεπιλογές. Για να εκκαθαρίσετε τις τιμές CMOS, χρησιμοποιήστε ένα μεταλλικό αντικείμενο, όπως ένα κατσαβίδι, για να αγγίξετε τις δύο ακίδες για μερικά δευτερόλεπτα.
Open: Normal (Ανοιχτό: Κανονικό)

Short: Clear CMOS Values (Κλειστό: Εκκαθάριση τιμών CMOS)

- Να απενεργοποιείτε πάντα τον υπολογιστή σας και να αποσυνδέετε το καλώδιο τροφοδοσίας από την πρίζα πριν από την εκκαθάριση των τιμών CMOS.
- Μετά την επανεκκίνηση του συστήματος, μεταβείτε στο BIOS Setup για να φορτώσετε τις εργοστασιακές προεπιλογές (επιλέξτε Load Optimized Defaults (Φόρτωση βελτιστοποιημένων προεπιλογών)) ή να διαμορφώσετε χειροκίνητα τις ρυθμίσεις του BIOS (ανατρέξτε στην ενότητα "BIOS Setup", για διαμορφώσεις BIOS).
BAT (Μπαταρία)
Η μπαταρία παρέχει ρεύμα για να διατηρεί τις τιμές (όπως τις διαμορφώσεις του BIOS, την ημερομηνία και τις πληροφορίες ώρας) στην CMOS όταν ο υπολογιστής είναι απενεργοποιημένος. Αντικαταστήστε την μπαταρία όταν η τάση της μπαταρίας πέσει σε χαμηλό επίπεδο, διαφορετικά οι τιμές της CMOS ενδέχεται να μην είναι ακριβείς ή να χαθούν.

| Αρ. ακροδέκτη | Ορισμός |
| 1 (+) | Τροφοδοσία RTC |
| 2 (-) | GND |
Μπορείτε να διαγράψετε τις τιμές της CMOS αφαιρώντας την μπαταρία:
- Απενεργοποιήστε τον υπολογιστή σας και αποσυνδέστε το καλώδιο τροφοδοσίας.
- Αποσυνδέστε το καλώδιο της μπαταρίας από την υποδοχή καλωδίου της μπαταρίας και περιμένετε ένα λεπτό.
- Συνδέστε το καλώδιο της μπαταρίας.
- Συνδέστε το καλώδιο τροφοδοσίας και επανεκκινήστε τον υπολογιστή σας.
- Να απενεργοποιείτε πάντα τον υπολογιστή σας και να αποσυνδέετε το καλώδιο τροφοδοσίας πριν αντικαταστήσετε την μπαταρία.
- Αντικαταστήστε την μπαταρία με μια ισοδύναμη. Ενδέχεται να προκληθεί βλάβη στις συσκευές σας εάν η μπαταρία αντικατασταθεί με ένα εσφαλμένο μοντέλο.
- Επικοινωνήστε με το σημείο αγοράς ή τον τοπικό αντιπρόσωπο εάν δεν μπορείτε να αντικαταστήσετε την μπαταρία μόνοι σας ή δεν είστε σίγουροι για το μοντέλο της μπαταρίας.
- Οι χρησιμοποιημένες μπαταρίες πρέπει να τύχουν χειρισμού σύμφωνα με τους τοπικούς περιβαλλοντικούς κανονισμούς.
Ρύθμιση BIOS
Το BIOS (Basic Input and Output System - Βασικό Σύστημα Εισόδου και Εξόδου) καταγράφει τις παραμέτρους υλικού του συστήματος στο CMOS στη μητρική πλακέτα. Οι κύριες λειτουργίες του περιλαμβάνουν τη διεξαγωγή του Power-On Self-Test (POST) κατά την εκκίνηση του συστήματος, την αποθήκευση παραμέτρων συστήματος και τη φόρτωση του λειτουργικού συστήματος, κ.λπ. Το BIOS περιλαμβάνει ένα πρόγραμμα ρύθμισης BIOS που επιτρέπει στο χρήστη να τροποποιήσει τις βασικές ρυθμίσεις διαμόρφωσης του συστήματος ή να ενεργοποιήσει ορισμένες λειτουργίες του συστήματος.
Όταν η τροφοδοσία είναι απενεργοποιημένη, η μπαταρία στη μητρική πλακέτα παρέχει την απαραίτητη ισχύ στο CMOS για να διατηρήσει τις τιμές διαμόρφωσης στο CMOS.
Για να αποκτήσετε πρόσβαση στο πρόγραμμα ρύθμισης του BIOS, πατήστε το πλήκτρο <Delete> κατά τη διάρκεια του POST όταν ενεργοποιηθεί η τροφοδοσία.
Για να αναβαθμίσετε το BIOS, χρησιμοποιήστε είτε το GIGABYTE Q-Flash είτε το βοηθητικό πρόγραμμα @BIOS.
- Το Q-Flash επιτρέπει στο χρήστη να αναβαθμίσει ή να δημιουργήσει αντίγραφα ασφαλείας του BIOS γρήγορα και εύκολα χωρίς να εισέλθει στο λειτουργικό σύστημα.
- Το @BIOS είναι ένα βοηθητικό πρόγραμμα που βασίζεται στα Windows το οποίο αναζητά και κατεβάζει την τελευταία έκδοση του BIOS από το Διαδίκτυο και ενημερώνει το BIOS.
- Επειδή η αναβάθμιση του BIOS είναι δυνητικά επικίνδυνη, εάν δεν αντιμετωπίζετε προβλήματα χρησιμοποιώντας την τρέχουσα έκδοση του BIOS, συνιστάται να μην αναβαθμίσετε το BIOS. Για να αναβαθμίσετε το BIOS, κάντε το με προσοχή. Η ανεπαρκής αναβάθμιση του BIOS μπορεί να οδηγήσει σε δυσλειτουργία του συστήματος.
- Συνιστάται να μην αλλάξετε τις προεπιλεγμένες ρυθμίσεις (εκτός εάν χρειάζεται) για να αποτρέψετε την αστάθεια του συστήματος ή άλλα απροσδόκητα αποτελέσματα. Η ανεπαρκής αλλαγή των ρυθμίσεων μπορεί να οδηγήσει σε αποτυχία εκκίνησης του συστήματος. Εάν συμβεί αυτό, προσπαθήστε να καθαρίσετε τις τιμές CMOS και να επαναφέρετε την πλακέτα στις προεπιλεγμένες τιμές. (Ανατρέξτε στην ενότητα "Load Optimized Defaults" σε αυτό το κεφάλαιο ή στις εισαγωγές του βραχυκυκλωτήρα μπαταρίας/εκκαθάρισης CMOS για τον τρόπο εκκαθάρισης των τιμών CMOS.)
Οθόνη εκκίνησης
Η ακόλουθη οθόνη λογοτύπου εκκίνησης θα εμφανιστεί όταν εκκινείται ο υπολογιστής.

Υπάρχουν δύο διαφορετικές λειτουργίες BIOS ως εξής και μπορείτε να χρησιμοποιήσετε το πλήκτρο <F2> για να κάνετε εναλλαγή μεταξύ των δύο λειτουργιών. Η Εύκολη Λειτουργία επιτρέπει στους χρήστες να βλέπουν γρήγορα τις τρέχουσες πληροφορίες του συστήματός τους ή να κάνουν προσαρμογές για βέλτιστη απόδοση. Στην Εύκολη Λειτουργία, μπορείτε να χρησιμοποιήσετε το ποντίκι σας για να μετακινηθείτε στα στοιχεία διαμόρφωσης. Η Σύνθετη Λειτουργία παρέχει λεπτομερείς ρυθμίσεις BIOS. Μπορείτε να πατήσετε τα πλήκτρα βέλους στο πληκτρολόγιό σας για να μετακινηθείτε μεταξύ των στοιχείων και να πατήσετε <Enter> για να αποδεχτείτε ή να εισέλθετε σε ένα υπομενού. Ή μπορείτε να χρησιμοποιήσετε το ποντίκι σας για να επιλέξετε το στοιχείο που θέλετε.
- Όταν το σύστημα δεν είναι σταθερό ως συνήθως, επιλέξτε το στοιχείο Load Optimized Defaults για να ορίσετε το σύστημά σας στις προεπιλογές του.
- Τα μενού ρύθμισης BIOS που περιγράφονται σε αυτό το κεφάλαιο είναι μόνο για αναφορά και ενδέχεται να διαφέρουν ανάλογα με την έκδοση του BIOS.
Το κύριο μενού

Πλήκτρα λειτουργιών σύνθετης λειτουργίας
| <←><→> | Μετακινήστε τη γραμμή επιλογής για να επιλέξετε ένα μενού ρύθμισης |
| <↑><↓> | Μετακινήστε τη γραμμή επιλογής για να επιλέξετε ένα στοιχείο διαμόρφωσης σε ένα μενού |
| <Enter>/Διπλό κλικ | Εκτελέστε εντολή ή εισέλθετε σε ένα μενού |
| <+>/<Page Up> | Αυξήστε την αριθμητική τιμή ή κάντε αλλαγές |
| <->/<Page Down> | Μειώστε την αριθμητική τιμή ή κάντε αλλαγές |
| <F1> | Εμφάνιση περιγραφών των πλήκτρων λειτουργιών |
| <F2> | Εναλλαγή σε Εύκολη λειτουργία |
| <F3> | Αποθηκεύστε τις τρέχουσες ρυθμίσεις του BIOS σε ένα προφίλ |
| <F4> | Φορτώστε τις ρυθμίσεις του BIOS από ένα προφίλ που δημιουργήθηκε πριν |
| <F5> | Επαναφέρετε τις προηγούμενες ρυθμίσεις του BIOS για τα τρέχοντα υπομενού |
| <F6> | Εμφανίστε την οθόνη Smart Fan 6 |
| <F7> | Φορτώστε τις βελτιστοποιημένες προεπιλεγμένες ρυθμίσεις του BIOS για τα τρέχοντα υπομενού |
| <F8> | Αποκτήστε πρόσβαση στο βοηθητικό πρόγραμμα Q-Flash |
| <F10> | Αποθηκεύστε όλες τις αλλαγές και έξοδος από το πρόγραμμα ρύθμισης του BIOS |
| <F11> | Εναλλαγή στο υπομενού Αγαπημένα |
| <F12> | Αποτυπώστε την τρέχουσα οθόνη ως εικόνα και αποθηκεύστε την στη μονάδα USB |
| <Insert> | Προσθέστε ή αφαιρέστε μια αγαπημένη επιλογή |
| <Ctrl>+<S> | Εμφανίστε πληροφορίες για την εγκατεστημένη μνήμη |
| <Esc> | Κύριο μενού: Έξοδος από το πρόγραμμα ρύθμισης του BIOS Υπομενού: Έξοδος από το τρέχον υπομενού |
Smart Fan 6
Χρησιμοποιήστε το πλήκτρο λειτουργίας <F6> για να μεταβείτε γρήγορα σε αυτήν την οθόνη. Αυτή η οθόνη σάς επιτρέπει να διαμορφώσετε ρυθμίσεις που σχετίζονται με την ταχύτητα του ανεμιστήρα για κάθε κεφαλίδα ανεμιστήρα ή να παρακολουθείτε τη θερμοκρασία του συστήματος/CPU σας.

- TUNE ALL
Σας επιτρέπει να εφαρμόσετε τις τρέχουσες ρυθμίσεις σε όλες τις κεφαλίδες ανεμιστήρων. - Θερμοκρασία
Εμφανίζει την τρέχουσα θερμοκρασία της επιλεγμένης περιοχής προορισμού. - Ταχύτητα ανεμιστήρα
Εμφανίζει τις τρέχουσες ταχύτητες του ανεμιστήρα. - Ρυθμός ροής
Εμφανίζει τον ρυθμό ροής του συστήματος υδρόψυξης. Πατήστε <Enter> στο Fan Speed (Ταχύτητα ανεμιστήρα) για να αλλάξετε σε αυτήν τη λειτουργία. - Fan Speed Control (Έλεγχος ταχύτητας ανεμιστήρα)
Σας επιτρέπει να καθορίσετε εάν θα ενεργοποιήσετε τη λειτουργία ελέγχου ταχύτητας ανεμιστήρα και να ρυθμίσετε την ταχύτητα του ανεμιστήρα.- Normal
Επιτρέπει στον ανεμιστήρα να λειτουργεί σε διαφορετικές ταχύτητες ανάλογα με τη θερμοκρασία. Μπορείτε να ρυθμίσετε την ταχύτητα του ανεμιστήρα με το System Information Viewer με βάση τις απαιτήσεις του συστήματός σας. (Προεπιλογή) - Silent
Επιτρέπει στον ανεμιστήρα να λειτουργεί σε χαμηλές ταχύτητες. - Manual
Σας επιτρέπει να σύρετε τους κόμβους της καμπύλης για να ρυθμίσετε την ταχύτητα του ανεμιστήρα. Ή μπορείτε να χρησιμοποιήσετε τη λειτουργία EZ Tuning (Εύκολος συντονισμός). Αφού ρυθμίσετε τη θέση του κόμβου, πατήστε Apply (Εφαρμογή) για να υπολογίσετε αυτόματα την κλίση της καμπύλης. - Full Speed
Επιτρέπει στον ανεμιστήρα να λειτουργεί σε πλήρεις ταχύτητες.
- Normal
- Fan Control Use Temperature Input (Είσοδος θερμοκρασίας χρήσης ελέγχου ανεμιστήρα)
Σας επιτρέπει να επιλέξετε τη θερμοκρασία αναφοράς για τον έλεγχο της ταχύτητας του ανεμιστήρα. - Temperature Interval (Διάστημα θερμοκρασίας)
Σας επιτρέπει να επιλέξετε το διάστημα θερμοκρασίας για την αλλαγή της ταχύτητας του ανεμιστήρα. - FAN Control Mode (Λειτουργία ελέγχου FAN)
- Auto
Επιτρέπει στο BIOS να ανιχνεύσει αυτόματα τον τύπο του ανεμιστήρα που είναι εγκατεστημένος και ορίζει τη βέλτιστη λειτουργία ελέγχου. (Προεπιλογή) - Voltage
Η λειτουργία τάσης συνιστάται για ανεμιστήρα 3 ακίδων. - PWM
Η λειτουργία PWM συνιστάται για ανεμιστήρα 4 ακίδων.
- Auto
- FAN Stop (Διακοπή ανεμιστήρα)
Ενεργοποιεί ή απενεργοποιεί τη λειτουργία διακοπής ανεμιστήρα. Μπορείτε να ορίσετε το όριο θερμοκρασίας χρησιμοποιώντας την καμπύλη θερμοκρασίας. Ο ανεμιστήρας σταματά να λειτουργεί όταν η θερμοκρασία είναι χαμηλότερη από το όριο. (Προεπιλογή: Απενεργοποιημένο) - FAN Mode (Λειτουργία FAN)
Σας επιτρέπει να ορίσετε τη λειτουργία λειτουργίας για τον ανεμιστήρα.- Κλίση
Ρυθμίζει την ταχύτητα του ανεμιστήρα γραμμικά με βάση τη θερμοκρασία. (Προεπιλογή) - Σκάλα
Ρυθμίζει την ταχύτητα του ανεμιστήρα σταδιακά με βάση τη θερμοκρασία.
- Κλίση
- FAN Fail Warning (Προειδοποίηση αποτυχίας FAN)
Επιτρέπει στο σύστημα να εκπέμπει προειδοποιητικό ήχο εάν ο ανεμιστήρας δεν είναι συνδεδεμένος ή αποτύχει. Ελέγξτε την κατάσταση του ανεμιστήρα ή τη σύνδεση του ανεμιστήρα όταν συμβεί αυτό. (Προεπιλογή: Απενεργοποιημένο) - Save Fan Profile (Αποθήκευση προφίλ ανεμιστήρα)
Αυτή η λειτουργία σάς επιτρέπει να αποθηκεύσετε τις τρέχουσες ρυθμίσεις σε ένα προφίλ. Μπορείτε να αποθηκεύσετε το προφίλ στο BIOS ή να επιλέξετε Select File in HDD/FDD/USB (Επιλογή αρχείου σε HDD/FDD/USB) για να αποθηκεύσετε το προφίλ στη συσκευή αποθήκευσης. - Load Fan Profile (Φόρτωση προφίλ ανεμιστήρα)
Αυτή η λειτουργία σάς επιτρέπει να φορτώσετε ένα προηγουμένως αποθηκευμένο προφίλ BIOS χωρίς τις ταλαιπωρίες της επαναδιαμόρφωσης των ρυθμίσεων BIOS. Ή μπορείτε να επιλέξετε Select File in HDD/FDD/USB (Επιλογή αρχείου σε HDD/FDD/USB) για να φορτώσετε ένα προφίλ από τη συσκευή αποθήκευσης.
Αγαπημένα (F11)
Ορίστε τις επιλογές που χρησιμοποιείτε συχνά ως αγαπημένα και χρησιμοποιήστε το πλήκτρο <F11> για να μεταβείτε γρήγορα στη σελίδα όπου βρίσκονται όλες οι αγαπημένες σας επιλογές. Για να προσθέσετε ή να αφαιρέσετε μια αγαπημένη επιλογή, μεταβείτε στην αρχική της σελίδα και πατήστε <Insert> στην επιλογή. Η επιλογή επισημαίνεται με ένα σημάδι αστεριού εάν έχει οριστεί ως "αγαπημένο".

Tweaker

Το αν το σύστημα θα λειτουργήσει σταθερά με τις ρυθμίσεις υπερχρονισμού/υπέρτασης που κάνατε εξαρτάται από τις συνολικές διαμορφώσεις του συστήματός σας. Η λανθασμένη εκτέλεση υπερχρονισμού/υπέρτασης μπορεί να προκαλέσει ζημιά στην CPU, στο chipset ή στη μνήμη και να μειώσει τη ωφέλιμη διάρκεια ζωής αυτών των εξαρτημάτων. Αυτή η σελίδα είναι μόνο για προχωρημένους χρήστες και συνιστούμε να μην αλλάξετε τις προεπιλεγμένες ρυθμίσεις για να αποτρέψετε την αστάθεια του συστήματος ή άλλα απροσδόκητα αποτελέσματα. (Η ακατάλληλη αλλαγή των ρυθμίσεων μπορεί να οδηγήσει σε αποτυχία εκκίνησης του συστήματος. Εάν συμβεί αυτό, διαγράψτε τις τιμές CMOS και επαναφέρετε την πλακέτα στις προεπιλεγμένες τιμές.)
- CPU Clock Ratio
Σας επιτρέπει να αλλάξετε τον λόγο ρολογιού για την εγκατεστημένη CPU. Το ρυθμιζόμενο εύρος εξαρτάται από την CPU που είναι εγκατεστημένη. - Ring Ratio
Σας επιτρέπει να ορίσετε την αναλογία CPU Uncore. Το ρυθμιζόμενο εύρος εξαρτάται από την CPU που χρησιμοποιείται. (Προεπιλογή: Auto) - IGP Ratio(Note 1)
Σας επιτρέπει να ορίσετε την αναλογία γραφικών. (Προεπιλογή: Auto) - AVX Disable(Note 1)
Σας επιτρέπει να απενεργοποιήσετε τα σύνολα εντολών AVX σε μια CPU που υποστηρίζει AVX. (Προεπιλογή: Auto) - AVX512 Disable(Note 1)
Σας επιτρέπει να απενεργοποιήσετε τα σύνολα εντολών AVX-512 σε μια CPU που υποστηρίζει AVX-512. (Προεπιλογή: Auto)
Advanced CPU Settings
- Core Fused Max Core Ratio(Note 1)
Εμφανίζει την υψηλότερη συχνότητα κάθε πυρήνα. - CPU Over Temperature Protection (Note 1)
Σας επιτρέπει να ρυθμίσετε με ακρίβεια την τιμή μετατόπισης TJ Max. (Προεπιλογή: Auto) - FCLK Frequency for Early Power On (Note 1)
Σας επιτρέπει να ορίσετε τη συχνότητα FCLK. Οι επιλογές είναι: Normal(800Mhz), 1GHz, 400MHz. (Προεπιλογή: 1GHz) - Hyper-Threading Technology
Σας επιτρέπει να καθορίσετε εάν θα ενεργοποιήσετε την τεχνολογία multi-threading όταν χρησιμοποιείτε μια Intel® CPU που υποστηρίζει αυτήν τη λειτουργία. Αυτή η δυνατότητα λειτουργεί μόνο για λειτουργικά συστήματα που υποστηρίζουν λειτουργία πολλαπλών επεξεργαστών. Η ρύθμιση Auto επιτρέπει στο BIOS να διαμορφώσει αυτόματα αυτήν τη ρύθμιση. (Προεπιλογή: Auto) - No. of CPU Cores Enabled
Σας επιτρέπει να επιλέξετε τον αριθμό των πυρήνων CPU που θα ενεργοποιηθούν σε μια Intel® multi-core CPU (ο αριθμός των πυρήνων CPU ενδέχεται να διαφέρει ανά CPU). Η ρύθμιση Auto επιτρέπει στο BIOS να διαμορφώσει αυτόματα αυτήν τη ρύθμιση. (Προεπιλογή: Auto) - Intel(R) Speed Shift Technology (Intel® Speed Shift Technology) (Note 1)
Ενεργοποιεί ή απενεργοποιεί την Intel® Speed Shift Technology. Η ενεργοποίηση αυτής της δυνατότητας επιτρέπει στον επεξεργαστή να αυξήσει τη συχνότητα λειτουργίας του πιο γρήγορα και στη συνέχεια βελτιώνει την ανταπόκριση του συστήματος. (Προεπιλογή: Ενεργοποιημένο) - CPU Thermal Monitor (Note 1)
Ενεργοποιεί ή απενεργοποιεί τη λειτουργία Intel® Thermal Monitor, μια λειτουργία προστασίας από υπερθέρμανση της CPU. Όταν είναι ενεργοποιημένη, η συχνότητα και η τάση του πυρήνα της CPU θα μειωθούν όταν η CPU υπερθερμανθεί. Η ρύθμιση Auto επιτρέπει στο BIOS να διαμορφώσει αυτόματα αυτήν τη ρύθμιση. (Προεπιλογή: Auto) - Ring to Core offset (Down Bin)
Σας επιτρέπει να καθορίσετε εάν θα απενεργοποιήσετε τη λειτουργία αυτόματης μείωσης της αναλογίας CPU Ring. Η ρύθμιση Auto επιτρέπει στο BIOS να διαμορφώσει αυτόματα αυτήν τη ρύθμιση. (Προεπιλογή: Auto) - CPU EIST Function (Note 1)
Ενεργοποιεί ή απενεργοποιεί την Enhanced Intel® Speed Step Technology (EIST). Ανάλογα με τη φόρτωση της CPU, η τεχνολογία Intel® EIST μπορεί να μειώσει δυναμικά και αποτελεσματικά την τάση και τη συχνότητα του πυρήνα της CPU για να μειώσει τη μέση κατανάλωση ενέργειας και την παραγωγή θερμότητας. Η ρύθμιση Auto επιτρέπει στο BIOS να διαμορφώσει αυτόματα αυτήν τη ρύθμιση. (Προεπιλογή: Auto) - Race To Halt (RTH) (Note 1)/Energy Efficient Turbo (Note 1)
Ενεργοποιεί ή απενεργοποιεί τις ρυθμίσεις που σχετίζονται με την εξοικονόμηση ενέργειας της CPU. (Προεπιλογή: Auto) - Intel(R) Turbo Boost Technology (Note 1)
Σας επιτρέπει να καθορίσετε εάν θα ενεργοποιήσετε την τεχνολογία Intel® CPU Turbo Boost. Η ρύθμιση Auto επιτρέπει στο BIOS να διαμορφώσει αυτόματα αυτήν τη ρύθμιση. (Προεπιλογή: Auto) - Intel(R) Turbo Boost Max Technology 3.0 (Note 1)
Ενεργοποιεί ή απενεργοποιεί την Intel® Turbo Boost Max Technology 3.0. Η Intel® Turbo Boost Max Technology 3.0 επιτρέπει στο σύστημα να αναγνωρίσει τον καλύτερο πυρήνα απόδοσης του επεξεργαστή και σας επιτρέπει να κατευθύνετε με μη αυτόματο τρόπο τις πιο κρίσιμες φόρτους εργασίας σε αυτόν. Μπορείτε ακόμη και να ρυθμίσετε τη συχνότητα κάθε πυρήνα ξεχωριστά για βελτιστοποίηση της απόδοσης. (Προεπιλογή: Ενεργοποιημένο) - CPU Flex Ratio Override
Ενεργοποιεί ή απενεργοποιεί το CPU Flex Ratio. Η μέγιστη αναλογία ρολογιού CPU θα βασίζεται στην τιμή CPU Flex Ratio Settings εάν η CPU Clock Ratio έχει οριστεί σε Auto. (Προεπιλογή: Απενεργοποιημένο) - CPU Flex Ratio Settings
Σας επιτρέπει να ορίσετε το CPU Flex Ratio. Το ρυθμιζόμενο εύρος μπορεί να διαφέρει ανά CPU. - Frequency Clipping TVB (Note 1)
Σας επιτρέπει να ενεργοποιήσετε ή να απενεργοποιήσετε την αυτόματη μείωση συχνότητας CPU που ξεκινά από το Thermal Velocity Boost. Η ρύθμιση Auto επιτρέπει στο BIOS να διαμορφώσει αυτόματα αυτήν τη ρύθμιση. (Προεπιλογή: Auto) - Voltage reduction initiated TVB (Note 1)
Σας επιτρέπει να ενεργοποιήσετε ή να απενεργοποιήσετε την αυτόματη μείωση τάσης CPU που ξεκινά από το Thermal Velocity Boost. Η ρύθμιση Auto επιτρέπει στο BIOS να διαμορφώσει αυτόματα αυτήν τη ρύθμιση. (Προεπιλογή: Auto)
Active Turbo Ratios
- Turbo Ratio (Core Active)
Σας επιτρέπει να ορίσετε τις αναλογίες CPU Turbo για ενεργούς πυρήνες. Η ρύθμιση Auto ορίζει τις αναλογίες CPU Turbo σύμφωνα με τις προδιαγραφές της CPU. Αυτό το στοιχείο μπορεί να ρυθμιστεί μόνο όταν η Active Turbo Ratios έχει οριστεί σε Manual. (Προεπιλογή: Auto)
Per Core HT Disable Setting
- HT Disable(Note 1)
Σας επιτρέπει να καθορίσετε εάν θα απενεργοποιήσετε τη δυνατότητα HT για κάθε πυρήνα CPU. Αυτό το στοιχείο μπορεί να ρυθμιστεί μόνο όταν η Per Core HT Disable Setting έχει οριστεί σε Manual. (Προεπιλογή: Απενεργοποιημένο)
C-States Control
- CPU Enhanced Halt (C1E)
Ενεργοποιεί ή απενεργοποιεί τη λειτουργία Intel® CPU Enhanced Halt (C1E), μια λειτουργία εξοικονόμησης ενέργειας CPU σε κατάσταση διακοπής συστήματος. Όταν είναι ενεργοποιημένη, η συχνότητα και η τάση του πυρήνα της CPU θα μειωθούν κατά τη διάρκεια της κατάστασης διακοπής του συστήματος για να μειωθεί η κατανάλωση ενέργειας. Η ρύθμιση Auto επιτρέπει στο BIOS να διαμορφώσει αυτόματα αυτήν τη ρύθμιση. Αυτό το στοιχείο μπορεί να ρυθμιστεί μόνο όταν είναι ενεργοποιημένη η C-States. (Προεπιλογή: Auto) - C3 State Support (Note 1)
Σας επιτρέπει να καθορίσετε εάν θα αφήσετε την CPU να εισέλθει σε λειτουργία C3 σε κατάσταση διακοπής συστήματος. Όταν είναι ενεργοποιημένη, η συχνότητα και η τάση του πυρήνα της CPU θα μειωθούν κατά τη διάρκεια της κατάστασης διακοπής του συστήματος για να μειωθεί η κατανάλωση ενέργειας. Η κατάσταση C3 είναι μια πιο βελτιωμένη κατάσταση εξοικονόμησης ενέργειας από την C1. Η ρύθμιση Auto επιτρέπει στο BIOS να διαμορφώσει αυτόματα αυτήν τη ρύθμιση. Αυτό το στοιχείο μπορεί να ρυθμιστεί μόνο όταν είναι ενεργοποιημένη η C-States. (Προεπιλογή: Auto) - C6/C7 State Support
Σας επιτρέπει να καθορίσετε εάν θα αφήσετε την CPU να εισέλθει σε λειτουργία C6/C7 σε κατάσταση διακοπής συστήματος. Όταν είναι ενεργοποιημένη, η συχνότητα και η τάση του πυρήνα της CPU θα μειωθούν κατά τη διάρκεια της κατάστασης διακοπής του συστήματος για να μειωθεί η κατανάλωση ενέργειας. Η κατάσταση C6/C7 είναι μια πιο βελτιωμένη κατάσταση εξοικονόμησης ενέργειας από την C3. Η ρύθμιση Auto επιτρέπει στο BIOS να διαμορφώσει αυτόματα αυτήν τη ρύθμιση. Αυτό το στοιχείο μπορεί να ρυθμιστεί μόνο όταν η C-States Control έχει οριστεί σε Enabled. (Προεπιλογή: Auto) - C8 State Support (Note 1)
Σας επιτρέπει να καθορίσετε εάν θα αφήσετε την CPU να εισέλθει σε λειτουργία C8 σε κατάσταση διακοπής συστήματος. Όταν είναι ενεργοποιημένη, η συχνότητα και η τάση του πυρήνα της CPU θα μειωθούν κατά τη διάρκεια της κατάστασης διακοπής του συστήματος για να μειωθεί η κατανάλωση ενέργειας. Η κατάσταση C8 είναι μια πιο βελτιωμένη κατάσταση εξοικονόμησης ενέργειας από την C6/C7. Η ρύθμιση Auto επιτρέπει στο BIOS να διαμορφώσει αυτόματα αυτήν τη ρύθμιση. Αυτό το στοιχείο μπορεί να ρυθμιστεί μόνο όταν η C-States Control έχει οριστεί σε Enabled. (Προεπιλογή: Auto) - C10 State Support (Note 1)
Σας επιτρέπει να καθορίσετε εάν θα αφήσετε την CPU να εισέλθει σε λειτουργία C10 σε κατάσταση διακοπής συστήματος. Όταν είναι ενεργοποιημένη, η συχνότητα και η τάση του πυρήνα της CPU θα μειωθούν κατά τη διάρκεια της κατάστασης διακοπής του συστήματος για να μειωθεί η κατανάλωση ενέργειας. Η κατάσταση C10 είναι μια πιο βελτιωμένη κατάσταση εξοικονόμησης ενέργειας από την C8. Η ρύθμιση Auto επιτρέπει στο BIOS να διαμορφώσει αυτόματα αυτήν τη ρύθμιση. Αυτό το στοιχείο μπορεί να ρυθμιστεί μόνο όταν η C-States Control έχει οριστεί σε Enabled. (Προεπιλογή: Auto) - Package C State Limit (Note 1)
Σας επιτρέπει να καθορίσετε το όριο C-state για τον επεξεργαστή. Η ρύθμιση Auto επιτρέπει στο BIOS να διαμορφώσει αυτόματα αυτήν τη ρύθμιση. Αυτό το στοιχείο μπορεί να ρυθμιστεί μόνο όταν η C-States Control έχει οριστεί σε Enabled. (Προεπιλογή: Auto) - CPU Power Performance (Note 1)
Σας επιτρέπει να καθορίσετε εάν θα αυξήσετε την απόδοση της CPU. (Προεπιλογή: Auto)
Turbo Power Limits
Σας επιτρέπει να ορίσετε ένα όριο ισχύος για τη λειτουργία CPU Turbo. Όταν η κατανάλωση ενέργειας της CPU υπερβαίνει το καθορισμένο όριο ισχύος, η CPU θα μειώσει αυτόματα τη συχνότητα του πυρήνα για να μειώσει την ισχύ. Η ρύθμιση Auto ορίζει το όριο ισχύος σύμφωνα με τις προδιαγραφές της CPU. (Προεπιλογή: Auto)
- Power Limit TDP (Watts) / Power Limit Time
Σας επιτρέπει να ορίσετε το όριο ισχύος για τη λειτουργία CPU/πλατφόρμας/μνήμης Turbo και πόσο χρόνο χρειάζεται για να λειτουργήσει στο καθορισμένο όριο ισχύος. Η ρύθμιση Auto ορίζει το όριο ισχύος σύμφωνα με τις προδιαγραφές της CPU. Αυτό το στοιχείο μπορεί να ρυθμιστεί μόνο όταν η Turbo Power Limits έχει οριστεί σε Enabled. (Προεπιλογή: Auto) - Core Current Limit (Amps)
Σας επιτρέπει να ορίσετε ένα όριο ρεύματος για τη λειτουργία CPU Turbo. Όταν το ρεύμα της CPU υπερβαίνει το καθορισμένο όριο ρεύματος, η CPU θα μειώσει αυτόματα τη συχνότητα του πυρήνα για να μειώσει το ρεύμα. Η ρύθμιση Auto ορίζει το όριο ισχύος σύμφωνα με τις προδιαγραφές της CPU. Αυτό το στοιχείο μπορεί να ρυθμιστεί μόνο όταν η Turbo Power Limits έχει οριστεί σε Enabled. (Προεπιλογή: Auto)
Turbo Per Core Limit Control (Note 1)
Σας επιτρέπει να ελέγχετε ξεχωριστά κάθε όριο πυρήνα CPU. (Προεπιλογή: Auto)
- Extreme Memory Profile (X.M.P.)(Note 2)
Επιτρέπει στο BIOS να διαβάσει τα δεδομένα SPD στην(ες) μονάδα(ες) μνήμης XMP για να βελτιώσει την απόδοση της μνήμης όταν είναι ενεργοποιημένη.- Disabled
Απενεργοποιεί αυτήν τη λειτουργία. (Προεπιλογή) - Profile1
Χρησιμοποιεί τις ρυθμίσεις Profile 1. - Profile2(Note 2)
Χρησιμοποιεί τις ρυθμίσεις Profile 2.
- Disabled
- System Memory Multiplier
Σας επιτρέπει να ορίσετε τον πολλαπλασιαστή μνήμης συστήματος. Η ρύθμιση Auto ορίζει τον πολλαπλασιαστή μνήμης σύμφωνα με τα δεδομένα SPD μνήμης. (Προεπιλογή: Auto) - Memory Ref Clock
Σας επιτρέπει να ρυθμίσετε με μη αυτόματο τρόπο το ρολόι αναφοράς μνήμης. (Προεπιλογή: Auto) - Memory Odd Ratio (100/133 or 200/266) (Note 2)
Η ρύθμιση Enabled επιτρέπει στο Qclk να εκτελείται σε περίεργη συχνότητα. (Προεπιλογή: Auto) - Gear Mode (Note 2)
Σας επιτρέπει να βελτιώσετε τη μέγιστη δυνατότητα συχνότητας OC. (Προεπιλογή: Auto)
Advanced Memory Settings
- Memory Multiplier Tweaker
Παρέχει διαφορετικά επίπεδα αυτόματου συντονισμού μνήμης. (Προεπιλογή: Auto) - Channel Interleaving
Ενεργοποιεί ή απενεργοποιεί την παρεμβολή καναλιών μνήμης. Η ρύθμιση Enabled επιτρέπει στο σύστημα να έχει ταυτόχρονη πρόσβαση σε διαφορετικά κανάλια της μνήμης για να αυξήσει την απόδοση και τη σταθερότητα της μνήμης. Η ρύθμιση Auto επιτρέπει στο BIOS να διαμορφώσει αυτόματα αυτήν τη ρύθμιση. (Προεπιλογή: Auto) - Rank Interleaving
Ενεργοποιεί ή απενεργοποιεί την παρεμβολή κατάταξης μνήμης. Η ρύθμιση Enabled επιτρέπει στο σύστημα να έχει ταυτόχρονη πρόσβαση σε διαφορετικές κατατάξεις της μνήμης για να αυξήσει την απόδοση και τη σταθερότητα της μνήμης. Η ρύθμιση Auto επιτρέπει στο BIOS να διαμορφώσει αυτόματα αυτήν τη ρύθμιση. (Προεπιλογή: Auto) - Memory Boot Mode
Παρέχει μεθόδους ανίχνευσης και εκπαίδευσης μνήμης.- Auto
Επιτρέπει στο BIOS να διαμορφώσει αυτόματα αυτήν τη ρύθμιση. (Προεπιλογή) - Normal
Το BIOS εκτελεί αυτόματα την εκπαίδευση μνήμης. Λάβετε υπόψη ότι εάν το σύστημα γίνει ασταθές ή δεν μπορεί να εκκινηθεί, δοκιμάστε να διαγράψετε τις τιμές CMOS και να επαναφέρετε την πλακέτα στις προεπιλεγμένες τιμές. (Ανατρέξτε στις εισαγωγές του βραχυκυκλωτήρα μπαταρίας/εκκαθάρισης CMOS στο κεφάλαιο "Εγκατάσταση υλικού" για το πώς να εκκαθαρίσετε τις τιμές CMOS.) - Enable Fast Boot
Παράλειψη ανίχνευσης και εκπαίδευσης μνήμης σε ορισμένα συγκεκριμένα κριτήρια για ταχύτερη εκκίνηση μνήμης. - Disable Fast Boot
Ανίχνευση και εκπαίδευση μνήμης σε κάθε εκκίνηση.
- Auto
- Realtime Memory Timing
Σας επιτρέπει να ρυθμίσετε με ακρίβεια τους χρονισμούς μνήμης μετά το στάδιο του BIOS. (Προεπιλογή: Auto) - Memory Enhancement Settings
Παρέχει πολλές ρυθμίσεις βελτίωσης απόδοσης μνήμης: Auto, Relax OC, Enhanced Stability, Normal, Enhanced Performance, High Frequency, High Density και DDR-4500+. (Προεπιλογή: Auto) - Memory Channel Detection Message
Σας επιτρέπει να καθορίσετε εάν θα εμφανίζεται ένα μήνυμα ειδοποίησης όταν η μνήμη δεν είναι εγκατεστημένη στο βέλτιστο κανάλι μνήμης. (Προεπιλογή: Ενεργοποιημένο) - SPD Info
Εμφανίζει πληροφορίες για την εγκατεστημένη μνήμη.
Memory Channels Timings
Channels Standard Timing Control, Channels Advanced Timing Control, Channels Misc Timing Control
Αυτές οι ενότητες παρέχουν ρυθμίσεις χρονισμού μνήμης. Σημείωση: Το σύστημά σας ενδέχεται να γίνει ασταθές ή να αποτύχει να εκκινηθεί μετά την πραγματοποίηση αλλαγών στους χρονισμούς μνήμης. Εάν συμβεί αυτό, επαναφέρετε την πλακέτα στις προεπιλεγμένες τιμές φορτώνοντας βελτιστοποιημένες προεπιλογές ή εκκαθαρίζοντας τις τιμές CMOS.
- Vcore Voltage Mode/CPU Vcore/Dynamic Vcore(DVID)/BCLK Adaptive Voltage/CPU Graphics Voltage (VAXG)/DRAM Voltage (CH A/B)/CPU VCCIO/CPU VCCIO2/CPU System Agent Voltage/VCC Substained/VCCPLL/VCCPLL OC/VCCVTT/VCCSTG/VCC18PCH/ VCC1V8P
Αυτά τα στοιχεία σας επιτρέπουν να ρυθμίσετε τις τάσεις CPU Vcore και μνήμης.
Advanced Voltage Settings
Αυτό το υπομενού σας επιτρέπει να διαμορφώσετε το επίπεδο βαθμονόμησης γραμμής φορτίου, το επίπεδο προστασίας από υπέρταση και το επίπεδο προστασίας από υπερένταση.
(Σημείωση 1) Αυτό το στοιχείο υπάρχει μόνο όταν εγκαθιστάτε μια CPU που υποστηρίζει αυτήν τη δυνατότητα. Για περισσότερες πληροφορίες σχετικά με τις μοναδικές δυνατότητες των CPU Intel®, επισκεφθείτε τον ιστότοπο της Intel.
(Σημείωση 2) Αυτό το στοιχείο υπάρχει μόνο όταν εγκαθιστάτε μια CPU και μια μονάδα μνήμης που υποστηρίζουν αυτήν τη δυνατότητα.
Ρυθμίσεις

Τροφοδοσία πλατφόρμας
- Platform Power Management
Ενεργοποιεί ή απενεργοποιεί τη λειτουργία Active State Power Management (ASPM). (Προεπιλογή: Απενεργοποιημένο) - PEG ASPM
Σας επιτρέπει να διαμορφώσετε τη λειτουργία ASPM για τη συσκευή που είναι συνδεδεμένη στον δίαυλο CPU PEG. Αυτό το στοιχείο μπορεί να διαμορφωθεί μόνο όταν η Platform Power Management έχει οριστεί σε Enabled (Ενεργοποιημένο). (Προεπιλογή: Απενεργοποιημένο) - PCH ASPM
Σας επιτρέπει να διαμορφώσετε τη λειτουργία ASPM για τη συσκευή που είναι συνδεδεμένη στον δίαυλο PCI Express του chipset. Αυτό το στοιχείο μπορεί να διαμορφωθεί μόνο όταν η Platform Power Management έχει οριστεί σε Enabled (Ενεργοποιημένο). (Προεπιλογή: Απενεργοποιημένο) - DMI ASPM
Σας επιτρέπει να διαμορφώσετε τη λειτουργία ASPM τόσο για την πλευρά της CPU όσο και για την πλευρά του chipset της σύνδεσης DMI. Αυτό το στοιχείο μπορεί να διαμορφωθεί μόνο όταν η Platform Power Management έχει οριστεί σε Enabled (Ενεργοποιημένο). (Προεπιλογή: Απενεργοποιημένο) - ErP
Καθορίζει αν θα επιτρέπεται στο σύστημα να καταναλώνει τη λιγότερη ισχύ στην κατάσταση S5 (τερματισμός λειτουργίας). (Προεπιλογή: Απενεργοποιημένο)
Σημείωση: Όταν αυτό το στοιχείο έχει οριστεί σε Enabled (Ενεργοποιημένο), η λειτουργία Resume by Alarm δεν είναι διαθέσιμη. - Soft-Off by PWR-BTTN
Διαμορφώνει τον τρόπο απενεργοποίησης του υπολογιστή σε λειτουργία MS-DOS χρησιμοποιώντας το κουμπί λειτουργίας.- Instant-Off (Άμεση απενεργοποίηση)
Πατήστε το κουμπί λειτουργίας και, στη συνέχεια, το σύστημα θα απενεργοποιηθεί αμέσως. (Προεπιλογή) - Delay 4 Sec. (Καθυστέρηση 4 δευτ.)
Πατήστε παρατεταμένα το κουμπί λειτουργίας για 4 δευτερόλεπτα για να απενεργοποιήσετε το σύστημα. Εάν το κουμπί λειτουργίας πατηθεί για λιγότερο από 4 δευτερόλεπτα, το σύστημα θα εισέλθει σε κατάσταση αναστολής λειτουργίας.
- Instant-Off (Άμεση απενεργοποίηση)
- Resume by Alarm
Καθορίζει αν θα ενεργοποιηθεί το σύστημα σε μια επιθυμητή ώρα. (Προεπιλογή: Απενεργοποιημένο)
Εάν είναι ενεργοποιημένο, ορίστε την ημερομηνία και την ώρα ως εξής:- Wake up day (Ημέρα αφύπνισης): Ενεργοποιήστε το σύστημα σε μια συγκεκριμένη ώρα κάθε ημέρα ή σε μια συγκεκριμένη ημέρα του μήνα.
- Wake up hour/minute/second (Ώρα/λεπτό/δευτερόλεπτο αφύπνισης): Ορίστε την ώρα κατά την οποία το σύστημα θα ενεργοποιηθεί αυτόματα.
Σημείωση: Όταν χρησιμοποιείτε αυτήν τη λειτουργία, αποφύγετε την ακατάλληλη διακοπή λειτουργίας από το λειτουργικό σύστημα ή την αφαίρεση της τροφοδοσίας AC, διαφορετικά οι ρυθμίσεις ενδέχεται να μην είναι αποτελεσματικές.
- Power Loading
Ενεργοποιεί ή απενεργοποιεί το εικονικό φορτίο. Όταν το τροφοδοτικό είναι σε χαμηλό φορτίο, θα ενεργοποιηθεί μια αυτοπροστασία που θα το κάνει να τερματιστεί ή να αποτύχει. Εάν συμβεί αυτό, ορίστε σε Enabled (Ενεργοποιημένο). Η ρύθμιση Auto (Αυτόματο) επιτρέπει στο BIOS να διαμορφώσει αυτόματα αυτήν τη ρύθμιση. (Προεπιλογή: Auto (Αυτόματο)) - RC6 (Render Standby)
Σας επιτρέπει να καθορίσετε αν θα επιτρέπεται στην ενσωματωμένη κάρτα γραφικών να εισέλθει σε κατάσταση αναμονής για να μειώσει την κατανάλωση ενέργειας. (Προεπιλογή: Ενεργοποιημένο) - AC BACK
Καθορίζει την κατάσταση του συστήματος μετά την επιστροφή της τροφοδοσίας από μια απώλεια τροφοδοσίας AC.- Memory (Μνήμη)
Το σύστημα επιστρέφει στην τελευταία γνωστή κατάσταση αφύπνισης κατά την επιστροφή της τροφοδοσίας AC. - Always On (Πάντα ενεργοποιημένο)
Το σύστημα ενεργοποιείται κατά την επιστροφή της τροφοδοσίας AC. - Always Off (Πάντα απενεργοποιημένο)
Το σύστημα παραμένει απενεργοποιημένο κατά την επιστροφή της τροφοδοσίας AC. (Προεπιλογή)
- Memory (Μνήμη)
Θύρες εισόδου/εξόδου
- Initial Display Output
Καθορίζει την πρώτη έναρξη της οθόνης από την εγκατεστημένη κάρτα γραφικών PCI Express ή την ενσωματωμένη κάρτα γραφικών.- IGFX (Σημείωση)
Ορίζει την ενσωματωμένη κάρτα γραφικών ως την πρώτη οθόνη. - PCIe 1 Slot (Υποδοχή PCIe 1)
Ορίζει την κάρτα γραφικών στην υποδοχή PCIEX16 ως την πρώτη οθόνη. (Προεπιλογή)
- IGFX (Σημείωση)
Αυτό το στοιχείο μπορεί να διαμορφωθεί μόνο όταν η CSM Support έχει οριστεί σε Enabled (Ενεργοποιημένο).
- Internal Graphics
Ενεργοποιεί ή απενεργοποιεί τη λειτουργία ενσωματωμένων γραφικών. (Προεπιλογή: Auto (Αυτόματο)) - DVMT Pre-Allocated
Σας επιτρέπει να ορίσετε το μέγεθος της μνήμης ενσωματωμένων γραφικών. (Προεπιλογή: 64M) - DVMT Total Gfx Mem
Σας επιτρέπει να εκχωρήσετε το μέγεθος μνήμης DVMT των ενσωματωμένων γραφικών. Οι επιλογές είναι: 128M, 256M, MAX. (Προεπιλογή: 256M) - Aperture Size
Σας επιτρέπει να ορίσετε τη μέγιστη ποσότητα μνήμης συστήματος που μπορεί να εκχωρηθεί στην κάρτα γραφικών. Οι επιλογές είναι: 128MB, 256MB, 512MB, 1024MB και 2048MB. (Προεπιλογή: 256MB) - OnBoard LAN Controller
Ενεργοποιεί ή απενεργοποιεί τη λειτουργία ενσωματωμένου LAN. (Προεπιλογή: Ενεργοποιημένο)
Εάν επιθυμείτε να εγκαταστήσετε μια κάρτα δικτύου προσθήκης τρίτου μέρους αντί να χρησιμοποιήσετε το ενσωματωμένο LAN, ορίστε αυτό το στοιχείο σε Disabled (Απενεργοποιημένο). - Audio Controller
Ενεργοποιεί ή απενεργοποιεί τη λειτουργία ενσωματωμένου ήχου. (Προεπιλογή: Ενεργοποιημένο)
Εάν επιθυμείτε να εγκαταστήσετε μια κάρτα ήχου προσθήκης τρίτου μέρους αντί να χρησιμοποιήσετε τον ενσωματωμένο ήχο, ορίστε αυτό το στοιχείο σε Disabled (Απενεργοποιημένο). - Above 4G Decoding
Ενεργοποιεί ή απενεργοποιεί συσκευές με δυνατότητα 64-bit για αποκωδικοποίηση σε χώρο διευθύνσεων άνω των 4 GB (μόνο εάν το σύστημά σας υποστηρίζει αποκωδικοποίηση PCI 64-bit). Ορίστε σε Enabled (Ενεργοποιημένο) εάν έχουν εγκατασταθεί περισσότερες από μία προηγμένες κάρτες γραφικών και τα προγράμματα οδήγησής τους δεν μπορούν να εκκινηθούν κατά την είσοδο στο λειτουργικό σύστημα (λόγω του περιορισμένου χώρου διευθύνσεων μνήμης 4 GB). (Προεπιλογή: Απενεργοποιημένο) - IOAPIC 24-119 Entries
Ενεργοποιεί ή απενεργοποιεί αυτήν τη λειτουργία. (Προεπιλογή: Ενεργοποιημένο)
(Σημείωση) Αυτό το στοιχείο είναι παρόν μόνο όταν εγκαθιστάτε μια CPU που υποστηρίζει αυτήν τη δυνατότητα.
Διαμόρφωση USB
- Legacy USB Support
Επιτρέπει τη χρήση πληκτρολογίου/ποντικιού USB στο MS-DOS. (Προεπιλογή: Ενεργοποιημένο) - XHCI Hand-off
Καθορίζει αν θα ενεργοποιηθεί η δυνατότητα XHCI Hand-off για ένα λειτουργικό σύστημα χωρίς υποστήριξη XHCI Hand-off. (Προεπιλογή: Ενεργοποιημένο) - USB Mass Storage Driver Support
Ενεργοποιεί ή απενεργοποιεί την υποστήριξη για συσκευές αποθήκευσης USB. (Προεπιλογή: Ενεργοποιημένο) - Mass Storage Devices
Εμφανίζει μια λίστα με συνδεδεμένες συσκευές μαζικής αποθήκευσης USB. Αυτό το στοιχείο εμφανίζεται μόνο όταν είναι εγκατεστημένη μια συσκευή αποθήκευσης USB.
Ρύθμιση παραμέτρων στοίβας δικτύου
- Network Stack
Απενεργοποιεί ή ενεργοποιεί την εκκίνηση από το δίκτυο για την εγκατάσταση ενός λειτουργικού συστήματος μορφής GPT, όπως η εγκατάσταση του λειτουργικού συστήματος από τον διακομιστή Windows Deployment Services. (Προεπιλογή: Απενεργοποιημένο) - IPv4 PXE Support
Ενεργοποιεί ή απενεργοποιεί την υποστήριξη IPv4 PXE. Αυτό το στοιχείο μπορεί να διαμορφωθεί μόνο όταν είναι ενεργοποιημένη η Network Stack (Στοίβα δικτύου). - IPv4 HTTP Support
Ενεργοποιεί ή απενεργοποιεί την υποστήριξη εκκίνησης HTTP για IPv4. Αυτό το στοιχείο μπορεί να διαμορφωθεί μόνο όταν είναι ενεργοποιημένη η Network Stack (Στοίβα δικτύου). - IPv6 PXE Support
Ενεργοποιεί ή απενεργοποιεί την υποστήριξη IPv6 PXE. Αυτό το στοιχείο μπορεί να διαμορφωθεί μόνο όταν είναι ενεργοποιημένη η Network Stack (Στοίβα δικτύου). - IPv6 HTTP Support
Ενεργοποιεί ή απενεργοποιεί την υποστήριξη εκκίνησης HTTP για IPv6. Αυτό το στοιχείο μπορεί να διαμορφωθεί μόνο όταν είναι ενεργοποιημένη η Network Stack (Στοίβα δικτύου). - PXE boot wait time
Σας επιτρέπει να διαμορφώσετε πόσο χρόνο να περιμένετε πριν μπορέσετε να πατήσετε <Esc> για να ακυρώσετε την εκκίνηση PXE. Αυτό το στοιχείο μπορεί να διαμορφωθεί μόνο όταν είναι ενεργοποιημένη η Network Stack (Στοίβα δικτύου). (Προεπιλογή: 0) - Media detect count
Σας επιτρέπει να ορίσετε τον αριθμό των φορών που θα ελεγχθεί η παρουσία μέσων. Αυτό το στοιχείο μπορεί να διαμορφωθεί μόνο όταν είναι ενεργοποιημένη η Network Stack (Στοίβα δικτύου). (Προεπιλογή: 1)
Διαμόρφωση NVMe
Εμφανίζει πληροφορίες σχετικά με το M.2 NVME PCIe SSD σας, εάν είναι εγκατεστημένο.
Διαμόρφωση SATA και RST
- SATA Controller(s)
Ενεργοποιεί ή απενεργοποιεί τους ενσωματωμένους ελεγκτές SATA. (Προεπιλογή: Ενεργοποιημένο) - SATA Mode Selection
Ενεργοποιεί ή απενεργοποιεί το Optane για τους ελεγκτές SATA που είναι ενσωματωμένοι στο chipset ή διαμορφώνει τους ελεγκτές SATA σε λειτουργία AHCI.- Intel RST Premium With Intel Optane System Acceleration (Intel RST Premium με επιτάχυνση συστήματος Intel Optane)
Ενεργοποιεί το Optane για τον ελεγκτή SATA. - AHCI
Διαμορφώνει τους ελεγκτές SATA σε λειτουργία AHCI. Το Advanced Host Controller Interface (AHCI) είναι μια προδιαγραφή διεπαφής που επιτρέπει στο πρόγραμμα οδήγησης αποθήκευσης να ενεργοποιήσει προηγμένες δυνατότητες Serial ATA, όπως η Native Command Queuing και η άμεση σύνδεση. (Προεπιλογή)
- Intel RST Premium With Intel Optane System Acceleration (Intel RST Premium με επιτάχυνση συστήματος Intel Optane)
- Aggressive LPM Support
Ενεργοποιεί ή απενεργοποιεί τη δυνατότητα εξοικονόμησης ενέργειας, ALPM (Aggressive Link Power Management), για τους ελεγκτές SATA του chipset. (Προεπιλογή: Απενεργοποιημένο) - Port 2/3/4/5
Ενεργοποιεί ή απενεργοποιεί κάθε θύρα SATA. (Προεπιλογή: Ενεργοποιημένο) - SATA Port 2/3/4/5 DevSlp
Σας επιτρέπει να καθορίσετε αν θα επιτρέπεται στη συνδεδεμένη συσκευή SATA να εισέλθει σε λειτουργία αναστολής λειτουργίας. (Προεπιλογή: Απενεργοποιημένο) - Hot plug
Ενεργοποιεί ή απενεργοποιεί τη δυνατότητα άμεσης σύνδεσης για κάθε θύρα SATA. (Προεπιλογή: Απενεργοποιημένο) - Configured as eSATA
Ενεργοποιεί ή απενεργοποιεί την υποστήριξη για εξωτερικές συσκευές SATA.
Ελεγκτής Ethernet Intel(R)
Αυτό το υπομενού παρέχει πληροφορίες σχετικά με τη διαμόρφωση LAN και τις σχετικές επιλογές διαμόρφωσης.
Διάφορα
- LEDs in System Power On State
Σας επιτρέπει να ενεργοποιήσετε ή να απενεργοποιήσετε τον φωτισμό LED της μητρικής πλακέτας όταν το σύστημα είναι ενεργοποιημένο.- Off (Απενεργοποίηση)
Απενεργοποιεί την επιλεγμένη λειτουργία φωτισμού όταν το σύστημα είναι ενεργοποιημένο. - On (Ενεργοποίηση)
Ενεργοποιεί την επιλεγμένη λειτουργία φωτισμού όταν το σύστημα είναι ενεργοποιημένο. (Προεπιλογή)
- Off (Απενεργοποίηση)
- LEDs in Sleep, Hibernation, and Soft Off States
Σας επιτρέπει να ορίσετε τη λειτουργία φωτισμού των LED της μητρικής πλακέτας στην κατάσταση συστήματος S3/S4/S5.
Αυτό το στοιχείο μπορεί να διαμορφωθεί όταν η LEDs in System Power On State έχει οριστεί σε On (Ενεργοποίηση).- Off (Απενεργοποίηση)
Απενεργοποιεί την επιλεγμένη λειτουργία φωτισμού όταν το σύστημα εισέρχεται στην κατάσταση S3/S4/S5. (Προεπιλογή) - On (Ενεργοποίηση)
Ενεργοποιεί την επιλεγμένη λειτουργία φωτισμού όταν το σύστημα εισέρχεται στην κατάσταση S3/S4/S5.
- Off (Απενεργοποίηση)
- Intel Platform Trust Technology (PTT)
Ενεργοποιεί ή απενεργοποιεί την τεχνολογία Intel® PTT. (Προεπιλογή: Απενεργοποιημένο) - 3DMark01 Enhancement
Σας επιτρέπει να καθορίσετε αν θα βελτιωθεί η απόδοση ορισμένων παλαιότερων δοκιμών αναφοράς. (Προεπιλογή: Απενεργοποιημένο) - CPU PCIe Link Speed
Σας επιτρέπει να ορίσετε τη λειτουργία των υποδοχών PCI Express που ελέγχονται από την CPU σε Gen 1, Gen 2, Gen 3 ή Gen 4 (Σημείωση). Η πραγματική λειτουργία υπόκειται στις προδιαγραφές υλικού κάθε υποδοχής. Η ρύθμιση Auto (Αυτόματο) επιτρέπει στο BIOS να διαμορφώσει αυτόματα αυτήν τη ρύθμιση. (Προεπιλογή: Auto (Αυτόματο)) - PCH PCIe Link Speed
Σας επιτρέπει να ορίσετε τη λειτουργία των υποδοχών PCI Express που ελέγχονται από το chipset σε Gen 1, Gen 2 ή Gen 3. Η πραγματική λειτουργία υπόκειται στις προδιαγραφές υλικού κάθε υποδοχής. Η ρύθμιση Auto (Αυτόματο) επιτρέπει στο BIOS να διαμορφώσει αυτόματα αυτήν τη ρύθμιση. (Προεπιλογή: Auto (Αυτόματο)) - VT-d
Ενεργοποιεί ή απενεργοποιεί την τεχνολογία εικονικοποίησης Intel® για κατευθυνόμενη είσοδο/έξοδο. (Προεπιλογή: Ενεργοποιημένο)
Αξιόπιστοι υπολογιστές
Ενεργοποιεί ή απενεργοποιεί την Αξιόπιστη μονάδα πλατφόρμας (TPM).
Κατάσταση εύρυθμης λειτουργίας υπολογιστή
- Reset Case Open Status
- Disabled (Απενεργοποιημένο)
Διατηρεί ή εκκαθαρίζει την εγγραφή της προηγούμενης κατάστασης εισβολής πλαισίου. (Προεπιλογή) - Enabled (Ενεργοποιημένο)
Εκκαθαρίζει την εγγραφή της προηγούμενης κατάστασης εισβολής πλαισίου και το πεδίο Case Open (Άνοιγμα θήκης) θα εμφανίζει "No" (Όχι) στην επόμενη εκκίνηση.
- Disabled (Απενεργοποιημένο)
- Case Open
Εμφανίζει την κατάσταση ανίχνευσης της συσκευής ανίχνευσης εισβολής πλαισίου που είναι συνδεδεμένη στην κεφαλίδα CI της μητρικής πλακέτας. Εάν αφαιρεθεί το κάλυμμα του πλαισίου του συστήματος, αυτό το πεδίο θα εμφανίσει "Yes" (Ναι), διαφορετικά θα εμφανίσει "No" (Όχι). Για να εκκαθαρίσετε την εγγραφή κατάστασης εισβολής πλαισίου, ορίστε την Reset Case Open Status σε Enabled (Ενεργοποιημένο), αποθηκεύστε τις ρυθμίσεις στο CMOS και, στη συνέχεια, επανεκκινήστε το σύστημά σας. - CPU Vcore/CPU VCCSA/DRAM Channel A/B Voltage/+3.3V/+5V/+12V/CPU VAXG
Εμφανίζει τις τρέχουσες τάσεις του συστήματος.
(Σημείωση) Αυτό το στοιχείο είναι παρόν μόνο όταν εγκαθιστάτε μια CPU που υποστηρίζει αυτήν τη δυνατότητα.
Πληροφορίες συστήματος
Αυτή η ενότητα παρέχει πληροφορίες σχετικά με το μοντέλο της μητρικής πλακέτας και την έκδοση του BIOS. Μπορείτε επίσης να επιλέξετε την προεπιλεγμένη γλώσσα που χρησιμοποιείται από το BIOS και να ορίσετε χειροκίνητα την ώρα του συστήματος.

- Access Level
Εμφανίζει το τρέχον επίπεδο πρόσβασης ανάλογα με τον τύπο προστασίας με κωδικό πρόσβασης που χρησιμοποιείται. (Εάν δεν έχει οριστεί κωδικός πρόσβασης, η προεπιλογή θα εμφανίζεται ως Administrator (Διαχειριστής).) Το επίπεδο Διαχειριστή σάς επιτρέπει να κάνετε αλλαγές σε όλες τις ρυθμίσεις του BIOS. Το επίπεδο Χρήστη σάς επιτρέπει να κάνετε αλλαγές μόνο σε ορισμένες ρυθμίσεις του BIOS, αλλά όχι σε όλες. - System Language
Επιλέγει την προεπιλεγμένη γλώσσα που χρησιμοποιείται από το BIOS. - System Date
Ορίζει την ημερομηνία του συστήματος. Η μορφή ημερομηνίας είναι εβδομάδα (μόνο για ανάγνωση), μήνας, ημερομηνία και έτος. Χρησιμοποιήστε το <Enter> για να αλλάξετε μεταξύ των πεδίων Μήνας, Ημερομηνία και Έτος και χρησιμοποιήστε το πλήκτρο <Page Up> ή <Page Down> για να ορίσετε την επιθυμητή τιμή. - System Time
Ορίζει την ώρα του συστήματος. Η μορφή ώρας είναι ώρα, λεπτό και δευτερόλεπτο. Για παράδειγμα, 1 μ.μ. είναι 13:00:00. Χρησιμοποιήστε το <Enter> για να αλλάξετε μεταξύ των πεδίων Ώρα, Λεπτό και Δευτερόλεπτο και χρησιμοποιήστε το πλήκτρο <Page Up> ή <Page Down> για να ορίσετε την επιθυμητή τιμή.
Πληροφορίες συσκευών προσθήκης
Εμφανίζει πληροφορίες σχετικά με τις συσκευές PCI Express και M.2, εάν είναι εγκατεστημένες.
Q-Flash
Σας επιτρέπει να αποκτήσετε πρόσβαση στο βοηθητικό πρόγραμμα Q-Flash για να ενημερώσετε το BIOS ή να δημιουργήσετε αντίγραφα ασφαλείας της τρέχουσας διαμόρφωσης του BIOS.
Εκκίνηση

- Bootup NumLock State
Ενεργοποιεί ή απενεργοποιεί τη λειτουργία Numlock στο αριθμητικό πληκτρολόγιο του πληκτρολογίου μετά το POST. (Προεπιλογή: Ενεργοποιημένο) - CFG Lock
Ενεργοποιεί ή απενεργοποιεί τη λειτουργία MSR 0xE2. (Προεπιλογή: Απενεργοποιημένο) - Security Option
Καθορίζει εάν απαιτείται κωδικός πρόσβασης κάθε φορά που εκκινείται το σύστημα ή μόνο όταν εισέρχεστε στη ρύθμιση του BIOS. Αφού ρυθμίσετε αυτό το στοιχείο, ορίστε τον/τους κωδικό/-ούς πρόσβασης στο στοιχείο Administrator Password/User Password.- Setup
Απαιτείται κωδικός πρόσβασης μόνο για την είσοδο στο πρόγραμμα ρύθμισης του BIOS. - System
Απαιτείται κωδικός πρόσβασης για την εκκίνηση του συστήματος και για την είσοδο στο πρόγραμμα ρύθμισης του BIOS. (Προεπιλογή)
- Setup
- Full Screen LOGO Show
Σας επιτρέπει να καθορίσετε αν θα εμφανίζεται το λογότυπο της GIGABYTE κατά την εκκίνηση του συστήματος. Το Disabled παραλείπει το λογότυπο της GIGABYTE κατά την εκκίνηση του συστήματος. (Προεπιλογή: Ενεργοποιημένο) - Boot Option Priorities
Καθορίζει τη συνολική σειρά εκκίνησης από τις διαθέσιμες συσκευές. Οι αφαιρούμενες συσκευές αποθήκευσης που υποστηρίζουν μορφή GPT θα έχουν το πρόθεμα "UEFI:" στη λίστα συσκευών εκκίνησης. Για να εκκινήσετε από ένα λειτουργικό σύστημα που υποστηρίζει διαμερισματοποίηση GPT, επιλέξτε τη συσκευή με το πρόθεμα "UEFI:".
Ή αν θέλετε να εγκαταστήσετε ένα λειτουργικό σύστημα που υποστηρίζει διαμερισματοποίηση GPT, όπως τα Windows 10 64-bit, επιλέξτε τη μονάδα οπτικού δίσκου που περιέχει το δίσκο εγκατάστασης των Windows 10 64-bit και έχει το πρόθεμα "UEFI:". - Fast Boot
Ενεργοποιεί ή απενεργοποιεί το Fast Boot για να συντομεύσει τη διαδικασία εκκίνησης του λειτουργικού συστήματος. Το Ultra Fast παρέχει την ταχύτερη ταχύτητα εκκίνησης. (Προεπιλογή: Disable Link) - SATA Support
- Last Boot SATA Devices Only
Εκτός από τη μονάδα δίσκου της προηγούμενης εκκίνησης, όλες οι συσκευές SATA απενεργοποιούνται πριν ολοκληρωθεί η διαδικασία εκκίνησης του λειτουργικού συστήματος. (Προεπιλογή) - All SATA Devices
Όλες οι συσκευές SATA είναι λειτουργικές στο λειτουργικό σύστημα και κατά τη διάρκεια του POST.
- Last Boot SATA Devices Only
Αυτό το στοιχείο μπορεί να ρυθμιστεί μόνο όταν το Fast Boot έχει οριστεί σε Enabled ή Ultra Fast.
- VGA Support
Σας επιτρέπει να επιλέξετε τον τύπο του λειτουργικού συστήματος για εκκίνηση.- Auto
Ενεργοποιεί μόνο το legacy option ROM. - EFI Driver
Ενεργοποιεί το EFI option ROM. (Προεπιλογή)
- Auto
Αυτό το στοιχείο μπορεί να ρυθμιστεί μόνο όταν το Fast Boot έχει οριστεί σε Enabled ή Ultra Fast.
- USB Support
- Disable Link
Όλες οι συσκευές USB απενεργοποιούνται πριν ολοκληρωθεί η διαδικασία εκκίνησης του λειτουργικού συστήματος. - Full Initial
Όλες οι συσκευές USB είναι λειτουργικές στο λειτουργικό σύστημα και κατά τη διάρκεια του POST. (Προεπιλογή) - Partial Initial
Ένα μέρος των συσκευών USB απενεργοποιείται πριν ολοκληρωθεί η διαδικασία εκκίνησης του λειτουργικού συστήματος.
- Disable Link
Αυτό το στοιχείο μπορεί να ρυθμιστεί μόνο όταν το Fast Boot έχει οριστεί σε Enabled ή Ultra Fast. Αυτή η λειτουργία απενεργοποιείται όταν το Fast Boot έχει οριστεί σε Ultra Fast.
- NetWork Stack Driver Support
- Disable Link
Απενεργοποιεί την εκκίνηση από το δίκτυο. (Προεπιλογή) - Enabled
Ενεργοποιεί την εκκίνηση από το δίκτυο.
- Disable Link
Αυτό το στοιχείο μπορεί να ρυθμιστεί μόνο όταν το Fast Boot έχει οριστεί σε Enabled ή Ultra Fast.
- Next Boot After AC Power Loss
- Normal Boot
Ενεργοποιεί την κανονική εκκίνηση κατά την επιστροφή της τροφοδοσίας AC. (Προεπιλογή) - Fast Boot
Διατηρεί τις ρυθμίσεις Fast Boot κατά την επιστροφή της τροφοδοσίας AC.
- Normal Boot
Αυτό το στοιχείο μπορεί να ρυθμιστεί μόνο όταν το Fast Boot έχει οριστεί σε Enabled ή Ultra Fast.
- Mouse Speed
Σας επιτρέπει να ορίσετε την ταχύτητα κίνησης του δρομέα του ποντικιού. (Προεπιλογή: 1 X) - Windows 10 Features
Σας επιτρέπει να επιλέξετε το λειτουργικό σύστημα που θα εγκατασταθεί. (Προεπιλογή: Windows 10) - CSM Support
Ενεργοποιεί ή απενεργοποιεί το UEFI CSM (Compatibility Support Module) για την υποστήριξη μιας διαδικασίας εκκίνησης legacy PC.- Disabled
Απενεργοποιεί το UEFI CSM και υποστηρίζει μόνο τη διαδικασία εκκίνησης UEFI BIOS. (Προεπιλογή) - Enabled
Ενεργοποιεί το UEFI CSM.
- Disabled
- LAN PXE Boot Option ROM
Σας επιτρέπει να επιλέξετε αν θα ενεργοποιήσετε το legacy option ROM για τον ελεγκτή LAN. (Προεπιλογή: Απενεργοποιημένο) Αυτό το στοιχείο μπορεί να ρυθμιστεί μόνο όταν το CSM Support έχει οριστεί σε Enabled. - Storage Boot Option Control
Σας επιτρέπει να επιλέξετε αν θα ενεργοποιήσετε το UEFI ή το legacy option ROM για τον ελεγκτή συσκευής αποθήκευσης.- Do not launch
Απενεργοποιεί το option ROM. - UEFI
Ενεργοποιεί μόνο το UEFI option ROM. - Legacy
Ενεργοποιεί μόνο το legacy option ROM. (Προεπιλογή)
- Do not launch
Αυτό το στοιχείο μπορεί να ρυθμιστεί μόνο όταν το CSM Support έχει οριστεί σε Enabled.
- Other PCI devices
Σας επιτρέπει να επιλέξετε αν θα ενεργοποιήσετε το UEFI ή το Legacy option ROM για τον ελεγκτή συσκευής PCI εκτός από τους ελεγκτές LAN, συσκευής αποθήκευσης και γραφικών.- Do not launch
Απενεργοποιεί το option ROM. - UEFI
Ενεργοποιεί μόνο το UEFI option ROM. (Προεπιλογή) - Legacy
Ενεργοποιεί μόνο το legacy option ROM.
- Do not launch
Αυτό το στοιχείο μπορεί να ρυθμιστεί μόνο όταν το CSM Support έχει οριστεί σε Enabled.
- Administrator Password
Σας επιτρέπει να διαμορφώσετε έναν κωδικό πρόσβασης διαχειριστή. Πατήστε <Enter> σε αυτό το στοιχείο, πληκτρολογήστε τον κωδικό πρόσβασης και, στη συνέχεια, πατήστε <Enter>. Θα σας ζητηθεί να επιβεβαιώσετε τον κωδικό πρόσβασης. Πληκτρολογήστε ξανά τον κωδικό πρόσβασης και πατήστε <Enter>. Πρέπει να εισαγάγετε τον κωδικό πρόσβασης διαχειριστή (ή τον κωδικό πρόσβασης χρήστη) κατά την εκκίνηση του συστήματος και κατά την είσοδο στη ρύθμιση του BIOS. Σε αντίθεση με τον κωδικό πρόσβασης χρήστη, ο κωδικός πρόσβασης διαχειριστή σάς επιτρέπει να κάνετε αλλαγές σε όλες τις ρυθμίσεις του BIOS. - User Password
Σας επιτρέπει να διαμορφώσετε έναν κωδικό πρόσβασης χρήστη. Πατήστε <Enter> σε αυτό το στοιχείο, πληκτρολογήστε τον κωδικό πρόσβασης και, στη συνέχεια, πατήστε <Enter>. Θα σας ζητηθεί να επιβεβαιώσετε τον κωδικό πρόσβασης. Πληκτρολογήστε ξανά τον κωδικό πρόσβασης και πατήστε <Enter>. Πρέπει να εισαγάγετε τον κωδικό πρόσβασης διαχειριστή (ή τον κωδικό πρόσβασης χρήστη) κατά την εκκίνηση του συστήματος και κατά την είσοδο στη ρύθμιση του BIOS. Ωστόσο, ο κωδικός πρόσβασης χρήστη σάς επιτρέπει να κάνετε αλλαγές μόνο σε ορισμένες ρυθμίσεις του BIOS, αλλά όχι σε όλες.
Για να ακυρώσετε τον κωδικό πρόσβασης, πατήστε <Enter> στο στοιχείο κωδικού πρόσβασης και όταν σας ζητηθεί ο κωδικός πρόσβασης, εισαγάγετε πρώτα τον σωστό. Όταν σας ζητηθεί ένας νέος κωδικός πρόσβασης, πατήστε <Enter> χωρίς να εισαγάγετε κανέναν κωδικό πρόσβασης. Πατήστε ξανά <Enter> όταν σας ζητηθεί να επιβεβαιώσετε.
ΣΗΜΕΙΩΣΗ: Πριν ορίσετε τον κωδικό πρόσβασης χρήστη, φροντίστε να ορίσετε πρώτα τον κωδικό πρόσβασης διαχειριστή.
Ασφαλής εκκίνηση
Σας επιτρέπει να ενεργοποιήσετε ή να απενεργοποιήσετε την ασφαλή εκκίνηση και να διαμορφώσετε τις σχετικές ρυθμίσεις. Αυτό το στοιχείο μπορεί να ρυθμιστεί μόνο όταν το CSM Support έχει οριστεί σε Disabled.
- Preferred Operating Mode
Σας επιτρέπει να επιλέξετε αν θα εισέλθετε στην Εύκολη λειτουργία ή στην Προηγμένη λειτουργία μετά την είσοδο στη Ρύθμιση του BIOS. Το Auto εισέρχεται στη λειτουργία BIOS όπου ήταν την τελευταία φορά. (Προεπιλογή: Auto)
Αποθήκευση & Έξοδος

- Save & Exit Setup
Πατήστε <Enter> σε αυτό το στοιχείο και επιλέξτε Yes (Ναι). Αυτό αποθηκεύει τις αλλαγές στο CMOS και εξέρχεται από το πρόγραμμα ρύθμισης του BIOS. Επιλέξτε No (Όχι) ή πατήστε <Esc> για να επιστρέψετε στο Κύριο μενού ρυθμίσεων του BIOS. - Exit Without Saving
Πατήστε <Enter> σε αυτό το στοιχείο και επιλέξτε Yes (Ναι). Αυτό εξέρχεται από τη ρύθμιση του BIOS χωρίς να αποθηκεύσει τις αλλαγές που έγιναν στη ρύθμιση του BIOS στο CMOS. Επιλέξτε No (Όχι) ή πατήστε <Esc> για να επιστρέψετε στο Κύριο μενού ρυθμίσεων του BIOS. - Load Optimized Defaults
Πατήστε <Enter> σε αυτό το στοιχείο και επιλέξτε Yes (Ναι) για να φορτώσετε τις βέλτιστες προεπιλεγμένες ρυθμίσεις του BIOS. Οι προεπιλεγμένες ρυθμίσεις του BIOS βοηθούν το σύστημα να λειτουργεί σε βέλτιστη κατάσταση. Να φορτώνετε πάντα τις βελτιστοποιημένες προεπιλογές μετά την ενημέρωση του BIOS ή μετά την εκκαθάριση των τιμών CMOS. - Boot Override
Σας επιτρέπει να επιλέξετε μια συσκευή για άμεση εκκίνηση. Πατήστε <Enter> στη συσκευή που επιλέγετε και επιλέξτε Yes (Ναι) για επιβεβαίωση. Το σύστημά σας θα επανεκκινηθεί αυτόματα και θα εκκινηθεί από αυτή τη συσκευή. - Save Profiles
Αυτή η λειτουργία σάς επιτρέπει να αποθηκεύσετε τις τρέχουσες ρυθμίσεις του BIOS σε ένα προφίλ. Μπορείτε να δημιουργήσετε έως και 8 προφίλ και να τα αποθηκεύσετε ως Setup Profile 1~ Setup Profile 8. Πατήστε <Enter> για να ολοκληρώσετε. Ή μπορείτε να επιλέξετε Select File in HDD/FDD/USB (Επιλογή αρχείου σε HDD/FDD/USB) για να αποθηκεύσετε το προφίλ στη συσκευή αποθήκευσης. - Load Profiles
Εάν το σύστημά σας γίνει ασταθές και έχετε φορτώσει τις προεπιλεγμένες ρυθμίσεις του BIOS, μπορείτε να χρησιμοποιήσετε αυτή τη λειτουργία για να φορτώσετε τις ρυθμίσεις του BIOS από ένα προφίλ που δημιουργήθηκε πριν, χωρίς την ταλαιπωρία της επαναδιαμόρφωσης των ρυθμίσεων του BIOS. Αρχικά επιλέξτε το προφίλ που θέλετε να φορτώσετε και, στη συνέχεια, πατήστε <Enter> για να ολοκληρώσετε. Μπορείτε να επιλέξετε Select File in HDD/FDD/USB (Επιλογή αρχείου σε HDD/FDD/USB) για να εισαγάγετε το προφίλ που δημιουργήθηκε προηγουμένως από τη συσκευή αποθήκευσης ή να φορτώσετε το προφίλ που δημιουργήθηκε αυτόματα από το BIOS, όπως για να επαναφέρετε τις ρυθμίσεις του BIOS στις τελευταίες ρυθμίσεις που λειτουργούσαν σωστά (τελευταία γνωστή καλή εγγραφή).
Εγκατάσταση Intel® Optane™ Memory και Storage Management
Βήματα:
- Μετά την είσοδο στο λειτουργικό σύστημα, τοποθετήστε το δίσκο προγραμμάτων οδήγησης της μητρικής πλακέτας στην οπτική σας μονάδα. Στην οθόνη Xpress Install, επιλέξτε Intel® Rapid Storage Technology για να εγκαταστήσετε και ακολουθήστε τις οδηγίες που εμφανίζονται στην οθόνη για να ολοκληρώσετε την εγκατάσταση. Όταν ολοκληρωθεί, επανεκκινήστε το σύστημα.
- Αφού εγκαταστήσετε τα περιλαμβανόμενα προγράμματα οδήγησης μητρικής πλακέτας, βεβαιωθείτε ότι η σύνδεσή σας στο Internet λειτουργεί σωστά. Το σύστημα θα εγκαταστήσει αυτόματα το λογισμικό από την Intel®. Επανεκκινήστε το σύστημα μετά την εγκατάσταση του προγράμματος οδήγησης.
Ενεργοποίηση Intel® Optane™ Memory
- Απαιτήσεις συστήματος
- Intel® Optane™ memory.
- The Optane™ memory πρέπει να έχει χωρητικότητα τουλάχιστον 16 GB και πρέπει να έχει ίση ή μικρότερη χωρητικότητα από τον σκληρό δίσκο/SSD που θα επιταχυνθεί.
- The Optane™ memory δεν μπορεί να χρησιμοποιηθεί για την επιτάχυνση ενός υπάρχοντος RAID array. ο επιταχυνόμενος σκληρός δίσκος/SSD δεν μπορεί να συμπεριληφθεί σε ένα RAID array.
- Ο σκληρός δίσκος/SSD που θα επιταχυνθεί πρέπει να είναι σκληρός δίσκος SATA ή M.2 SATA SSD.
- Ο σκληρός δίσκος/SSD που θα επιταχυνθεί μπορεί να είναι μονάδα δίσκου συστήματος ή μονάδα δίσκου δεδομένων. Η μονάδα δίσκου συστήματος πρέπει να είναι μορφοποιημένη GPT και να έχει εγκατεστημένα τα Windows 10 64-bit (ή μεταγενέστερη έκδοση). Η μονάδα δίσκου δεδομένων πρέπει επίσης να είναι μορφοποιημένη GPT.
- Ο δίσκος προγραμμάτων οδήγησης μητρικής πλακέτας.
- Ο ελεγκτής SATA πρέπει να έχει ρυθμιστεί σε λειτουργία Intel RST Premium With Intel Optane System Acceleration.
- Οδηγίες εγκατάστασης
- Μεταβείτε στην ενότητα Settings\IO Ports\SATA And RST Configuration και βεβαιωθείτε ότι η επιλογή RST Control PCIe Storage Devices είναι ρυθμισμένη σε Manual (Χειροκίνητα). Στη συνέχεια, ανάλογα με το σε ποια υποδοχή M.2 εγκαθιστάτε την Optane™ memory, ορίστε το αντίστοιχο στοιχείο PCIe Storage Dev on Port XX σε RST Controlled (Ελεγχόμενο RST).
- Αφού εισέλθετε ξανά στο λειτουργικό σύστημα, εκκινήστε την εφαρμογή Intel® Optane™ Memory and Storage Management από το μενού Έναρξη. Εάν εγκαταστήσετε περισσότερες από μία Optane™ memory, επιλέξτε ποια θα χρησιμοποιήσετε. Στη συνέχεια, επιλέξτε ποια μονάδα δίσκου θα επιταχυνθεί. Κάντε κλικ στο Enable Intel® Optane™ Memory (Ενεργοποίηση Intel® Optane™ Memory). Όλα τα δεδομένα στην Optane™ memory θα διαγραφούν. Βεβαιωθείτε ότι έχετε δημιουργήσει αντίγραφα ασφαλείας των δεδομένων πριν συνεχίσετε. Ακολουθήστε τις οδηγίες που εμφανίζονται στην οθόνη για να συνεχίσετε. Όταν ολοκληρωθεί, επανεκκινήστε το σύστημα.
- Εκκινήστε την εφαρμογή Intel® Optane™ Memory and Storage Management από το μενού Έναρξη και βεβαιωθείτε ότι η Intel® Optane™ Memory έχει ενεργοποιηθεί.
- Εάν θέλετε να επιταχύνετε τη μονάδα δίσκου συστήματος, μπορείτε να επιλέξετε συγκεκριμένους φακέλους, αρχεία ή εφαρμογές για επιτάχυνση χρησιμοποιώντας τη λειτουργία Intel® Optane™ Memory Pinning. (Η Optane ™ memory που χρησιμοποιείται πρέπει να έχει χωρητικότητα τουλάχιστον 32 GB.)
- Μια Optane™ memory δεν μπορεί να χρησιμοποιηθεί για την επιτάχυνση μιας M.2 PCIe SSD.
- Εάν έχουν εγκατασταθεί περισσότερες από μία Optane™ memory, μπορείτε να επιλέξετε μόνο μία από αυτές για να επιταχύνετε τη μονάδα εκκίνησης που βασίζεται σε SATA. Οι υπόλοιπες μπορούν να χρησιμοποιηθούν μόνο ως μονάδες δίσκου δεδομένων.
- Μην αφαιρείτε απότομα την Optane™ memory. Κάτι τέτοιο θα κάνει το λειτουργικό σύστημα να σταματήσει να λειτουργεί σωστά.
- Εάν θέλετε να αλλάξετε/αφαιρέσετε την Optane™ memory, πρέπει να την απενεργοποιήσετε πρώτα χρησιμοποιώντας την εφαρμογή Intel® Optane™ Memory and Storage Management.
- Μετά την ενεργοποίηση της Optane™ memory, οι σχετικές ρυθμίσεις του BIOS θα παραμείνουν ακόμη και μετά από μια ενημέρωση του BIOS.
Επισκεφθείτε την ιστοσελίδα της GIGABYTE για λεπτομέρειες σχετικά με την ενεργοποίηση μιας Intel® Optane™ memory.
Εγκατάσταση προγραμμάτων οδήγησης
- Πριν εγκαταστήσετε τα προγράμματα οδήγησης, εγκαταστήστε πρώτα το λειτουργικό σύστημα.
- Αφού εγκαταστήσετε το λειτουργικό σύστημα, τοποθετήστε το δίσκο προγραμμάτων οδήγησης μητρικής πλακέτας στην οπτική σας μονάδα. Κάντε κλικ στο μήνυμα "Πατήστε για να επιλέξετε τι θα συμβεί με αυτό το δίσκο" στην επάνω δεξιά γωνία της οθόνης και επιλέξτε "Εκτέλεση Run.exe". (Ή μεταβείτε στον Υπολογιστή μου, κάντε διπλό κλικ στην οπτική μονάδα δίσκου και εκτελέστε το πρόγραμμα Run.exe.)
Το "Xpress Install" θα σαρώσει αυτόματα το σύστημά σας και στη συνέχεια θα παραθέσει όλα τα προγράμματα οδήγησης που συνιστώνται για εγκατάσταση. Μπορείτε να κάνετε κλικ στο κουμπί Xpress Install και το "Xpress Install" θα εγκαταστήσει όλα τα επιλεγμένα προγράμματα οδήγησης. Ή κάντε κλικ στο βέλος
εικονίδιο για να εγκαταστήσετε μεμονωμένα τα προγράμματα οδήγησης που χρειάζεστε.

Επισκεφθείτε την ιστοσελίδα της GIGABYTE για περισσότερες πληροφορίες σχετικά με το λογισμικό.
Επισκεφθείτε την ιστοσελίδα της GIGABYTE για περισσότερες πληροφορίες σχετικά με την αντιμετώπιση προβλημάτων.
GIGA-BYTE TECHNOLOGY CO., LTD.
Διεύθυνση: No.6, Baoqiang Rd., Xindian Dist., New Taipei City 231, Taiwan
ΤΗΛ: +886-2-8912-4000, FAX: +886-2-8912-4005
Τεχνική και μη τεχνική υποστήριξη (Πωλήσεις/Μάρκετινγκ): https://esupport.gigabyte.com
WEB address (Αγγλικά): https://www.gigabyte.com
WEB address (Κινέζικα): https://www.gigabyte.com/tw
GIGABYTE eSupport
Για να υποβάλετε μια τεχνική ή μη τεχνική ερώτηση (Πωλήσεις/Μάρκετινγκ), συνδεθείτε στο: https://esupport.gigabyte.com

Αναφορές
Λήψη εγχειριδίου
Εδώ μπορείτε να κατεβάσετε την πλήρη έκδοση pdf του εγχειριδίου, μπορεί να περιέχει πρόσθετες οδηγίες ασφαλείας, πληροφορίες εγγύησης, κανόνες FCC κ.λπ.
Λήψη Εγχειρίδιο μητρικής πλακέτας GIGABYTE B560I AORUS PRO AX








