Gigabyte B450M DS3H - Manual da Placa-Mãe Micro ATX AM4 Rev. 1101

Layout da Placa-Mãe B450M DS3H

Conteúdo da Caixa
5 Placa-Mãe B450M DS3H
5 Disco de driver da placa-mãe
5 Manual do Usuário
5 Dois cabos SATA
5 Espelho I/O
* O conteúdo da caixa acima é apenas para referência e os itens reais devem depender do pacote do produto que você obtém. O conteúdo da caixa está sujeito a alterações sem aviso prévio.
Instalação de Hardware
Precauções de Instalação
A placa-mãe contém inúmeros circuitos eletrônicos e componentes delicados que podem ser danificados como resultado de descarga eletrostática (ESD). Antes da instalação, leia atentamente o manual do usuário e siga estes procedimentos:
- Antes da instalação, certifique-se de que o chassi é adequado para a placa-mãe.
- Antes da instalação, não remova ou quebre o adesivo S/N (Número de Série) da placa-mãe ou o adesivo de garantia fornecido pelo seu revendedor. Esses adesivos são necessários para a validação da garantia.
- Sempre remova a energia CA desconectando o cabo de alimentação da tomada antes de instalar ou remover a placa-mãe ou outros componentes de hardware.
- Ao conectar componentes de hardware aos conectores internos da placa-mãe, certifique-se de que eles estejam conectados de forma firme e segura.
- Ao manusear a placa-mãe, evite tocar em quaisquer terminais ou conectores de metal.
- É melhor usar uma pulseira antiestática (ESD) ao manusear componentes eletrônicos, como uma placa-mãe, CPU ou memória. Se você não tiver uma pulseira ESD, mantenha as mãos secas e primeiro toque em um objeto de metal para eliminar a eletricidade estática.
- Antes de instalar a placa-mãe, coloque-a em cima de uma almofada antiestática ou dentro de um recipiente de proteção eletrostática.
- Antes de conectar ou desconectar o cabo de alimentação da placa-mãe, certifique-se de que a fonte de alimentação foi desligada.
- Antes de ligar a energia, certifique-se de que a tensão da fonte de alimentação foi definida de acordo com o padrão de tensão local.
- Antes de usar o produto, verifique se todos os cabos e conectores de alimentação de seus hardware componentes estão conectados.
- Para evitar danos à placa-mãe, não permita que os parafusos entrem em contato com o circuito da placa-mãe ou seus componentes.
- Certifique-se de que não haja parafusos ou componentes de metal restantes colocados na placa-mãe ou dentro da carcaça do computador.
- Não coloque o sistema de computador em uma superfície irregular.
- Não coloque o sistema de computador em um ambiente de alta temperatura ou úmido.
- Ligar a energia do computador durante o processo de instalação pode levar a danos aos componentes do sistema, bem como danos físicos ao usuário.
- Se você não tiver certeza sobre alguma etapa de instalação ou tiver um problema relacionado ao uso do produto, consulte um técnico de informática certificado.
- Se você usar um adaptador, cabo de extensão de energia ou régua de energia, certifique-se de consultar suas instruções de instalação e/ou aterramento.
Especificações do Produto
![]() | CPU |
|
![]() | Chipset |
|
![]() | Memória |
|
![]() | Gráficos Onboard |
|
![]() | Áudio |
|
![]() | LAN | Chip Realtek ® GbE LAN (10/100/1000 Mbit) |
![]() | Slots de Expansão |
|
![]() | Tecnologia Multi-Gráficos |
|
![]() | Interface de Armazenamento |
|
![]() | USB |
|
![]() | Conectores Internos |
|
![]() | Conectores do Painel Traseiro |
|
![]() | Controlador de E/S | Chip Controlador de E/S iTE ® |
![]() | Hardware Monitor |
|
![]() | BIOS |
|
![]() | Recursos Exclusivos |
|
![]() | Software Incluso |
|
![]() | Sistema Operacional |
|
![]() | Formato |
|
(Nota) O suporte real pode variar de acordo com a CPU.
* A GIGABYTE reserva-se o direito de fazer quaisquer alterações nas especificações do produto e nas informações relacionadas ao produto sem aviso prévio.

Visite o site da GIGABYTE para obter listas de suporte de CPU, módulos de memória, SSDs e dispositivos M.2.

Visite a página Support\Utility List (Lista de Utilitários de Suporte) no site da GIGABYTE para baixar a versão mais recente dos aplicativos.
Instalando a CPU
Leia as seguintes diretrizes antes de começar a instalar a CPU:
- Certifique-se de que a placa-mãe suporta a CPU. (Acesse o site da GIGABYTE para obter a lista de suporte de CPU mais recente.)
- Sempre desligue o computador e desconecte o cabo de alimentação da tomada antes de instalar a CPU para evitar danos ao hardware.
- Localize o pino um da CPU. A CPU não pode ser inserida se estiver orientada incorretamente.
- Aplique uma camada uniforme e fina de pasta térmica na superfície da CPU.
- Não ligue o computador se o cooler da CPU não estiver instalado, caso contrário, pode ocorrer superaquecimento e danos à CPU.
- Defina a frequência do host da CPU de acordo com as especificações da CPU. Não é recomendado que a frequência do barramento do sistema seja definida além das especificações do hardware, pois não atende aos requisitos padrão para os periféricos. Se você deseja definir a frequência além das especificações padrão, faça-o de acordo com as especificações do seu hardware, incluindo a CPU, placa gráfica, memória, disco rígido, etc.
Instalando a CPU
Localize o pino um (denotado por um pequeno triângulo) do soquete da CPU e da CPU.

Instalando a Memória
Leia as seguintes orientações antes de começar a instalar a memória:
- Certifique-se de que a placa-mãe suporta a memória. Recomenda-se que a memória da mesma capacidade, marca, velocidade e chips seja usada. (Acesse o site da GIGABYTE para obter as velocidades de memória e os módulos de memória suportados mais recentes.)
- Sempre desligue o computador e desconecte o cabo de alimentação da tomada antes de instalar a memória para evitar danos ao hardware.
- Os módulos de memória têm um design à prova de falhas. Um módulo de memória pode ser instalado em apenas uma direção. Se você não conseguir inserir a memória, mude a direção.
Configuração de Memória Dual Channel (Canal Duplo)
Esta placa-mãe fornece quatro slots de memória e suporta a tecnologia Dual Channel (Canal Duplo). Depois que a memória for instalada, o BIOS detectará automaticamente as especificações e a capacidade da memória. Habilitar o modo de memória Dual Channel (Canal Duplo) dobrará a largura de banda da memória original. Os quatro slots de memória são divididos em dois canais e cada canal tem dois slots de memória, como a seguir:
Canal A: DDR4_2, DDR4_4
Canal B: DDR4_1, DDR4_3

Visite o site da GIGABYTE para obter detalhes sobre a instalação do hardware.
Tabela de Configurações de Memória Dual Channel (Canal Duplo)
| DDR4_4 | DDR4_2 | DDR4_3 | DDR4_1 | |
| 2 Módulos | - - | DS/SS | - - | DS/SS |
| DS/SS | - - | DS/SS | - - | |
| 4 Módulos | DS/SS | DS/SS | DS/SS | DS/SS |
(SS=Single-Sided (Um Lado), DS=Double-Sided (Dois Lados), "- -"=Sem Memória)
Devido às limitações da CPU, leia as seguintes orientações antes de instalar a memória no modo Dual Channel (Canal Duplo).
- O modo Dual Channel (Canal Duplo) não pode ser ativado se apenas um módulo de memória estiver instalado.
- Ao ativar o modo Dual Channel (Canal Duplo) com dois ou quatro módulos de memória, recomenda-se que a memória da mesma capacidade, marca, velocidade e chips seja usada. Para um desempenho ideal, ao ativar o modo Dual Channel (Canal Duplo) com dois módulos de memória, recomendamos que você os instale nos slots DDR4_1 e DDR4_2.
Instalando uma Placa de Expansão
Leia as seguintes orientações antes de começar a instalar uma placa de expansão:
- Certifique-se de que a placa-mãe suporta a placa de expansão. Leia atentamente o manual que veio com sua placa de expansão.
- Sempre desligue o computador e desconecte o cabo de alimentação da tomada antes de instalar uma placa de expansão para evitar danos ao hardware.
Conectores do Painel Traseiro

- Porta USB 2.0/1.1
A porta USB suporta a especificação USB 2.0/1.1. Use esta porta para dispositivos USB. - Teclado/Mouse PS/2
Porta Use esta porta para conectar um mouse ou teclado PS/2. - Porta DVI-D (Nota 1)
A porta DVI-D está em conformidade com a especificação DVI-D e suporta uma resolução máxima de 1920x1200@60 Hz (as resoluções reais suportadas dependem do monitor que está sendo usado). Conecte um monitor que suporte conexão DVI-D a esta porta. - Porta HDMI
![]()
A porta HDMI suporta HDCP 2.2 (Nota 2) e os formatos Dolby TrueHD e DTS HD Master Audio. Ele também suporta saída de áudio LPCM de 8 canais de até 192KHz/24bit. Você pode usar esta porta para conectar seu monitor compatível com HDMI. A resolução máxima suportada é 4096x2160@60 Hz (Nota 2), mas as resoluções reais suportadas dependem do monitor que está sendo usado.
![]()
Depois de instalar o dispositivo HDMI, certifique-se de definir o dispositivo de reprodução de som padrão para HDMI. (O nome do item pode ser diferente dependendo do seu sistema operacional.)
(Nota 1) A porta DVI-D não suporta conexão D-Sub por adaptador.
(Nota 2) O suporte real pode variar de acordo com a CPU. - Porta USB 3.1 Gen 1
A porta USB 3.1 Gen 1 suporta a especificação USB 3.1 Gen 1 e é compatível com a especificação USB 2.0. Use esta porta para dispositivos USB. - Porta LAN RJ-45
A porta Gigabit Ethernet LAN fornece conexão à Internet com taxa de dados de até 1 Gbps. A seguir, descreve os estados dos LEDs da porta LAN.
![]()
LED de Conexão/Velocidade:Estado Descrição Laranja Taxa de dados de 1 Gbps Verde Taxa de dados de 100 Mbps Desligado Taxa de dados de 10 Mbps LED de Atividade:
Estado Descrição Piscando A transmissão ou o recebimento de dados está ocorrendo Desligado Nenhuma transmissão ou recebimento de dados está ocorrendo
- Entrada de Linha/Saída de Alto-falante Traseiro (Azul)
O conector de entrada de linha. Use este conector de áudio para dispositivos de entrada de linha, como uma unidade óptica, walkman, etc. - Saída de Linha/Saída de Alto-falante Frontal (Verde)
O conector de saída de linha. - Entrada de Microfone/Saída de Alto-falante Central/Subwoofer (Rosa)
O conector de entrada de microfone.
Configurações do Conector de Áudio:
| Conector | Fone de ouvido/ 2 canais | 4 canais | 6 canais | 8 canais | |
| g | Entrada de Linha/Saída de Alto-falante Traseiro | | | ![]() | |
| h | Saída de Linha/Saída de Alto-falante Frontal | ![]() | | ![]() | ![]() |
| i | Entrada de Microfone/Saída de Alto-falante Central/Subwoofer | | ![]() | ||
| Saída de Linha do Painel Frontal/Saída de Alto-falante Lateral | ![]() | ||||
- Ao remover o cabo conectado a um conector do painel traseiro, primeiro remova o cabo do seu dispositivo e, em seguida, remova-o da placa-mãe.
- Ao remover o cabo, puxe-o diretamente para fora do conector. Não o balance de um lado para o outro para evitar um curto-circuito elétrico dentro do conector do cabo.

Para configurar o áudio de 7.1 canais, você deve usar um módulo de áudio do painel frontal HD e habilitar o recurso de áudio multicanal por meio do driver de áudio.

Visite o site da GIGABYTE para obter detalhes sobre a configuração do software de áudio.
Conectores Internos

- ATX_12V
- ATX
- CPU_FAN
- SYS_FAN1
- LED_CPU
- SATA3 0/1/2/3
- M2A_SOCKET
- SPDIF_O
- F_PANEL
- F_AUDIO
- F_USB30
- F_USB1/F_USB2
- COM
- TPM
- BAT
- CLR_CMOS
Leia as seguintes orientações antes de conectar dispositivos externos:
- Primeiro, certifique-se de que seus dispositivos são compatíveis com os conectores que você deseja conectar.
- Antes de instalar os dispositivos, certifique-se de desligar os dispositivos e o computador. Desconecte o cabo de alimentação da tomada para evitar danos aos dispositivos.
- Após instalar o dispositivo e antes de ligar o computador, certifique-se de que o cabo do dispositivo foi conectado com segurança ao conector na placa-mãe.
1/2) ATX_12V/ATX (Conector de Alimentação 2x4 12V e Conector de Alimentação Principal 2x12)
Com o uso do conector de alimentação, a fonte de alimentação pode fornecer energia estável suficiente para todos os componentes da placa-mãe. Antes de conectar o conector de alimentação, primeiro certifique-se de que a fonte de alimentação está desligada e todos os dispositivos estão instalados corretamente. O conector de alimentação possui um design à prova de falhas. Conecte o cabo de alimentação ao conector de alimentação na orientação correta. O conector de alimentação de 12V fornece energia principalmente para a CPU. Se o conector de alimentação de 12V não estiver conectado, o computador não iniciará.

Para atender aos requisitos de expansão, recomenda-se que seja usada uma fonte de alimentação que possa suportar alto consumo de energia (500W ou superior). Se for usada uma fonte de alimentação que não forneça a energia necessária, o resultado pode levar a um sistema instável ou não inicializável.

ATX_12V:
| Nº do Pino | Definição | Nº do Pino | Definição |
| 1 | GND (Apenas para 2x4 pinos 12V) | 5 | +12V (Apenas para 2x4 pinos 12V) |
| 2 | GND (Apenas para 2x4 pinos 12V) | 6 | +12V (Apenas para 2x4 pinos 12V) |
| 3 | GND | 7 | +12V |
| 4 | GND | 8 | +12V |
ATX:
| Nº do Pino | Definição | Nº do Pino Definição | Definição |
| 1 | 3.3V | 13 | 3.3V |
| 2 | 3.3V | 14 | -12V |
| 3 | GND | 15 | GND |
| 4 | +5V | 16 | PS_ON (soft On/Off) |
| 5 | GND | 17 | GND |
| 6 | +5V | 18 | GND |
| 7 | GND | 19 | GND |
| 8 | Power Good | 20 | NC |
| 9 | 5VSB (stand by +5V) | 21 | +5V |
| 10 | +12V | 22 | +5V |
| 11 | +12V (Apenas para 2x12 pinos ATX) | 23 | +5V (Apenas para 2x12 pinos ATX) |
| 12 | 3.3V (Apenas para 2x12 pinos ATX) | 24 | GND (Apenas para 2x12 pinos ATX) |
3/4) CPU_FAN/SYS_FAN1 (Headers da Ventoinha)
Todos os headers da ventoinha nesta placa-mãe são de 4 pinos. A maioria dos headers da ventoinha possui um design de inserção à prova de falhas. Ao conectar um cabo de ventoinha, certifique-se de conectá-lo na orientação correta (o fio do conector preto é o fio terra). A placa-mãe suporta o controle de velocidade da ventoinha da CPU, o que requer o uso de uma ventoinha da CPU com design de controle de velocidade da ventoinha. Para uma dissipação de calor ideal, recomenda-se que uma ventoinha do sistema seja instalada dentro do chassi.

| Nº do Pino | Definição |
| 1 | GND |
| 2 | Controle de Velocidade de Voltagem |
| 3 | Sensor |
| 4 | Controle de Velocidade PWM |
- Certifique-se de conectar os cabos da ventoinha aos headers da ventoinha para evitar que sua CPU e sistema superaqueçam. O superaquecimento pode resultar em danos à CPU ou o sistema pode travar.
- Esses headers da ventoinha não são blocos de jumper de configuração. Não coloque uma tampa de jumper nos headers.
- LED_CPU (Header da Faixa de LED do Cooler da CPU/Faixa de LED RGB)
O header pode ser usado para conectar uma faixa de LED do cooler da CPU ou uma faixa de LED RGB 5050 padrão (12V/G/R/B), com potência máxima de 2A (12V) e comprimento máximo de 2m.
Nº do Pino Definição 1 12V 2 G 3 R 4 B Conecte a faixa de LED do cooler da CPU/faixa de LED RGB ao conector. O pino de energia (marcado com um triângulo no plugue) da faixa de LED deve ser conectado ao Pino 1 (12V) deste conector. A conexão incorreta pode danificar a faixa de LED.
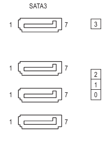
- SATA3 0/1/2/3 (Conectores SATA 6Gb/s)
Os conectores SATA estão em conformidade com o padrão SATA 6Gb/s e são compatíveis com os padrões SATA 3Gb/s e SATA 1.5Gb/s. Cada conector SATA suporta um único dispositivo SATA. Os conectores SATA suportam RAID 0, RAID 1 e RAID 10. Consulte "Configurando um Conjunto RAID" no Capítulo para obter instruções sobre como configurar um array RAID.
Nº do pino Definição 1 GND 2 TXP 3 TXN 4 GND 5 RXN 6 RXP 7 GND
- M2A_SOCKET (Conector M.2 Socket 3)
Os conectores M.2 suportam SSDs M.2 SATA ou SSDs M.2 PCIe e suportam configuração RAID. Observe que um SSD M.2 PCIe não pode ser usado para criar um conjunto RAID com um disco rígido SATA. Para criar um array RAID com um SSD M.2 PCIe, você deve configurar a configuração no modo UEFI BIOS. Consulte "Configurando um Conjunto RAID" no Capítulo para obter instruções sobre como configurar um array RAID.
![]()
Siga os passos abaixo para instalar corretamente um SSD M.2 no conector M.2.- Use uma chave de fenda para soltar o parafuso e a porca da placa-mãe. Localize o orifício de montagem adequado para o SSD M.2 a ser instalado e, em seguida, aparafuse primeiro a porca. Deslize o SSD M.2 no conector em um ângulo.
- Pressione o SSD M.2 para baixo e, em seguida, prenda-o com o parafuso.
![]()
Selecione o orifício adequado para o SSD M.2 a ser instalado e reaperte o parafuso e a porca.
- SPDIF_O (Conector de Saída S/PDIF)
Este conector suporta saída S/PDIF digital e conecta um cabo de áudio digital S/PDIF (fornecido por placas de expansão) para saída de áudio digital da sua placa-mãe para certas placas de expansão, como placas de vídeo e placas de som. Por exemplo, algumas placas de vídeo podem exigir que você use um cabo de áudio digital S/PDIF para saída de áudio digital da sua placa-mãe para sua placa de vídeo se você deseja conectar um monitor HDMI à placa de vídeo e ter saída de áudio digital do monitor HDMI ao mesmo tempo. Para obter informações sobre como conectar o cabo de áudio digital S/PDIF, leia atentamente o manual da sua placa de expansão.
Nº do pino Definição 1 5VDUAL 2 Sem pino 3 SPDIFO 4 GND
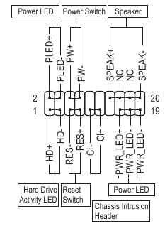
- F_PANEL (Conector do Painel Frontal)
Conecte o botão de energia, o botão de reset, o alto-falante, o interruptor/sensor de intrusão do chassi e o indicador de status do sistema no chassi a este conector de acordo com as atribuições de pinos abaixo. Observe os pinos positivo e negativo antes de conectar os cabos.
![]()
- PLED/PWR_LED (LED de energia):
Conecta-se ao indicador de status de energia no painel frontal do chassi. O LED está aceso quando o sistema está operando. O LED está apagado quando o sistema está no estado de suspensão S3/S4 ou desligado (S5).LED de status do sistema S0 Ligado S3/S4/S5 Desligado
- PW (Botão de energia):
Conecta-se ao botão de energia no painel frontal do chassi. Você pode configurar a maneira de desligar seu sistema usando o botão de energia (consulte "Configuração do BIOS", "Gerenciamento de energia" no Capítulo para obter mais informações). - SPEAK (Alto-falante):
Conecta-se ao alto-falante no painel frontal do chassi. O sistema relata o status de inicialização do sistema emitindo um código de bipe. Um único bipe curto será ouvido se nenhum problema for detectado na inicialização do sistema.
- HD (LED de atividade do disco rígido): Conecta-se ao LED de atividade do disco rígido no painel frontal do chassi. O LED está aceso quando o disco rígido está lendo ou gravando dados.
- RES (Botão de reset):
Conecta-se ao botão de reset no painel frontal do chassi. Pressione o botão de reset para reiniciar o computador se o computador travar e não conseguir realizar uma reinicialização normal. - CI (Conector de intrusão do chassi): Conecta-se ao interruptor/sensor de intrusão do chassi no chassi que pode detectar se a tampa do chassi foi removida. Esta função requer um chassi com um interruptor/sensor de intrusão do chassi.
- NC: Sem conexão.
![]()
O design do painel frontal pode diferir por chassi. Um módulo de painel frontal consiste principalmente em botão de energia, botão de reset, LED de energia, LED de atividade do disco rígido, alto-falante e etc. Ao conectar o módulo do painel frontal do seu chassi a este conector, certifique-se de que as atribuições de fios e as atribuições de pinos correspondam corretamente.
- F_AUDIO (Conector de áudio do painel frontal)
O conector de áudio do painel frontal suporta áudio de alta definição (HD). Você pode conectar o módulo de áudio do painel frontal do seu chassi a este conector. Certifique-se de que as atribuições de fios do conector do módulo correspondam às atribuições de pinos do conector da placa-mãe. A conexão incorreta entre o conector do módulo e o conector da placa-mãe fará com que o dispositivo não consiga funcionar ou até mesmo danificá-lo.
Nº do pino B Definição Nº do pino Definição 1 MIC2_L 6 Sense 2 GND 7 FAUDIO_JD 3 MIC2_R 8 Sem pino 4 NC 9 LINE2_L 5 LINE2_R 10 Sense ![]()
Alguns chassis fornecem um módulo de áudio do painel frontal que possui conectores separados em cada fio em vez de um único plugue. Para obter informações sobre como conectar o módulo de áudio do painel frontal que possui atribuições de fios diferentes, entre em contato com o fabricante do chassi.
- F_USB30 (Conector USB 3.1 Gen 1)
O conector está em conformidade com a especificação USB 3.1 Gen 1 e USB 2.0 e pode fornecer duas portas USB. Para comprar o painel frontal opcional de 3,5" que fornece duas portas USB 3.1 Gen 1, entre em contato com o revendedor local.
Nº do pino Definição Nº do pino Definição 1 VBUS 11 D2+ 2 SSRX1- 12 D2- 3 SSRX1+ 13 GND 4 GND 14 SSTX2+ 5 SSTX1- 15 SSTX2- 6 SSTX1+ 16 GND 7 GND 17 SSRX2+ 8 D1- 18 SSRX2- 9 D1+ 19 VBUS 10 NC 20 Sem pino
- F_USB1/F_USB2 (Conectores USB 2.0/1.1)
Os conectores estão em conformidade com a especificação USB 2.0/1.1. Cada conector USB pode fornecer duas portas USB através de um suporte USB opcional. Para comprar o suporte USB opcional, entre em contato com o revendedor local.
Nº do pino Definição Nº do pino Definição Definição 1 Energia (5V) 6 USB DY+ 2 Energia (5V) 7 S GND 3 USB DX- 8 GND 4 USB DY- 9 Sem pino 5 USB DX+ 10 NC 1 2 3 - Não conecte o cabo do bracket IEEE 1394 (2x5 pinos) no header USB 2.0/1.1.
- Antes de instalar o bracket USB, certifique-se de desligar o computador e desconectar o cabo de alimentação da tomada para evitar danos ao bracket USB.
- COM (Serial Port Header)
O header COM pode fornecer uma porta serial através de um cabo de porta COM opcional. Para adquirir o cabo de porta COM opcional, entre em contato com o revendedor local.
Pin No. Definição Pin No. Definition Definição 1 NDCD- 6 NDSR- 2 NSIN 7 NRTS- 3 NSOUT 8 NCTS- 4 NDTR- S F 9 NRI- 5 GND 10 No Pin
- TPM (Trusted Platform Module Header)
Você pode conectar um TPM (Trusted Platform Module) a este header.
Pin No. Definição Pin No. Definition Definição 1 LCLK 11 LAD0 2 GND 12 GND 3 LFRAME 13 NC 4 No Pin 14 NC 5 LRESET 15 SB3V 6 NC 16 SERIRQ 7 LAD3 17 GND 8 LAD2 18 NC 9 VCC3 19 NC 10 LAD1 20 NC
- BAT (Battery)
A bateria fornece energia para manter os valores (como configurações do BIOS, informações de data e hora) no CMOS quando o computador está desligado. Substitua a bateria quando a voltagem da bateria cair para um nível baixo, ou os valores do CMOS podem não ser precisos ou podem ser perdidos.
![]()
Você pode limpar os valores do CMOS removendo a bateria:- Desligue o computador e desconecte o cabo de alimentação.
- Remova cuidadosamente a bateria do suporte da bateria e espere um minuto. (Ou use um objeto de metal como uma chave de fenda para tocar os terminais positivo e negativo do suporte da bateria, fazendo com que eles entrem em curto por 5 segundos.)
- Substitua a bateria.
- Conecte o cabo de alimentação e reinicie o computador.
- Sempre desligue o computador e desconecte o cabo de alimentação antes de substituir a bateria.
- Substitua a bateria por uma equivalente. Danos aos seus dispositivos podem ocorrer se a bateria for substituída por um modelo incorreto.
- Entre em contato com o local de compra ou revendedor local se você não conseguir substituir a bateria sozinho ou não tiver certeza sobre o modelo da bateria.
- Ao instalar a bateria, observe a orientação do lado positivo (+) e do lado negativo (-) da bateria (o lado positivo deve estar voltado para cima).
- As baterias usadas devem ser manuseadas de acordo com os regulamentos ambientais locais.
- CLR_CMOS (Clear CMOS Jumper)
Use este jumper para limpar a configuração do BIOS e redefinir os valores do CMOS para os padrões de fábrica. Para limpar os valores do CMOS, use um objeto de metal como uma chave de fenda para tocar os dois pinos por alguns segundos.
![]()
- Sempre desligue o computador e desconecte o cabo de alimentação da tomada antes de limpar os valores do CMOS.
- Após a reinicialização do sistema, vá para a configuração do BIOS para carregar os padrões de fábrica (selecione Load Optimized Defaults) ou configure manualmente as configurações do BIOS (consulte "BIOS Setup" (Configuração do BIOS), Capítulo para configurações do BIOS).
Configuração do BIOS
O BIOS (Basic Input and Output System - Sistema Básico de Entrada e Saída) registra os parâmetros de hardware do sistema no CMOS na placa-mãe. Suas principais funções incluem conduzir o Power-On Self-Test (POST) (autoteste ao ligar) durante a inicialização do sistema, salvar os parâmetros do sistema e carregar o sistema operacional, etc. O BIOS inclui um programa de Configuração do BIOS que permite ao usuário modificar as configurações básicas do sistema ou ativar certos recursos do sistema. Quando a energia é desligada, a bateria na placa-mãe fornece a energia necessária para o CMOS para manter os valores de configuração no CMOS. Para acessar o programa de Configuração do BIOS, pressione a tecla <Delete> durante o POST quando a energia é ligada. Para atualizar o BIOS, use o GIGABYTE Q-Flash ou o utilitário @BIOS.
- O Q-Flash permite que o usuário atualize ou faça backup do BIOS de forma rápida e fácil sem entrar no sistema operacional.
- @BIOS é um utilitário baseado no Windows que pesquisa e baixa a versão mais recente do BIOS da Internet e atualiza o BIOS.
- Como o flashing do BIOS é potencialmente arriscado, se você não encontrar problemas ao usar a versão atual do BIOS, é recomendável que você não faça o flashing do BIOS. Para fazer o flashing do BIOS, faça-o com cautela. O flashing inadequado do BIOS pode resultar em mau funcionamento do sistema.
- Recomenda-se que você não altere as configurações padrão (a menos que precise) para evitar instabilidade do sistema ou outros resultados inesperados. A alteração inadequada das configurações pode resultar na falha de inicialização do sistema. Se isso ocorrer, tente limpar os valores do CMOS e redefinir a placa para os valores padrão. (Consulte a seção "Load Optimized Defaults" (Carregar Padrões Otimizados) neste capítulo ou as introduções do jumper da bateria/limpar CMOS para saber como limpar os valores do CMOS.)
Tela de inicialização
A seguinte tela de logotipo de inicialização aparecerá quando o computador for inicializado. (Exemplo de versão do BIOS: F1c)

Existem dois modos de BIOS diferentes, como segue, e você pode usar a tecla <F2> para alternar entre os dois modos. O modo de configuração clássico fornece configurações detalhadas do BIOS. Você pode pressionar as teclas de seta no teclado para se mover entre os itens e pressionar <Enter> para aceitar ou entrar em um submenu. Ou você pode usar o mouse para selecionar o item desejado. O Easy Mode (Modo Fácil) permite que os usuários visualizem rapidamente as informações atuais do sistema ou façam ajustes para obter o desempenho ideal. No Easy Mode (Modo Fácil), você pode usar o mouse para percorrer os itens de configuração.
- Quando o sistema não estiver estável como de costume, selecione o item Load Optimized Defaults (Carregar Padrões Otimizados) para definir o sistema para seus padrões.
- Os menus de configuração do BIOS descritos neste capítulo são apenas para referência e podem diferir de acordo com a versão do BIOS.
O Menu Principal

Teclas de Função de Configuração Clássica
![]() | Mova a barra de seleção para selecionar um menu de configuração |
![]() | Mova a barra de seleção para selecionar um item de configuração em um menu |
| <Enter> | Executar comando ou entrar em um menu |
| <+>/<Page Up> | Aumentar o valor numérico ou fazer alterações |
| <->/<Page Down> | Diminuir o valor numérico ou fazer alterações |
| <F1> | Mostrar descrições das teclas de função |
| <F2> | Mudar para o Easy Mode (Modo Fácil) |
| <F5> | Restaurar as configurações anteriores do BIOS para os submenus atuais |
| <F7> | Carregar as configurações padrão otimizadas do BIOS para os submenus atuais |
| <F8> | Acessar o utilitário Q-Flash |
| <F9> | Exibir informações do sistema |
| <F10> | Salvar todas as alterações e sair do programa de Configuração do BIOS |
| <F12> | Capture a tela atual como uma imagem e salve-a em sua unidade USB |
| <Esc> | Menu Principal: Sair do programa de Configuração do BIOS Submenus: Sair do submenu atual |
M.I.T.

Se o sistema funcionará de forma estável com as configurações de overclock/sobretensão que você fez depende das configurações gerais do seu sistema. Fazer overclock/sobretensão incorretamente pode resultar em danos à CPU, chipset ou memória e reduzir a vida útil desses componentes. Esta página é apenas para usuários avançados e recomendamos que você não altere as configurações padrão para evitar instabilidade do sistema ou outros resultados inesperados. (Alterar inadequadamente as configurações pode resultar na falha de inicialização do sistema. Se isso ocorrer, limpe os valores do CMOS e reinicie a placa para os valores padrão.)
- Configurações Avançadas de Frequência
Host Clock (Clock do Host)
Valor Exibe a frequência operacional atual do Clock do Host.
GFX Clock Frequency (Nota)
Permite alterar a frequência da GPU. Depois de alterar as configurações de GFX Clock Frequency (Frequência do Clock da GFX), certifique-se de ajustar as configurações de GFX Core Voltage (Tensão do Núcleo da GFX). (Padrão: Auto)
NOTA: A faixa ajustável depende da CPU instalada. Auto permite que o BIOS configure automaticamente esta configuração.
GFX Core Voltage (Nota)
Permite alterar a tensão da GPU. (Padrão: Auto)
NOTA: A faixa ajustável depende da CPU instalada. Auto permite que o BIOS configure automaticamente esta configuração.
CPU Clock Ratio
Permite alterar a taxa de clock da CPU instalada. A faixa ajustável depende da CPU instalada.
CPU Frequency (Frequência da CPU)
Exibe a frequência operacional atual da CPU. - Configurações Avançadas do Núcleo da CPU
CPU Clock Ratio (Taxa de Clock da CPU), CPU Frequency (Frequência da CPU)
As configurações acima são síncronas com os mesmos itens no menu Advanced Frequency Settings (Configurações Avançadas de Frequência).
(Nota)
Este item está presente apenas quando você instala uma CPU que suporta este recurso.
Core Performance Boost
Permite determinar se deve habilitar a tecnologia Core Performance Boost (CPB), uma tecnologia de aumento de desempenho da CPU. (Padrão: Auto)
AMD Cool&Quiet function
Enabled (Ativado)Permite que o driver AMD Cool'n'Quiet ajuste dinamicamente o clock da CPU e o VID para reduzir a saída de calor do seu computador e seu consumo de energia. (Padrão)
Disabled (Desativado)Desativa esta função.
SVM Mode
A virtualização aprimorada pela Virtualization Technology permitirá que uma plataforma execute vários sistemas operacionais e aplicativos em partições independentes. Com a virtualização, um sistema de computador pode funcionar como vários sistemas virtuais. (Padrão: Desativado)
Global C-state Control
Permite determinar se deve permitir que a CPU entre nos estados C. Quando ativado, a frequência do núcleo da CPU será reduzida durante o estado de parada do sistema para diminuir o consumo de energia. (Padrão: Ativado)
Power Supply Idle Control
Ativa ou desativa o Package C6 State (Estado C6 do Pacote).
Typical Current IdleDesativa esta função.
Low Current IdleAtiva esta função.
AutoPermite que o BIOS configure automaticamente esta configuração. (Padrão)
Opcache Control (Nota 1)
Ativa ou desativa o Opcache. Auto permite que o BIOS configure automaticamente esta configuração. (Padrão: Auto)
Downcore Control
Permite selecionar o número de núcleos da CPU a serem ativados (o número de núcleos da CPU pode variar de acordo com a CPU). Auto permite que o BIOS configure automaticamente esta configuração. (Padrão: Auto)
SMT Mode
Permite ativar ou desativar a tecnologia CPU Simultaneous Multi-Threading (Multithreading Simultâneo da CPU). Este recurso funciona apenas para sistemas operacionais que suportam o modo multi-processador. Auto permite que o BIOS configure automaticamente esta configuração. (Padrão: Auto)
Extreme Memory Profile (X.M.P.) (Nota 2)
Permite que o BIOS leia os dados SPD no(s) módulo(s) de memória XMP para melhorar o desempenho da memória quando ativado.
Disabled (Desativado)Desativa esta função. (Padrão)
Profile1Usa as configurações do Profile 1 (Perfil 1).
Profile2 (Nota 2)Usa as configurações do Profile 2 (Perfil 2).
System Memory Multiplier
Permite definir o multiplicador da memória do sistema. Auto define o multiplicador da memória de acordo com os dados SPD da memória. (Padrão: Auto)
Memory Frequency (MHz) (Frequência da Memória (MHz))
O primeiro valor de frequência da memória é a frequência operacional normal da memória que está sendo usada; o segundo é a frequência da memória que é ajustada automaticamente de acordo com as configurações do System Memory Multiplier (Multiplicador da Memória do Sistema). -
Advanced Memory Settings
Extreme Memory Profile (X.M.P.) (Nota 2), System Memory Multiplier (Multiplicador da Memória do Sistema), Memory Frequency(Mhz) (Frequência da Memória(Mhz))
As configurações acima são síncronas com os mesmos itens no menu Advanced Frequency Settings (Configurações Avançadas de Frequência).
(Nota 1) Este item está presente apenas quando você instala uma CPU que suporta este recurso.
(Nota 2) Este item está presente apenas quando você instala uma CPU e um módulo de memória que suportam este recurso.
Memory Timing Mode
Manual permite que as configurações de tempo da memória abaixo sejam configuráveis. As opções são: Auto (padrão), Manual.
Profile DDR Voltage
Ao usar um módulo de memória não-XMP ou Extreme Memory Profile (X.M.P.) está definido como Disabled (Desativado), o valor é exibido de acordo com a especificação da sua memória. Quando Extreme Memory Profile (X.M.P.) está definido como Profile1 (Perfil 1) ou Profile2 (Perfil 2), o valor é exibido de acordo com os dados SPD na memória XMP.
- Standard Timing Control (Controle de Tempo Padrão), Advanced Timing Control (Controle de Tempo Avançado), CAD Bus Setup Timing (Tempo de Configuração do Barramento CAD), CAD Bus Drive Strength (Força de Acionamento do Barramento CAD), Data Bus Configuration (Configuração do Barramento de Dados)
Estas seções fornecem configurações de tempo da memória. As respectivas telas de configuração de tempo são configuráveis apenas quando Memory Timing Mode (Modo de Tempo da Memória) está definido como Manual. Nota: Seu sistema pode se tornar instável ou falhar ao inicializar depois que você fizer alterações nos tempos da memória. Se isso ocorrer, reinicie a placa para os valores padrão carregando os padrões otimizados ou limpando os valores do CMOS.
- Advanced Voltage Settings
Este submenu permite que você defina as tensões da CPU, chipset e memória. - PC Health Status
Reset Case Open Status
Disabled (Desativado)Mantém ou limpa o registro do status anterior de intrusão no chassi. (Padrão)
Enabled (Ativado)Limpa o registro do status anterior de intrusão no chassi e o campo Case Open (Gabinete Aberto) mostrará "No" (Não) na próxima inicialização.
Case Open
Exibe o status de detecção do dispositivo de detecção de intrusão no chassi conectado ao header CI da placa-mãe. Se a tampa do chassi do sistema for removida, este campo mostrará "Yes" (Sim), caso contrário, mostrará "No" (Não). Para limpar o registro de status de intrusão no chassi, defina Reset Case Open Status (Redefinir Status de Gabinete Aberto) como Enabled (Ativado), salve as configurações no CMOS e reinicie o sistema.
CPU Vcore/CPU VDDP/DRAM Channel A/B Voltage/+3.3V/+5V/+12V/VCORE SOC
Exibe as tensões atuais do sistema. -
Miscellaneous Settings
PCIe Slot Configuration
Permite definir o modo de operação dos slots PCI Express para Gen 1, Gen 2 ou Gen 3. O modo de operação real está sujeito à especificação de hardware de cada slot. Auto permite que o BIOS configure automaticamente esta configuração. (Padrão: Auto)
3DMark01 Enhancement
Permite determinar se deve melhorar algum desempenho de benchmark legado. (Padrão: Desativado)
- Smart Fan 5 Settings
Monitor
Permite selecionar um alvo para monitorar e fazer ajustes adicionais. (Padrão: CPU FAN)
Fan Speed Control
Permite determinar se deve habilitar a função de controle de velocidade do ventilador e ajustar a velocidade do ventilador.
NormalPermite que o ventilador funcione em diferentes velocidades de acordo com a temperatura. Você pode ajustar a velocidade do ventilador com o System Information Viewer com base nos requisitos do seu sistema. (Padrão)
Silent (Silencioso)Permite que o ventilador funcione em velocidades lentas.
ManualPermite controlar a velocidade do ventilador no gráfico de curvas.
Full Speed (Velocidade Máxima)Permite que o ventilador funcione em velocidades máximas.
Fan Control Use Temperature Input
Permite selecionar a temperatura de referência para o controle de velocidade do ventilador.
Temperature Interval
Permite selecionar o intervalo de temperatura para a mudança de velocidade do ventilador.
Fan Control Mode
AutoPermite que o BIOS detecte automaticamente o tipo de ventilador instalado e defina o modo de controle ideal. (Padrão)
Voltage (Tensão)O modo de tensão é recomendado para um ventilador de 3 pinos.
PWMO modo PWM é recomendado para um ventilador de 4 pinos.
Fan Stop
Ativa ou desativa a função de parada do ventilador. Você pode definir o limite de temperatura usando a curva de temperatura.
O ventilador para de funcionar quando a temperatura está abaixo do limite. (Padrão: Desativado)
Temperature
Exibe a temperatura atual da área alvo selecionada.
Fan Speed
Exibe as velocidades atuais do ventilador.
Temperature Warning
Define o limite de aviso para a temperatura. Quando a temperatura excede o limite, o BIOS emitirá um som de aviso. As opções são: Disabled (Desativado) (padrão), 60 o C/140 o F, 70 o C/158 o F, 80 o C/176 o F, 90
Fan Fail Warning
Permite que o sistema emita um som de aviso se o ventilador não estiver conectado ou falhar. Verifique a condição do ventilador ou a conexão do ventilador quando isso ocorrer. (Padrão: Desativado)
Sistema

Esta seção fornece informações sobre o modelo da sua placa-mãe e a versão da BIOS. Você também pode selecionar o idioma padrão usado pela BIOS e definir manualmente a hora do sistema.
Idioma do Sistema (System Language)
Seleciona o idioma padrão usado pela BIOS.
Data do Sistema (System Date)
Define a data do sistema. O formato da data é semana (somente leitura), mês, dia e ano. Use <Enter> para alternar entre os campos Mês, Dia e Ano e use a tecla <Page Up> ou <Page Down> para definir o valor desejado.
Hora do Sistema (System Time)
Define a hora do sistema. O formato da hora é hora, minuto e segundo. Por exemplo, 1 p.m. é 13:00:00. Use <Enter> para alternar entre os campos Hora, Minuto e Segundo e use a tecla <Page Up> ou <Page Down> para definir o valor desejado.
Nível de Acesso (Access Level)
Exibe o nível de acesso atual, dependendo do tipo de proteção por senha usado. (Se nenhuma senha for definida, o padrão será exibido como Administrador.) O nível de Administrador permite que você faça alterações em todas as configurações da BIOS; o nível de Usuário permite que você faça alterações apenas em certas configurações da BIOS, mas não em todas.
BIOS

Boot Option Priorities
Especifica a ordem geral de inicialização a partir dos dispositivos disponíveis. Dispositivos de armazenamento removíveis que suportam o formato GPT serão prefixados com a string "UEFI:" na lista de dispositivos de inicialização. Para inicializar a partir de um sistema operacional que suporte o particionamento GPT, selecione o dispositivo prefixado com a string "UEFI:". Ou, se você quiser instalar um sistema operacional que suporte o particionamento GPT, como o Windows 10 64-bit, selecione a unidade óptica que contém o disco de instalação do Windows 10 64-bit e é prefixada com a string "UEFI:".
Hard Drive/CD/DVD ROM Drive/Floppy Drive/Network Device BBS Priorities
Especifica a ordem de inicialização para um tipo de dispositivo específico, como discos rígidos, unidades ópticas, unidades de disquete e dispositivos que suportam a função "Boot from LAN" (Inicializar da LAN), etc. Pressione <Enter> neste item para entrar no submenu que apresenta os dispositivos do mesmo tipo que estão conectados. Este item está presente apenas se pelo menos um dispositivo para este tipo estiver instalado.
Bootup NumLock State
Ativa ou desativa o recurso Numlock no teclado numérico do teclado após o POST (Power-On Self-Test). (Padrão: On (Ligado))
Security Option (Opção de Segurança)
Especifica se uma senha é necessária sempre que o sistema é inicializado ou apenas quando você entra na configuração da BIOS. Depois de configurar este item, defina as senhas no item Administrator Password/User Password (Senha do Administrador/Senha do Usuário).
Setup (Configuração) | Uma senha é necessária apenas para entrar no programa de configuração da BIOS. |
System (Sistema) | Uma senha é necessária para inicializar o sistema e para entrar no programa de configuração da BIOS. (Padrão) |
Full Screen LOGO (LOGO em Tela Cheia)
Permite determinar se deve exibir o logotipo da GIGABYTE na inicialização do sistema. "Disabled" (Desativado) ignora o logotipo da GIGABYTE quando o sistema é iniciado. (Padrão: Enabled (Ativado))
Fast Boot
Ativa ou desativa o "Fast Boot" (Inicialização Rápida) para encurtar o processo de inicialização do sistema operacional. "Ultra Fast" (Ultra Rápido) oferece a velocidade de inicialização mais rápida. (Padrão: Disabled (Desativado))
SATA Support
All Sata Devices (Todos os Dispositivos SATA) | Todos os dispositivos SATA são funcionais no sistema operacional e durante o POST (Power-On Self-Test). |
Last Boot HDD Only (Apenas o Último HDD de Inicialização) | Com exceção da unidade de inicialização anterior, todos os dispositivos SATA são desativados antes que o processo de inicialização do sistema operacional seja concluído. (Padrão) |
Este item é configurável apenas quando "Fast Boot" (Inicialização Rápida) está definido como "Enabled" (Ativado) ou "Ultra Fast" (Ultra Rápido).
VGA Support
Permite selecionar qual tipo de sistema operacional inicializar.
Auto | Ativa apenas a opção ROM legada. |
EFI Driver (Driver EFI) | Ativa a opção ROM EFI. (Padrão) |
Este item é configurável apenas quando "Fast Boot" (Inicialização Rápida) está definido como "Enabled" (Ativado) ou "Ultra Fast" (Ultra Rápido).
USB Support
Disabled (Desativado) | Todos os dispositivos USB são desativados antes que o processo de inicialização do sistema operacional seja concluído. |
Full Initial (Inicialização Completa) | Todos os dispositivos USB são funcionais no sistema operacional e durante o POST (Power-On Self-Test). (Padrão) |
Partial Initial (Inicialização Parcial) | Parte dos dispositivos USB são desativados antes que o processo de inicialização do sistema operacional seja concluído. |
Este item é configurável apenas quando "Fast Boot" (Inicialização Rápida) está definido como "Enabled" (Ativado). Esta função é desativada quando "Fast Boot" (Inicialização Rápida) está definido como "Ultra Fast" (Ultra Rápido).
PS2 Devices Support
Disabled (Desativado) | Todos os dispositivos PS/2 são desativados antes que o processo de inicialização do sistema operacional seja concluído. |
Enabled (Ativado) | Todos os dispositivos PS/2 são funcionais no sistema operacional e durante o POST (Power-On Self-Test). (Padrão) |
Este item é configurável apenas quando "Fast Boot" (Inicialização Rápida) está definido como "Enabled" (Ativado). Esta função é desativada quando "Fast Boot" (Inicialização Rápida) está definido como "Ultra Fast" (Ultra Rápido).
NetWork Stack Driver Support
Disabled (Desativado) | Desativa a inicialização a partir da rede. (Padrão) |
Enabled (Ativado) | Ativa a inicialização a partir da rede. |
Este item é configurável apenas quando "Fast Boot" (Inicialização Rápida) está definido como "Enabled" (Ativado) ou "Ultra Fast" (Ultra Rápido).
CSM Support
Ativa ou desativa o UEFI CSM (Compatibility Support Module - Módulo de Suporte de Compatibilidade) para suportar um processo de inicialização de PC legado.
Enabled (Ativado) | Ativa o UEFI CSM. (Padrão) |
Disabled (Desativado) | Desativa o UEFI CSM e suporta apenas o processo de inicialização UEFI BIOS. |
LAN PXE Boot Option ROM
Permite selecionar se deve ativar a opção ROM legada para o controlador LAN. (Padrão: Disabled (Desativado)) Este item é configurável apenas quando "CSM Support" está definido como "Enabled" (Ativado).
Storage Boot Option Control
Permite selecionar se deve ativar a opção ROM UEFI ou legada para o controlador do dispositivo de armazenamento.
Disabled (Desativado) | Desativa a opção ROM. |
UEFI Only (Apenas UEFI) | Ativa apenas a opção ROM UEFI. |
Legacy Only (Apenas Legado) | Ativa apenas a opção ROM legada. (Padrão) |
Este item é configurável apenas quando "CSM Support" está definido como "Enabled" (Ativado).
Other PCI Device ROM Priority
Permite selecionar se deve ativar a opção ROM UEFI ou Legada para o controlador de dispositivo PCI diferente dos controladores LAN, dispositivo de armazenamento e gráficos.
Disabled (Desativado) | Desativa a opção ROM. |
UEFI Only (Apenas UEFI) | Ativa apenas a opção ROM UEFI. (Padrão) |
Legacy Only (Apenas Legado) | Ativa apenas a opção ROM legada. |
Este item é configurável apenas quando "CSM Support" está definido como "Enabled" (Ativado).
Network Stack
Desativa ou ativa a inicialização a partir da rede para instalar um sistema operacional no formato GPT, como instalar o sistema operacional a partir do servidor Windows Deployment Services. (Padrão: Disabled (Desativado))
Ipv4 PXE Support
Ativa ou desativa o suporte a IPv4 PXE. Este item é configurável apenas quando "Network Stack" está ativado.
Ipv4 HTTP Support
Ativa ou desativa o suporte a inicialização HTTP para IPv4. Este item é configurável apenas quando "Network Stack" está ativado.
Ipv6 PXE Support
Ativa ou desativa o suporte a IPv6 PXE. Este item é configurável apenas quando "Network Stack" está ativado.
Ipv6 HTTP Support
Ativa ou desativa o suporte a inicialização HTTP para IPv6. Este item é configurável apenas quando "Network Stack" está ativado.
IPSEC Certificate
Ativa ou desativa a segurança do protocolo de internet (Internet Protocol Security). Este item é configurável apenas quando "Network Stack" está ativado.
Administrator Password
Permite configurar uma senha de administrador. Pressione <Enter> neste item, digite a senha e pressione <Enter>. Você será solicitado a confirmar a senha. Digite a senha novamente e pressione <Enter>. Você deve inserir a senha de administrador (ou senha de usuário) na inicialização do sistema e ao entrar na configuração da BIOS. Diferentemente da senha de usuário, a senha de administrador permite que você faça alterações em todas as configurações da BIOS.
User Password (Senha de Usuário)
Permite configurar uma senha de usuário. Pressione <Enter> neste item, digite a senha e pressione <Enter>. Você será solicitado a confirmar a senha. Digite a senha novamente e pressione <Enter>. Você deve inserir a senha de administrador (ou senha de usuário) na inicialização do sistema e ao entrar na configuração da BIOS. No entanto, a senha de usuário permite apenas fazer alterações em certas configurações da BIOS, mas não em todas. Para cancelar a senha, pressione <Enter> no item de senha e, quando solicitado a senha, insira a senha correta primeiro. Quando solicitado uma nova senha, pressione <Enter> sem inserir nenhuma senha. Pressione <Enter> novamente quando solicitado a confirmar.
NOTE: Before setting the User Password, be sure to set the Administrator Password first. (NOTA: Antes de definir a Senha de Usuário, certifique-se de definir primeiro a Senha de Administrador.)
Periféricos

AMD CPU fTPM
Ativa ou desativa a função TPM 2.0 integrada na CPU AMD. (Padrão: Desativado)
Saída de Vídeo Inicial (Initial Display Output) (Nota)
Especifica a primeira inicialização da exibição do monitor a partir da placa de vídeo PCI Express instalada ou dos gráficos integrados.
IGD Video | Define os gráficos integrados como a primeira exibição. |
PCIe 1 Slot | Define a placa de vídeo no slot PCIEX16 como a primeira exibição. (Padrão) |
Suporte USB Legado (Legacy USB Support)
Permite que o teclado/mouse USB seja usado no MS-DOS. (Padrão: Ativado)
Entrega XHCI (XHCI Hand-off)
Determina se deve ativar o recurso Entrega XHCI (XHCI Hand-off) para um sistema operacional sem suporte a Entrega XHCI (XHCI Hand-off). (Padrão: Ativado)
Entrega EHCI (EHCI Hand-off)
Determina se deve ativar o recurso Entrega EHCI (EHCI Hand-off) para um sistema operacional sem suporte a Entrega EHCI (EHCI Hand-off). (Padrão: Desativado)
Emulação da Porta 60/64 (Port 60/64 Emulation)
Ativa ou desativa a emulação das portas de E/S 64h e 60h. Isso deve ser ativado para suporte legado completo para teclados/mouses USB no MS-DOS ou em um sistema operacional que não oferece suporte nativo a dispositivos USB. (Padrão: Desativado)
Suporte ao Driver de Armazenamento em Massa USB (USB Mass Storage Driver Support)
Ativa ou desativa o suporte para dispositivos de armazenamento USB. (Padrão: Ativado)
Dispositivos de Armazenamento em Massa (Mass Storage Devices)
Exibe uma lista de dispositivos de armazenamento em massa USB conectados. Este item aparece apenas quando um dispositivo de armazenamento USB está instalado.
(Nota) Este item está presente apenas quando você instala uma CPU que oferece suporte a este recurso.
RGB Fusion (LED Integrado) (RGB Fusion (Onboard LED))
Permite definir o modo de iluminação LED para a placa-mãe.
Ligado (On) | Ativa esta função. (Padrão) |
Desligado (Off) | Desativa esta função. |
Modo Pulso (Pulse Mode) | Todos os LEDs simultaneamente aumentam e diminuem a intensidade. |
RGB Fusion (Faixa de LED) (RGB Fusion (LED strip))
Permite definir a cor de exibição da faixa de LED externa.
Controlador de Áudio HD (HD Audio Controller)
Ativa ou desativa a função de áudio integrada. (Padrão: Ativado) Se você deseja instalar uma placa de áudio adicional de terceiros em vez de usar o áudio integrado, defina este item como Desativado (Disabled).
Decodificação Acima de 4G (Above 4G Decoding)
Ativa ou desativa dispositivos com capacidade de 64 bits para serem decodificados no espaço de endereço acima de 4 GB (somente se o seu sistema suportar decodificação PCI de 64 bits). Defina como Ativado (Enabled) se mais de uma placa de vídeo avançada estiver instalada e seus drivers não puderem ser iniciados ao entrar no sistema operacional (devido ao espaço de endereço de memória limitado de 4 GB). (Padrão: Desativado)
- Computação Confiável (Trusted Computing)
Ativa ou desativa o Módulo de Plataforma Confiável (TPM). - Configuração Super IO (Super IO Configuration)
Porta Serial 1 (Serial Port 1)
Ativa ou desativa a porta serial integrada. (Padrão: Ativado) - AMD CBS
Este submenu fornece opções de configuração relacionadas ao AMD CBS. - Controlador da Família Realtek PCIe GBE (Realtek PCIe GBE Family Controller)
Este submenu fornece informações sobre a configuração da LAN e opções de configuração relacionadas.
Chipset

IOMMU
Ativa ou desativa o suporte AMD IOMMU. (Padrão: Automático (Auto))
Gráficos Integrados (Integrated Graphics) (Nota)
Ativa ou desativa a função de gráficos integrados.
Modo UMA (UMA Mode) (Nota)
Especifica o modo UMA.
Automático (Auto) | Permite que o BIOS configure automaticamente esta configuração. (Padrão) |
UMA Especificado (UMA Specified) | Define o Tamanho do Buffer de Quadro UMA (UMA Frame Buffer Size). |
UMA Automático (UMA Auto) | Define a resolução da tela. |
Este item é configurável apenas quando Gráficos Integrados (Integrated Graphics) está definido como Forçado (Forces).
Tamanho do Buffer de Quadro UMA (UMA Frame Buffer Size) (Nota)
O tamanho do buffer de quadro é a quantidade total de memória do sistema alocada exclusivamente para o controlador de gráficos integrado. O MS-DOS, por exemplo, usará apenas esta memória para exibição. As opções são: Automático (Auto) (padrão), 64M~16G. Este item é configurável apenas quando o Modo UMA (UMA Mode) está definido como UMA Especificado (UMA Specified).
Resolução da Tela (Display Resolution) (Nota)
Permite definir a resolução da tela. As opções são: Automático (Auto) (padrão), 1920x1080 e abaixo, 2560x1600, 3840x2160. Este item é configurável apenas quando o Modo UMA (UMA Mode) está definido como UMA Automático (UMA Auto).
(Nota) Este item está presente apenas quando você instala uma CPU que oferece suporte a este recurso.
Modo SATA (SATA Mode)
Ativa ou desativa o RAID para os controladores SATA integrados ou configura os controladores SATA para o modo AHCI.
RAID | Ativa o RAID para o controlador SATA. |
AHCI | Configura os controladores SATA para o modo AHCI. A Interface de Controlador Host Avançado (AHCI) é uma especificação de interface que permite que o driver de armazenamento habilite recursos Serial ATA avançados, como o Enfileiramento de Comando Nativo e a conexão a quente. (Padrão) |
Modo NVMe RAID (Conector M2A_SOCKET) (NVMe RAID mode (M2A_SOCKET Connector))
Permite determinar se deve usar seus SSDs PCIe M.2 NVMe para configurar o RAID. (Padrão: Desativado)
Habilitar Porta SATA do Chipset (Conectores SATA3 0, 1, 2, 3) (Chipset SATA Port Enable (SATA3 0, 1, 2, 3 Connectors))
Ativa ou desativa os controladores SATA integrados. (Padrão: Ativado)
Porta SATA 0 da APU (Conector M2A_SOCKET) (APU SATA Port 0 (M2A_SOCKET Connector))
Exibe as informações do dispositivo M.2 SATA conectado.
Porta SATA 0/1/2/3 do Chipset (Conectores SATA3 0, 1, 2, 3) (Chipset SATA Port 0/1/2/3 (SATA3 0, 1, 2, 3 Connectors))
Exibe as informações do(s) dispositivo(s) SATA conectado(s).
Energia

AC BACK
Determina o estado do sistema após o retorno da energia de uma perda de energia CA.
Memory (Memória) | O sistema retorna ao seu último estado ativo conhecido após o retorno da energia CA. |
Always On (Sempre Ligado) | O sistema é ligado após o retorno da energia CA. |
Always Off (Sempre Desligado) | O sistema permanece desligado após o retorno da energia CA. (Padrão) |
Power On By Keyboard (Ligar pelo Teclado)
Permite que o sistema seja ligado por um evento de despertar do teclado PS/2.
Note: Para usar esta função, você precisa de uma fonte de alimentação ATX que forneça pelo menos 1A no cabo +5VSB.
Disabled (Desabilitado) | Desabilita esta função. (Padrão) |
Password (Senha) | Defina uma senha com 1 a 5 caracteres para ligar o sistema. |
Keyboard 98 (Teclado 98) | Pressione o botão POWER no teclado Windows 98 para ligar o sistema. |
Any key (Qualquer Tecla) | Pressione qualquer tecla para ligar o sistema. |
Power On Password (Senha para Ligar)
Defina a senha quando "Power On By Keyboard" (Ligar pelo Teclado) estiver definido como "Password" (Senha). Pressione <Enter> neste item e defina uma senha com até 5 caracteres e pressione <Enter> para aceitar. Para ligar o sistema, digite a senha e pressione <Enter>. Note: Para cancelar a senha, pressione <Enter> neste item. Quando solicitado a senha, pressione <Enter> novamente sem inserir a senha para limpar as configurações de senha.
Power On By Mouse (Ligar pelo Mouse)
Permite que o sistema seja ligado por um evento de despertar do mouse PS/2.
Note: Para usar esta função, você precisa de uma fonte de alimentação ATX que forneça pelo menos 1A no cabo +5VSB.
Disabled (Desabilitado) | Desabilita esta função. (Padrão) |
Move (Mover) | Mova o mouse para ligar o sistema. |
Double Click (Clique Duplo) | Clique duas vezes no botão esquerdo do mouse para ligar o sistema. |
ErP
Determina se o sistema deve consumir menos energia no estado S5 (desligado). Nota: Quando este item está definido como "Enabled" (Ativado), as seguintes funções ficarão indisponíveis: "Resume by Alarm" (Retomar por Alarme), ligar pelo mouse e ligar pelo teclado.
Soft-Off by PWR-BTTN
Configura a maneira de desligar o computador no modo MS-DOS usando o botão de energia.
Instant-Off (Desligamento Instantâneo) | Pressione o botão de energia e o sistema será desligado instantaneamente. (Padrão) |
Delay 4 Sec. (Atraso de 4 Seg.) | Pressione e segure o botão de energia por 4 segundos para desligar o sistema. Se o botão de energia for pressionado por menos de 4 segundos, o sistema entrará no modo de suspensão. |
Power Loading (Carregamento de Energia)
Ativa ou desativa a carga fictícia. Quando a fonte de alimentação está com baixa carga, uma autoproteção será ativada, fazendo com que ela desligue ou falhe. Se isso ocorrer, defina como "Enabled" (Ativado). "Auto" permite que o BIOS configure automaticamente esta configuração. (Padrão: Auto)
Resume by Alarm (Retomar por Alarme)
Determina se deve ligar o sistema em um horário desejado. (Padrão: Desativado) Se ativado, defina a data e hora da seguinte forma:
Wake up day (Dia para Acordar): Ligue o sistema em um horário específico em cada dia ou em um dia específico do mês.
Wake up hour/minute/second (Hora/Minuto/Segundo para Acordar): Defina a hora em que o sistema será ligado automaticamente.
Note: Ao usar esta função, evite o desligamento inadequado do sistema operacional ou a remoção da energia CA, ou as configurações podem não ser eficazes.
Wake on LAN
Ativa ou desativa a função "wake on LAN" (despertar pela LAN). (Padrão: Ativado)
High Precision Event Timer
Ativa ou desativa o "High Precision Event Timer" (HPET) (Temporizador de Eventos de Alta Precisão) no sistema operacional. (Padrão: Ativado)
CEC 2019 Ready (Pronto para CEC 2019)
Permite que você selecione se deseja permitir que o sistema ajuste o consumo de energia quando estiver em estado de desligamento, inativo ou em espera, a fim de cumprir os padrões CEC (California Energy Commission) 2019. (Padrão: Desativado)
Salvar & Sair

Save & Exit Setup (Salvar & Sair da Configuração)
Pressione <Enter> neste item e selecione "Yes" (Sim). Isso salva as alterações no CMOS e sai do programa de configuração do BIOS. Selecione "No" (Não) ou pressione <Esc> para retornar ao menu principal de configuração do BIOS.
Exit Without Saving (Sair Sem Salvar)
Pressione <Enter> neste item e selecione "Yes" (Sim). Isso sai da configuração do BIOS sem salvar as alterações feitas na configuração do BIOS no CMOS. Selecione "No" (Não) ou pressione <Esc> para retornar ao menu principal de configuração do BIOS.
Load Optimized Defaults (Carregar Padrões Otimizados)
Pressione <Enter> neste item e selecione "Yes" (Sim) para carregar as configurações padrão otimizadas do BIOS. As configurações padrão do BIOS ajudam o sistema a operar em estado ideal. Sempre carregue os padrões otimizados após atualizar o BIOS ou após limpar os valores do CMOS.
Boot Override (Substituir Inicialização)
Permite selecionar um dispositivo para inicializar imediatamente. Pressione <Enter> no dispositivo que você selecionar e selecione "Yes" (Sim) para confirmar. Seu sistema será reiniciado automaticamente e inicializado a partir desse dispositivo.
Save Profiles (Salvar Perfis)
Esta função permite que você salve as configurações atuais do BIOS em um perfil. Você pode criar até 8 perfis e salvar como "Setup Profile 1" (Perfil de Configuração 1) ~ "Setup Profile 8" (Perfil de Configuração 8). Pressione <Enter> para concluir. Ou você pode selecionar "Select File in HDD/FDD/USB" (Selecionar Arquivo em HDD/FDD/USB) para salvar o perfil em seu dispositivo de armazenamento.
Load Profiles (Carregar Perfis)
Se o seu sistema se tornar instável e você tiver carregado as configurações padrão do BIOS, você pode usar esta função para carregar as configurações do BIOS de um perfil criado antes, sem os problemas de reconfigurar as configurações do BIOS. Primeiro, selecione o perfil que deseja carregar e pressione <Enter> para concluir. Você pode selecionar "Select File in HDD/FDD/USB" (Selecionar Arquivo em HDD/FDD/USB) para inserir o perfil criado anteriormente a partir do seu dispositivo de armazenamento ou carregar o perfil criado automaticamente pelo BIOS, como reverter as configurações do BIOS para as últimas configurações que funcionaram corretamente (último registro bom conhecido).
Configurando um Conjunto RAID
Níveis de RAID
| RAID 0 | RAID 1 | RAID 10 | |
| Número Mínimo de Discos Rígidos | ≥2 | 2 | 4 |
| Capacidade do Array | Número de discos rígidos * Tamanho do menor disco | Tamanho do menor disco | (Número de discos rígidos/2) * Tamanho do menor disco |
| Tolerância a Falhas | Não | Sim | Sim |
Antes de começar, prepare os seguintes itens:
- Pelo menos dois discos rígidos SATA ou SSDs (para garantir o desempenho ideal, recomenda-se usar dois discos rígidos com modelo e capacidade idênticos).(Nota)
- Disco de instalação do Windows.
- Disco de driver da placa-mãe.
- Um pen drive USB.
Configurando o Controlador SATA Integrado
- Instalando disco(s) rígido(s) SATA no seu computador
Instale os discos rígidos/SSDs nos conectores SATA/M.2 na placa-mãe. Em seguida, conecte os conectores de energia da sua fonte de alimentação aos discos rígidos. - Configurando o modo do controlador SATA na Configuração do BIOS
Certifique-se de configurar o modo do controlador SATA corretamente na Configuração do BIOS do sistema.
Passos:- Ligue o computador e pressione <Delete> para entrar na Configuração do BIOS durante o POST (Power-On Self-Test). Em Chipset, certifique-se de que Chipset SATA Port Enable esteja habilitado. Defina SATA Mode para RAID. Em seguida, salve as configurações e reinicie o computador. (Se você quiser usar SSDs NVMe PCIe para configurar RAID, certifique-se de definir NVMe RAID mode para Enabled (ativado).)
- Se você quiser configurar UEFI RAID, siga os passos em "C-1". Para entrar no RAID ROM legado, salve as configurações e saia da Configuração do BIOS. Consulte "C-2" para obter mais informações.
Os menus de Configuração do BIOS descritos nesta seção podem diferir das configurações exatas para sua placa-mãe. As opções reais do menu de Configuração do BIOS que você verá dependerão da placa-mãe que você tem e da versão do BIOS.
-
- Configuração UEFI RAID
Passos:- Na Configuração do BIOS, vá para BIOS e defina CSM Support para Disabled (desativado). Salve as alterações e saia da Configuração do BIOS.
- Após a reinicialização do sistema, entre na Configuração do BIOS novamente. Em seguida, entre no submenu Peripherals\RAIDXpert2 Configuration Utility.
- Na tela RAIDXpert2 Configuration Utility, pressione <Enter> em Array Management para entrar na tela Create Array. Em seguida, selecione um nível de RAID. Os níveis de RAID suportados incluem RAID 0 (Stripe), RAID 1 (Mirror) e RAID 10 (as seleções disponíveis dependem do número de discos rígidos instalados). Em seguida, pressione <Enter> em Select Physical Disks para entrar na tela Select Physical Disks.
- Na tela Select Physical Disks, selecione os discos rígidos a serem incluídos no array RAID e defina-os para Enabled (ativado). Em seguida, use a tecla de seta para baixo para mover para Apply Changes e pressione <Enter>. Em seguida, retorne à tela anterior e defina o Array Size, Array Size Unit, Read Cache Policy e Write Cache Policy.
(Nota) Um SSD M.2 PCIe não pode ser usado para configurar um conjunto RAID com um SSD M.2 SATA ou um disco rígido SATA. - Depois de definir a capacidade, mova para Create Array e pressione <Enter> para começar.
- Após a conclusão, você será levado de volta à tela Array Management. Em Manage Array Properties você pode ver o novo volume RAID e informações sobre o nível de RAID, nome do array, capacidade do array, etc.
- Configurando o RAID ROM Legado
Entre no utilitário de configuração do RAID BIOS legado para configurar um array RAID. Ignore este passo e prossiga com a instalação do sistema operacional Windows para uma configuração não-RAID.
Passos:
- Configuração UEFI RAID
- Depois que o teste de memória POST começar e antes do início da inicialização do sistema operacional, procure uma mensagem que diga "Press <Ctrl-F> to enter RAID Option ROM Utility" (Pressione <Ctrl-F> para entrar no Utilitário RAID Option ROM). Pressione <Ctrl> + <R> para entrar no utilitário de configuração do RAID BIOS.
- Para criar um novo array, pressione <Enter> na opção Create Array.
- A barra de seleção se moverá para a seção Disks no lado direito da tela. Selecione os discos rígidos a serem incluídos no array RAID. Use a tecla de seta para cima ou para baixo para selecionar um disco rígido e pressione <Insert>. O disco rígido selecionado será mostrado em verde. Para usar todos os discos rígidos, basta pressionar <A> para selecionar todos. Em seguida, pressione <Enter> e a barra de seleção se moverá para a seção User Input no canto inferior esquerdo da tela.
- Primeiro, selecione um modo RAID e pressione <Enter>. As seleções disponíveis dependem do número de discos rígidos instalados. Em seguida, siga as instruções na tela para especificar o tamanho do array. Você pode selecionar All available space para usar o tamanho máximo permitido ou usar a tecla de seta para cima ou para baixo para ajustar o tamanho e pressione <Enter>.
- Selecione um modo de cache. As opções incluem Read/Write (Leitura/Escrita), Read Only (Somente Leitura) e None (Nenhum). Em seguida, pressione <Enter> para prosseguir.
- Finalmente, uma mensagem que diz "Confirm Creation of Array" (Confirmar Criação do Array) aparecerá. Pressione <C> para confirmar ou <Esc> para retornar à tela anterior.
- Quando concluído, você verá o novo array na tela principal. Para sair do utilitário RAID BIOS, pressione <Esc> e, em seguida, pressione <C> para confirmar.
Instalando o Driver SATA RAID/AHCI e o Sistema Operacional
Com as configurações corretas do BIOS, você está pronto para instalar o sistema operacional.
Instalando o Sistema Operacional
Como alguns sistemas operacionais já incluem o driver RAID/AHCI, você não precisa instalar o driver RAID/AHCI separado durante o processo de instalação do Windows. Após a instalação do sistema operacional, recomendamos que você instale todos os drivers necessários do disco de driver da placa-mãe usando "Xpress Install" para garantir o desempenho e a compatibilidade do sistema. Se o sistema operacional a ser instalado exigir que você forneça um driver RAID/AHCI adicional durante o processo de instalação do SO, consulte os passos abaixo:
- Copie a pasta Hw10 na pasta \Boot no disco de driver para o seu pen drive USB.
- Inicialize a partir do disco de instalação do Windows e execute os passos padrão de instalação do SO. Quando a tela solicitando que você carregue o driver aparecer, selecione Browse (navegar).
- Insira o pen drive USB e, em seguida, navegue até o local do driver. O local dos drivers é o seguinte: \Hw10\RAID\x64
- Selecione AMD-RAID Bottom Device primeiro e clique em Next (próximo) para carregar o driver. Em seguida, selecione AMD-RAID Controller e clique em Next (próximo) para carregar o driver. Finalmente, continue a instalação do SO.

Visite o site da GIGABYTE para obter detalhes sobre a configuração de um array RAID.
Instalação de Drivers

- Antes de instalar os drivers, primeiro instale o sistema operacional.
- Após instalar o sistema operacional, insira o disco de driver da placa-mãe na sua unidade óptica. Clique na mensagem "Tap to choose what happens with this disc" (Toque para escolher o que acontece com este disco) no canto superior direito da tela e selecione "Run Run.exe" (Executar Run.exe). (Ou vá para Meu Computador, clique duas vezes na unidade óptica e execute o programa Run.exe.)
"Xpress Install" irá escanear automaticamente o seu sistema e, em seguida, listar todos os drivers que são recomendados para instalar. Você pode clicar no botão Xpress Install e "Xpress Install" irá instalar todos os drivers selecionados. Ou clique na seta
ícone para instalar individualmente os drivers que você precisa.


Visite o site da GIGABYTE para obter mais informações sobre o software.

Visite o site da GIGABYTE para obter mais informações sobre solução de problemas.

Para obter mais detalhes sobre o produto, visite o site da GIGABYTE.

Para reduzir os impactos no aquecimento global, os materiais de embalagem deste produto são recicláveis e reutilizáveis. A GIGABYTE trabalha com você para proteger o meio ambiente.
Copyright
© 2021 GIGA-BYTE TECHNOLOGY CO., LTD. Todos os direitos reservados.
As marcas registradas mencionadas neste manual são legalmente registradas a seus respectivos proprietários.
Aviso Legal
As informações neste manual são protegidas por leis de direitos autorais e são propriedade da GIGABYTE. Alterações nas especificações e recursos neste manual podem ser feitas pela GIGABYTE sem aviso prévio.
Nenhuma parte deste manual pode ser reproduzida, copiada, traduzida, transmitida ou publicada de qualquer forma ou por qualquer meio sem a permissão prévia por escrito da GIGABYTE.
- Para auxiliar no uso deste produto, leia atentamente o Manual do Usuário.
- Para obter informações relacionadas ao produto, verifique nosso site em: https://www.gigabyte.com
Identificando a Revisão da Sua Placa-Mãe
O número de revisão na sua placa-mãe se parece com isto: "REV: X.X." Por exemplo, "REV: 1.0" significa que a revisão da placa-mãe é 1.0. Verifique a revisão da sua placa-mãe antes de atualizar o BIOS da placa-mãe, os drivers ou ao procurar informações técnicas.
Exemplo:

Referências
Baixar manual
Aqui você pode baixar a versão completa em PDF do manual, ela pode conter instruções de segurança adicionais, informações de garantia, regras da FCC, etc.
Baixar Gigabyte B450M DS3H - Manual da Placa-Mãe Micro ATX AM4 Rev. 1101



























