GIGABYTE GA-J3455N-D3H - Manual da placa-mãe

Identificando a revisão da sua placa-mãe
O número de revisão na sua placa-mãe se parece com isto: "REV: X.X." Por exemplo, "REV: 1.0" significa que a revisão da placa-mãe é 1.0. Verifique a revisão da sua placa-mãe antes de atualizar a BIOS, os drivers ou ao procurar informações técnicas.
Exemplo:

Layout da placa-mãe GA-J3455N-D3H

Conteúdo da caixa
- Placa-mãe GA-J3455N-D3H
- Disco de driver da placa-mãe
- Manual do usuário
- Dois cabos SATA
- Espelho de I/O
* O conteúdo da caixa acima é apenas para referência e os itens reais devem depender do pacote do produto que você obtém. O conteúdo da caixa está sujeito a alterações sem aviso prévio.
Instalação de Hardware
Precauções de instalação
A placa-mãe contém vários circuitos e componentes eletrônicos delicados que podem ser danificados como resultado de descarga eletrostática (ESD). Antes da instalação, leia atentamente o manual do usuário e siga estes procedimentos:
- Antes da instalação, certifique-se de que o chassi seja adequado para a placa-mãe.
- Antes da instalação, não remova ou quebre o adesivo S/N (número de série) da placa-mãe ou o adesivo de garantia fornecido pelo seu revendedor. Esses adesivos são necessários para a validação da garantia.
- Sempre remova a alimentação CA desconectando o cabo de alimentação da tomada antes de instalar ou remover a placa-mãe ou outros componentes de hardware.
- Ao conectar componentes de hardware aos conectores internos da placa-mãe, certifique-se de que estejam conectados de forma firme e segura.
- Ao manusear a placa-mãe, evite tocar em terminais ou conectores de metal.
- É melhor usar uma pulseira antiestática (ESD) ao manusear componentes eletrônicos, como placa-mãe, CPU ou memória. Se você não tiver uma pulseira antiestática, mantenha as mãos secas e toque primeiro em um objeto de metal para eliminar a eletricidade estática.
- Antes de instalar a placa-mãe, coloque-a em cima de uma almofada antiestática ou dentro de um recipiente de proteção eletrostática.
- Antes de conectar ou desconectar o cabo de alimentação da placa-mãe, certifique-se de que a fonte de alimentação esteja desligada.
- Antes de ligar a energia, certifique-se de que a tensão da fonte de alimentação foi definida de acordo com o padrão de tensão local.
- Antes de usar o produto, verifique se todos os cabos e conectores de alimentação de seus hardware componentes estão conectados.
- Para evitar danos à placa-mãe, não permita que os parafusos entrem em contato com o circuito da placa-mãe ou seus componentes.
- Certifique-se de que não haja parafusos ou componentes de metal restantes colocados na placa-mãe ou dentro da estrutura do computador.
- Não coloque o sistema de computador em uma superfície irregular.
- Não coloque o sistema de computador em um ambiente de alta temperatura ou úmido.
- Ligar a energia do computador durante o processo de instalação pode danificar o sistema componentes, bem como danos físicos ao usuário.
- Se você não tiver certeza sobre alguma etapa de instalação ou tiver um problema relacionado ao uso do produto, consulte um técnico de informática certificado.
- Se você usar um adaptador, cabo de alimentação de extensão ou filtro de linha, certifique-se de consultar as instruções de instalação e/ou aterramento.
Especificações do produto
| CPU |
|
| Memória |
|
| Gráficos integrados |
|
| Áudio |
|
| LAN |
|
| Slots de expansão |
|
| Interface de armazenamento |
|
| USB |
|
| Conectores internos |
|
| Conectores do painel traseiro |
|
| Controlador de E/S |
|
| Monitor de hardware |
|
| BIOS |
|
| Recursos exclusivos |
|
| Software empacotado |
|
| Sistema operacional |
|
| Fator de forma |
|
* A GIGABYTE reserva-se o direito de fazer alterações nas especificações do produto e nas informações relacionadas ao produto sem aviso prévio.
Visite o site da GIGABYTE para obter listas de suporte de módulos de memória.

Visite a página Support\Utility List no site da GIGABYTE para baixar a versão mais recente dos aplicativos.

Visite o site da GIGABYTE para obter detalhes sobre a instalação do hardware.

Instalando a memória
Leia as seguintes diretrizes antes de começar a instalar a memória:
- Certifique-se de que a placa-mãe suporta a memória. Recomenda-se que a memória de mesmo capacidade, marca, velocidade e chips sejam usados. (Acesse o site da GIGABYTE para obter as velocidades de memória e os módulos de memória suportados mais recentes.)
- Sempre desligue o computador e desconecte o cabo de alimentação da tomada antes de instalar a memória para evitar danos ao hardware.
- Os módulos de memória têm um design à prova de falhas. Um módulo de memória pode ser instalado em apenas uma direção. Se você não conseguir inserir a memória, troque a direção.
Configuração de memória de canal duplo
Esta placa-mãe fornece dois soquetes de memória e suporta a tecnologia de canal duplo. Depois que a memória é instalada, o BIOS detecta automaticamente as especificações e a capacidade da memória. Habilitar o modo de memória de canal duplo dobrará a largura de banda original da memória. Os dois soquetes de memória são divididos em dois canais e cada canal tem um soquete de memória da seguinte forma:
Canal A: SODIMM_1
Canal B: SODIMM_2
Devido às limitações do SoC, leia as seguintes diretrizes antes de instalar a memória no modo de canal duplo.
- Se apenas um módulo de memória DDR3L for instalado, certifique-se de instalá-lo no soquete SODIMM_1, e o modo de canal duplo não pode ser ativado se apenas um módulo de memória estiver instalado.
- Ao habilitar o modo de canal duplo com dois módulos de memória, é recomendável que a memória da mesma capacidade, marca, velocidade e chips seja usada para obter o desempenho ideal.
Instalando uma placa de expansão
Leia as seguintes diretrizes antes de começar a instalar uma placa de expansão:
- Certifique-se de que a placa-mãe suporta a placa de expansão. Leia atentamente o manual que acompanha com sua placa de expansão.
- Sempre desligue o computador e desconecte o cabo de alimentação da tomada antes de instalar uma placa de expansão para evitar danos ao hardware.
Conectores do painel traseiro

- Porta de teclado PS/2 e mouse PS/2
Use esta porta para conectar um mouse ou teclado PS/2 e a porta inferior (roxa) para conectar um teclado PS/2. - Porta serial
Use a porta serial para conectar dispositivos como um mouse, modem ou outros periféricos. - Porta D-Sub
A porta D-Sub suporta um conector D-Sub de 15 pinos e suporta uma resolução máxima de 1920x1200@60 Hz (as resoluções reais suportadas dependem do monitor que está sendo usado). Conecte um monitor que suporte conexão D-Sub a esta porta.
- Porta HDMI
A porta HDMI é compatível com HDCP e suporta formatos Dolby TrueHD e DTS HD Master Audio. Ele também suporta saída de áudio LPCM de 8 canais de até 192 KHz/24 bits. Você pode usar esta porta para conectar seu monitor compatível com HDMI. A resolução máxima suportada é 3840x2160@30 Hz, mas as resoluções reais suportadas dependem do monitor que está sendo usado.
Depois de instalar o dispositivo HDMI, certifique-se de definir o dispositivo de reprodução de som padrão para HDMI. (O nome do item pode ser diferente dependendo do seu sistema operacional.)
Configurações de tela dupla para os gráficos integrados:
As configurações de tela dupla são suportadas depois que você instala os drivers da placa-mãe no sistema operacional. - Porta LAN RJ-45
A porta LAN Gigabit Ethernet fornece conexão com a Internet a uma taxa de dados de até 1 Gbps. A seguir, descreve os estados dos LEDs da porta LAN.
![]()
LED de conexão/velocidade:
| Estado | Descrição |
| Laranja | Taxa de dados de 1 Gbps |
| Verde | Taxa de dados de 100 Mbps |
| Desligado | Taxa de dados de 10 Mbps |
LED de atividade:
| Estado | Descrição |
| Piscando | Transmissão ou recebimento de dados em andamento |
| Desligado | Nenhuma transmissão ou recebimento de dados em andamento |
- Porta USB 2.0/1.1
A porta USB suporta a especificação USB 2.0/1.1. Use esta porta para dispositivos USB. - Porta USB 3.1 Gen 1
A porta USB 3.1 Gen 1 suporta a especificação USB 3.1 Gen 1 e é compatível com a especificação USB 2.0. Use esta porta para dispositivos USB. - Entrada de linha (azul)
O conector de entrada de linha. Use este conector de áudio para dispositivos de entrada de linha, como uma unidade óptica, walkman, etc. - Saída de linha (verde)
O conector de saída de linha. Use este conector de áudio para um fone de ouvido ou alto-falante de 2 canais. Este conector pode ser usado para conectar alto-falantes frontais em uma configuração de áudio de 4/5.1/7.1 canais. - Entrada de microfone (rosa)
O conector de entrada de microfone.
Para configurar o áudio de 7.1 canais, você deve usar um módulo de áudio do painel frontal HD e habilitar o recurso de áudio multicanal por meio do driver de áudio. Visite o site da GIGABYTE para obter mais informações sobre o software.
- Ao remover o cabo conectado a um conector do painel traseiro, primeiro remova o cabo do seu dispositivo e, em seguida, remova-o da placa-mãe.
- Ao remover o cabo, puxe-o para fora do conector. Não o balance de um lado para o outro para evitar um curto-circuito dentro do conector do cabo.
Conectores internos

- ATX_12V
- ATX
- CPU_FAN
- SYS_FAN
- SATA3 0/1/2/3
- F_PANEL
- F_AUDIO
- BAT
- F_USB30
- F_USB1/F_USB2
- LPT
- TPM
- CLR_CMOS
- CI
Leia as seguintes diretrizes antes de conectar dispositivos externos:
- Primeiro, certifique-se de que seus dispositivos são compatíveis com os conectores que você deseja conectar.
- Antes de instalar os dispositivos, certifique-se de desligar os dispositivos e o computador. Desconecte o cabo de alimentação da tomada para evitar danos aos dispositivos.
- Depois de instalar o dispositivo e antes de ligar o computador, certifique-se de que o cabo do dispositivo esteja bem conectado ao conector na placa-mãe.
1/2) ATX_12V/ATX (conector de alimentação de 12V 2x2 e conector de alimentação principal 2x12)
Com o uso do conector de alimentação, a fonte de alimentação pode fornecer energia estável suficiente para todos os componentes da placa-mãe. Antes de conectar o conector de alimentação, primeiro certifique-se de que a fonte de alimentação esteja desligada e todos os dispositivos estejam instalados corretamente. O conector de alimentação possui um design à prova de falhas. Conecte o cabo de alimentação ao conector de alimentação na orientação correta. O conector de alimentação de 12V fornece principalmente energia para a CPU. Se o conector de alimentação de 12V não estiver conectado, o computador não iniciará.

3/4) CPU_FAN/SYS_FAN (conectores de ventoinha)
A placa-mãe tem um conector de ventoinha da CPU de 3 pinos (CPU_FAN) e um conector de ventoinha do sistema de 4 pinos (SYS_FAN). A maioria dos conectores de ventoinha possui um design de inserção à prova de falhas. Ao conectar um cabo de ventoinha, certifique-se de conectá-lo na orientação correta (o fio do conector preto é o fio terra). A função de controle de velocidade requer o uso de uma ventoinha com design de controle de velocidade da ventoinha. Para uma dissipação de calor ideal, recomenda-se que uma ventoinha do sistema seja instalada dentro do chassi.

Esses conectores de ventoinha não são blocos de jumper de configuração. Não coloque uma tampa de jumper nos conectores.
- SATA3 0/1/2/3 (conectores SATA de 6 Gb/s)
Os conectores SATA estão em conformidade com o padrão SATA de 6 Gb/s e são compatíveis com o padrão SATA de 3 Gb/s e SATA de 1,5 Gb/s. Cada conector SATA suporta um único dispositivo SATA.
![GIGABYTE - GA-J3455N-D3H - SATA3 0/1/2/3 (conectores SATA de 6 Gb/s) SATA3 0/1/2/3 (conectores SATA de 6 Gb/s)]()
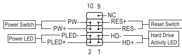
- F_PANEL (conector do painel frontal)
Conecte a chave de alimentação, a chave de reinicialização e o indicador de status do sistema no chassi a este conector de acordo com as atribuições de pinos abaixo. Observe os pinos positivos e negativos antes de conectar os cabos.
![GIGABYTE - GA-J3455N-D3H - F_PANEL (conector do painel frontal) F_PANEL (conector do painel frontal)]()
- PLED (LED de alimentação, amarelo):
![]()
Conecta-se ao indicador de status de energia no painel frontal do chassi. O LED fica aceso quando o sistema está operando. O LED está apagado quando o sistema está no estado de suspensão S3/S4 ou desligado (S5).
- PW (Chave de alimentação, vermelho):
Conecta-se à chave de alimentação no painel frontal do chassi. Você pode configurar a maneira de desligar seu sistema usando a chave de alimentação (consulte o Capítulo "Configuração do BIOS", "Chipset" para obter mais informações). - HD (LED de atividade do disco rígido, azul):
Conecta-se ao LED de atividade do disco rígido no painel frontal do chassi. O LED fica aceso quando o disco rígido está lendo ou gravando dados. - RES (Chave de reinicialização, verde):
Conecta-se à chave de reinicialização no painel frontal do chassi. Pressione a chave de reinicialização para reiniciar o computador se ele travar e não conseguir executar uma reinicialização normal. - NC (roxo):
Sem conexão.
O design do painel frontal pode variar de acordo com o chassi. Um módulo do painel frontal consiste principalmente na chave de alimentação, chave de reinicialização, LED de alimentação, LED de atividade do disco rígido e etc. Ao conectar o módulo do painel frontal do chassi a este conector, certifique-se de que as atribuições de fio e as atribuições de pino correspondam corretamente.
- F_AUDIO (conector de áudio do painel frontal)
O conector de áudio do painel frontal suporta áudio de alta definição (HD) Intel e áudio AC'97. Você pode conectar o módulo de áudio do painel frontal do chassi a este conector. Certifique-se de que as atribuições de fio do conector do módulo correspondam às atribuições de pino do conector da placa-mãe. A conexão incorreta entre o conector do módulo e o conector da placa-mãe fará com que o dispositivo não funcione ou até mesmo o danifique.
![GIGABYTE - GA-J3455N-D3H - F_AUDIO (conector de áudio do painel frontal) F_AUDIO (conector de áudio do painel frontal)]()
- O conector de áudio do painel frontal suporta áudio HD por padrão.
- Os sinais de áudio estarão presentes nas conexões de áudio do painel frontal e traseiro simultaneamente.
- Alguns chassis fornecem um módulo de áudio do painel frontal que possui conectores separados em cada fio em vez de um único plugue. Para obter informações sobre como conectar o módulo de áudio do painel frontal que possui atribuições de fio diferentes, entre em contato com o fabricante do chassi.
- BAT (bateria)
A bateria fornece energia para manter os valores (como configurações do BIOS, informações de data e hora) no CMOS quando o computador está desligado. Substitua a bateria quando a tensão da bateria cair para um nível baixo, ou os valores do CMOS podem não ser precisos ou podem ser perdidos.

Você pode limpar os valores do CMOS removendo o cabo da bateria:
- Desligue o computador e desconecte o cabo de alimentação.
- Desconecte o cabo da bateria do conector do cabo da bateria e espere um minuto.
- Conecte o cabo da bateria.
- Conecte o cabo de alimentação e reinicie o computador.
- Sempre desligue o computador e desconecte o cabo de alimentação antes de substituir a bateria.
- Substitua a bateria por uma equivalente. Perigo de explosão se a bateria for substituída por um modelo incorreto.
- Entre em contato com o local de compra ou revendedor local se você não conseguir substituir a bateria sozinho ou se não tiver certeza sobre o modelo da bateria.
- Ao instalar a bateria, observe a orientação do lado positivo (+) e do lado negativo (-) da bateria (o lado positivo deve estar voltado para cima).
- As baterias usadas devem ser manuseadas de acordo com os regulamentos ambientais locais.
- F_USB30 (conector USB 3.1 Gen 1)
O conector está em conformidade com a especificação USB 3.1 Gen 1 e USB 2.0 e pode fornecer duas portas USB. Para comprar o painel frontal opcional de 3,5" que fornece duas portas USB 3.1 Gen 1, entre em contato com o revendedor local.
![GIGABYTE - GA-J3455N-D3H - F_USB30 (conector USB 3.1 Gen 1) F_USB30 (conector USB 3.1 Gen 1)]()
- F_USB1/F_USB2 (conectores USB 2.0/1.1)
Os conectores estão em conformidade com a especificação USB 2.0/1.1. Cada conector USB pode fornecer duas portas USB por meio de um suporte USB opcional. Para comprar o suporte USB opcional, entre em contato com o revendedor local.
![GIGABYTE - GA-J3455N-D3H - F_USB1/F_USB2 (conectores USB 2.0/1.1) F_USB1/F_USB2 (conectores USB 2.0/1.1)]()
- Não conecte o cabo do suporte IEEE 1394 (2x5 pinos) ao conector USB.
- Antes de instalar o suporte USB, certifique-se de desligar o computador e desconectar o cabo de alimentação da tomada para evitar danos ao suporte USB.
- LPT (conector de porta paralela)
O conector LPT pode fornecer uma porta paralela por meio de um cabo de porta LPT opcional. Para comprar o cabo de porta LPT opcional, entre em contato com o revendedor local.
![GIGABYTE - GA-J3455N-D3H - LPT (conector de porta paralela) LPT (conector de porta paralela)]()
- TPM (conector do módulo de plataforma confiável)
Você pode conectar um TPM (módulo de plataforma confiável) a este conector.
![GIGABYTE - GA-J3455N-D3H - TPM (conector do módulo de plataforma confiável) TPM (conector do módulo de plataforma confiável)]()
- CLR_CMOS (jumper Clear CMOS)
Use este jumper para limpar a configuração do BIOS e redefinir os valores do CMOS para os padrões de fábrica. Para limpar os valores do CMOS, use um objeto de metal como uma chave de fenda para tocar os dois pinos por alguns segundos.
![]()
- Sempre desligue o computador e desconecte o cabo de alimentação da tomada antes de limpar os valores do CMOS.
- Após a reinicialização do sistema, vá para a configuração do BIOS para carregar os padrões de fábrica (selecione Carregar padrões otimizados) ou configure manualmente as configurações do BIOS (consulte o Capítulo "Configuração do BIOS" para as configurações do BIOS).
- CI (conector de intrusão do chassi)
Esta placa-mãe fornece um recurso de detecção de chassi que detecta se a tampa do chassi foi removida. Esta função requer um chassi com design de detecção de intrusão do chassi.
![]()
Configuração do BIOS
O BIOS (Sistema Básico de Entrada/Saída) registra os parâmetros de hardware do sistema no CMOS na placa-mãe. Suas principais funções incluem conduzir o Power-On Self-Test (POST) durante a inicialização do sistema, salvar os parâmetros do sistema e carregar o sistema operacional, etc. O BIOS inclui um programa de Configuração do BIOS que permite ao usuário modificar as configurações básicas de configuração do sistema ou ativar determinados recursos do sistema. Quando a energia é desligada, a bateria na placa-mãe fornece a energia necessária ao CMOS para manter os valores de configuração no CMOS. Para acessar o programa de Configuração do BIOS, pressione a tecla <Delete> durante o POST quando a energia é ligada. Para atualizar o BIOS, use o utilitário GIGABYTE @BIOS, que é um utilitário baseado no Windows que pesquisa e baixa a versão mais recente do BIOS da Internet e atualiza o BIOS.
- Como o flashing do BIOS é potencialmente arriscado, se você não encontrar problemas ao usar a versão atual do BIOS, é recomendável que você não faça o flashing do BIOS. Para fazer o flashing do BIOS, faça-o com cautela. O flashing inadequado do BIOS pode resultar em mau funcionamento do sistema.
- Recomenda-se que você não altere as configurações padrão (a menos que precise) para evitar instabilidade do sistema ou outros resultados inesperados. A alteração inadequada das configurações pode resultar na falha de inicialização do sistema. Se isso ocorrer, tente limpar os valores do CMOS e redefinir a placa para os valores padrão. (Consulte a seção "Restaurar padrões" neste capítulo ou as introduções do jumper de bateria/limpeza do CMOS no Capítulo de instalação de hardware para saber como limpar os valores do CMOS.)
Principal
Depois de entrar no programa de Configuração do BIOS, o Menu Principal (conforme mostrado abaixo) aparece na tela. Use as teclas de seta para se mover entre os itens e pressione <Enter> para aceitar ou entrar em um submenu.
Ajuda do Menu Principal
A descrição na tela de uma opção de configuração destacada é exibida na linha inferior do Menu Principal.
Ajuda do Submenu
Enquanto estiver em um submenu, pressione <F1> para exibir uma tela de ajuda (Ajuda geral) das teclas de função disponíveis para o menu. Pressione <Esc> para sair da tela de ajuda. A ajuda para cada item está no bloco Ajuda do item no lado direito do submenu. (Exemplo de versão do BIOS: F3a)
- Quando o sistema não estiver estável como de costume, selecione o item Load Optimized Defaults (Carregar padrões otimizados) para definir seu sistema para seus padrões.
- Os menus de configuração do BIOS descritos neste capítulo são apenas para referência e podem diferir por versão do BIOS.
![GIGABYTE - GA-J3455N-D3H - Configuração do BIOS - Principal Configuração do BIOS - Principal]()
Esta seção fornece informações sobre o modelo da sua placa-mãe e a versão do BIOS. Você também pode selecionar o idioma padrão usado pelo BIOS e definir manualmente a hora do sistema.
System Language
Seleciona o idioma padrão usado pelo BIOS.
System Date
Define a data do sistema. O formato da data é semana (somente leitura), mês, data e ano. Use <Tab> para alternar entre os campos Mês, Data e Ano e use a tecla <+> ou <-> para definir o valor desejado.
System Time
Define a hora do sistema. O formato da hora é hora, minuto e segundo. Por exemplo, 1 p.m. é 13:00:00. Use <Tab> para alternar entre os campos Hora, Minuto e Segundo e use a tecla <+> ou <-> para definir o valor desejado.
Access Level
Exibe o nível de acesso atual, dependendo do tipo de proteção por senha usada. (Se nenhuma senha for definida, o padrão será exibido como Administrator.) O nível de administrador permite que você faça alterações em todas as configurações do BIOS; o nível de usuário permite que você faça alterações apenas em determinadas configurações do BIOS, mas não em todas.
Avançado

OnBoard LAN Controller (LAN1)
Ativa ou desativa a função LAN integrada. (Padrão: Ativado) Se desejar instalar uma placa de rede adicional de terceiros em vez de usar a LAN integrada, defina este item como Desativado.
OnBoard LAN Controller#2 (LAN2)
Ativa ou desativa a função LAN integrada. (Padrão: Ativado) Se desejar instalar uma placa de rede adicional de terceiros em vez de usar a LAN integrada, defina este item como Desativado.
Power Loading
Ativa ou desativa a carga fictícia. Quando a fonte de alimentação está com carga baixa, uma autoproteção será ativada, fazendo com que ela desligue ou falhe. Se isso ocorrer, defina como Enabled (Ativado). Auto (Automático) permite que o BIOS configure automaticamente esta configuração. (Padrão: Automático)
Soft-Off by PWR-BTTN
Configura a forma de desligar o computador no modo MS-DOS usando o botão liga/desliga.
Instant-Off Pressione o botão liga/desliga e o sistema será desligado instantaneamente. (Padrão)
Delay 4 Sec. Pressione e segure o botão liga/desliga por 4 segundos para desligar o sistema. Se o botão liga/desliga for pressionado por menos de 4 segundos, o sistema entrará no modo de suspensão.
Primary Display
Especifica a primeira inicialização da exibição do monitor a partir da placa de vídeo PCI instalada ou dos gráficos integrados.
IGD Define os gráficos integrados como a primeira exibição. (Padrão)
PCI Define a placa de vídeo no slot PCI como a primeira exibição.
PCIE VGA Workaround
Permite aumentar a compatibilidade da placa de vídeo PCI. (Padrão: Desativado)
ErP
Determina se o sistema deve consumir menos energia no estado S5 (desligamento). (Padrão: Desativado) Note (Observação): Quando este item é definido como Ativado, as seguintes funções ficarão indisponíveis: Resume by Alarm, PME event wake up, power on by mouse, power on by keyboard, and wake on LAN.
Realtek PCIe GBE Family Controller (LAN1)
Este submenu fornece informações sobre a configuração da LAN e opções de configuração relacionadas.
Realtek PCIe GBE Family Controller (LAN2)
Este submenu fornece informações sobre a configuração da LAN e opções de configuração relacionadas.
Trusted Computing
Ativa ou desativa o Trusted Platform Module (TPM).
IT8686 Super IO Configuration
Esta seção fornece informações sobre o chip super I/O e permite configurar a porta serial e a porta paralela.
Hardware Monitor
CPU Temperature/System Temperature
Exibe a temperatura atual da CPU/sistema.
CPU/System Fan Speed
Exibe as velocidades atuais da ventoinha da CPU/sistema.
VCCGI/VCC3/+12V/VCC/Vnn/DDR_VDDQ
Exibe as tensões atuais do sistema.
SIO Misc Functions
AC BACK
Determina o estado do sistema após o retorno da energia de uma perda de energia CA.
Memory O sistema retorna ao seu último estado ativo conhecido após o retorno da energia CA.
Always On O sistema é ligado após o retorno da energia CA.
Always Off O sistema permanece desligado após o retorno da energia CA. (Padrão)
Case Open
Exibe o status de detecção do dispositivo de detecção de intrusão do chassi conectado ao cabeçalho CI da placa-mãe. Se a tampa do chassi do sistema for removida, este campo mostrará "Open" (Aberto), caso contrário, mostrará "Close" (Fechado). Para limpar o registro de status de intrusão do chassi, defina Reset Case Open Status (Redefinir Status de Abertura da Caixa) como Enabled (Ativado), salve as configurações no CMOS e reinicie o sistema.
Reset Case Open Status
Disabled Mantém ou limpa o registro do status de intrusão do chassi anterior. (Padrão)
Enabled Limpa o registro do status de intrusão do chassi anterior e o campo Case Open (Caixa Aberta) mostrará "No" (Não) na próxima inicialização.
Case intrusion Prompt
Permite determinar se deve exibir a notificação de intrusão do chassi na inicialização do sistema. (Padrão: Desativado)
CPU Configuration
CPU Power Management
EIST
Ativa ou desativa a Enhanced Intel ® Speed Step Technology (EIST). Dependendo da carga da CPU, a tecnologia Intel® EIST pode diminuir de forma dinâmica e eficaz a tensão e a frequência do núcleo da CPU para diminuir o consumo médio de energia e a produção de calor. Auto (Automático) permite que o BIOS configure automaticamente esta configuração. (Padrão: Ativado)
Turbo Mode
Permite determinar se deve ativar a tecnologia Intel ® CPU Turbo Boost. (Padrão: Ativado)
C-States
Ativa ou desativa o suporte para C-States. (Padrão: Ativado)
Enhanced C-states
Permite determinar se a CPU pode entrar nos estados C. Quando ativado, a frequência do núcleo da CPU será reduzida durante o estado de interrupção do sistema para diminuir o consumo de energia. Este item só pode ser configurado quando C-States está ativado. (Padrão: Ativado)
Active Processor Cores
Permite selecionar o número de núcleos da CPU a serem ativados. (Padrão: Desativado)
Intel Virtualization Technology
Ativa ou desativa a Tecnologia de virtualização Intel ®. A virtualização aprimorada pela Tecnologia de virtualização Intel ® permitirá que uma plataforma execute vários sistemas operacionais e aplicativos em partições independentes. Com a virtualização, um sistema de computador pode funcionar como vários sistemas virtuais. (Padrão: Ativado)
VT-d
Ativa ou desativa a Tecnologia de virtualização Intel ® para E/S direcionada. (Padrão: Desativado)
Network Stack Configuration
Network Stack
Desativa ou ativa a inicialização da rede para instalar um SO de formato GPT, como a instalação do SO do servidor dos Serviços de Implantação do Windows. (Padrão: Desativado)
Ipv4 PXE Support
Ativa ou desativa o suporte a IPv4 PXE. Este item só pode ser configurado quando Network Stack is ativado.
Ipv4 HTTP Support
Ativa ou desativa o suporte de inicialização HTTP para IPv4. Este item só pode ser configurado quando Network Stack está ativado.
Ipv6 PXE Support
Ativa ou desativa o suporte a IPv6 PXE. Este item só pode ser configurado quando Network Stack está ativado.
Ipv6 HTTP Support
Ativa ou desativa o suporte de inicialização HTTP para IPv6. Este item só pode ser configurado quando Network Stack está ativado.
PXE boot wait time
Permite configurar por quanto tempo esperar antes de pressionar <Esc> para abortar a inicialização PXE. Este item só pode ser configurado quando Network Stack está ativado. (Padrão: 0)
Media detect count
Permite definir o número de vezes para verificar a presença da mídia. Este item só pode ser configurado quando Network Stack está ativado. (Padrão: 1)
CSM Configuration
CSM Support
Ativa ou desativa o UEFI CSM (Compatibility Support Module, Módulo de suporte de compatibilidade) para suportar um processo de inicialização de PC legado.
Enabled Ativa o UEFI CSM. (Padrão)
Disabled Desativa o UEFI CSM e suporta apenas o processo de inicialização do UEFI BIOS.
Network
Permite selecionar se deseja ativar a opção ROM UEFI ou legado para o controlador LAN.
Do not launch Desativa a opção ROM.
UEFI Ativa apenas a opção ROM UEFI. (Padrão)
Legacy Ativa apenas a opção ROM legado.
Este item só pode ser configurado quando CSM Support está definido como Enabled.
Storage
Permite selecionar se deseja ativar a opção ROM UEFI ou legado para o controlador do dispositivo de armazenamento.
Do not launch Desativa a opção ROM.
UEFI Ativa apenas a opção ROM UEFI. (Padrão)
Legacy Ativa apenas a opção ROM legado.
Este item só pode ser configurado quando CSM Support está definido como Enabled.
Video
Permite selecionar se deseja ativar a opção ROM UEFI ou legado para o controlador de gráficos.
Do not launch Desativa a opção ROM.
UEFI Ativa apenas a opção ROM UEFI. (Padrão)
Legacy Ativa apenas a opção ROM legado.
Este item só pode ser configurado quando CSM Support está definido como Enabled.
Other PCI devices
Permite selecionar se deseja ativar a opção ROM UEFI ou Legacy para o controlador do dispositivo PCI diferente dos controladores LAN, dispositivo de armazenamento e gráficos.
Do not launch Desativa a opção ROM.
UEFI Ativa apenas a opção ROM UEFI. (Padrão)
Legacy Ativa apenas a opção ROM legado.
Este item só pode ser configurado quando CSM Support está definido como Enabled.
USB Configuration
Onboard USB Feature
Ativa ou desativa a função USB integrada. (Padrão: Ativado)
Legacy USB Support
Permite que o teclado/mouse USB seja usado no MS-DOS. (Padrão: Ativado)
XHCI Hand-off
Determina se deve ativar o recurso XHCI Hand-off para um sistema operacional sem suporte a XHCI Hand-off. (Padrão: Ativado)
USB Mass Storage Driver Support
Ativa ou desativa o suporte para dispositivos de armazenamento USB. (Padrão: Ativado)
USB Storage Devices
Exibe uma lista de dispositivos de armazenamento em massa USB conectados. Este item aparece apenas quando um dispositivo de armazenamento USB está instalado.
Segurança

Setup Administrator Password (Definir senha de administrador)
Permite que você configure uma senha de administrador. Pressione <Enter> neste item, digite a senha e pressione <Enter>. Você será solicitado a confirmar a senha. Digite a senha novamente e pressione <Enter>. Você deve inserir a senha de administrador (ou senha de usuário) na inicialização do sistema e ao entrar na Configuração do BIOS. Diferente da senha de usuário, a senha de administrador permite que você faça alterações em todas as configurações do BIOS.
User Password (Senha de usuário)
Permite que você configure uma senha de usuário. Pressione <Enter> neste item, digite a senha e pressione <Enter>. Você será solicitado a confirmar a senha. Digite a senha novamente e pressione <Enter>. Você deve inserir a senha de administrador (ou senha de usuário) na inicialização do sistema e ao entrar na Configuração do BIOS. No entanto, a senha de usuário permite que você faça alterações apenas em certas configurações do BIOS, mas não em todas. Para cancelar a senha, pressione <Enter> no item de senha e, quando solicitado a senha, insira a correta primeiro. Quando solicitado uma nova senha, pressione <Enter> sem inserir nenhuma senha. Pressione <Enter> novamente quando solicitado a confirmar. OBSERVAÇÃO: Antes de definir a Senha de Usuário, certifique-se de definir a Senha de Administrador primeiro.
HDD Security Configuration (Configuração de segurança do HDD)
Exibe uma lista de discos rígidos conectados e permite que você defina uma senha para um disco rígido específico. Este item aparece apenas quando um disco rígido está instalado.
Secure Boot (Inicialização Segura)
System Mode (Modo de sistema)
Exibe o modo de sistema atual.
Secure Boot (Inicialização Segura)
Exibe o estado atual da inicialização segura.
Vendor Keys (Chaves do fornecedor)
Exibe as chaves do fornecedor.
Attempt Secure Boot (Tentar inicialização segura)
Ativa ou desativa a função de inicialização segura. A Inicialização Segura exige que todos os aplicativos que estão sendo executados durante o processo de inicialização sejam pré-assinados com certificados digitais válidos. Desta forma, o sistema sabe que todos os arquivos que estão sendo carregados antes do Windows 8 carregar e chegar à tela de login não foram adulterados. (Padrão: Desativado)
Secure Boot Mode (Modo de inicialização segura)
Permite que você configure o modo de inicialização segura. (Padrão: Personalizado)
Key Management (Gerenciamento de chaves)
Esta seção fornece opções de configuração para o gerenciamento de chaves de inicialização segura.
Inicialização

Setup Prompt Timeout (Tempo limite do prompt de configuração)
Permite que você configure o número de segundos para permanecer na tela de prompt de configuração do BIOS. (Padrão: 1)
Bootup NumLock State (Estado do NumLock na inicialização)
Ativa ou desativa o recurso Numlock no teclado numérico do teclado após o POST. (Padrão: Ligado)
Full Screen LOGO Show (Exibição do LOGOTIPO em tela cheia)
Permite que você determine se deve exibir o Logotipo da GIGABYTE na inicialização do sistema. Disabled (Desativado) ignora o Logotipo da GIGABYTE quando o sistema é iniciado. (Padrão: Ativado)
Boot Option #1/2/3 (Opção de inicialização #1/2/3)
Especifica a ordem geral de inicialização dos dispositivos disponíveis. Por exemplo, você pode definir o disco rígido como a primeira prioridade (Boot Option #1 (Opção de inicialização #1)) e a unidade de DVD ROM como a segunda prioridade (Boot Option #2 (Opção de inicialização #2)). A lista exibe apenas o dispositivo com a prioridade mais alta para um tipo específico. Por exemplo, apenas o disco rígido definido como a primeira prioridade no submenu Hard Drive BBS Priorities (Prioridades BBS do disco rígido) será apresentado aqui.
Dispositivos de armazenamento removíveis que suportam o formato GPT serão prefixados com a string "UEFI:" na lista de dispositivos de inicialização. Para inicializar a partir de um sistema operacional que suporte o particionamento GPT, selecione o dispositivo prefixado com a string "UEFI:".
Ou, se você deseja instalar um sistema operacional que suporte o particionamento GPT, como o Windows 7 de 64 bits, selecione a unidade óptica que contém o disco de instalação do Windows 7 de 64 bits e é prefixada com a string "UEFI:".
Hard Drive/CD/DVD ROM Drive/Floppy Drive/Network Device BBS Priorities (Prioridades BBS de disco rígido/unidade de CD/DVD ROM/unidade de disquete/dispositivo de rede)
Especifica a ordem de inicialização para um tipo de dispositivo específico, como discos rígidos, unidades ópticas, unidades de disquete e dispositivos que suportam a função Boot from LAN (Inicialização da LAN), etc. Pressione <Enter> neste item para entrar no submenu que apresenta os dispositivos do mesmo tipo que estão conectados. Este item está presente apenas se pelo menos um dispositivo deste tipo estiver instalado.
New Boot Option Policy (Nova política de opção de inicialização)
Permite que você determine se deve alterar a ordem de inicialização quando um novo dispositivo é adicionado.
Default (Padrão) Mantém as configurações anteriores da ordem de inicialização. (Padrão)
Place First (Colocar primeiro) Define o dispositivo recém-adicionado como o primeiro dispositivo de inicialização.
Place Last (Colocar por último) Define o dispositivo recém-adicionado como o último dispositivo de inicialização.
Salvar e sair

Save Changes and Exit (Salvar alterações e sair)
Pressione <Enter> neste item e selecione Yes (Sim). Isso salva as alterações no CMOS e sai do programa de configuração do BIOS. Selecione No (Não) ou pressione <Esc> para retornar ao Menu Principal de Configuração do BIOS.
Discard Changes and Exit (Descartar alterações e sair)
Pressione <Enter> neste item e selecione Yes (Sim). Isso sai da configuração do BIOS sem salvar as alterações feitas na configuração do BIOS no CMOS. Selecione No (Não) ou pressione <Esc> para retornar ao Menu Principal de Configuração do BIOS.
Save Changes (Salvar alterações)
Pressione <Enter> neste item e selecione Yes (Sim) para salvar as alterações no CMOS. Selecione No (Não) ou pressione <Esc> para retornar ao Menu Principal de Configuração do BIOS.
Discard Changes (Descartar alterações)
Pressione <Enter> neste item e selecione Yes (Sim) para cancelar as alterações do BIOS. Selecione No (Não) ou pressione <Esc> para retornar ao Menu Principal de Configuração do BIOS.
Restore Defaults (Restaurar padrões)
Pressione <Enter> neste item e selecione Yes (Sim) para carregar as configurações padrão de fábrica do BIOS. As configurações padrão do BIOS ajudam o sistema a operar em estado ideal. Sempre carregue os padrões otimizados após atualizar o BIOS ou após limpar os valores do CMOS.
Save as User Defaults (Salvar como padrões do usuário)
Salva as configurações atuais do BIOS como configurações padrão definidas pelo usuário.
Restore User Defaults (Restaurar padrões do usuário)
Carrega as configurações padrão definidas pelo usuário para todas as opções do BIOS.
Boot Override (Substituição de inicialização)
Permite que você selecione um dispositivo para inicializar imediatamente. Pressione <Enter> no dispositivo que você selecionar e selecione Yes (Sim) para confirmar. Seu sistema será reiniciado automaticamente e inicializado a partir desse dispositivo.
Launch EFI Shell from filesystem device (Iniciar o Shell EFI a partir do dispositivo do sistema de arquivos)
Permite que você inicie o aplicativo EFI Shell (shell.efi) a partir de um dos dispositivos de sistema de arquivos disponíveis. Pressione <Enter> nesta opção e o sistema será reiniciado automaticamente para a tela do EFI Shell.
Instalação dos drivers
- Antes de instalar os drivers, instale primeiro o sistema operacional. (As instruções a seguir usam o Windows 10 como sistema operacional de exemplo.)
- Após instalar o sistema operacional, insira o disco de driver da placa-mãe na sua unidade óptica. Clique na mensagem "Toque para escolher o que acontece com este disco" no canto superior direito da tela e selecione "Executar Run.exe". (Ou vá para Meu Computador, clique duas vezes na unidade óptica e execute o programa Run.exe.)
"Xpress Install" irá escanear automaticamente seu sistema e então listar todos os drivers que são recomendados para instalar. Você pode clicar no botão Xpress Install e "Xpress Install" irá instalar todos os drivers selecionados. Ou clique na seta
para instalar individualmente os drivers que você precisa.

Contate-nos
GIGA-BYTE TECHNOLOGY CO., LTD.
Endereço: No.6, Baoqiang Rd., Xindian Dist., New Taipei City 231, Taiwan
TEL: +886-2-8912-4000, FAX: +886-2-8912-4005
Suporte Técnico e Não Técnico (Vendas/Marketing): http://esupport.gigabyte.com
Endereço WEB (Inglês): http://www.gigabyte.com
Endereço WEB (Chinês): http://www.gigabyte.tw
- GIGABYTE eSupport
Para enviar uma questão técnica ou não técnica (Vendas/Marketing), por favor, link para: http://esupport.gigabyte.com
![]()
Referências
Baixar manual
Aqui você pode baixar a versão completa em PDF do manual, ela pode conter instruções de segurança adicionais, informações de garantia, regras da FCC, etc.
Baixar GIGABYTE GA-J3455N-D3H - Manual da placa-mãe












