Gigabyte B550 UD AC - Manual da placa-mãe AM4 ATX Rev. 1201
- 1 Aviso Legal
- 2 Identificando a Revisão da Sua Placa-Mãe
- 3 Layout da Placa-Mãe B550 UD AC
- 4 Conteúdo da Caixa
- 5 Instalação do Hardware
- 6 Configuração do BIOS
- 7 Configurando um conjunto RAID
- 8 Instalação de Drivers
- 9 Avisos Regulatórios
- 10 Contate-nos
- 11 Referências
- 12 Baixar manual
- 13 Em Outros Idiomas

Aviso Legal
As informações contidas neste manual são protegidas pelas leis de direitos autorais e são propriedade da GIGABYTE. As especificações e recursos deste manual estão sujeitos a alterações pela GIGABYTE sem aviso prévio. Nenhuma parte deste manual pode ser reproduzida, copiada, traduzida, transmitida ou publicada de qualquer forma ou por qualquer meio sem a permissão prévia por escrito da GIGABYTE.
- Para obter informações detalhadas sobre o produto, leia atentamente o Manual do Usuário.
- Para obter informações relacionadas ao produto, consulte nosso site em: https://www.gigabyte.com
Identificando a Revisão da Sua Placa-Mãe
O número de revisão na sua placa-mãe se parece com isto: "REV: X.X." Por exemplo, "REV: 1.0" significa que a revisão da placa-mãe é 1.0. Verifique a revisão da sua placa-mãe antes de atualizar o BIOS, os drivers ou ao procurar informações técnicas.
Exemplo:

Layout da Placa-Mãe B550 UD AC

Conteúdo da Caixa
- Placa-mãe B550 UD AC
- Duas antenas
- Espelho I/O
- Manual do Usuário
- Dois cabos SATA
- Parafusos M.2
* O conteúdo da caixa acima é apenas para referência e os itens reais dependem da embalagem do produto que você recebe.
O conteúdo da caixa está sujeito a alterações sem aviso prévio.
Instalação do Hardware
Precauções de instalação
A placa-mãe contém vários circuitos eletrônicos e componentes delicados que podem ser danificados como resultado de descarga eletrostática (ESD). Antes da instalação, leia atentamente o manual do usuário e siga estes procedimentos:
- Antes da instalação, certifique-se de que o chassi é adequado para a placa-mãe.
- Antes da instalação, não remova ou quebre o adesivo de S/N (Número de Série) da placa-mãe ou o adesivo de garantia fornecido pelo seu revendedor. Esses adesivos são necessários para a validação da garantia.
- Sempre remova a alimentação CA desconectando o cabo de alimentação da tomada antes de instalar ou remover a placa-mãe ou outros componentes de hardware.
- Ao conectar componentes de hardware aos conectores internos da placa-mãe, certifique-se de que estejam conectados de forma firme e segura.
- Ao manusear a placa-mãe, evite tocar em quaisquer terminais ou conectores de metal.
- É melhor usar uma pulseira antiestática (ESD) ao manusear componentes eletrônicos, como uma placa-mãe, CPU ou memória. Se você não tiver uma pulseira ESD, mantenha as mãos secas e toque primeiro em um objeto de metal para eliminar a eletricidade estática.
- Antes de instalar a placa-mãe, coloque-a em cima de uma almofada antiestática ou dentro de um recipiente de proteção eletrostática.
- Antes de conectar ou desconectar o cabo de alimentação da placa-mãe, certifique-se de que a fonte de alimentação foi desligada.
- Antes de ligar a energia, certifique-se de que a tensão da fonte de alimentação foi definida de acordo com o padrão de tensão local.
- Antes de usar o produto, verifique se todos os cabos e conectores de alimentação de seus componentes de hardware estão conectados.
- Para evitar danos à placa-mãe, não permita que os parafusos entrem em contato com o circuito da placa-mãe ou seus componentes.
- Certifique-se de que não haja parafusos ou componentes de metal sobrando colocados na placa-mãe ou dentro da carcaça do computador.
- Não coloque o sistema de computador em uma superfície irregular.
- Não coloque o sistema de computador em um ambiente úmido ou de alta temperatura.
- Ligar a alimentação do computador durante o processo de instalação pode causar danos aos componentes do sistema, bem como danos físicos ao usuário.
- Se você não tiver certeza sobre alguma etapa de instalação ou tiver um problema relacionado ao uso do produto, consulte um técnico de informática certificado.
- Se você usar um adaptador, cabo de alimentação de extensão ou régua de alimentação, certifique-se de consultar suas instruções de instalação e/ou aterramento.
Especificações do produto
CPU |
|
Chipset |
|
Memória |
|
Gráficos integrados |
|
Áudio |
|
LAN |
|
Módulo de comunicação sem fio |
|
Slots de expansão |
|
Interface de armazenamento |
|
USB |
|
Conectores internos |
|
Conectores do painel traseiro |
|
Controlador de E/S |
|
Monitor de hardware |
|
BIOS |
|
Recursos exclusivos |
|
Software incluído |
|
Sistema operacional |
|
Fator de forma |
|
| * A GIGABYTE reserva-se o direito de fazer quaisquer alterações nas especificações do produto e nas informações relacionadas ao produto sem aviso prévio. | |
Visite o site da GIGABYTE para obter listas de suporte de CPU, módulos de memória, SSDs e dispositivos M.2.
https://www.gigabyte.com/Motherboard/B550-UD-AC-rev-12?m=dl#support-dl
Visite a página SERVICE/SUPPORT\Utility no site da GIGABYTE para baixar a versão mais recente dos aplicativos.
https://www.gigabyte.com/Support/Utility/Motherboard?m=ut
Instalando a CPU
Leia as seguintes diretrizes antes de começar a instalar a CPU:
- Certifique-se de que a placa-mãe suporta a CPU. (Acesse o site da GIGABYTE para obter a lista de suporte de CPU mais recente.)
- Sempre desligue o computador e desconecte o cabo de alimentação da tomada antes de instalar a CPU para evitar danos ao hardware.
- Localize o pino um da CPU. A CPU não pode ser inserida se estiver orientada incorretamente.
- Aplique uma camada uniforme e fina de massa térmica na superfície da CPU.
- Não ligue o computador se o cooler da CPU não estiver instalado, caso contrário, pode ocorrer superaquecimento e danos à CPU.
- Defina a frequência do host da CPU de acordo com as especificações da CPU. Não é recomendável que a frequência do barramento do sistema seja definida além das especificações do hardware, pois não atende aos requisitos padrão para os periféricos. Se você deseja definir a frequência além das especificações padrão, faça-o de acordo com as especificações de hardware, incluindo a CPU, placa de vídeo, memória, disco rígido, etc.
Instalando a CPU
Levante completamente a alavanca de travamento do soquete da CPU. Localize o pino um (denotado por um pequeno triângulo) do soquete da CPU e da CPU. Depois que a CPU estiver posicionada em seu soquete, coloque um dedo no meio da CPU, abaixando a alavanca de travamento e travando-a na posição totalmente travada.

Não force a CPU no soquete da CPU antes que a alavanca de travamento do soquete da CPU seja levantada, ou podem ocorrer danos à CPU e ao soquete da CPU.
Instalando a memória
Leia as seguintes diretrizes antes de começar a instalar a memória:
- Certifique-se de que a placa-mãe suporta a memória. Recomenda-se que sejam usadas memórias da mesma capacidade, marca, velocidade e chips. (Acesse o site da GIGABYTE para obter as velocidades de memória e módulos de memória suportados mais recentes.)
- Sempre desligue o computador e desconecte o cabo de alimentação da tomada antes de instalar a memória para evitar danos ao hardware.
- Os módulos de memória têm um design à prova de falhas. Um módulo de memória pode ser instalado em apenas uma direção. Se você não conseguir inserir a memória, troque a direção.
- Ao instalar um único módulo de memória, recomendamos que você o instale no soquete DDR4_A2.
Visite o site da GIGABYTE para obter detalhes sobre a instalação do hardware.
http://www.gigabyte.com/WebPage/210/quick-guide.html?m=sw
Configuração de memória de canal duplo
Esta placa-mãe fornece quatro soquetes de memória e suporta a tecnologia de canal duplo. Depois que a memória for instalada, o BIOS detectará automaticamente as especificações e a capacidade da memória. Habilitar o modo de memória de canal duplo dobrará a largura de banda da memória original.
Os quatro soquetes de memória são divididos em dois canais e cada canal tem dois soquetes de memória da seguinte forma:
- Canal A: DDR4_A1, DDR4_A2
- Canal B: DDR4_B1, DDR4_B2
- Configuração de memória de canal duplo recomendada:
| DDR4_A1 | DDR4_A2 | DDR4_B1 | DDR4_B2 | |
| 2 Módulos | - - | DS/SS | - - | DS/SS |
| 4 Módulos | DS/SS | DS/SS | DS/SS | DS/SS |
(SS=Single-Sided, DS=Double-Sided, "- -"=Sem memória)
Devido às limitações da CPU, leia as seguintes diretrizes antes de instalar a memória no modo de canal duplo.
- O modo de canal duplo não pode ser ativado se apenas um módulo de memória estiver instalado.
- Ao ativar o modo de canal duplo com dois ou quatro módulos de memória, recomenda-se que sejam usadas memórias da mesma capacidade, marca, velocidade e chips.
Instalando uma placa de expansão
Leia as seguintes diretrizes antes de começar a instalar uma placa de expansão:
- Certifique-se de que a placa-mãe suporta a placa de expansão. Leia atentamente o manual que acompanha sua placa de expansão.
- Sempre desligue o computador e desconecte o cabo de alimentação da tomada antes de instalar uma placa de expansão para evitar danos ao hardware.
Conectores do painel traseiro

![]()
- Porta USB 2.0/1.1
A porta USB suporta a especificação USB 2.0/1.1. Use esta porta para dispositivos USB. - Conectores de antena SMA (1T1R)
Use este conector para conectar uma antena.
Aperte as antenas aos conectores da antena e, em seguida, aponte as antenas corretamente para uma melhor recepção do sinal.
- Porta HDMI (Nota 1)
![]()
A porta HDMI está em conformidade com HDCP 2.3 e suporta formatos Dolby TrueHD e DTS HD Master Audio. Ele também suporta saída de áudio LPCM de 7.1 canais de até 192KHz/24 bits. Você pode usar esta porta para conectar seu monitor compatível com HDMI. A resolução máxima suportada é 4096x2160@60 Hz, mas as resoluções reais suportadas dependem do monitor que está sendo usado.
Depois de instalar o dispositivo HDMI, certifique-se de definir o dispositivo de reprodução de som padrão para HDMI. (O nome do item pode ser diferente dependendo do seu sistema operacional.)
- Porta USB 3.2 Gen 2 Type-A (Vermelha)
A porta USB 3.2 Gen 2 suporta a especificação USB 3.2 Gen 2 e é compatível com a especificação USB 3.2 Gen 1 e USB 2.0. Use esta porta para dispositivos USB. - Porta USB Type-C ®
A porta USB reversível suporta a especificação USB 3.2 Gen 1 e é compatível com a especificação USB 2.0. Use esta porta para dispositivos USB. - Botão Q-Flash Plus (Nota 2)
O Q-Flash Plus permite que você atualize o BIOS quando o sistema estiver desligado (estado de desligamento S5). Salve o BIOS mais recente em uma unidade USB e conecte-o à porta Q-Flash Plus e, em seguida, você pode atualizar o BIOS automaticamente simplesmente pressionando o botão Q-Flash Plus. O QFLED piscará quando as atividades de correspondência e flash do BIOS começarem e pararão de piscar quando o flash do BIOS principal estiver concluído. - Porta RJ-45 LAN
A porta Gigabit Ethernet LAN fornece conexão à Internet com taxa de dados de até 1 Gbps. A seguir, descreve os estados dos LEDs da porta LAN.

LED de conexão/velocidade:
| Estado | Descrição |
| Laranja | Taxa de dados de 1 Gbps |
| Verde | Taxa de dados de 100 Mbps |
| Desligado | Taxa de dados de 10 Mbps |
LED de atividade:
| Estado | Descrição |
| Piscando | A transmissão ou o recebimento de dados está ocorrendo |
| Desligado | Nenhuma transmissão ou recebimento de dados está ocorrendo |
- Porta USB 3.2 Gen 1
A porta USB 3.2 Gen 1 suporta a especificação USB 3.2 Gen 1 e é compatível com a especificação USB 2.0. Use esta porta para dispositivos USB. - Porta USB 3.2 Gen 1 (Porta Q-Flash Plus)
A porta USB 3.2 Gen 1 suporta a especificação USB 3.2 Gen 1 e é compatível com a especificação USB 2.0. Use esta porta para dispositivos USB. Antes de usar o Q-Flash Plus (Nota 2), certifique-se de inserir a unidade flash USB nesta porta primeiro. - Entrada de linha/Saída de alto-falante traseiro (Azul)
O conector de entrada de linha. Use este conector de áudio para dispositivos de entrada de linha, como uma unidade óptica, walkman, etc. - Saída de linha/Saída de alto-falante frontal (Verde)
O conector de saída de linha. - Entrada de microfone/Saída de alto-falante central/subwoofer (Rosa)
O conector de entrada de microfone.
- Ao remover o cabo conectado a um conector do painel traseiro, primeiro remova o cabo do seu dispositivo e, em seguida, remova-o da placa-mãe.
- Ao remover o cabo, puxe-o diretamente para fora do conector. Não o balance de um lado para o outro para evitar um curto-circuito elétrico dentro do conector do cabo.
(Nota 1) Apenas para processadores AMD Ryzen™ Série 5000 G/Série 4000 G.
(Nota 2) Para habilitar a função Q-Flash Plus, visite a página da Web "Recursos exclusivos" do site da GIGABYTE.
Configurações do conector de áudio:
| Conector | Fone de ouvido/ 2 canais | 4 canais | 5.1 canais | 7.1 canais |
| i. Entrada de linha/Saída de alto-falante traseiro | ![]() | | ![]() | |
| k. Saída de linha/Saída de alto-falante frontal | | ![]() | ![]() | ![]() |
| l. Entrada de microfone/Saída de alto-falante central/subwoofer | | | ||
| Saída de linha do painel frontal/Saída de alto-falante lateral | |
Você pode alterar a funcionalidade de um conector de áudio usando o software de áudio. Para configurar o áudio de 7.1 canais, acesse o software de áudio para configurações de áudio.
Visite o site da GIGABYTE para obter detalhes sobre como configurar o software de áudio.
https://www.gigabyte.com/WebPage/697/realtek897-audio.html
Conectores internos

- ATX_12V
- ATX
- CPU_FAN
- SYS_FAN1/2/3
- CPU_OPT
- D_LED1/D_LED2
- LED_CPU
- LED_C1/LED_C2
- SATA3 0/1/2/3
- M2A_CPU/M2B_SB
- F_PANEL
- F_AUDIO
- F_U32
- F_USB1/F_USB2
- TPM
- CLR_CMOS
- BAT
- F_U32C
Leia as seguintes diretrizes antes de conectar dispositivos externos:
- Primeiro, certifique-se de que seus dispositivos são compatíveis com os conectores que você deseja conectar.
- Antes de instalar os dispositivos, certifique-se de desligar os dispositivos e o computador. Desconecte o cabo de alimentação da tomada para evitar danos aos dispositivos.
- Após instalar o dispositivo e antes de ligar o computador, certifique-se de que o cabo do dispositivo esteja firmemente conectado ao conector na placa-mãe.
1/2) ATX_12V/ATX (Conector de alimentação de 12V 2x4 e Conector de alimentação principal 2x12)
Com o uso do conector de alimentação, a fonte de alimentação pode fornecer energia estável suficiente para todos os componentes da placa-mãe. Antes de conectar o conector de alimentação, primeiro certifique-se de que a fonte de alimentação esteja desligada e todos os dispositivos estejam instalados corretamente. O conector de alimentação possui um design à prova de falhas. Conecte o cabo de alimentação ao conector de alimentação na orientação correta.
O conector de alimentação de 12V fornece energia principalmente para a CPU. Se o conector de alimentação de 12V não estiver conectado, o computador não iniciará.
Para atender aos requisitos de expansão, recomenda-se que seja usada uma fonte de alimentação que possa suportar alto consumo de energia (500 W ou superior). Se for usada uma fonte de alimentação que não forneça a energia necessária, o resultado pode levar a um sistema instável ou não inicializável.
ATX_12V:

| Nº do pino | Definição | Nº do pino | Definição |
| 1 | GND (apenas para 12V de 2x4 pinos) | 5 | +12V (apenas para 12V de 2x4 pinos) |
| 2 | GND (apenas para 12V de 2x4 pinos) | 6 | +12V (apenas para 12V de 2x4 pinos) |
| 3 | GND | 7 | +12V |
| 4 | GND | 8 | +12V |
ATX:

| Nº do pino | Definição | Nº do pino | Definição |
| 1 | 3,3V | 13 | 3,3V |
| 2 | 3,3V | 14 | -12V |
| 3 | GND | 15 | GND |
| 4 | +5V | 16 | PS_ON (liga/desliga suavemente) |
| 5 | GND | 17 | GND |
| 6 | +5V | 18 | GND |
| 7 | GND | 19 | GND |
| 8 | Power Good | 20 | NC |
| 9 | 5VSB (espera +5V) | 21 | +5V |
| 10 | +12V | 22 | +5V |
| 11 | +12V (apenas para ATX de 2x12 pinos) | 23 | +5V (apenas para ATX de 2x12 pinos) |
| 12 | 3,3V (apenas para ATX de 2x12 pinos) | 24 | GND (apenas para ATX de 2x12 pinos) |
3/4) CPU_FAN/SYS_FAN1/2/3 (Headers da ventoinha)
Todos os headers da ventoinha nesta placa-mãe são de 4 pinos. A maioria dos headers da ventoinha possui um design de inserção à prova de falhas. Ao conectar um cabo de ventoinha, certifique-se de conectá-lo na orientação correta (o fio do conector preto é o fio terra). A função de controle de velocidade requer o uso de uma ventoinha com design de controle de velocidade da ventoinha. Para uma dissipação de calor ideal, recomenda-se que uma ventoinha do sistema seja instalada dentro do chassi.

CPU_FAN

SYS_FAN2

SYS_FAN3

SYS_FAN1
| Nº do pino | Definição |
| 1 | GND |
| 2 | Controle de velocidade de tensão |
| 3 | Detecção |
| 4 | Controle de velocidade PWM |
5) CPU_OPT (Header da ventoinha da CPU com refrigeração líquida

| Nº do pino | Definição |
| 1 | GND |
| 2 | Controle de velocidade de tensão |
| 3 | Detecção |
| 4 | Controle de velocidade PWM |
O header da ventoinha é de 4 pinos e possui um design de inserção à prova de falhas. A maioria dos headers da ventoinha possui um design de inserção à prova de falhas. Ao conectar um cabo de ventoinha, certifique-se de conectá-lo na orientação correta (o fio do conector preto é o fio terra). A função de controle de velocidade requer o uso de uma ventoinha com design de controle de velocidade da ventoinha.
| Conector | CPU_FAN | SYS_FAN1~3 | CPU_OPT |
| Corrente máxima | 2A | 2A | 2A |
| Potência máxima | 24W | 24W | 24W |
- Certifique-se de conectar os cabos da ventoinha aos headers da ventoinha para evitar o superaquecimento da CPU e do sistema. O superaquecimento pode resultar em danos à CPU ou o sistema pode travar.
- Esses headers da ventoinha não são blocos de jumper de configuração. Não coloque uma tampa de jumper nos headers.
6) D_LED1/D_LED2 (Headers de fita de LED endereçável)
Os headers podem ser usados para conectar uma fita de LED endereçável 5050 padrão, com classificação de potência máxima de 5A (5V) e número máximo de 1000 LEDs.

D_LED1

D_LED2

| Nº do pino | Definição |
| 1 | V (5V) |
| 2 | Dados |
| 3 | Sem pino |
| 4 | GND |
Conecte sua fita de LED endereçável ao header. O pino de alimentação (marcado com um triângulo no plugue) da fita de LED deve ser conectado ao pino 1 do header da fita de LED endereçável. A conexão incorreta pode danificar a fita de LED.
7) LED_CPU (Header da fita de LED/fita de LED RGB do cooler da CPU)
O header pode ser usado para conectar uma fita de LED do cooler da CPU ou uma fita de LED RGB 5050 padrão (12V/G/R/B), com classificação de potência máxima de 2A (12V) e comprimento máximo de 2m.

| Nº do pino | Definição |
| 1 | 12V |
| 2 | G |
| 3 | R |
| 4 | B |
Conecte a fita de LED do cooler da CPU/fita de LED RGB ao header. O pino de alimentação (marcado com um triângulo no plugue) da fita de LED deve ser conectado ao pino 1 (12V) deste header. A conexão incorreta pode danificar a fita de LED.
8) LED_C1/LED_C2 (Headers de fita de LED RGB)
Os headers podem ser usados para conectar uma fita de LED RGB 5050 padrão (12V/G/R/B), com classificação de potência máxima de 2A (12V) e comprimento máximo de 2m.

LED_C1

LED_C2

| Nº do pino | Definição |
| 1 | 12V |
| 2 | G |
| 3 | R |
| 4 | B |
Conecte sua fita de LED RGB ao header. O pino de alimentação (marcado com um triângulo no plugue) da fita de LED deve ser conectado ao pino 1 (12V) deste header. A conexão incorreta pode danificar a fita de LED.
Para saber como ligar/desligar as luzes da fita de LED, visite a página da Web "Recursos exclusivos" do site da GIGABYTE.
Antes de instalar os dispositivos, certifique-se de desligar os dispositivos e o computador. Desconecte o cabo de alimentação da tomada para evitar danos aos dispositivos.
9) SATA3 0/1/2/3 (conectores SATA de 6 Gb/s)
Os conectores SATA estão em conformidade com o padrão SATA de 6 Gb/s e são compatíveis com os padrões SATA de 3 Gb/s e SATA de 1,5 Gb/s. Cada conector SATA suporta um único dispositivo SATA. Os conectores SATA suportam RAID 0, RAID 1 e RAID 10. Consulte "Configurando um conjunto RAID" para obter instruções sobre como configurar um array RAID.

| Nº do pino | Definição |
| 1 | GND |
| 2 | TXP |
| 3 | TXN |
| 4 | GND |
| 5 | RXN |
| 6 | RXP |
| 7 | GND |
10) M2A_CPU/M2B_SB (conectores M.2 Socket 3)
Os conectores M.2 suportam SSDs M.2 SATA ou SSDs M.2 PCIe e suportam configuração RAID. Observe que um SSD M.2 PCIe não pode ser usado para criar um conjunto RAID com um SSD M.2 SATA ou um disco rígido SATA. Consulte "Configurando um conjunto RAID" para obter instruções sobre como configurar um array RAID.

Siga as etapas abaixo para instalar corretamente um SSD M.2 no conector M.2.
Etapa 1:
Localize o orifício de montagem adequado com base no comprimento da sua unidade SSD M.2. Se necessário, mova o separador para o orifício de montagem desejado. Insira o SSD M.2 no conector M.2 em um ângulo.
Etapa 2:
Pressione o SSD M.2 para baixo e use o parafuso incluído para prendê-lo no conector.
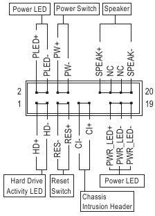
11) F_PANEL (Conector do painel frontal)
Conecte o botão liga/desliga, o botão de reset, o alto-falante, a chave/sensor de intrusão do chassi e o indicador de status do sistema no chassi a este conector de acordo com as atribuições de pinos abaixo. Observe os pinos positivo e negativo antes de conectar os cabos.


- PLED/PWR_LED (LED de energia, amarelo/roxo):
| Status do sistema | LED |
| S0 | Ligado |
| S3/S4/S5 | Desligado |
Conecta-se ao indicador de status de energia no painel frontal do chassi. O LED fica aceso quando o sistema está operando. O LED fica apagado quando o sistema está no estado de suspensão S3/S4 ou desligado (S5).
- PW (Botão liga/desliga, vermelho):
Conecta-se ao botão liga/desliga no painel frontal do chassi. Você pode configurar a forma de desligar seu sistema usando o botão liga/desliga (consulte "Configuração da BIOS", "Settings\Platform Power" para obter mais informações). - SPEAK (Alto-falante, laranja):
Conecta-se ao alto-falante no painel frontal do chassi. O sistema informa o status de inicialização do sistema emitindo um código de bipe. Um único bipe curto será ouvido se nenhum problema for detectado na inicialização do sistema. - HD (LED de atividade do disco rígido, azul):
Conecta-se ao LED de atividade do disco rígido no painel frontal do chassi. O LED fica aceso quando o disco rígido está lendo ou gravando dados. - RES (Botão de reset, verde):
Conecta-se ao botão de reset no painel frontal do chassi. Pressione o botão de reset para reiniciar o computador se ele travar e não conseguir realizar uma reinicialização normal. - CI (Conector de intrusão do chassi, cinza):
Conecta-se à chave/sensor de intrusão do chassi no chassi que pode detectar se a tampa do chassi foi removida. Esta função requer um chassi com uma chave/sensor de intrusão do chassi. - NC (Laranja): Sem conexão.
O design do painel frontal pode variar de acordo com o chassi. Um módulo de painel frontal consiste principalmente em botão liga/desliga, botão de reset, LED de energia, LED de atividade do disco rígido, alto-falante e etc. Ao conectar o módulo do painel frontal do chassi a este conector, certifique-se de que as atribuições dos fios e dos pinos correspondam corretamente.
12) F_AUDIO (Conector de áudio do painel frontal)
O conector de áudio do painel frontal suporta áudio de alta definição (HD). Você pode conectar o módulo de áudio do painel frontal do chassi a este conector. Certifique-se de que as atribuições dos fios do conector do módulo correspondam às atribuições dos pinos do conector da placa-mãe. A conexão incorreta entre o conector do módulo e o conector da placa-mãe fará com que o dispositivo não funcione ou até mesmo o danifique.

| Nº do pino | Definição | Nº do pino | Definição |
| 1 | MIC L | 6 | Detecção de MIC |
| 2 | GND | 7 | F_ SENSE_SEND |
| 3 | MIC R | 8 | Sem pino |
| 4 | NC | 9 | Fone de ouvido L |
| 5 | Fone de ouvido R | 10 | Detecção de fone de ouvido |
Alguns chassis fornecem um módulo de áudio do painel frontal que possui conectores separados em cada fio, em vez de um único plugue. Para obter informações sobre como conectar o módulo de áudio do painel frontal que possui diferentes atribuições de fios, entre em contato com o fabricante do chassi.
13) F_U32 (Conector USB 3.2 Gen 1)
O conector está em conformidade com as especificações USB 3.2 Gen 1 e USB 2.0 e pode fornecer duas portas USB. Para adquirir o painel frontal opcional de 3,5" que fornece duas portas USB 3.2 Gen 1, entre em contato com o revendedor local.

| Nº do pino | Definição | Nº do pino | Definição | Nº do pino | Definição |
| 1 | VBUS | 8 | D1- | 15 | SSTX2- |
| 2 | SSRX1- | 9 | D1+ | 16 | GND |
| 3 | SSRX1+ | 10 | NC | 17 | SSRX2+ |
| 4 | GND | 11 | D2+ | 18 | SSRX2- |
| 5 | SSTX1- | 12 | D2- | 19 | VBUS |
| 6 | SSTX1+ | 13 | GND | 20 | Sem pino |
| 7 | GND | 14 | SSTX2+ |
14) F_USB1/F_USB2 (Conectores USB 2.0/1.1)
Os conectores estão em conformidade com a especificação USB 2.0/1.1. Cada conector USB pode fornecer duas portas USB através de um suporte USB opcional. Para adquirir o suporte USB opcional, entre em contato com o revendedor local.

| Nº do pino | Definição | Nº do pino | Definição |
| 1 | Energia (5V) | 6 | USB DY+ |
| 2 | Energia (5V) | 7 | GND |
| 3 | USB DX- | 8 | GND |
| 4 | USB DY- | 9 | Sem pino |
| 5 | USB DX+ | 10 | NC |
Antes de instalar o suporte USB, certifique-se de desligar o computador e desconectar o cabo de alimentação da tomada para evitar danos ao suporte USB.
15) TPM (Conector do módulo de plataforma confiável)
Você pode conectar um TPM (módulo de plataforma confiável) a este conector.

| Nº do pino | Definição | Nº do pino | Definição |
| 1 | LAD0 | 7 | LAD3 |
| 2 | VCC3 | 8 | GND |
| 3 | LAD1 | 9 | LFRAME |
| 4 | Sem pino | 10 | NC |
| 5 | LAD2 | 11 | SERIRQ |
| 6 | LCLK | 12 | LRESET |
16) CLR_CMOS (Jumper Clear CMOS)
Use este jumper para limpar a configuração da BIOS e redefinir os valores do CMOS para os padrões de fábrica. Para limpar os valores do CMOS, use um objeto de metal, como uma chave de fenda, para tocar os dois pinos por alguns segundos.
Aberto: Normal
Curto: Limpar valores do CMOS
- Sempre desligue o computador antes de limpar os valores do CMOS.
- Após a reinicialização do sistema, acesse a Configuração da BIOS para carregar os padrões de fábrica (selecione Load Optimized Defaults) ou configure manualmente as configurações da BIOS (consulte "Configuração da BIOS" para as configurações da BIOS).
17) BAT (Bateria)
A bateria fornece energia para manter os valores (como configurações da BIOS, informações de data e hora) no CMOS quando o computador está desligado. Substitua a bateria quando a voltagem da bateria cair para um nível baixo, caso contrário, os valores do CMOS podem não ser precisos ou podem ser perdidos.

Você pode limpar os valores do CMOS removendo a bateria:
- Desligue o computador e desconecte o cabo de alimentação.
- Remova cuidadosamente a bateria do suporte da bateria e espere um minuto. (Ou use um objeto de metal, como uma chave de fenda, para tocar os terminais positivo e negativo do suporte da bateria, curto-circuitando-os por 5 segundos.)
- Substitua a bateria.
- Conecte o cabo de alimentação e reinicie o computador.
- Sempre desligue o computador e desconecte o cabo de alimentação antes de substituir a bateria.
- Substitua a bateria por uma equivalente. Podem ocorrer danos aos seus dispositivos se a bateria for substituída por um modelo incorreto.
- Entre em contato com o local de compra ou revendedor local se você não conseguir substituir a bateria sozinho ou tiver dúvidas sobre o modelo da bateria.
- Ao instalar a bateria, observe a orientação do lado positivo (+) e do lado negativo (-) da bateria (o lado positivo deve estar voltado para cima).
- As baterias usadas devem ser manuseadas de acordo com os regulamentos ambientais locais.
18) F_U32C (cabeçalho USB Type-C®, com suporte a USB 3.2 Gen 1)
O cabeçalho está em conformidade com a especificação USB 3.2 Gen 1 e pode fornecer uma porta USB.

| Nº do pino | Definição | Nº do pino | Definição | Nº do pino | Definição |
| 1 | VBUS | 8 | CC1 | 15 | RX2+ |
| 2 | TX1+ | 9 | SBU1 | 16 | RX2- |
| 3 | TX1- | 10 | SBU2 | 17 | GND |
| 4 | GND | 11 | VBUS | 18 | D- |
| 5 | RX1+ | 12 | TX2+ | 19 | D+ |
| 6 | RX1- | 13 | TX2- | 20 | CC2 |
| 7 | VBUS | 14 | GND |
Configuração do BIOS
O BIOS (Sistema Básico de Entrada e Saída) registra os parâmetros de hardware do sistema no CMOS na placa-mãe. Suas principais funções incluem conduzir o Power-On Self-Test (POST) durante a inicialização do sistema, salvar os parâmetros do sistema e carregar o sistema operacional, etc. O BIOS inclui um programa de Configuração do BIOS que permite ao usuário modificar as configurações básicas de configuração do sistema ou ativar certos recursos do sistema.
Quando a energia é desligada, a bateria na placa-mãe fornece a energia necessária para o CMOS para manter os valores de configuração no CMOS.
Para acessar o programa de Configuração do BIOS, pressione a tecla <Delete> durante o POST quando a energia é ligada. Para atualizar o BIOS, use o GIGABYTE Q-Flash ou o utilitário @BIOS.
- O Q-Flash permite que o usuário atualize ou faça backup do BIOS de forma rápida e fácil sem entrar no sistema operacional.
- @BIOS é um utilitário baseado no Windows que pesquisa e baixa a versão mais recente do BIOS da Internet e atualiza o BIOS.
- Como o flashing do BIOS é potencialmente arriscado, se você não encontrar problemas ao usar a versão atual do BIOS, é recomendável não fazer o flash do BIOS. Para fazer o flash do BIOS, faça-o com cautela. O flashing inadequado do BIOS pode resultar em mau funcionamento do sistema.
- É recomendável não alterar as configurações padrão (a menos que você precise) para evitar instabilidade do sistema ou outros resultados inesperados. Alterar inadequadamente as configurações pode resultar na falha do sistema ao inicializar. Se isso ocorrer, tente limpar os valores do CMOS e redefinir a placa para os valores padrão. (Consulte a seção "Load Optimized Defaults" ou as introduções do jumper da bateria/clear CMOS para saber como limpar os valores do CMOS.)
Tela de inicialização
A seguinte tela de logotipo de inicialização aparecerá quando o computador for inicializado.

Existem dois modos de BIOS diferentes, como segue, e você pode usar a tecla <F2> para alternar entre os dois modos. O Easy Mode permite que os usuários visualizem rapidamente as informações atuais do sistema ou façam ajustes para obter o desempenho ideal. No Easy Mode, você pode usar o mouse para se mover pelos itens de configuração. O Advanced Mode fornece configurações detalhadas do BIOS. Você pode pressionar as teclas de seta no teclado para se mover entre os itens e pressionar <Enter> para aceitar ou entrar em um submenu. Ou você pode usar o mouse para selecionar o item desejado.
- Quando o sistema não estiver estável como de costume, selecione o item Load Optimized Defaults para definir seu sistema para seus padrões.
- Os menus de configuração do BIOS descritos são apenas para referência e podem diferir de acordo com a versão do BIOS.
O Menu Principal

Advanced Mode Function Keys
| Mova a barra de seleção para selecionar um menu de configuração |
| Mova a barra de seleção para selecionar um item de configuração em um menu |
| <Enter>/Double Click | Execute o comando ou entre em um menu |
| <+>/<Page Up> | Aumente o valor numérico ou faça alterações |
| <->/<Page Down> | Diminua o valor numérico ou faça alterações |
| <F1> | Mostrar descrições das teclas de função |
| <F2> | Mudar para o Easy Mode |
| <F3> | Salve as configurações atuais do BIOS em um perfil |
| <F4> | Carregue as configurações do BIOS de um perfil criado anteriormente |
| <F5> | Restaure as configurações anteriores do BIOS para os submenus atuais |
| <F6> | Exiba a tela Smart Fan 5 |
| <F7> | Carregue as configurações padrão otimizadas do BIOS para os submenus atuais |
| <F8> | Acesse o utilitário Q-Flash |
| <F10> | Salve todas as alterações e saia do programa de configuração do BIOS |
| <F11> | Mudar para o submenu Favoritos |
| <F12> | Capture a tela atual como uma imagem e salve-a em sua unidade USB |
| <Insert> | Adicione ou remova uma opção favorita |
| <Ctrl>+<S> | Exiba informações sobre a memória instalada |
| <Esc> | Menu principal: Saia do programa de configuração do BIOS Submenus: Saia do submenu atual |
Favoritos (F11)

Defina suas opções usadas com frequência como seus favoritos e use a tecla <F11> para alternar rapidamente para a página onde todas as suas opções favoritas estão localizadas. Para adicionar ou remover uma opção favorita, vá para sua página original e pressione <Insert> na opção. A opção é marcada com um sinal de estrela se definida como "favorite." (favorito)
Tweaker

Se o sistema funcionará de forma estável com as configurações de overclock/sobretensão que você fez, isso dependerá das configurações gerais do seu sistema. Fazer overclock/sobretensão incorretamente pode resultar em danos à CPU, ao chipset ou à memória e reduzir a vida útil desses componentes. Esta página é destinada apenas a usuários avançados e recomendamos que você não altere as configurações padrão para evitar a instabilidade do sistema ou outros resultados inesperados. (A alteração inadequada das configurações pode resultar na falha de inicialização do sistema. Se isso ocorrer, limpe os valores do CMOS e redefina a placa para os valores padrão.)
- CPU Clock Control
Permite definir manualmente o clock base da CPU em incrementos de 1 MHz. (Padrão: Auto)
É altamente recomendável que a frequência da CPU seja definida de acordo com as especificações da CPU. - Spread Spectrum Control
Ativa ou desativa o Spread Spectrum da CPU/PCIe. (Padrão: Auto) - CPU Ratio Mode (Note)
Permite definir a taxa de núcleo para todos os núcleos da CPU ou núcleos individuais. (Padrão: Todos os núcleos) - CCD0 CCX0/1 Ratio (Note)
Permite definir manualmente a taxa de núcleo para os núcleos CCX0, 1 da CPU. Este item é configurável apenas quando CPU Ratio Mode está definido como Per CCX. (Padrão: Auto) - CPU Clock Ratio
Permite alterar a taxa de clock para a CPU instalada. A faixa ajustável depende da CPU que está sendo instalada. - GFX Clock Frequency (Note)
Permite alterar a frequência da GPU. Depois de alterar as configurações de GFX Clock Frequency, certifique-se de ajustar as configurações de GFX Core Voltage. (Padrão: Auto)
OBSERVAÇÃO: A faixa ajustável depende da CPU que está sendo instalada. Auto permite que o BIOS configure automaticamente esta configuração.
- GFX Core Voltage (Note)
Permite alterar a tensão para a GPU. (Padrão: Auto)
OBSERVAÇÃO: A faixa ajustável depende da CPU que está sendo instalada. Auto permite que o BIOS configure automaticamente esta configuração.
(Note) Este item está presente apenas quando você instala uma CPU que suporta este recurso.
Configurações avançadas da CPU
- Core Performance Boost (Note 1)
Permite determinar se deve habilitar a tecnologia Core Performance Boost (CPB), uma tecnologia de aumento de desempenho da CPU. (Padrão: Auto) - SVM Mode
A virtualização aprimorada pela Tecnologia de Virtualização permitirá que uma plataforma execute vários sistemas operacionais e aplicativos em partições independentes. Com a virtualização, um sistema de computador pode funcionar como vários sistemas virtuais. (Padrão: Desativado) - AMD Cool&Quiet function
- Enabled
Permite que o driver AMD Cool'n'Quiet ajuste dinamicamente o clock da CPU e o VID para reduzir a saída de calor do seu computador e seu consumo de energia. (Padrão) - Disabled
Desativa esta função.
- Enabled
- PPC Adjustment (Note 1)
Permite corrigir o PState da CPU. (Padrão: PState 0) - Global C-state Control (Note 1)
Permite determinar se deve permitir que a CPU entre nos estados C. Quando ativado, a frequência do núcleo da CPU será reduzida durante o estado de parada do sistema para diminuir o consumo de energia. (Padrão: Auto) - Power Supply Idle Control (Note 1)
Ativa ou desativa o Package C6 State.- Typical Current Idle
Desativa esta função. - Low Current Idle
Ativa esta função. - Auto
Permite que o BIOS configure automaticamente esta configuração. (Padrão)
- Typical Current Idle
- CCD Control (Note 1)
Define o número de CCDs a serem usados. (Padrão: Auto) - Downcore Control
Permite selecionar o número de núcleos da CPU a serem ativados (o número de núcleos da CPU pode variar de acordo com a CPU). (Padrão: Auto) - SMT Mode
Permite ativar ou desativar a tecnologia CPU Simultaneous Multi-Threading. (Padrão: Auto) - CPPC (Note 1)
Ativa ou desativa o recurso CPPC. (Padrão: Auto) - CPPC Preferred Cores (Note 1)
Ativa ou desativa o recurso CPPC Preferred Cores. (Padrão: Auto) - Extreme Memory Profile (X.M.P.) (Note 2)
Permite que o BIOS leia os dados SPD no(s) módulo(s) de memória XMP para melhorar o desempenho da memória quando ativado.- Disabled
Desativa esta função. (Padrão) - Profile1
Usa as configurações do Perfil 1. - Profile2 (Note 2)
Usa as configurações do Perfil 2.
- Disabled
- XMP High Frequency Support (Note 2)
Permite selecionar o nível de compatibilidade para memória de alta frequência. Este item é configurável apenas quando
Extreme Memory Profile (X.M.P.) é definido como Profile1 ou Profile2. (Padrão: Auto)
(Note 1) Este item está presente apenas quando você instala uma CPU que suporta este recurso.
(Note 2) Este item está presente apenas quando você instala uma CPU e um módulo de memória que suportam este recurso.
- System Memory Multiplier
Permite definir o multiplicador de memória do sistema. Auto define o multiplicador de memória de acordo com os dados SPD da memória. (Padrão: Auto) - FCLK Frequency
Permite definir a frequência FCLK. As opções são: Auto (padrão), 667MHz~4000MHz. - UCLK Mode
Permite especificar o modo UCLK. (Padrão: Auto)
Configurações avançadas de memória
Subtempos de memória
Standard Timing Control, Advanced Timing Control, CAD Bus Setup Timing, CAD Bus Drive Strength, Data Bus Configuration
Estas seções fornecem configurações de tempo de memória.
Observação: Seu sistema pode se tornar instável ou falhar ao inicializar depois que você fizer alterações nos tempos de memória. Se isso ocorrer, redefina a placa para os valores padrão carregando os padrões otimizados ou limpando os valores do CMOS.
SPD Info
Exibe informações sobre a memória instalada.
- Power Down Enable
Ativa ou desativa o suporte a Power Down. (Padrão: Auto) - CPU Vcore/Dynamic Vcore(DVID)/VCORE SOC/Dynamic VCORE SOC(DVID)/CPU VDD18/ CPU VDDP/A_VDD18S5/DRAM Voltage (CH A/B)/DDRVPP Voltage (CH A/B)/DRAM Termination (CH A/B)
Esses itens permitem ajustar as tensões da CPU Vcore e da memória.
CPU/VRM Settings
Este submenu permite configurar o nível de Calibração da Linha de Carga.
Configurações

Alimentação da plataforma
- AC BACK
Determina o estado do sistema após o retorno da energia de uma perda de energia CA.- Memory
O sistema retorna ao seu último estado ativo conhecido após o retorno da energia CA. - Always On
O sistema é ligado após o retorno da energia CA. - Always Off
O sistema permanece desligado após o retorno da energia CA. (Padrão)
- Memory
- Power On By Keyboard
Permite que o sistema seja ligado por um evento de despertar do teclado PS/2.
Observação: Para usar esta função, você precisa de uma fonte de alimentação ATX que forneça pelo menos 1A no cabo +5VSB.
- Disabled
Desativa esta função. (Padrão) - Password
Defina uma senha com 1 a 5 caracteres para ligar o sistema. - Keyboard 98
Pressione o botão POWER no teclado do Windows 98 para ligar o sistema. - Any Key
Pressione qualquer tecla para ligar o sistema.
- Disabled
- Power On Password
Defina a senha quando Power On By Keyboard estiver definido como Password.
Pressione <Enter> neste item e defina uma senha com até 5 caracteres e, em seguida, pressione <Enter> para aceitar. Para ligar o sistema, digite a senha e pressione <Enter>.
Observação: Para cancelar a senha, pressione <Enter> neste item. Quando solicitado a senha, pressione <Enter> novamente sem inserir a senha para limpar as configurações de senha.
- Power On By Mouse
Permite que o sistema seja ligado por um evento de despertar do mouse PS/2.
Observação: Para usar esta função, você precisa de uma fonte de alimentação ATX que forneça pelo menos 1A no cabo +5VSB.
- Disabled
Desativa esta função. (Padrão) - Move
Mova o mouse para ligar o sistema. - Double
Clique duas vezes no botão esquerdo do mouse para ligar o sistema.
- Disabled
- ErP
Determina se o sistema deve consumir menos energia no estado S5 (desligamento). (Padrão: Desativado) Observação: Quando este item é definido como Enabled (Ativado), a função Resume by Alarm se torna indisponível. - Soft-Off by PWR-BTTN
Configura a maneira de desligar o computador no modo MS-DOS usando o botão liga/desliga.- Instant-Off
Pressione o botão liga/desliga e o sistema será desligado instantaneamente. (Padrão) - Delay 4 Sec.
Pressione e segure o botão liga/desliga por 4 segundos para desligar o sistema. Se o botão liga/desliga for pressionado por menos de 4 segundos, o sistema entrará no modo de suspensão.
- Instant-Off
- Power Loading
Ativa ou desativa a carga fictícia. Quando a fonte de alimentação está com baixa carga, uma autoproteção será ativada, fazendo com que ela desligue ou falhe. Se isso ocorrer, defina como Enabled (Ativado). Auto (Automático) permite que o BIOS configure automaticamente esta configuração. (Padrão: Auto) - Resume by Alarm
Determina se o sistema deve ser ligado em um horário desejado. (Padrão: Desativado) Se ativado, defina a data e a hora da seguinte forma:- Wake up day (Dia de despertar): Ligue o sistema em um horário específico em cada dia ou em um dia específico em um mês.
- Wake up hour/minute/second (Hora/minuto/segundo de despertar): Defina a hora em que o sistema será ligado automaticamente.
Observação: Ao usar esta função, evite o desligamento inadequado do sistema operacional ou a remoção da alimentação CA, ou as configurações podem não ser eficazes.
- Wake on LAN
Ativa ou desativa a função Wake on LAN. (Padrão: Ativado) - High Precision Event Timer
Ativa ou desativa o High Precision Event Timer (HPET) no sistema operacional. (Padrão: Ativado) - CEC 2019 Ready
Permite que você selecione se deseja permitir que o sistema ajuste o consumo de energia quando estiver em estado de desligamento, inativo ou em espera, a fim de cumprir os padrões da CEC (Comissão de Energia da Califórnia) de 2019. (Padrão: Desativado)
Portas de E/S
- Initial Display Output
Especifica a primeira iniciação da exibição do monitor da placa gráfica PCI Express instalada ou dos gráficos integrados.- IGD Video (Observação) Define os gráficos integrados como a primeira exibição.
- PCIe 1 Slot
Define a placa gráfica no slot PCIEX16 como a primeira exibição. (Padrão) - PCIe 2 Slot
Define a placa gráfica no slot PCIEX1_1 como a primeira exibição. - PCIe 3 Slot
Define a placa gráfica no slot PCIEX1_2 como a primeira exibição. - PCIe 4 Slot
Define a placa gráfica no slot PCIEX1_3 como a primeira exibição. - PCIe 5 Slot
Define a placa gráfica no slot PCIEX1_4 como a primeira exibição.
- Integrated Graphics (Observação)
Ativa ou desativa a função de gráficos integrados.- Auto
O BIOS ativará ou desativará automaticamente os gráficos integrados, dependendo da placa gráfica instalada. (Padrão) - Forces
Ativa os gráficos integrados. - Disabled
Desativa os gráficos integrados.
- Auto
- UMA Mode (Observação)
Especifique o modo UMA.- Auto
Permite que o BIOS configure automaticamente esta configuração. (Padrão) - UMA Specified
Define o tamanho do buffer de quadro UMA. - UMA Auto
Define a resolução da tela. - UMA Game Optimized
Ajusta o tamanho do buffer de quadro com base no tamanho total da memória do sistema. Este item é configurável apenas quando Integrated Graphics (Gráficos integrados) está definido como Forces (Forçar).
- Auto
- UMA Frame Buffer Size (Observação)
O tamanho do buffer de quadro é a quantidade total de memória do sistema alocada exclusivamente para o controlador de gráficos integrados. O MS-DOS, por exemplo, usará apenas esta memória para exibição. As opções são: Auto (padrão), 64M~2G.
Este item é configurável apenas quando UMA Mode (Modo UMA) está definido como UMA Specified (UMA Especificado). - Display Resolution (Observação)
Permite definir a resolução da tela. As opções são: Auto (padrão), 1920x1080 e abaixo, 2560x1600, 3840x2160. Este item é configurável apenas quando UMA Mode (Modo UMA) está definido como UMA Auto. - HD Audio Controller
Ativa ou desativa a função de áudio integrada. (Padrão: Ativado)
Se você deseja instalar uma placa de áudio adicional de terceiros em vez de usar o áudio integrado, defina este item como Disabled (Desativado). - PCIEX16 Bifurcation
Permite determinar como a largura de banda do slot PCIEX16 é dividida. Opções: Auto, PCIE 2x8, PCIE 1x8/2x4, PCIE 2x4/1x8 (Observação), PCIE 4x4 (Observação). (Padrão: Auto) - Above 4G Decoding
Ativa ou desativa dispositivos com capacidade de 64 bits para serem decodificados no espaço de endereço acima de 4 GB (somente se o seu sistema suportar decodificação PCI de 64 bits). Defina como Enabled (Ativado) se mais de uma placa gráfica avançada estiver instalada e seus drivers não puderem ser iniciados ao entrar no sistema operacional (devido ao espaço de endereço de memória limitado de 4 GB). (Padrão: Desativado) - Re-Size BAR Support
Ativa ou desativa o suporte para Resizable BAR. (Padrão: Desativado) - Onboard LAN Controller
Ativa ou desativa a função LAN integrada. (Padrão: Ativado)
Se você deseja instalar uma placa de rede adicional de terceiros em vez de usar a LAN integrada, defina este item como Disabled (Desativado).
(Observação) Este item está presente apenas quando você instala uma CPU que suporta este recurso.
Configuração USB
- Suporte USB Legado
Permite que o teclado/mouse USB seja usado no MS-DOS. (Padrão: Ativado) - Entrega XHCI
Determina se deve ativar o recurso Entrega XHCI para um sistema operacional sem suporte à Entrega XHCI. (Padrão: Ativado) - Suporte ao Driver de Armazenamento em Massa USB
Ativa ou desativa o suporte para dispositivos de armazenamento USB. (Padrão: Ativado) - Emulação da Porta 60/64
Ativa ou desativa a emulação das portas de E/S 64h e 60h. Isso deve ser ativado para suporte legado completo para teclados/mouses USB no MS-DOS ou em um sistema operacional que não ofereça suporte nativo a dispositivos USB. (Padrão: Desativado)
(Observação) Este item está presente somente quando você instala uma CPU que oferece suporte a este recurso.
- Dispositivos de Armazenamento em Massa
Exibe uma lista de dispositivos de armazenamento em massa USB conectados. Este item aparece somente quando um dispositivo de armazenamento USB está instalado.
Configuração NVMe
Exibe informações sobre seu SSD PCIe M.2 NVME se instalado.
Configuração SATA
- Modo SATA
Ativa ou desativa o RAID para os controladores SATA integrados no Chipset ou configura os controladores SATA para o modo AHCI.- RAID
Ativa o RAID para o controlador SATA. - AHCI
Configura os controladores SATA para o modo AHCI. Advanced Host Controller Interface (AHCI, Interface Avançada do Controlador Host) é uma especificação de interface que permite que o driver de armazenamento habilite recursos avançados de Serial ATA, como o Native Command Queuing e o hot plug. (Padrão)
- RAID
- Modo RAID NVMe
Permite que você determine se deve usar seus SSDs PCIe M.2 NVMe para configurar o RAID. (Padrão: Desativado) - Habilitar Porta SATA do Chipset
Ativa ou desativa os controladores SATA integrados. (Padrão: Ativado) - Porta 0/1/2/3 SATA do Chipset
Exibe as informações do(s) dispositivo(s) SATA conectado(s).
Configuração da Pilha de Rede
- Pilha de Rede
Desativa ou ativa a inicialização a partir da rede para instalar um sistema operacional de formato GPT, como a instalação do sistema operacional a partir do servidor Windows Deployment Services. (Padrão: Desativado) - Suporte a PXE IPv4
Ativa ou desativa o Suporte a PXE IPv4. Este item é configurável somente quando a Pilha de Rede está ativada. - Suporte a HTTP IPv4
Ativa ou desativa o suporte à inicialização HTTP para IPv4. Este item é configurável somente quando a Pilha de Rede está ativada. - Suporte a PXE IPv6
Ativa ou desativa o Suporte a PXE IPv6. Este item é configurável somente quando a Pilha de Rede está ativada. - Suporte a HTTP IPv6
Ativa ou desativa o suporte à inicialização HTTP para IPv6. Este item é configurável somente quando a Pilha de Rede está ativada. - Tempo de espera da inicialização PXE
Permite que você configure quanto tempo esperar antes de poder pressionar <Esc> para abortar a inicialização PXE. Este item é configurável somente quando a Pilha de Rede está ativada. (Padrão: 0) - Contagem de detecção de mídia
Permite que você defina o número de vezes para verificar a presença de mídia. Este item é configurável somente quando Pilha de Rede está ativada. (Padrão: 1)
Controlador Familiar Realtek PCIe GBE
Este submenu fornece informações sobre a configuração da LAN e opções de configuração relacionadas.
Diversos
- LEDs no Estado de Ligado do Sistema
Permite que você ative ou desative a iluminação LED da placa-mãe quando o sistema está ligado.- Desligado Desativa o modo de iluminação selecionado quando o sistema está ligado.
- Ligado Ativa o modo de iluminação selecionado quando o sistema está ligado. (Padrão)
- LEDs nos Estados de Suspensão, Hibernação e Desligamento Suave
Permite que você defina o modo de iluminação dos LEDs da placa-mãe no estado S3/S4/S5 do sistema. Este item é configurável quando LEDs no Estado de Ligado do Sistema está definido como Ligado.- Desligado Desativa o modo de iluminação selecionado quando o sistema entra no estado S3/S4/S5. (Padrão)
- Ligado Ativa o modo de iluminação selecionado quando o sistema entra no estado S3/S4/S5.
- Configuração do Slot PCIEX16
Permite que você defina o modo de operação do slot PCIEX16 para Gen 1, Gen 2, Gen 3 ou Gen 4 (Observação). Auto permite que o BIOS configure automaticamente esta configuração. (Padrão: Auto) - Configuração do Slot PCIe
Permite que você defina o modo de operação dos slots PCI Express e conectores M.2 para Gen 1, Gen 2, Gen 3 ou Gen 4 (Observação). O modo de operação real está sujeito à especificação de hardware de cada slot. Auto permite que o BIOS configure automaticamente esta configuração. (Padrão: Auto) - Modo ASPM PCIe
Permite que você configure o modo ASPM para o dispositivo conectado ao barramento PCI Express da CPU/Chipset. (Padrão: Desativado) - Aprimoramento 3DMark01
Permite que você determine se deve aprimorar algum desempenho de benchmark legado. (Padrão: Desativado) - IOMMU
Ativa ou desativa o suporte a AMD IOMMU. (Padrão: Auto) - TSME
Ativa ou desativa o suporte a TSME. (Padrão: Auto) - AMD CPU fTPM
Ativa ou desativa a função TPM 2.0 integrada na AMD CPU. (Padrão: Desativado)
Computação Confiável
Ativa ou desativa o Trusted Platform Module (TPM).
AMD CBS
Este submenu fornece opções de configuração relacionadas ao AMD CBS.
Integridade do PC
- Redefinir Status de Abertura da Caixa
- Desativado
Mantém ou limpa o registro do status de intrusão do chassi anterior. (Padrão) - Ativado
Limpa o registro do status de intrusão do chassi anterior e o campo Abertura da Caixa mostrará "Não" na próxima inicialização.
(Observação) Este item está presente somente quando você instala uma CPU que oferece suporte a este recurso.
- Desativado
- Abertura da Caixa
Exibe o status de detecção do dispositivo de detecção de intrusão do chassi conectado ao cabeçalho CI da placa-mãe. Se a tampa do chassi do sistema for removida, este campo mostrará "Sim", caso contrário, mostrará "Não". Para limpar o registro do status de intrusão do chassi, defina Redefinir Status de Abertura da Caixa para Ativado, salve as configurações no CMOS e reinicie o sistema. - CPU Vcore/CPU VDDP/Tensão do Canal A/B da DRAM/+3,3 V/+5 V/+12 V/VCORE SOC
Exibe as tensões atuais do sistema.
Smart Fan 5
- Monitor
Permite que você selecione um alvo para monitorar e faça ajustes adicionais. (Padrão: CPU FAN) - Fan Speed Control
Permite determinar se deseja ativar a função de controle de velocidade da ventoinha e ajustar a velocidade da ventoinha.- Normal Permite que a ventoinha funcione em velocidades diferentes de acordo com a temperatura. Você pode ajustar a velocidade da ventoinha com o System Information Viewer com base nos requisitos do seu sistema. (Padrão)
- Silent Permite que a ventoinha funcione em velocidades lentas.
- Manual Permite que você controle a velocidade da ventoinha no gráfico de curva.
- Full Speed Permite que a ventoinha funcione em velocidades máximas.
- Fan Control Use Temperature Input
Permite que você selecione a temperatura de referência para o controle de velocidade da ventoinha. - Temperature Interval
Permite que você selecione o intervalo de temperatura para a mudança de velocidade da ventoinha. - Fan Control Mode
- Auto
Permite que o BIOS detecte automaticamente o tipo de ventoinha instalada e define o modo de controle ideal. (Padrão) - Voltage
O modo de voltagem é recomendado para uma ventoinha de 3 pinos. - PWM
O modo PWM é recomendado para uma ventoinha de 4 pinos.
- Auto
- Fan Stop
Ativa ou desativa a função de parada da ventoinha. Você pode definir o limite de temperatura usando a curva de temperatura. A ventoinha para de funcionar quando a temperatura está abaixo do limite. (Padrão: Desativado) - Temperature
Exibe a temperatura atual da área alvo selecionada. - Fan Speed
Exibe as velocidades atuais da ventoinha. - Flow Rate
Exibe a taxa de fluxo do seu sistema de resfriamento a água. - Temperature Warning Control
Define o limite de aviso para a temperatura. Quando a temperatura excede o limite, o BIOS emitirá um som de aviso. As opções são: Disabled (desativado) (padrão), 60oC/140oF, 70oC/158oF, 80oC/176oF, 90oC/194oF. - Fan Fail Warning
Permite que o sistema emita um som de aviso se a ventoinha não estiver conectada ou falhar. Verifique a condição da ventoinha ou a conexão da ventoinha quando isso ocorrer. (Padrão: Desativado)
Informações do sistema

Esta seção fornece informações sobre o modelo da placa-mãe e a versão da BIOS. Você também pode selecionar o idioma padrão usado pela BIOS e definir manualmente a hora do sistema.
- System Language (Idioma do sistema)
Seleciona o idioma padrão usado pela BIOS. - System Date (Data do sistema)
Define a data do sistema. O formato da data é semana (somente leitura), mês, data e ano. Use <Enter> para alternar entre os campos Mês, Data e Ano e use a tecla <Page Up> ou <Page Down> para definir o valor desejado. - System Time (Hora do sistema)
Define a hora do sistema. O formato da hora é hora, minuto e segundo. Por exemplo, 1 p.m. é 13:00:00. Use <Enter> para alternar entre os campos Hora, Minuto e Segundo e use a tecla <Page Up> ou <Page Down> para definir o valor desejado. - Access Level (Nível de acesso)
Exibe o nível de acesso atual dependendo do tipo de proteção por senha usado. (Se nenhuma senha for definida, o padrão será exibido como Administrator (Administrador).) O nível de Administrador permite que você faça alterações em todas as configurações da BIOS; o nível de Usuário só permite que você faça alterações em certas configurações da BIOS, mas não em todas.
Plug in Devices Info (Informações dos dispositivos conectados)
Exibe informações sobre seus dispositivos SATA, PCI Express e M.2, se instalados.
Q-Flash
Permite que você acesse o utilitário Q-Flash para atualizar a BIOS ou fazer backup da configuração atual da BIOS.
Boot

- Boot Option Priorities (Prioridades das opções de boot)
Especifica a ordem geral de boot dos dispositivos disponíveis. Dispositivos de armazenamento removíveis que suportam o formato GPT serão prefixados com a string "UEFI:" na lista de dispositivos de boot. Para fazer o boot a partir de um sistema operacional que suporte o particionamento GPT, selecione o dispositivo prefixado com a string "UEFI:".
Ou, se você quiser instalar um sistema operacional que suporte o particionamento GPT, como o Windows 10 de 64 bits, selecione a unidade óptica que contém o disco de instalação do Windows 10 de 64 bits e que é prefixada com a string "UEFI:". - Bootup NumLock State (Estado do NumLock na inicialização)
Ativa ou desativa o recurso Numlock no teclado numérico do teclado após o POST. (Padrão: On (Ativado)) - Security Option (Opção de segurança)
Especifica se uma senha é necessária sempre que o sistema é inicializado ou apenas quando você entra na configuração da BIOS. Depois de configurar este item, defina as senhas no item Administrator Password/User Password (Senha do administrador/Senha do usuário).- Setup (Configuração)
Uma senha é necessária apenas para entrar no programa de configuração da BIOS. - System (Sistema)
Uma senha é necessária para inicializar o sistema e para entrar no programa de configuração da BIOS. (Padrão)
- Setup (Configuração)
- Full Screen LOGO Show (Exibição do LOGOTIPO em tela cheia)
Permite que você determine se deve exibir o logotipo da GIGABYTE na inicialização do sistema. Disabled (Desativado) ignora o logotipo da GIGABYTE quando o sistema é iniciado. (Padrão: Enabled (Ativado)) - Fast Boot (Boot rápido)
Ativa ou desativa o boot rápido para encurtar o processo de boot do sistema operacional. Ultra Fast (Ultra rápido) fornece a velocidade de boot mais rápida. (Padrão: Disabled (Desativado)) - SATA Support (Suporte SATA)
- Last Boot SATA Devices Only (Apenas dispositivos SATA do último boot)
Com exceção da unidade de boot anterior, todos os dispositivos SATA são desativados antes que o processo de boot do sistema operacional seja concluído. (Padrão) - All SATA Devices (Todos os dispositivos SATA)
Todos os dispositivos SATA são funcionais no sistema operacional e durante o POST. Este item é configurável apenas quando Fast Boot (Boot rápido) é definido como Enabled (Ativado) ou Ultra Fast (Ultra rápido).
- Last Boot SATA Devices Only (Apenas dispositivos SATA do último boot)
- NVMe Support (Suporte NVMe)
Permite que você ative ou desative o(s) dispositivo(s) NVMe. (Padrão: Enabled (Ativado))
Este item é configurável apenas quando Fast Boot (Boot rápido) é definido como Enabled (Ativado) ou Ultra Fast (Ultra rápido). - VGA Support (Suporte VGA)
Permite que você selecione qual tipo de sistema operacional inicializar.
- Auto
Ativa apenas a opção ROM herdada. - EFI Driver (Driver EFI)
Ativa a opção ROM EFI. (Padrão)
Este item é configurável apenas quando Fast Boot (Boot rápido) é definido como Enabled (Ativado) ou Ultra Fast (Ultra rápido).
- Auto
- USB Support (Suporte USB)
- Disabled (Desativado)
Todos os dispositivos USB são desativados antes que o processo de boot do sistema operacional seja concluído. - Full Initial (Inicialização completa)
Todos os dispositivos USB são funcionais no sistema operacional e durante o POST. (Padrão) - Partial Initial
Parte dos dispositivos USB são desativados antes que o processo de boot do sistema operacional seja concluído.
Este item é configurável apenas quando Fast Boot (Boot rápido) está definido como Enabled (Ativado) ou Ultra Fast (Ultra rápido). Esta função é desativada quando Fast Boot (Boot rápido) é definido como Ultra Fast (Ultra rápido).
- Disabled (Desativado)
- NetWork Stack Driver Support (Suporte ao driver de pilha de rede)
- Disabled (Desativado) Desativa o boot a partir da rede. (Padrão)
- Enabled (Ativado) Ativa o boot a partir da rede.
Este item é configurável apenas quando Fast Boot (Boot rápido) é definido como Enabled (Ativado) ou Ultra Fast (Ultra rápido).
- CSM Support (Suporte CSM)
Ativa ou desativa o UEFI CSM (Compatibility Support Module - Módulo de suporte de compatibilidade) para dar suporte a um processo de boot de PC legado.- Disabled (Desativado) Desativa o UEFI CSM e suporta apenas o processo de boot da BIOS UEFI.
- Enabled (Ativado) Ativa o UEFI CSM. (Padrão)
- LAN PXE Boot Option ROM
Permite que você selecione se deve ativar a opção ROM herdada para o controlador LAN. (Padrão: Disabled (Desativado))
Este item é configurável apenas quando CSM Support (Suporte CSM) está definido como Enabled (Ativado). - Storage Boot Option Contro (Controle da opção de boot de armazenamento)
Permite que você selecione se deve ativar a opção ROM UEFI ou herdada para o controlador do dispositivo de armazenamento.- Disabled (Desativado)
Desativa a opção ROM. - UEFI
Ativa apenas a opção ROM UEFI. (Padrão) - Legacy (Legado)
Ativa apenas a opção ROM herdada.
Este item é configurável apenas quando CSM Support (Suporte CSM) está definido como Enabled (Ativado).
- Disabled (Desativado)
- Other PCI Device ROM Priority (Prioridade de ROM de outros dispositivos PCI)
Permite que você selecione se deve ativar a opção ROM UEFI ou Legacy para o controlador de dispositivo PCI diferente dos controladores LAN, dispositivo de armazenamento e gráficos.- Disabled (Desativado)
Desativa a opção ROM. - UEFI Only (Apenas UEFI)
Ativa apenas a opção ROM UEFI. (Padrão) - Legacy Only (Apenas herdado)
Ativa apenas a opção ROM herdada.
Este item é configurável apenas quando CSM Support (Suporte CSM) está definido como Enabled (Ativado).
- Disabled (Desativado)
- Administrator Password (Senha do administrador)
Permite que você configure uma senha de administrador. Pressione <Enter> neste item, digite a senha e pressione <Enter>. Você será solicitado a confirmar a senha. Digite a senha novamente e pressione <Enter>. Você deve inserir a senha do administrador (ou senha do usuário) na inicialização do sistema e ao entrar na configuração da BIOS. Diferente da senha do usuário, a senha do administrador permite que você faça alterações em todas as configurações da BIOS. - User Password (Senha do usuário)
Permite que você configure uma senha de usuário. Pressione <Enter> neste item, digite a senha e pressione <Enter>. Você será solicitado a confirmar a senha. Digite a senha novamente e pressione <Enter>. Você deve inserir a senha do administrador (ou senha do usuário) na inicialização do sistema e ao entrar na configuração da BIOS. No entanto, a senha do usuário só permite que você faça alterações em certas configurações da BIOS, mas não em todas. Para cancelar a senha, pressione <Enter> no item de senha e, quando solicitado a senha, insira a senha correta primeiro. Quando solicitado uma nova senha, pressione <Enter> sem inserir nenhuma senha. Pressione <Enter> novamente quando solicitado a confirmar.
NOTE: (Observação:) Antes de definir a senha do usuário, certifique-se de definir primeiro a senha do administrador.
Secure Boot (Boot seguro)
Permite que você ative ou desative o Boot seguro e configure as configurações relacionadas. Este item é configurável apenas quando CSM Support (Suporte CSM) está definido como Disabled (Desativado).
- Preferred Operating Mode (Modo de operação preferido)
Permite que você selecione se deve entrar no modo Fácil ou no modo Avançado após entrar na configuração da BIOS. Auto (Automático) entra no modo da BIOS onde estava da última vez. (Padrão: Auto (Automático))
Salvar e sair

- Save & Exit Setup (Salvar e sair da configuração)
Pressione <Enter> neste item e selecione Yes (Sim). Isso salva as alterações no CMOS e sai do programa de configuração da BIOS. Selecione No (Não) ou pressione <Esc> para retornar ao menu principal de configuração da BIOS. - Exit Without Saving (Sair sem salvar)
Pressione <Enter> neste item e selecione Yes (Sim). Isso sai da configuração da BIOS sem salvar as alterações feitas na configuração da BIOS no CMOS. Selecione No (Não) ou pressione <Esc> para retornar ao menu principal de configuração da BIOS. - Load Optimized Defaults (Carregar padrões otimizados)
Pressione <Enter> neste item e selecione Yes (Sim) para carregar as configurações padrão otimizadas da BIOS. As configurações padrão da BIOS ajudam o sistema a operar em estado ideal. Sempre carregue os padrões otimizados após atualizar a BIOS ou após limpar os valores do CMOS. - Boot Override (Substituir boot)
Permite que você selecione um dispositivo para inicializar imediatamente. Pressione <Enter> no dispositivo que você selecionar e selecione Yes (Sim) para confirmar. Seu sistema será reiniciado automaticamente e inicializado a partir desse dispositivo. - Save Profiles (Salvar perfis)
Esta função permite que você salve as configurações atuais da BIOS em um perfil. Você pode criar até 8 perfis e salvar como Setup Profile 1~ Setup Profile 8 (Perfil de configuração 1~ Perfil de configuração 8). Pressione <Enter> para concluir. Ou você pode selecionar Select File in HDD/FDD/USB (Selecionar arquivo em HDD/FDD/USB) para salvar o perfil em seu dispositivo de armazenamento. - Load Profiles (Carregar perfis)
Se o seu sistema se tornar instável e você tiver carregado as configurações padrão da BIOS, você pode usar esta função para carregar as configurações da BIOS de um perfil criado antes, sem os incômodos de reconfigurar as configurações da BIOS. Primeiro, selecione o perfil que deseja carregar e pressione <Enter> para concluir. Você pode selecionar Select File in HDD/FDD/USB (Selecionar arquivo em HDD/FDD/USB) para inserir o perfil criado anteriormente a partir do seu dispositivo de armazenamento ou carregar o perfil criado automaticamente pela BIOS, como reverter as configurações da BIOS para as últimas configurações que funcionaram corretamente (último registro bom conhecido).
Configurando um conjunto RAID
Níveis de RAID
| RAID 0 | RAID 1 | RAID 10 | |
| Número mínimo de discos rígidos | ≥2 | 2 | 4 |
| Capacidade da matriz | Número de discos rígidos * Tamanho da menor unidade | Tamanho da menor unidade | (Número de discos rígidos/2) * Tamanho da menor unidade |
| Tolerância a falhas | Não | Sim | Sim |
Antes de começar, prepare os seguintes itens:
- Pelo menos dois discos rígidos SATA ou SSDs. (Nota) (Para garantir o desempenho ideal, é recomendável usar dois discos rígidos com modelo e capacidade idênticos).
- Disco de instalação do Windows.
- Um computador conectado à Internet.
- Um pen drive USB.
Configurando o controlador SATA integrado
- Instalando disco(s) rígido(s) SATA em seu computador
Instale os discos rígidos/SSDs nos conectores SATA/M.2 na placa-mãe. Em seguida, conecte os conectores de alimentação da fonte de alimentação aos discos rígidos. - Configurando o modo do controlador SATA na configuração do BIOS
Certifique-se de configurar o modo do controlador SATA corretamente na configuração do BIOS do sistema.
Etapas:
Ligue o computador e pressione <Delete> para entrar na configuração do BIOS durante o POST (Power-On Self-Test). Em Settings\IO Ports, defina SATA Configuration\SATA Mode como RAID (RAID). Em seguida, salve as configurações e reinicie o computador. (Se você quiser usar SSDs NVMe PCIe para configurar o RAID, certifique-se de definir NVMe RAID mode (modo RAID) como Enabled (Ativado).)
Os menus de configuração do BIOS descritos nesta seção podem diferir das configurações exatas da sua placa-mãe. As opções reais do menu de configuração do BIOS que você verá dependerão da placa-mãe que você tem e da versão do BIOS.
(Note) (Observação) Um SSD M.2 PCIe não pode ser usado para configurar um conjunto RAID com um SSD M.2 SATA ou um disco rígido SATA.
- Configuração UEFI RAID
Etapas:
- Na configuração do BIOS, vá para Boot (Inicialização) e defina CSM Support (Suporte CSM) como Disabled (Desativado). Salve as alterações e saia da configuração do BIOS.
- Após a reinicialização do sistema, entre na configuração do BIOS novamente. Em seguida, entre no sub-menu Settings\IO Ports\RAIDXpert2 Configuration Utility (Utilitário de configuração).
- Na tela RAIDXpert2 Configuration Utility (Utilitário de configuração), pressione <Enter> em Array Management (Gerenciamento de matriz) para entrar na tela Create Array (Criar matriz). Em seguida, selecione um nível de RAID. Os níveis de RAID suportados incluem RAID 0, RAID 1 e RAID 10 (as seleções disponíveis dependem do número de discos rígidos instalados). Em seguida, pressione <Enter> em Select Physical Disks (Selecionar discos físicos) para entrar na tela Select Physical Disks (Selecionar discos físicos).
- Na tela Select Physical Disks (Selecionar discos físicos), selecione os discos rígidos a serem incluídos na matriz RAID e defina-os como Enabled (Ativado). Em seguida, use a tecla de seta para baixo para mover para Apply Changes (Aplicar alterações) e pressione <Enter>. Em seguida, retorne à tela anterior e defina Select CacheTagSize, Read Cache Policy (Política de cache de leitura) e Write Cache Policy (Política de cache de gravação).
- Mova para Create Array (Criar matriz) e pressione <Enter> para começar.
- Após a conclusão, você será levado de volta à tela Array Management (Gerenciamento de matriz). Em Manage Array Properties (Gerenciar propriedades da matriz), você pode ver o novo volume RAID e informações sobre o nível de RAID, nome da matriz, capacidade da matriz, etc.
Instale o driver RAID e o sistema operacional
Com as configurações corretas do BIOS, você está pronto para instalar o sistema operacional.
Instalando o sistema operacional
Como alguns sistemas operacionais já incluem o driver RAID, você não precisa instalar o driver RAID separadamente durante o processo de instalação do Windows. Depois que o sistema operacional for instalado, recomendamos que você instale todos os drivers necessários do APP Center da GIGABYTE para garantir o desempenho e a compatibilidade do sistema. Se o sistema operacional a ser instalado exigir que você forneça um driver RAID adicional durante o processo de instalação do SO, consulte as etapas abaixo:
Etapa 1:
Acesse o site da GIGABYTE, navegue até a página da Web do modelo da placa-mãe, baixe o arquivo AMD RAID Preinstall Driver (Driver de pré-instalação RAID) na página Support\Download\SATA RAID/AHCI (Suporte\Download\SATA RAID/AHCI), descompacte o arquivo e copie os arquivos para o seu pen drive USB.
Etapa 2:
Inicialize a partir do disco de instalação do Windows e execute as etapas padrão de instalação do SO. Quando a tela solicitando que você carregue o driver for exibida, selecione Browse (Procurar).
Etapa 3:
Insira o pen drive USB e, em seguida, navegue até o local do driver. Selecione AMD-RAID Bottom Device (Dispositivo inferior AMD-RAID) primeiro e clique em Next (Próximo) para carregar o driver. Em seguida, selecione AMD-RAID Controller (Controlador AMD-RAID) e clique em Next (Próximo) para carregar o driver. Finalmente, continue a instalação do SO.
- Visite o site da GIGABYTE para obter detalhes sobre como configurar uma matriz RAID. https://www.gigabyte.com/WebPage/313/am4-raid.html?m=sw
Instalação de Drivers
Depois de instalar o sistema operacional, uma caixa de diálogo aparecerá no canto inferior direito da área de trabalho perguntando se você deseja baixar e instalar os drivers e aplicativos GIGABYTE via APP Center. Clique em Install (Instalar) para prosseguir com a instalação. (Na configuração do BIOS, certifique-se de que Settings\IO Ports\APP Center Download & Install Configuration\APP Center Download & Install (Configurações\Portas de E/S\Configuração de Download e Instalação do APP Center\Download e Instalação do APP Center) esteja definido como Enabled (Ativado).)

Quando a caixa de diálogo do Contrato de Licença do Usuário Final for exibida, pressione <Accept> (Aceitar) para instalar o APP Center. Na tela do APP Center, selecione os drivers e aplicativos que você deseja instalar e clique em Install (Instalar).

Antes da instalação, certifique-se de que o sistema esteja conectado à Internet.
- Visite o site da GIGABYTE para obter mais informações sobre o software.
https://www.gigabyte.com/WebPage/320/am4-app-center.html?m=sw - Visite o site da GIGABYTE para obter mais informações sobre solução de problemas.
https://www.gigabyte.com/WebPage/351/faq.html
Avisos Regulatórios
Estados Unidos da América, Declaração da Comissão Federal de Comunicações
Declaração de Conformidade do Fornecedor 47 CFR § 2.1077 Informações de Conformidade
Nome do Produto: Nome Comercial da Placa-Mãe: GIGABYTE Número do Modelo: B550 UD AC
Parte Responsável – Informações de Contato nos EUA: G.B.T. Inc.
Endereço: 17358 Railroad street, City Of Industry, CA91748 Tel.: 1-626-854-9338 Informações de contato da Internet: https://www.gigabyte.com
Declaração de Conformidade da FCC: Este dispositivo está em conformidade com a Parte 15 das Regras da FCC, Subparte B, Radiadores Não Intencionais. A operação está sujeita às duas condições seguintes:
- Este dispositivo não pode causar interferência prejudicial e
- este dispositivo deve aceitar qualquer interferência recebida, incluindo interferência que possa causar operação indesejada.
A FCC, com sua ação no ET Docket 96-8, adotou um padrão de segurança para exposição humana à energia eletromagnética de radiofrequência (RF) emitida por equipamentos certificados pela FCC. Os produtos Intel PRO/Wireless 5000 LAN atendem aos limites de exposição humana encontrados no Boletim OET 65, 2001, e ANSI/ IEEE C95.1, 1992. A operação adequada deste rádio de acordo com as instruções encontradas neste manual resultará em exposição substancialmente abaixo dos limites recomendados pela FCC.
As seguintes precauções de segurança devem ser observadas:
- Não toque ou mova a antena enquanto a unidade estiver transmitindo ou recebendo.
- Não segure nenhum componente que contenha o rádio de forma que a antena fique muito perto ou em contato com qualquer parte exposta do corpo, especialmente o rosto ou os olhos, durante a transmissão.
- Não opere o rádio ou tente transmitir dados a menos que a antena esteja conectada; caso contrário, o rádio poderá ser danificado.
- Uso em ambientes específicos:
- O uso de dispositivos sem fio em locais perigosos é limitado pelas restrições impostas pelos diretores de segurança de tais ambientes.
- O uso de dispositivos sem fio em aviões é regido pela Federal Aviation Administration (FAA).
- O uso de dispositivos sem fio em hospitais é restrito aos limites estabelecidos por cada hospital.
Uso da antena:
Para estar em conformidade com os limites de exposição à RF da FCC, as antenas integradas de baixo ganho devem estar localizadas a uma distância mínima de 20 cm (7,9 polegadas) ou mais do corpo de todas as pessoas.
Aviso de Proximidade de Dispositivo Explosivo
Não opere um transmissor portátil (como um dispositivo de rede sem fio) perto de detonadores não blindados ou em um ambiente explosivo, a menos que o dispositivo tenha sido modificado para ser qualificado para tal uso.
Aviso da antena
O adaptador sem fio não foi projetado para uso com antenas de alto ganho.
Cuidado com o uso em aeronaves
Os regulamentos da FCC e da FAA proíbem a operação aérea de dispositivos sem fio de radiofrequência porque seus sinais podem interferir nos instrumentos críticos da aeronave.
Outros dispositivos sem fio
Avisos de segurança para outros dispositivos na rede sem fio: Consulte a documentação fornecida com os adaptadores Ethernet sem fio ou outros dispositivos na rede sem fio.
Canadá, Aviso do Canadá-Indústria:
Este dispositivo está em conformidade com os padrões RSS isentos de licença do Industry Canada. A operação está sujeita às duas condições seguintes:
- este dispositivo não pode causar interferência e
- este dispositivo deve aceitar qualquer interferência, incluindo interferência que possa causar operação indesejada do dispositivo.
Ao usar a LAN sem fio IEEE 802.11a, este produto é restrito ao uso interno devido à sua operação na faixa de frequência de 5,15 a 5,25 GHz. O Industry Canada exige que este produto seja usado em ambientes internos para a faixa de frequência de 5,15 GHz a 5,25 GHz para reduzir o potencial de interferência prejudicial aos sistemas móveis de satélite de co-canal. O radar de alta potência é alocado como o usuário principal das bandas de 5,25 a 5,35 GHz e 5,65 a 5,85 GHz. Essas estações de radar podem causar interferência e/ou danos a este dispositivo. O ganho máximo permitido da antena para uso com este dispositivo é de 6dBi para estar em conformidade com o limite de E.I.R.P para a faixa de frequência de 5,25 a 5,35 e 5,725 a 5,85 GHz na operação ponto a ponto. Para estar em conformidade com os requisitos de exposição à RF, todas as antenas devem estar localizadas a uma distância mínima de 20 cm, ou a distância mínima de separação permitida pela aprovação do módulo, do corpo de todas as pessoas.
Atenção:
De acordo com os regulamentos do Industry Canada, este transmissor de rádio só pode operar usando uma antena de um tipo e ganho máximo (ou menor) aprovado para o transmissor pelo Industry Canada. Para reduzir o potencial de interferência de rádio a outros usuários, o tipo de antena e seu ganho devem ser escolhidos de forma que a potência isotropicamente radiada equivalente (e.i.r.p.) não seja maior do que a necessária para uma comunicação bem-sucedida.
Declaração de Conformidade CE da União Europeia (UE)
Este dispositivo está em conformidade com as seguintes diretivas: Diretiva de Compatibilidade Eletromagnética 2014/30/UE, Diretiva de Baixa Tensão 2014/35/UE, Diretiva de Equipamentos de Rádio 2014/53/UE, Diretiva ErP 2009/125/CE, diretiva RoHS (reformulação) 2011/65/UE & a Declaração 2015/863.
Este produto foi testado e está em conformidade com todos os requisitos essenciais das Diretivas.
Diretiva da União Europeia (UE) RoHS (reformulação) 2011/65/UE & a Declaração da Diretiva Delegada da Comissão Europeia (UE) 2015/863 Os produtos GIGABYTE não têm a intenção de adicionar e proteger contra substâncias perigosas (Cd, Pb, Hg, Cr+6, PBDE, PBB, DEHP, BBP, DBP e DIBP). As peças e os componentes foram cuidadosamente selecionados para atender aos requisitos da RoHS. Além disso, nós da GIGABYTE continuamos nossos esforços para desenvolver produtos que não utilizem produtos químicos tóxicos proibidos internacionalmente.
Declaração da Diretiva de Resíduos de Equipamentos Elétricos e Eletrônicos (WEEE) da Comunidade da União Europeia (UE)
A GIGABYTE cumprirá as leis nacionais conforme interpretadas pela diretiva 2012/19/UE WEEE (Resíduos de Equipamentos Elétricos e Eletrônicos) (reformulação). A Diretiva WEEE especifica o tratamento, coleta, reciclagem e descarte de dispositivos elétricos e eletrônicos e seus componentes. De acordo com a Diretiva, os equipamentos usados devem ser marcados, coletados separadamente e descartados adequadamente.
Declaração do Símbolo WEEE

O símbolo mostrado abaixo está no produto ou em sua embalagem, o que indica que este produto não deve ser descartado com outros resíduos. Em vez disso, o dispositivo deve ser levado aos centros de coleta de resíduos para ativação do procedimento de tratamento, coleta, reciclagem e descarte.
Para obter mais informações sobre onde você pode deixar seu equipamento de resíduos para reciclagem, entre em contato com o escritório do governo local, o serviço de descarte de resíduos domésticos ou onde você comprou o produto para obter detalhes sobre reciclagem ambientalmente segura.
Informações sobre a bateria
União Europeia — Informações sobre descarte e reciclagem Programa de Reciclagem GIGABYTE (disponível em algumas regiões)

Este símbolo indica que este produto e/ou bateria não devem ser descartados com o lixo doméstico. Você deve usar o sistema de coleta pública para devolvê-los, reciclá-los ou tratá-los em conformidade com os regulamentos locais.
Diretivas de fim de vida -Reciclagem
O símbolo mostrado abaixo está no produto ou em sua embalagem, o que indica que este produto não deve ser descartado com outros resíduos. Em vez disso, o dispositivo deve ser levado aos centros de coleta de resíduos para ativação do procedimento de tratamento, coleta, reciclagem e descarte.
Contate-nos
GIGA-BYTE TECHNOLOGY CO., LTD.
Endereço: No.6, Baoqiang Rd., Xindian Dist., New Taipei City 231 TEL: +886-2-8912-4000, FAX: +886-2-8912-4005
Suporte Técnico e Não Técnico (Vendas/Marketing): https://esupport.gigabyte.com Endereço WEB (Inglês): https://www.gigabyte.com
Endereço WEB (Chinês): https://www.gigabyte.com/tw
- GIGABYTE eSupport
Para enviar uma pergunta técnica ou não técnica (Vendas/Marketing), acesse: https://esupport.gigabyte.com
Para obter mais detalhes sobre o produto, visite o site da GIGABYTE.
https://www.gigabyte.com/Motherboard/B550-UD-AC-rev-12?m=ma#kf

Referências
GIGABYTE Global
Principais recursos do B550 UD AC (rev. 1.2) | Placa-mãe - GIGABYTE Global
Utilitário | Serviço / Suporte - GIGABYTE GlobalManual de Solução de Problemas GIGABYTE
GIGABYTE Global
GIGABYTE 技嘉科技
Principais recursos do B550 UD AC (rev. 1.2) | Placa-mãe - GIGABYTE Global
Utilitário | Serviço / Suporte - GIGABYTE GlobalGuia Rápido GIGABYTE
GIGABYTE Realtek Audio
Manual RAID da Série GIGABYTE AM4
Manual de Software para Placas-Mãe da Série GIGABYTE AM4
GIGABYTE Global
GIGABYTE - eSupport
Principais recursos do B550 UD AC (rev. 1.2) | Placa-mãe - GIGABYTE Global
Baixar manual
Aqui você pode baixar a versão completa em PDF do manual, ela pode conter instruções de segurança adicionais, informações de garantia, regras da FCC, etc.
Baixar Gigabyte B550 UD AC - Manual da placa-mãe AM4 ATX Rev. 1201
CPU
Chipset
Memória
Gráficos integrados
Áudio
LAN
Módulo de comunicação sem fio
Slots de expansão
Interface de armazenamento
USB
Conectores internos
Conectores do painel traseiro
Controlador de E/S
Monitor de hardware
BIOS
Recursos exclusivos
Software incluído
Sistema operacional
Fator de forma 
