GIGABYTE GA-B250M-Gaming 3 - Ona plata qo'llanmasi

GA-B250M-Gaming 3 Ona plata tuzilishi

Qutining ichidagilar
- GA-B250M-Gaming 3 ona plata
- Ona plata drayver diski
- Foydalanuvchi qo'llanmasi
- Ikki SATA kabeli
- I/O Shield
* Yuqoridagi quti tarkibi faqat ma'lumot uchun bo'lib, haqiqiy elementlar siz olgan mahsulot paketiga bog'liq bo'ladi. Quti tarkibi oldindan ogohlantirilmasdan o'zgartirilishi mumkin.
Uskuna o'rnatish
O'rnatishda ehtiyot choralari
Ona plata elektrostatik zaryadsizlanish (ESD) natijasida shikastlanishi mumkin bo'lgan ko'plab nozik elektron sxemalar va komponentlarni o'z ichiga oladi. O'rnatishdan oldin foydalanuvchi qo'llanmasini diqqat bilan o'qib chiqing va quyidagi amallarni bajaring:
- O'rnatishdan oldin shassining ona plata uchun mos ekanligiga ishonch hosil qiling.
- O'rnatishdan oldin ona plata S/N (Seriya raqami) stikerini yoki sotuvchingiz tomonidan taqdim etilgan kafolat stikerini olib tashlamang yoki buzib tashlamang. Ushbu stikerlar kafolatni tasdiqlash uchun zarur.
- Ona platani yoki boshqa apparat komponentlarini o'rnatishdan yoki olib tashlashdan oldin har doim elektr shnurini rozetkadan uzib, AC quvvatini o'chiring.
- Uskuna komponentlarini ona platadagi ichki ulagichlarga ulashda, ularning mahkam va ishonchli ulanganligiga ishonch hosil qiling.
- Ona plata bilan ishlayotganda, har qanday metall o'tkazgichlar yoki ulagichlarga tegishdan saqlaning.
- Elektron komponentlar, masalan, ona plata, CPU yoki xotira bilan ishlayotganda elektrostatik zaryadsizlanish (ESD) bilaguzuk taqish yaxshiroqdir. Agar sizda ESD bilaguzuk bo'lmasa, qo'llaringizni quruq tuting va statik elektrni yo'qotish uchun avval metall buyumga teging.
- Ona platani o'rnatishdan oldin, uni antistatik yostiq ustiga yoki elektrostatik ekranlash idishi ichida joylashtiring.
- Ona platadan quvvat manbai kabelini ulashdan yoki uzishdan oldin quvvat manbai o'chirilganligiga ishonch hosil qiling.
- Quvvatni yoqishdan oldin quvvat manbai kuchlanishi mahalliy kuchlanish standartiga muvofiq o'rnatilganligiga ishonch hosil qiling.
- Mahsulotni ishlatishdan oldin apparat komponentlaringizning barcha kabellari va quvvat ulagichlari ulanganligini tekshiring.
- Ona plataga zarar yetkazmaslik uchun vintlarning ona plata sxemasi yoki uning komponentlari bilan aloqa qilishiga yo'l qo'ymang.
- Ona platada yoki kompyuter korpusi ichida qoldiq vintlar yoki metall komponentlar yo'qligiga ishonch hosil qiling.
- Kompyuter tizimini notekis yuzaga qo'ymang.
- Kompyuter tizimini yuqori haroratli yoki nam muhitga qo'ymang.
- O'rnatish jarayonida kompyuter quvvatini yoqish tizim komponentlariga zarar yetkazishi, shuningdek, foydalanuvchiga jismoniy zarar yetkazishi mumkin.
- Agar siz o'rnatish bosqichlariga ishonchingiz komil bo'lmasa yoki mahsulotdan foydalanish bilan bog'liq muammo bo'lsa, sertifikatlangan kompyuter texnikiga murojaat qiling.
- Agar siz adapter, uzatma quvvat kabeli yoki quvvat stripidan foydalansangiz, uning o'rnatish va/yoki topraklama bo'yicha ko'rsatmalariga murojaat qiling.
Mahsulot xususiyatlari
CPU |
|
Chipset |
|
Memory |
|
Onboard Graphics |
|
Audio |
|
LAN |
|
Expansion Slots |
|
Multi-Graphics Technology |
|
Storage Interface |
|
USB |
|
Internal Connectors |
|
Back Panel Connectors |
|
I/O Controller |
|
Hardware Monitor |
|
BIOS |
|
Unique Features |
|
Bundled Software |
|
Operating System |
|
Form Factor |
|
* GIGABYTE mahsulot xususiyatlari va mahsulotga tegishli ma'lumotlarga oldindan ogohlantirmasdan o'zgartirish kiritish huquqini o'zida saqlab qoladi.
CPU, xotira modullari, SSD va M.2 qurilmalari qo'llab-quvvatlash ro'yxati uchun GIGABYTE veb-saytiga tashrif buyuring.

Iltimos, ilovalarning eng so'nggi versiyasini yuklab olish uchun GIGABYTE veb-saytidagi Support\Utility List sahifasiga tashrif buyuring.

CPU o'rnatish
CPUni o'rnatishni boshlashdan oldin quyidagi ko'rsatmalarni o'qing::
- Ona plata CPU ni qo'llab-quvvatlashiga ishonch hosil qiling. (So'nggi CPU qo'llab-quvvatlash ro'yxati uchun GIGABYTE veb-saytiga o'ting.)
- Apparat ta'minotiga zarar yetkazmaslik uchun CPU o'rnatishdan oldin kompyuterni o'chiring va quvvat kabelini elektr rozetkasidan uzing.
- CPUning birinchi pinini toping. CPU noto'g'ri yo'naltirilgan bo'lsa, uni kiritib bo'lmaydi. (Yoki CPUning ikkala tomonidagi tirqishlarni va CPU uyasidagi tekislash tugmachalarini topishingiz mumkin.)
- CPU yuzasiga termal moyning bir tekis va yupqa qatlamini surting.
- Agar CPU sovutgichi o'rnatilmagan bo'lsa, kompyuterni yoqmang, aks holda haddan tashqari qizib ketish va CPU shikastlanishi mumkin.
- CPU xost chastotasini CPU spetsifikatsiyalariga muvofiq sozlang. Tizim shinasining chastotasini apparat spetsifikatsiyalaridan tashqariga sozlash tavsiya etilmaydi, chunki u periferik qurilmalar uchun standart talablarga javob bermaydi. Agar siz chastotani standart spetsifikatsiyalardan tashqariga sozlamoqchi bo'lsangiz, iltimos, CPU, grafik karta, xotira, qattiq disk va hokazo kabi apparat spetsifikatsiyalaringizga muvofiq buni amalga oshiring.
CPU o'rnatish
Ona plata CPU uyasidagi tekislash tugmachalarini va CPUdagi tirqishlarni toping.

CPU ni kiritishdan oldin CPU uyasi qopqog'ini olib tashlamang. CPU ni kiritganingizdan so'ng, richagni qayta ulash jarayonida u yuklash plastinasidan avtomatik ravishda chiqib ketishi mumkin.
Xotirani o'rnatish
Xotirani o'rnatishni boshlashdan oldin quyidagi ko'rsatmalarni o'qing:
- Ona plata xotirani qo'llab-quvvatlashiga ishonch hosil qiling. Bir xil sig'imli, brendli, tezlikli va chipli xotiradan foydalanish tavsiya etiladi. (So'nggi qo'llab-quvvatlanadigan xotira tezliklari va xotira modullari uchun GIGABYTE veb-saytiga o'ting.)
- Apparat ta'minotiga zarar yetkazmaslik uchun xotirani o'rnatishdan oldin kompyuterni o'chiring va quvvat kabelini elektr rozetkasidan uzing.
- Xotira modullari ahmoqlikka chidamli dizaynga ega. Xotira modulini faqat bir yo'nalishda o'rnatish mumkin. Agar xotirani kirita olmasangiz, yo'nalishni o'zgartiring.
Ikkilik kanalli xotira konfiguratsiyasi
Ushbu ona plata to'rtta xotira uyasini ta'minlaydi va Dual Channel Technology (ikkilik kanalli texnologiya)ni qo'llab-quvvatlaydi. Xotira o'rnatilgandan so'ng, BIOS xotiraning spetsifikatsiyalari va sig'imini avtomatik ravishda aniqlaydi. Dual Channel (ikkilik kanalli) xotira rejimini yoqish asl xotira o'tkazish qobiliyatini ikki baravar oshiradi.

Apparat ta'minotini o'rnatish bo'yicha batafsil ma'lumot olish uchun GIGABYTE veb-saytiga tashrif buyuring.
To'rtta xotira uyasi ikkita kanalga bo'lingan va har bir kanalda quyidagi kabi ikkita xotira uyasi mavjud:
A kanali: DDR4_2, DDR4_4
B kanali: DDR4_1, DDR4_3
Ikkilik kanalli xotira konfiguratsiyalari jadvali:
| DDR4_4 | DDR4_2 | DDR4_3 | DDR4_1 | |
| 2 ta modul | - - | DS/SS | - - | DS/SS |
| DS/SS | - - | DS/SS | - - | |
| 4 ta modul | DS/SS | DS/SS | DS/SS | DS/SS |
(SS=Bir tomonlama, DS=Ikki tomonlama, "- -"=Xotira yo'q)
CPU cheklovlari tufayli, ikkilik kanalli rejimda xotirani o'rnatishdan oldin quyidagi ko'rsatmalarni o'qing.
- Faqat bitta xotira moduli o'rnatilgan bo'lsa, ikkilik kanalli rejimni yoqib bo'lmaydi.
- Ikkita yoki to'rtta xotira modullari bilan ikkilik kanalli rejimni yoqishda bir xil sig'imli, brendli, tezlikli va chipli xotiradan foydalanish tavsiya etiladi.
Kengaytirish kartasini o'rnatish
Kengaytirish kartasini o'rnatishni boshlashdan oldin quyidagi ko'rsatmalarni o'qing:
- Ona plata kengaytirish kartasini qo'llab-quvvatlashiga ishonch hosil qiling. Kengaytirish kartangiz bilan birga kelgan qo'llanmani diqqat bilan o'qing.
- Apparat ta'minotiga zarar yetkazmaslik uchun kengaytirish kartasini o'rnatishdan oldin kompyuterni o'chiring va quvvat kabelini elektr rozetkasidan uzing.
Orqa panel ulagichlari

- USB 2.0/1.1 porti
USB porti USB 2.0/1.1 spetsifikatsiyasini qo'llab-quvvatlaydi. Ushbu portni USB qurilmalari uchun ishlating. - PS/2 klaviatura/sichqoncha porti
PS/2 sichqonchasi yoki klaviaturani ulash uchun ushbu portdan foydalaning. - D-Sub porti
D-Sub porti 15 pinli D-Sub ulagichini qo'llab-quvvatlaydi va maksimal 1920x1200@60 Hz o'lchamni qo'llab-quvvatlaydi
(qo'llab-quvvatlanadigan haqiqiy o'lchamlar ishlatilayotgan monitorga bog'liq). Ushbu portga D-Sub ulanishini qo'llab-quvvatlaydigan monitorni ulang. - DVI-D porti (Eslatma)
DVI-D porti DVI-D spetsifikatsiyasiga mos keladi va maksimal 1920x1200@60 Hz o'lchamni qo'llab-quvvatlaydi
(qo'llab-quvvatlanadigan haqiqiy o'lchamlar ishlatilayotgan monitorga bog'liq). Ushbu portga DVI-D ulanishini qo'llab-quvvatlaydigan monitorni ulang. - HDMI porti
![]()
HDMI porti HDCPga mos keladi va Dolby TrueHD va DTS HD Master Audio formatlarini qo'llab-quvvatlaydi. Shuningdek, u 192 KHz/16bit 8 kanalli LPCM audio chiqishini qo'llab-quvvatlaydi. HDMI-ni qo'llab-quvvatlaydigan monitorni ulash uchun ushbu portdan foydalanishingiz mumkin. Qo'llab-quvvatlanadigan maksimal o'lcham 4096x2160@24 Hz, ammo qo'llab-quvvatlanadigan haqiqiy o'lchamlar ishlatilayotgan monitorga bog'liq.
![]()
- Uch displeyli konfiguratsiyani o'rnatish uchun avvalo operatsion tizimda ona plata drayverlarini o'rnatishingiz kerak.
- HDMI qurilmasini o'rnatgandan so'ng, sukut bo'yicha ovozni ijro etish qurilmasini HDMI ga sozlashni unutmang. (Element nomi operatsion tizimingizga qarab farq qilishi mumkin.)
- USB 3.1 Gen 1 porti
USB 3.1 Gen 1 porti USB 3.1 Gen 1 spetsifikatsiyasini qo'llab-quvvatlaydi va USB 2.0 spetsifikatsiyasiga mos keladi. Ushbu portni USB qurilmalari uchun ishlating. - RJ-45 LAN porti
Gigabit Ethernet LAN porti 1 Gbps gacha bo'lgan ma'lumotlar tezligida Internetga ulanishni ta'minlaydi. Quyida LAN porti LEDlarining holatlari tasvirlangan.
Holat Tavsif Holat Tavsif To'q sariq 1 Gbps ma'lumotlar tezligi Miltillovchi Ma'lumotlarni uzatish yoki qabul qilish sodir bo'lmoqda Yashil 100 Mbps ma'lumotlar tezligi Yonmoqda Ma'lumotlarni uzatish yoki qabul qilish sodir bo'lmayapti O'chirilgan 10 Mbps ma'lumotlar tezligi -
Markaziy/Subwoofer dinamik chiqishi (to'q sariq)
5.1/7.1 kanalli audio konfiguratsiyasida markaziy/subwoofer dinamiklarini ulash uchun ushbu audio raz'emdan foydalaning. -
Orqa dinamik chiqishi (qora)
Ushbu raz'emdan 4/5.1/7.1 kanalli audio konfiguratsiyasida orqa dinamiklarni ulash uchun foydalanish mumkin. -
Yon dinamik chiqishi (kulrang)
7.1 kanalli audio konfiguratsiyasida yon dinamiklarni ulash uchun ushbu audio raz'emdan foydalaning. -
Chiziqli kirish (ko'k)
Chiziqli kirish raz'emi. Optik drayver, walkman va boshqalar kabi chiziqli kirish qurilmalari uchun ushbu audio raz'emdan foydalaning. -
Chiziqli chiqish (yashil)
Chiziqli chiqish raz'emi. Quloqchin yoki 2 kanalli dinamik uchun ushbu audio raz'emdan foydalaning. Ushbu raz'emdan 4/5.1/7.1 kanalli audio konfiguratsiyasida old dinamiklarni ulash uchun foydalanish mumkin. -
Mikrofon kirishi (pushti)
Mikrofon kirishi raz'emi.

Qo'shimcha dasturiy ta'minot haqida ma'lumot olish uchun GIGABYTE veb-saytiga tashrif buyuring.
- Orqa panel ulagichiga ulangan kabelni olib tashlashda avvalo kabelni qurilmangizdan, so'ngra ona platadan olib tashlang.
- Kabelni olib tashlashda uni ulagichdan to'g'ri tortib oling. Kabel ulagichi ichida elektr qisqa tutashuvining oldini olish uchun uni yon tomonga silkitmang.
(Eslatma)
DVI-D porti adapter orqali D-Sub ulanishini qo'llab-quvvatlamaydi.
Ichki ulagichlar

- ATX_12V_2X4
- ATX
- CPU_FAN
- SYS_FAN1/2/3
- SATA3 0/1/2/3/4/5
- M2Q_32G
- F_PANEL
- F_AUDIO
- SPDIF_O
- F_USB30
- F_USB1/F_USB2
- COM
- TPM
- CLR_CMOS
- BAT
Tashqi qurilmalarni ulashdan oldin quyidagi ko'rsatmalarni o'qing:
- Avvalo, qurilmalaringiz ulashni istagan ulagichlarga mos kelishiga ishonch hosil qiling.
- Qurilmalarni o'rnatishdan oldin, qurilmalarni va kompyuteringizni o'chiring. Elektr shnurini elektr rozetkasidan uzib qo'ying, shunda qurilmalarga zarar yetkazilmaydi.
- Qurilmani o'rnatgandan so'ng va kompyuterni yoqishdan oldin, qurilma kabeli anakartdagi ulagichga mahkam o'rnatilganligiga ishonch hosil qiling.
1/2) ATX_12V_2X4/ATX (2x4 12V quvvat ulagichi va 2x12 asosiy quvvat ulagichi)
Quvvat ulagichidan foydalanish bilan quvvat manbai anakartdagi barcha komponentlarga yetarli barqaror quvvat yetkazib bera oladi. Quvvat ulagichini ulashdan oldin, avvalo, quvvat manbai o'chirilganligiga va barcha qurilmalar to'g'ri o'rnatilganligiga ishonch hosil qiling. Quvvat ulagichi ahmoqona dizaynga ega. Quvvat manbai kabelini quvvat ulagichiga to'g'ri yo'nalishda ulang. 12V quvvat ulagichi asosan protsessorga quvvat beradi. Agar 12V quvvat ulagichi ulanmagan bo'lsa, kompyuter ishga tushmaydi.

Kengaytirish talablariga javob berish uchun yuqori quvvat sarfini ko'taradigan quvvat manbaidan foydalanish tavsiya etiladi (500W yoki undan yuqori). Agar kerakli quvvatni ta'minlamaydigan quvvat manbai ishlatilsa, natijada beqaror yoki yuklanmaydigan tizimga olib kelishi mumkin.

| Pin raqami | Ta'rif | Pin raqami | Ta'rif |
| 1 | GND (faqat 2x4-pin 12V uchun) | 5 | +12V (faqat 2x4-pin 12V uchun) |
| 2 | GND (faqat 2x4-pin 12V uchun) | 6 | +12V (faqat 2x4-pin 12V uchun) |
| 3 | GND | 7 | +12V |
| 4 | GND | 8 | +12V |

| Pin raqami | Ta'rif | Pin raqami | Ta'rif |
| 1 | 3.3V | 13 | 3.3V |
| 2 | 3.3V | 14 | -12V |
| 3 | GND | 15 | GND |
| 4 | +5V | 16 | PS_ON (soft On/Off) |
| 5 | GND | 17 | GND |
| 6 | +5V | 18 | GND |
| 7 | GND | 19 | GND |
| 8 | Power Good | 20 | NC |
| 9 | 5VSB (kutish +5V) | 21 | +5V |
| 10 | +12V | 22 | +5V |
| 11 | +12V (faqat 2x12-pin ATX uchun) | 23 | +5V (faqat 2x12-pin ATX uchun) |
| 12 | 3.3V (faqat 2x12-pin ATX uchun) | 24 | GND (faqat 2x12-pin ATX uchun) |
3/4) CPU_FAN/SYS_FAN1/2/3 (fan sarlavhalari)
Ushbu anakartdagi barcha fan sarlavhalari 4 pinli. Aksariyat fan sarlavhalari ahmoqona kiritish dizayniga ega. Fan kabelini ulaganingizda, uni to'g'ri yo'nalishda ulaganingizga ishonch hosil qiling (qora ulagich simi - bu erga ulash simi). Tezlikni nazorat qilish funktsiyasi fan tezligini nazorat qilish dizayni bilan fandan foydalanishni talab qiladi. Optimal issiqlik tarqalishi uchun shassi ichiga tizimli fan o'rnatilishi tavsiya etiladi.

| Pin raqami | Ta'rif |
| 1 | GND |
| 2 | Kuchlanish tezligini nazorat qilish |
| 3 | Sezish |
| 4 | PWM tezligini nazorat qilish |
- Protsessoringiz va tizimingiz haddan tashqari qizib ketmasligi uchun fan kabellarini fan sarlavhalariga ulaganingizga ishonch hosil qiling. Haddan tashqari qizib ketish protsessorga zarar yetkazishi yoki tizim osilib qolishiga olib kelishi mumkin.
- Ushbu fan sarlavhalari konfiguratsiya o'tkazgich bloklari emas. Sarlavhalarga o'tkazgich qopqog'ini qo'ymang.
- SATA3 0/1/2/3/4/5 (SATA 6Gb/s ulagichlari)
SATA ulagichlari SATA 6Gb/s standartiga mos keladi va SATA 3Gb/s va SATA 1.5Gb/s standartlariga mos keladi. Har bir SATA ulagichi bitta SATA qurilmasini qo'llab-quvvatlaydi.
Pin raqami Ta'rif 1 GND 2 TXP 3 TXN 4 GND 5 RXN 6 RXP 7 GND ![]()
SATA portlari uchun issiq ulashni yoqish uchun "BIOS sozlamalari", "Periferiya qurilmalari\SATA va RST konfiguratsiyasi" bobiga qarang.
- M2Q_32G (M.2 Socket 3 ulagichi)
M.2 ulagichi M.2 SATA SSD va M.2 PCIe SSD-larni qo'llab-quvvatlaydi.
![GIGABYTE - GA-B250M-Gaming 3 - M2Q_32G (M.2 Socket 3 ulagichi) M2Q_32G (M.2 Socket 3 ulagichi)]()
M.2 SSD-ni M.2 ulagichiga to'g'ri o'rnatish uchun quyidagi amallarni bajaring.- Ona platadan vint va gaykani bo'shatish uchun tornavidan foydalaning. O'rnatiladigan M.2 SSD uchun to'g'ri o'rnatish teshigini toping va keyin avval gaykani burang.
- M.2 SSD-ni ulagichga burchak ostida suring.
- M.2 SSD-ni pastga bosing va keyin uni vint bilan mahkamlang.
![]()
O'rnatiladigan M.2 SSD uchun to'g'ri teshikni tanlang va vint va gaykani qayta mahkamlang.
M2Q_32G va SATA ulagichlari uchun o'rnatish eslatmalari:
Chipset tomonidan taqdim etilgan yo'llar soni cheklanganligi sababli, SATA ulagichlarining mavjudligi M2Q_32G ulagichiga o'rnatilgan qurilmalarning turiga ta'sir qilishi mumkin. M2Q_32G ulagichi SATA3 5 ulagichi bilan tarmoqli kenglikni baham ko'radi. Tafsilotlar uchun quyidagi jadvalga qarang.
| M.2 SSD/ulagich turi | SATA3 0 | SATA3 1 | SATA3 2 | SATA3 3 | SATA3 4 | SATA3 5 |
| M.2 SATA SSD | ![]() | ![]() | ![]() | ![]() | ![]() | ![]() |
| M.2 PCIe x4 SSD | ![]() | ![]() | ![]() | ![]() | ![]() | ![]() |
| M.2 PCIe x2 SSD | ![]() | ![]() | ![]() | ![]() | ![]() | ![]() |
| M.2 SSD o'rnatilmagan | ![]() | ![]() | ![]() | ![]() | ![]() | ![]() |
: mavjud,
: mavjud emas
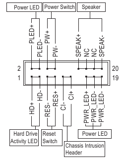
- F_PANEL (old panel sarlavhasi)
Quyidagi pin topshiriqlariga muvofiq shassidagi quvvat tugmasi, qayta o'rnatish tugmasi, karnay, shassi buzilishi tugmasi/sensori va tizim holati indikatorini ushbu sarlavhaga ulang. Kabellarni ulashdan oldin musbat va manfiy pinlarga e'tibor bering.
![GIGABYTE - GA-B250M-Gaming 3 - F_PANEL (old panel sarlavhasi) F_PANEL (old panel sarlavhasi)]()
- PLED/PWR_LED (Quvvat diodi, sariq/binafsha):
Shassi old panelidagi quvvat holati indikatoriga ulanadi. Tizim ishlayotgan paytda LED yonadi. Tizim S3/S4 uyqu holatida yoki o'chirilganda (S5) LED o'chadi.Tizim holati LED S0 Yonida S3/S4/S5 O'chirilgan
- PW (Quvvat tugmasi, qizil): Shassi old panelidagi quvvat tugmasiga ulanadi. Quvvat tugmasi yordamida tizimingizni o'chirish usulini sozlashingiz mumkin (qo'shimcha ma'lumot olish uchun "BIOS sozlamalari", "Quvvat" bobiga qarang).
- SPEAK (karnay, to'q sariq): Shassi old panelidagi karnayga ulanadi. Tizim tizimning ishga tushish holati haqida signal berish orqali xabar beradi. Agar tizim ishga tushirilganda hech qanday muammo aniqlanmasa, bitta qisqa signal eshitiladi.
- HD (qattiq disk faolligi LED, ko'k): Shassi old panelidagi qattiq disk faolligi LED-iga ulanadi. Qattiq disk ma'lumotlarni o'qiyotgan yoki yozayotgan paytda LED yonadi.
- RES (Qayta o'rnatish tugmasi, yashil): Shassi old panelidagi qayta o'rnatish tugmasiga ulanadi. Agar kompyuter muzlab qolsa va normal qayta ishga tushirishni bajara olmasa, kompyuterni qayta ishga tushirish uchun qayta o'rnatish tugmasini bosing.
- CI (shassi buzilishi sarlavhasi, kulrang): Shassi qopqog'i olib tashlanganligini aniqlay oladigan shassidagi shassi buzilishi tugmasi/sensoriga ulanadi. Ushbu funktsiya shassi buzilish tugmasi/sensori bo'lgan shassini talab qiladi.
- NC (to'q sariq): Ulanish yo'q.

Old panel dizayni korpusga qarab farq qilishi mumkin. Old panel moduli asosan quvvat tugmasi, qayta yuklash tugmasi, quvvat LED, qattiq disk faolligi LED, dinamik va boshqalardan iborat. Korpus old panel modulini ushbu sarlavhaga ulashda simlarni belgilash va pinlarni belgilash to'g'ri kelishiga ishonch hosil qiling.
- F_AUDIO (Old panel audio sarlavhasi)
Old panel audio sarlavhasi Intel High Definition audio (HD) va AC'97 audioni qo'llab-quvvatlaydi. Korpus old panel audio modulini ushbu sarlavhaga ulashingiz mumkin. Modul ulagichining simlarini belgilash ona plata sarlavhasining pinlarini belgilashga mos kelishiga ishonch hosil qiling. Modul ulagichi va ona plata sarlavhasi o'rtasidagi noto'g'ri ulanish qurilmaning ishlamay qolishiga yoki hatto unga zarar yetkazishiga olib keladi.
HD old panel audiosi uchun:
Pin raqami Ta'rif 1 MIC2_L 2 GND 3 MIC2_R 4 NC 5 LINE2_R 6 Sense 7 FAUDIO_JD 8 Pin yo'q 9 LINE2_L 10 Sense AC'97 old panel audiosi uchun:
Pin raqami Ta'rif 1 MIC 2 GND 3 MIC quvvati 4 NC 5 Line Out (R) 6 NC 7 NC 8 Pin yo'q 9 Line Out (L) 10 NC ![Old panelning old tomoni ko'rinishi]()
- Old panel audio sarlavhasi sukut bo'yicha HD audioni qo'llab-quvvatlaydi.
- Audio signallari bir vaqtning o'zida old va orqa panel audio ulanishlarida mavjud bo'ladi.
- Ba'zi korpuslar har bir simda alohida ulagichlarga ega bo'lgan old panel audio modulini taqdim etadi bitta vilkadan ko'ra. Turli xil simlarni belgilashga ega bo'lgan old panel audio modulini ulash haqida ma'lumot olish uchun korpus ishlab chiqaruvchisiga murojaat qiling.
- SPDIF_O (S/PDIF chiqish sarlavhasi)
Ushbu sarlavha raqamli S/PDIF chiqishini qo'llab-quvvatlaydi va ona platangizdan grafik karta va ovoz kartalari kabi ayrim kengaytirish kartalariga raqamli audio chiqishi uchun S/PDIF raqamli audio kabelini (kengaytirish kartalari tomonidan taqdim etilgan) ulaydi. Misol uchun, agar siz HDMI displeyni grafik kartaga ulashni va bir vaqtning o'zida HDMI displeydan raqamli audio chiqishini xohlasangiz, ba'zi grafik kartalar ona platangizdan grafik kartangizga raqamli audio chiqishi uchun S/PDIF raqamli audio kabelidan foydalanishingizni talab qilishi mumkin. S/PDIF raqamli audio kabelini ulash haqida ma'lumot olish uchun kengaytirish kartangiz uchun qo'llanmani diqqat bilan o'qing.
Pin raqami Ta'rif 1 SPDIFO 2 GND
- F_USB30 (USB 3.1 Gen 1 sarlavhasi)
Sarlavha USB 3.1 Gen 1 va USB 2.0 spetsifikatsiyasiga mos keladi va ikkita USB portini ta'minlashi mumkin. Ikkita USB 3.1 Gen 1 portini ta'minlaydigan ixtiyoriy 3,5 dyuymli old panelni sotib olish uchun mahalliy dilerga murojaat qiling.
Pin raqami Ta'rif Pin raqami Ta'rif 1 VBUS 11 D2+ 2 SSRX1- 12 D2- 3 SSRX1+ 13 GND 4 GND 14 SSTX2+ 5 SSTX1- 15 SSTX2- 6 SSTX1+ 16 GND 1 7 GND 17 SSRX2+ F 8 D1- 18 SSRX2- 9 D1+ 19 VBUS 10 NC 20 Pin yo'q USB qavsini o'rnatishdan oldin, USB qavsiga zarar yetkazmaslik uchun kompyuteringizni o'chiring va quvvat simini elektr rozetkasidan uzing.
- F_USB1/F_USB2 (USB 2.0/1.1 sarlavhalari)
Sarlavhalar USB 2.0/1.1 spetsifikatsiyasiga mos keladi. Har bir USB sarlavhasi ixtiyoriy USB qavsi orqali ikkita USB portini ta'minlashi mumkin. Ixtiyoriy USB qavsini sotib olish uchun mahalliy dilerga murojaat qiling.
Pin raqami Ta'rif Pin raqami Ta'rif 1 Quvvat (5V) 6 USB DY+ 2 Quvvat (5V) 7 GND 3 USB DX- 8 GND 4 USB DY- 9 Pin yo'q 5 USB DX+ 10 NC
- IEEE 1394 qavsi (2x5 pinli) kabelini USB 2.0/1.1 sarlavhasiga ulamang.
- USB qavsini o'rnatishdan oldin, USB qavsiga zarar yetkazmaslik uchun kompyuteringizni o'chiring va quvvat simini elektr rozetkasidan uzing.
- COM (Serial port sarlavhasi)
COM sarlavhasi ixtiyoriy COM port kabeli orqali bitta serial portini ta'minlashi mumkin. Ixtiyoriy COM port kabelini sotib olish uchun mahalliy dilerga murojaat qiling.
Pin raqami Ta'rif Pin raqami Ta'rif 1 NDCD- 6 NDSR- 2 NSIN 7 NRTS- 3 NSOUT 8 NCTS- 4 NDTR- 9 NRI- 5 GND 10 Pin yo'q
- TPM (Ishonchli platforma moduli sarlavhasi)
Ushbu sarlavhaga TPM (Trusted Platform Module) ni ulashingiz mumkin.
Pin raqami Ta'rif Pin raqami Ta'rif 1 LCLK 11 LAD0 2 GND 12 GND S 3 LFRAME 13 NC 4 Pin yo'q 14 NC 5 LRESET 15 SB3V 6 NC 16 SERIRQ 7 LAD3 S 17 GND 8 LAD2 18 NC 9 VCC3 19 NC 10 LAD1 20 NC
- CLR_CMOS (CMOS Jumperini tozalash)
BIOS konfiguratsiyasini tozalash va CMOS qiymatlarini zavod sozlamalariga qaytarish uchun ushbu o'tkazgichdan foydalaning. CMOS qiymatlarini tozalash uchun tornavida kabi metall buyumdan foydalanib, ikki pinni bir necha soniya davomida tekkazing.![CMOS pinining ochiq holati]()
Ochiq: Normal ![CMOS pinining yopiq holati]()
Qisqa: CMOS qiymatlarini tozalash - CMOS qiymatlarini tozalashdan oldin har doim kompyuteringizni o'chiring va quvvat simini elektr rozetkasidan uzing.
- Tizim qayta ishga tushirilgandan so'ng, zavod sozlamalarini yuklash uchun BIOS sozlamalariga o'ting (Load Optimized Defaults (Optimallashtirilgan sozlamalarni yuklash) ni tanlang) yoki BIOS sozlamalarini qo'lda sozlang (BIOS konfiguratsiyalari uchun "BIOS sozlamalari" bobiga qarang).
- BAT (Batareya)
Batareya kompyuter o'chirilganida CMOSdagi qiymatlarni (masalan, BIOS konfiguratsiyalari, sana va vaqt ma'lumotlari) saqlab qolish uchun quvvat beradi. Batareya kuchlanishi past darajaga tushganda batareyani almashtiring, aks holda CMOS qiymatlari aniq bo'lmasligi yoki yo'qolishi mumkin.
Batareyani olib tashlash orqali CMOS qiymatlarini tozalashingiz mumkin:
- Kompyuteringizni o'chiring va quvvat simini uzing.
- Batareyani batareya ushlagichidan ehtiyotkorlik bilan olib tashlang va bir daqiqa kuting. (Yoki tornavida kabi metall buyumdan foydalanib, batareya ushlagichining musbat va manfiy terminallarini tekkazing va ularni 5 soniya davomida qisqa tutashtiring.)
- Batareyani almashtiring.
- Quvvat simini ulab, kompyuteringizni qayta ishga tushiring.
- Batareyani almashtirishdan oldin kompyuteringizni o'chiring va elektr shnurini uzing.
- Batareyani ekvivalentiga almashtiring. Agar batareya noto'g'ri modelga almashtirilsa, portlash xavfi mavjud.
- Agar batareyani o'zingiz almashtira olmasangiz yoki batareya modeli haqida ishonchingiz komil bo'lmasa, sotib olingan joyga yoki mahalliy dilerga murojaat qiling.
- Batareyani o'rnatayotganda batareyaning musbat tomoni (+) va manfiy tomoni (-) yo'nalishiga e'tibor bering (musbat tomoni yuqoriga qarashi kerak).
- Foydalanilgan batareyalar mahalliy ekologik qoidalarga muvofiq utilizatsiya qilinishi kerak.
BIOS sozlamalari
BIOS (Basic Input and Output System) tizimning apparat parametrlarini ona platadagi CMOSda yozib boradi. Uning asosiy vazifalari tizim ishga tushirilganda Power-On Self-Test (POST)ni o'tkazish, tizim parametrlarini saqlash va operatsion tizimni yuklash va boshqalarni o'z ichiga oladi. BIOS tarkibiga BIOS sozlash dasturi kiradi, u foydalanuvchiga tizimning asosiy konfiguratsiya sozlamalarini o'zgartirish yoki tizimning ayrim funksiyalarini faollashtirish imkonini beradi. Quvvat o'chirilganda, ona platadagi batareya CMOSdagi konfiguratsiya qiymatlarini saqlash uchun CMOSga zarur quvvatni yetkazib beradi. BIOS sozlash dasturiga kirish uchun quvvat yoqilganda POST vaqtida <Delete> tugmasini bosing. BIOSni yangilash uchun GIGABYTE Q-Flash yoki @BIOS utilitasidan foydalaning.
- Q-Flash foydalanuvchiga operatsion tizimga kirmasdan BIOSni tez va oson yangilash yoki zaxiralash imkonini beradi.
- @BIOS - bu Internetdan BIOSning so'nggi versiyasini qidiradigan va yuklab oladigan va BIOSni yangilaydigan Windowsga asoslangan utilita.
- BIOSni yangilash potentsial xavfli bo'lgani uchun, agar siz BIOSning joriy versiyasidan foydalanishda muammolarga duch kelmasangiz, BIOSni yangilamaslik tavsiya etiladi. BIOSni yangilash uchun ehtiyotkorlik bilan ish tuting. BIOSni noto'g'ri yangilash tizimning noto'g'ri ishlashiga olib kelishi mumkin.
- Tizimning beqarorligi yoki boshqa kutilmagan natijalarning oldini olish uchun sukut bo'yicha sozlamalarni o'zgartirmaslik tavsiya etiladi (agar kerak bo'lmasa). Sozlamalarni noto'g'ri o'zgartirish tizimning ishga tushmay qolishiga olib kelishi mumkin. Agar bu sodir bo'lsa, CMOS qiymatlarini tozalashga va platani sukut bo'yicha qiymatlarga qaytarishga harakat qiling. (CMOS qiymatlarini qanday tozalash haqida ushbu bobdagi "Load Optimized Defaults" (Optimallashtirilgan standartlarni yuklash) bo'limiga yoki batareya/CMOS jumperini tozalash bo'yicha ko'rsatmalarga qarang.)
Ishga tushirish ekrani
Kompyuter yuklanganda quyidagi ishga tushirish Logo ekrani paydo bo'ladi. (BIOS versiyasining namunasi: F1a)

Quyidagi kabi ikkita xil BIOS rejimi mavjud va siz ikkita rejim o'rtasida o'tish uchun <F2> tugmasidan foydalanishingiz mumkin. Classic Setup rejimi BIOSning batafsil sozlamalarini taqdim etadi. Elementlar orasida harakatlanish uchun klaviaturangizdagi strelka tugmalarini bosishingiz va qabul qilish yoki pastki menyuga kirish uchun <Enter> tugmasini bosishingiz mumkin. Yoki kerakli elementni tanlash uchun sichqonchangizdan foydalanishingiz mumkin. Easy Mode (Oson rejim) foydalanuvchilarga o'zlarining joriy tizim ma'lumotlarini tezda ko'rish yoki optimal ishlash uchun tuzatishlar kiritish imkonini beradi. Easy Mode (Oson rejim)da konfiguratsiya elementlari bo'ylab harakatlanish uchun sichqonchangizdan foydalanishingiz mumkin.

- Tizim odatdagidek barqaror bo'lmaganda, tizimingizni standart sozlamalariga o'rnatish uchun Load Optimized Defaults (Optimallashtirilgan standartlarni yuklash) elementini tanlang.
- Ushbu bobda tavsiflangan BIOS sozlash menyulari faqat ma'lumot uchun mo'ljallangan va BIOS versiyasiga qarab farq qilishi mumkin.
M.I.T.

Tizim siz kiritgan overclock/haddan tashqari kuchlanish sozlamalari bilan barqaror ishlashi sizning umumiy tizim konfiguratsiyangizga bog'liq. Overclock/haddan tashqari kuchlanishni noto'g'ri bajarish protsessor, chipset yoki xotiraga zarar yetkazishi va ushbu komponentlarning foydali xizmat muddatini qisqartirishi mumkin. Ushbu sahifa faqat ilg'or foydalanuvchilar uchun mo'ljallangan va tizim beqarorligining oldini olish yoki boshqa kutilmagan natijalarga olib kelmaslik uchun standart sozlamalarni o'zgartirmaslikni tavsiya qilamiz. (Sozlamalarni noto'g'ri o'zgartirish tizimning yuklanishiga olib kelishi mumkin. Agar shunday bo'lsa, CMOS qiymatlarini tozalang va platani standart qiymatlarga qaytaring.)
- Ilg'or chastota sozlamalari
Xost soat qiymati
Joriy xost soati chastotasini ko'rsatadi.
Grafika bo'lagi nisbati (Eslatma)
Grafika bo'lagi nisbatini o'rnatishga imkon beradi.
Grafika bo'linmagan nisbati (Eslatma)
Grafika bo'linmagan nisbatini o'rnatishga imkon beradi.
Protsessor soati nisbati
O'rnatilgan protsessor uchun soat nisbatini o'zgartirishga imkon beradi. Sozlanishi mumkin bo'lgan diapazon o'rnatilgan protsessorga bog'liq.
Protsessor chastotasi
Joriy ishlayotgan protsessor chastotasini ko'rsatadi. - Ilg'or protsessor yadrosi sozlamalari
Protsessor soati nisbati, Protsessor chastotasi
Yuqoridagi sozlamalar Ilg'or chastota sozlamalari menyusidagi bir xil elementlar ostida sinxronlashtirilgan.
AVX ofseti (Eslatma)
AVX ofseti - AVX nisbatining salbiy ofsetidir.
Uncore nisbati
Protsessor Uncore nisbatini o'rnatishga imkon beradi. Sozlanishi mumkin bo'lgan diapazon ishlatilayotgan protsessorga bog'liq.
Uncore chastotasi
Joriy protsessor Uncore chastotasini ko'rsatadi.
Protsessor moslashuvchan nisbatini bekor qilish
Protsessor moslashuvchan nisbatini yoqadi yoki o'chiradi. Agar Protsessor soati nisbati Avtomatik holatga o'rnatilgan bo'lsa, maksimal protsessor soati nisbati Protsessor moslashuvchan nisbati sozlamalari qiymatiga asoslanadi. (Standart: O'chirilgan)
Protsessor moslashuvchan nisbati sozlamalari
Protsessor moslashuvchan nisbatini o'rnatishga imkon beradi. Sozlanishi mumkin bo'lgan diapazon protsessorga qarab farq qilishi mumkin.
Intel(R) Turbo Boost texnologiyasi (Eslatma)
Intel ® protsessorining Turbo Boost texnologiyasini yoqish yoki yo'qligini aniqlashga imkon beradi. Avtomatik sozlama BIOSga ushbu sozlamani avtomatik ravishda sozlash imkonini beradi. (Standart: Avtomatik)
Turbo nisbati (Eslatma)
Turli xil faol yadrolar soni uchun protsessorning Turbo nisbatlarini o'rnatishga imkon beradi. Avtomatik sozlama protsessorning Turbo nisbatlarini protsessor spetsifikatsiyalariga muvofiq o'rnatadi. (Standart: Avtomatik)
Quvvat chegarasi TDP (Vatt) / Quvvat chegarasi vaqti
Protsessorning Turbo rejimi uchun quvvat chegarasini va u belgilangan quvvat chegarasida qancha vaqt ishlashini o'rnatishga imkon beradi. Agar belgilangan qiymat oshib ketgan bo'lsa, protsessor quvvatni kamaytirish uchun yadro chastotasini avtomatik ravishda kamaytiradi. Avtomatik sozlama joriy chegarani protsessor spetsifikatsiyalariga muvofiq o'rnatadi. (Standart: Avtomatik)
Yadro tokining chegarasi (Amper)
Protsessorning Turbo rejimi uchun tok chegarasini o'rnatishga imkon beradi. Protsessor toki belgilangan tok chegarasidan oshib ketganda, protsessor tokni kamaytirish uchun yadro chastotasini avtomatik ravishda kamaytiradi. Avtomatik sozlama quvvat chegarasini protsessor spetsifikatsiyalariga muvofiq o'rnatadi. (Standart: Avtomatik)
Yoqilgan protsessor yadrolari soni (Eslatma)
Intel ® ko'p yadroli protsessorida yoqish uchun protsessor yadrolari sonini tanlashga imkon beradi (protsessor yadrolari soni protsessorga qarab farq qilishi mumkin). Avtomatik sozlama BIOSga ushbu sozlamani avtomatik ravishda sozlash imkonini beradi. (Standart: Avtomatik)
Hyper-Threading texnologiyasi (Eslatma)
Intel ushbu funksiyani qo'llab-quvvatlaganda, ko'p oqimli texnologiyani yoqish yoki yo'qligini aniqlashga imkon beradi. Ushbu funksiya faqat ko'p protsessorli rejimni qo'llab-quvvatlaydigan operatsion tizimlar uchun ishlaydi.
Avtomatik sozlama BIOSga ushbu sozlamani avtomatik ravishda sozlash imkonini beradi. (Standart: Avtomatik)
Intel(R) Speed Shift texnologiyasi (Intel ® Speed Shift texnologiyasi)
Intel ® Speed Shift texnologiyasini yoqadi yoki o'chiradi. Ushbu funksiyani yoqish protsessorga ish chastotasini tezroq oshirishga imkon beradi va keyin tizimning javob berish qobiliyatini yaxshilaydi. (Standart: O'chirilgan)
Protsessorning takomillashtirilgan to'xtash holati (C1E) (Eslatma)
Intel ® protsessorining takomillashtirilgan to'xtash holati (C1E) funksiyasini, tizim to'xtash holatida protsessor quvvatini tejash funksiyasini yoqadi yoki o'chiradi. Yoqilganda, quvvat sarfini kamaytirish uchun tizim to'xtash holatida protsessor yadrosining chastotasi va kuchlanishi kamayadi. Avtomatik sozlama BIOSga ushbu sozlamani avtomatik ravishda sozlash imkonini beradi. (Standart: Avtomatik)
C3 holatini qo'llab-quvvatlash (Eslatma)
Tizim to'xtash holatida protsessorga C3 rejimiga kirishga ruxsat berish yoki bermaslikni aniqlashga imkon beradi. Yoqilganda, quvvat sarfini kamaytirish uchun tizim to'xtash holatida protsessor yadrosining chastotasi va kuchlanishi kamayadi.
C3 holati C1 ga qaraganda quvvatni tejashning yanada takomillashtirilgan holatidir. Avtomatik sozlama BIOSga ushbu sozlamani avtomatik ravishda sozlash imkonini beradi. (Standart: Avtomatik)
C6/C7 holatini qo'llab-quvvatlash (1-eslatma)
Tizim to'xtash holatida protsessorga C6/C7 rejimiga kirishga ruxsat berish yoki bermaslikni aniqlashga imkon beradi. Yoqilganda, quvvat sarfini kamaytirish uchun tizim to'xtash holatida protsessor yadrosining chastotasi va kuchlanishi kamayadi.
C6/C7 holati C3 ga qaraganda quvvatni tejashning yanada takomillashtirilgan holatidir. Avtomatik sozlama BIOSga ushbu sozlamani avtomatik ravishda sozlash imkonini beradi. (Standart: Avtomatik)
C8 holatini qo'llab-quvvatlash (1-eslatma)
Tizim to'xtash holatida protsessorga C8 rejimiga kirishga ruxsat berish yoki bermaslikni aniqlashga imkon beradi. Yoqilganda, quvvat sarfini kamaytirish uchun tizim to'xtash holatida protsessor yadrosining chastotasi va kuchlanishi kamayadi. C8 holati C6/C7 ga qaraganda quvvatni tejashning yanada takomillashtirilgan holatidir. Avtomatik sozlama BIOSga ushbu sozlamani avtomatik ravishda sozlash imkonini beradi. (Standart: Avtomatik)
Paketning C holati chegarasi (1-eslatma)
Protsessor uchun C holati chegarasini belgilashga imkon beradi. Avtomatik sozlama BIOSga ushbu sozlamani avtomatik ravishda sozlash imkonini beradi. (Standart: Avtomatik)
Protsessorning issiqlik monitoringi (1-eslatma)
Intel ® issiqlik monitoringi funksiyasini, protsessorning haddan tashqari qizib ketishidan himoya qilish funksiyasini yoqadi yoki o'chiradi. Yoqilganda, protsessor haddan tashqari qizib ketganda protsessor yadrosining chastotasi va kuchlanishi kamayadi. Avtomatik sozlama BIOSga ushbu sozlamani avtomatik ravishda sozlash imkonini beradi. (Standart: Avtomatik)
Protsessor EIST funksiyasi (1-eslatma)
Takomillashtirilgan Intel ® Speed Step texnologiyasini (EIST) yoqadi yoki o'chiradi. Protsessor yuklanishiga qarab, Intel EIST texnologiyasi o'rtacha quvvat sarfini va issiqlik ishlab chiqarishni kamaytirish uchun protsessor kuchlanishi va yadro chastotasini dinamik va samarali ravishda kamaytirishi mumkin. Avtomatik sozlama BIOSga ushbu sozlamani avtomatik ravishda sozlash imkonini beradi. (Standart: Avtomatik)
Kuchlanishni optimallashtirish
Quvvat sarfini kamaytirish uchun kuchlanishni optimallashtirishni yoqish yoki yo'qligini aniqlashga imkon beradi. (Standart: O'chirilgan)
RSR Agar protsessor kuchlanishi/harorati juda yuqori bo'lsa, protsessorning turbo nisbatini avtomatik ravishda kamaytirish yoki qilmaslikni aniqlashga imkon beradi. (Standart: Yoqilgan)
Uskuna prefetcheri
Xotiradan ma'lumotlar va ko'rsatmalarni keshga oldindan yuklab olish uchun apparat prefetcherini yoqish yoki yo'qligini aniqlashga imkon beradi. (Standart: Yoqilgan)
Qo'shni kesh liniyasini prefetch qilish
Protsessorga so'ralgan kesh liniyasini, shuningdek, keyingi kesh liniyasini olish imkonini beradigan qo'shni kesh liniyasini prefetch qilish mexanizmini yoqish yoki yo'qligini aniqlashga imkon beradi. (Standart: Yoqilgan)
Ekstremal xotira profili (X.M.P.) (2-eslatma)
Yoqilganda xotira unumdorligini oshirish uchun BIOSga XMP xotira moduli(lar)idagi SPD ma'lumotlarini o'qishga imkon beradi.
O'chirilgan Ushbu funksiyani o'chiradi. (Standart)
1-profil 1-profil sozlamalaridan foydalanadi.
2-profil (2-eslatma) 2-profil sozlamalaridan foydalanadi.
Tizim xotirasi multiplikatori
Tizim xotirasi multiplikatorini o'rnatishga imkon beradi. Avtomatik xotira multiplikatorini xotira SPD ma'lumotlariga muvofiq o'rnatadi. (Standart: Avtomatik)
Xotiraning toq nisbati (100/133 yoki 200/266)
Yoqilganda Qclk toq chastotada ishlashiga imkon beradi. (Standart: Avtomatik)
Xotira chastotasi (MHz)
Xotira chastotasining birinchi qiymati ishlatilayotgan xotiraning normal ishlash chastotasidir; ikkinchisi - Tizim xotirasi multiplikatori sozlamalariga muvofiq avtomatik ravishda sozlanadigan xotira chastotasi. - Ilg'or xotira sozlamalari
Ekstremal xotira profili (X.M.P.) (Eslatma), Tizim xotirasi multiplikatori, Xotiraning toq nisbati(100/133 yoki 200/266), Xotira chastotasi(MHz)
Yuqoridagi sozlamalar Ilg'or chastota sozlamalari menyusidagi bir xil elementlar ostida sinxronlashtirilgan.
Xotirani yuklash rejimi (Eslatma)
Xotirani aniqlash va o'qitish usullarini taqdim etadi.
AvtomatikBIOSga ushbu sozlamani avtomatik ravishda sozlash imkonini beradi. (Standart)
NormalBIOS xotirani avtomatik ravishda o'rgatadi. Iltimos, agar tizim beqaror yoki yuklanmaydigan bo'lsa, CMOS qiymatlarini tozalashga va platani standart qiymatlarga qaytarishga harakat qiling. (CMOS qiymatlarini qanday tozalash uchun batareya/CMOS jumperini tozalash bo'yicha ko'rsatmalarga qarang.)
Tez yuklashni yoqishXotirani tezroq yuklash uchun ba'zi bir aniq mezonlarda xotirani aniqlash va o'qitishni o'tkazib yuboring.
Tez yuklashni o'chirishHar bir yuklashda xotirani aniqlang va o'rgating.
Memory Enhancement Settings
Bir nechta xotira unumdorligini oshirish sozlamalarini taqdim etadi: Normal (asosiy unumdorlik), Relax OC, Enhanced Stability va Enhanced Performance. (Standart: Normal)
Memory Timing Mode
Manual va Advanced Manual Memory Multiplier Tweaker, Channel Interleaving, Rank Interleaving va quyidagi xotira vaqti sozlamalarini sozlash imkonini beradi. Variantlar: Auto (standart), Manual, Advanced Manual.
Profile DDR Voltage
XMP bo'lmagan xotira moduli ishlatilganda yoki Extreme Memory Profile (X.M.P.) o'chirilgan bo'lsa, qiymat xotira spetsifikatsiyangizga muvofiq ko'rsatiladi. Extreme Memory Profile (X.M.P.) Profile1 yoki Profile2 ga o'rnatilganda, qiymat XMP xotirasidagi SPD ma'lumotlariga muvofiq ko'rsatiladi.
Memory Multiplier Tweaker
Xotirani avtomatik sozlashning turli darajalarini taqdim etadi. (Standart: Auto)
Channel Interleaving
Xotira kanali oralig'ini yoqadi yoki o'chiradi. Yoqilganda tizimga xotira unumdorligi va barqarorligini oshirish uchun xotiraning turli kanallariga bir vaqtning o'zida kirishga imkon beradi. Auto BIOSga ushbu sozlamani avtomatik ravishda sozlash imkonini beradi. (Standart: Auto)
Rank Interleaving
Xotira darajasi oralig'ini yoqadi yoki o'chiradi. Yoqilganda tizimga xotira unumdorligi va barqarorligini oshirish uchun xotiraning turli darajalariga bir vaqtning o'zida kirishga imkon beradi. Auto BIOSga ushbu sozlamani avtomatik ravishda sozlash imkonini beradi. (Standart: Auto) -
Channel A/B Memory Sub Timings
Ushbu kichik menyu xotiraning har bir kanali uchun xotira vaqti sozlamalarini taqdim etadi. Tegishli vaqt sozlamalari ekranlari faqat Memory Timing Mode Manual yoki Advanced Manual ga o'rnatilganda sozlanishi mumkin. Eslatma: Xotira vaqtini o'zgartirgandan so'ng tizimingiz beqaror bo'lib qolishi yoki yuklanmasligi mumkin. Agar shunday bo'lsa, optimallashtirilgan standartlarni yuklash yoki CMOS qiymatlarini tozalash orqali platani standart qiymatlarga qaytaring. -
Advanced Voltage Settings
-
Advanced Power Settings
CPU Vcore Loadline Calibration
CPU Vcore voltaji uchun yuk chizig'ini kalibrlashni sozlash imkonini beradi. Yuqori darajani tanlash CPU Vcore voltajini BIOSda katta yuk ostida o'rnatilgan qiymatga mos ravishda ushlab turadi. Auto BIOSga ushbu sozlamani avtomatik ravishda sozlash va Intel spetsifikatsiyalariga muvofiq voltajni o'rnatish imkonini beradi. (Standart: Auto)
VAXG Loadline Calibration
CPU VAXG voltaji uchun yuk chizig'ini kalibrlashni sozlash imkonini beradi. Yuqori darajani tanlash CPU VAXG voltajini BIOSda katta yuk ostida o'rnatilgan qiymatga mos ravishda ushlab turadi. Auto BIOSga ushbu sozlamani avtomatik ravishda sozlash va Intel spetsifikatsiyalariga muvofiq voltajni o'rnatish imkonini beradi. (Standart: Auto) -
CPU Core Voltage Control
Ushbu bo'lim CPU voltajini boshqarish opsiyalarini taqdim etadi. -
Chipset Voltage Control
Ushbu bo'lim Chipset voltajini boshqarish opsiyalarini taqdim etadi. -
DRAM Voltage Control
Ushbu bo'lim xotira voltajini boshqarish opsiyalarini taqdim etadi. -
PC Health Status
Reset Case Open Status
DisabledOldingi shassi buzilishi holati yozuvini saqlaydi yoki o'chiradi. (Standart)
EnabledOldingi shassi buzilishi holati yozuvini o'chiradi va keyingi yuklashda Case Open maydoni "Yo'q" ni ko'rsatadi.
Case Open
Ona plata CI sarlavhasiga ulangan shassi buzilishini aniqlash moslamasining aniqlash holatini ko'rsatadi. Agar tizim shassi qopqog'i olib tashlansa, bu maydon "Ha" ni ko'rsatadi, aks holda "Yo'q" ni ko'rsatadi. Shassi buzilishi holati yozuvini o'chirish uchun Reset Case Open Status ni Enabled (yoqilgan) ga o'rnating, sozlamalarni CMOSga saqlang va keyin tizimingizni qayta ishga tushiring.
CPU Vcore/CPU VCCSA/DRAM Channel A/B Voltage/+3.3V/+5V/+12V/CPU VAXG
Joriy tizim voltajlarini ko'rsatadi. -
Miscellaneous Settings
Max Link Speed
PCI Express slotlarining ishlash rejimini Gen 1, Gen 2 yoki Gen 3 ga o'rnatish imkonini beradi. Haqiqiy ishlash rejimi har bir slotning apparat spetsifikatsiyasiga bog'liq. Auto BIOSga ushbu sozlamani avtomatik ravishda sozlash imkonini beradi. (Standart: Auto)
3DMark01 Enhancement
Ba'zi eski benchmark unumdorligini oshirish yoki qilmaslikni aniqlash imkonini beradi. (Standart: O'chirilgan) -
Smart Fan 5 Settings
Monitor
Kuzatiladigan nishonni tanlash va qo'shimcha sozlashlarni amalga oshirish imkonini beradi. (Standart: CPU FAN)
Fan Speed Control
Fan tezligini boshqarish funktsiyasini yoqish yoki yo'qligini aniqlash va fan tezligini sozlash imkonini beradi.
NormalFanga haroratga qarab turli tezliklarda ishlashga imkon beradi. Tizim talablariga asoslanib System Information Viewer yordamida fan tezligini sozlashingiz mumkin. (Standart)
SilentFanga sekin tezlikda ishlashga imkon beradi.
ManualEgri chiziqli grafikda fan tezligini boshqarish imkonini beradi.
Full SpeedFanga to'liq tezlikda ishlashga imkon beradi.
Fan Control Use Temperature Input
Fan tezligini boshqarish uchun mos yozuvlar haroratini tanlash imkonini beradi.
Temperature Interval
Fan tezligini o'zgartirish uchun harorat oralig'ini tanlash imkonini beradi.
Fan Control Mode
AutoBIOSga o'rnatilgan fanning turini avtomatik ravishda aniqlash va optimal boshqaruv rejimini o'rnatish imkonini beradi. (Standart)
VoltageVoltaj rejimi 3 pinli fan uchun tavsiya etiladi.
PWMPWM rejimi 4 pinli fan uchun tavsiya etiladi.
Temperature
Tanlangan maqsadli hududning joriy haroratini ko'rsatadi.
Fan Speed
Joriy fan tezligini ko'rsatadi.
Temperature Warning Control
Harorat uchun ogohlantirish chegarasini o'rnatadi. Harorat chegaradan oshib ketganda, BIOS ogohlantirish signalini chiqaradi. Variantlar: O'chirilgan (standart), 60º C/140º F, 70º C/158º F, 80º C/176º F, 90º C/194º F.
Fan Fail Warning
Agar fan ulanmagan bo'lsa yoki ishlamay qolsa, tizimga ogohlantirish signalini chiqarishga imkon beradi. Bunday holat yuz berganda fanning holatini yoki fan ulanishini tekshiring. (Standart: O'chirilgan)
(Note)
Ushbu element faqat ushbu funksiyani qo'llab-quvvatlaydigan CPU o'rnatganingizda mavjud bo'ladi. Intel ® CPU-larining noyob xususiyatlari haqida ko'proq ma'lumot olish uchun Intel veb-saytiga tashrif buyuring.
(Note 1)
This item is present only when you install a CPU that supports this feature. For more information about Intel ® CPUs' unique features, please visit Intel's website.
(Note 2)
Ushbu element faqat ushbu funksiyani qo'llab-quvvatlaydigan CPU va xotira modulini o'rnatganingizda mavjud bo'ladi.
Tizim

Ushbu bo'limda sizning anakart modeli va BIOS versiyasi haqida ma'lumotlar keltirilgan. Shuningdek, BIOS tomonidan ishlatiladigan standart tilni tanlashingiz va tizim vaqtini qo'lda o'rnatishingiz mumkin.
Kirish darajasi
Ishlatiladigan parol himoyasi turiga qarab joriy kirish darajasini ko'rsatadi. (Agar parol o'rnatilmagan bo'lsa, standart sifatida Administrator ko'rsatiladi.) Administrator darajasi BIOSning barcha sozlamalariga o'zgartirish kiritishga imkon beradi; Foydalanuvchi darajasi faqat ayrim BIOS sozlamalariga o'zgartirish kiritishga imkon beradi, lekin hammasiga emas.
Tizim tili
BIOS tomonidan ishlatiladigan standart tilni tanlaydi.
Tizim sanasi
Tizim sanasini o'rnatadi. Sana formati hafta (faqat o'qish uchun), oy, sana va yil. Oy, Sana va Yil maydonlari o'rtasida o'tish uchun <Enter> tugmasidan foydalaning va kerakli qiymatni o'rnatish uchun <Page Up> yoki <Page Down> tugmasidan foydalaning.
Tizim vaqti
Tizim vaqtini o'rnatadi. Vaqt formati soat, daqiqa va soniya. Misol uchun, soat 13:00:00 1 p.m. ga teng. Soat, daqiqa va soniya maydonlari o'rtasida o'tish uchun <Enter> tugmasidan foydalaning va kerakli qiymatni o'rnatish uchun <Page Up> yoki <Page Down> tugmasidan foydalaning.
BIOS

Bootup NumLock State
POSTdan so'ng klaviaturaning raqamli panelida Numlock funksiyasini yoqadi yoki o'chiradi. (Standart: Yoqilgan)
Security Option
Tizim har safar yuklanganida yoki faqat BIOS sozlamalariga kirganingizda parol talab qilinishini belgilaydi.
Ushbu elementni sozlaganingizdan so'ng, Administrator paroli/Foydalanuvchi paroli elementi ostida parolni(larni) o'rnating.
Setup | Parol faqat BIOS sozlash dasturiga kirish uchun talab qilinadi. |
Tizim | Tizimni yuklash va BIOS sozlash dasturiga kirish uchun parol talab qilinadi. (Standart) |
To'liq ekran LOGO ko'rsatuvi
Tizim ishga tushirilganda GIGABYTE Logotipini ko'rsatish yoki ko'rsatmaslikni aniqlashga imkon beradi. O'chirilgan tizim ishga tushganda GIGABYTE Logotipini o'tkazib yuboradi. (Standart: Yoqilgan)
Yuklash opsiyasi ustuvorliklari
Mavjud qurilmalardan umumiy yuklash tartibini belgilaydi. GPT formatini qo'llab-quvvatlaydigan olinadigan saqlash qurilmalari yuklash qurilmasi ro'yxatida "UEFI:" satri bilan boshlanadi. GPT qismlarga ajratishni qo'llab-quvvatlaydigan operatsion tizimdan yuklash uchun "UEFI:" satri bilan boshlanadigan qurilmani tanlang.
Yoki, agar siz Windows 7 64-bit kabi GPT qismlarga ajratishni qo'llab-quvvatlaydigan operatsion tizimni o'rnatmoqchi bo'lsangiz, Windows 7 64-bit o'rnatish diskini o'z ichiga olgan va "UEFI:" satri bilan boshlanadigan optik diskni tanlang.
Qattiq disk/CD/DVD ROM disk yurituvchi/Disketa disk yurituvchi/Tarmoq qurilmasi BBS ustuvorliklari
Qattiq disklar, optik disklar, disketa disk yurituvchilari va LAN funksiyasidan yuklashni qo'llab-quvvatlaydigan qurilmalar va boshqalar kabi muayyan turdagi qurilma uchun yuklash tartibini belgilaydi. Bir xil turdagi ulangan qurilmalarni taqdim etadigan quyi menyuga kirish uchun ushbu elementda <Enter> tugmasini bosing. Ushbu element faqat ushbu turdagi kamida bitta qurilma o'rnatilgan bo'lsa mavjud.
Tez yuklash
OT yuklash jarayonini qisqartirish uchun tez yuklashni yoqadi yoki o'chiradi. Ultra tez eng tez yuklash tezligini ta'minlaydi. (Standart: O'chirilgan)
SATA qo'llab-quvvatlash
Barcha Sata qurilmalari | Barcha SATA qurilmalari operatsion tizimda va POST vaqtida ishlaydi. (Standart) |
Faqat oxirgi yuklangan HDD | Oldingi yuklash diskidan tashqari, barcha SATA qurilmalari OT yuklash jarayoni tugashidan oldin o'chiriladi. |
Ushbu elementni faqat Tez yuklash Yoqilgan yoki Ultra tez rejimiga o'rnatilganda sozlash mumkin.
VGA qo'llab-quvvatlash
Yuklanadigan operatsion tizim turini tanlashga imkon beradi.
Avto | Faqat eski opsiya ROMini yoqadi. |
EFI drayveri | EFI opsiyasi ROMini yoqadi. (Standart) |
Ushbu elementni faqat Tez yuklash Yoqilgan yoki Ultra tez rejimiga o'rnatilganda sozlash mumkin.
USB qo'llab-quvvatlash
O'chirilgan | Barcha USB qurilmalari OT yuklash jarayoni tugashidan oldin o'chiriladi. |
To'liq ishga tushirish | Barcha USB qurilmalari operatsion tizimda va POST vaqtida ishlaydi. |
Qisman ishga tushirish | USB qurilmalarining bir qismi OT yuklash jarayoni tugashidan oldin o'chiriladi. (Standart) |
Ushbu funksiya Tez yuklash Ultra tez rejimiga o'rnatilganda o'chiriladi.
PS2 qurilmalarini qo'llab-quvvatlash
O'chirilgan | Barcha PS/2 qurilmalari OT yuklash jarayoni tugashidan oldin o'chiriladi. |
Yoqilgan | Barcha PS/2 qurilmalari operatsion tizimda va POST vaqtida ishlaydi. (Standart) |
Ushbu elementni faqat Tez yuklash Yoqilgan rejimiga o'rnatilganda sozlash mumkin. Ushbu funksiya Tez yuklash Ultra tez rejimiga o'rnatilganda o'chiriladi.
NetWork Stack Driver Support
O'chirilgan | Tarmoqdan yuklashni o'chiradi. (Standart) |
Yoqilgan | Tarmoqdan yuklashni yoqadi. |
Ushbu elementni faqat Tez yuklash Yoqilgan yoki Ultra tez rejimiga o'rnatilganda sozlash mumkin.
AC quvvati yo'qolganidan keyin keyingi yuklash
Oddiy yuklash | AC quvvati qaytgandan so'ng normal yuklashni yoqadi. (Standart) |
Tez yuklash | AC quvvati qaytgandan so'ng tez yuklash sozlamalarini saqlab qoladi. |
Ushbu elementni faqat Tez yuklash Yoqilgan yoki Ultra tez rejimiga o'rnatilganda sozlash mumkin.
Sichqoncha tezligi
Sichqoncha kursorining harakatlanish tezligini o'rnatishga imkon beradi. (Standart: 1 X)
Windows 8/10 funksiyalari
O'rnatiladigan operatsion tizimni tanlashga imkon beradi. (Standart: Boshqa OT)
CSM qo'llab-quvvatlashi
Eski kompyuter yuklash jarayonini qo'llab-quvvatlash uchun UEFI CSM (Moslikni qo'llab-quvvatlash moduli)ni yoqadi yoki o'chiradi.
Yoqilgan | UEFI CSMni yoqadi. (Standart) |
O'chirilgan | UEFI CSMni o'chiradi va faqat UEFI BIOS yuklash jarayonini qo'llab-quvvatlaydi. |
Ushbu elementni faqat Windows 8/10 funksiyalari Windows 8/10 yoki Windows 8/10 WHQL ga o'rnatilganda sozlash mumkin.
LAN PXE Boot Option ROM
LAN kontrolleri uchun eski opsiya ROMini yoqish yoki yoqmaslikni tanlashga imkon beradi. (Standart: O'chirilgan)
Ushbu elementni faqat CSM qo'llab-quvvatlashi Yoqilgan rejimiga o'rnatilganda sozlash mumkin.
Saqlash yuklash opsiyasini boshqarish
Saqlash qurilmasi kontrolleri uchun UEFI yoki eski opsiya ROMini yoqish yoki yoqmaslikni tanlashga imkon beradi.
Ishga tushirmang | Opsiya ROMini o'chiradi. |
Eski | Faqat eski opsiya ROMini yoqadi. (Standart) |
UEFI | Faqat UEFI opsiyasi ROMini yoqadi. |
Ushbu elementni faqat CSM qo'llab-quvvatlashi Yoqilgan rejimiga o'rnatilganda sozlash mumkin.
Boshqa PCI qurilmalari
LAN, saqlash qurilmasi va grafik kontrollerlardan tashqari, PCI qurilmasi kontrolleri uchun UEFI yoki Eski opsiya ROMini yoqish yoki yoqmaslikni tanlashga imkon beradi.
Ishga tushirmang | Opsiya ROMini o'chiradi. |
Eski | Faqat eski opsiya ROMini yoqadi. |
UEFI | Faqat UEFI opsiyasi ROMini yoqadi. (Standart) |
Ushbu elementni faqat CSM qo'llab-quvvatlashi Yoqilgan rejimiga o'rnatilganda sozlash mumkin.
Administrator paroli
Administrator parolini sozlashga imkon beradi. Ushbu elementda <Enter> tugmasini bosing, parolni kiriting va keyin <Enter> tugmasini bosing. Sizdan parolni tasdiqlashingiz so'raladi. Parolni yana kiriting va <Enter> tugmasini bosing. Tizim ishga tushirilganda va BIOS sozlamalariga kirganda administrator parolini (yoki foydalanuvchi parolini) kiritishingiz kerak. Foydalanuvchi parolidan farqli ravishda, administrator paroli BIOSning barcha sozlamalariga o'zgartirishlar kiritishga imkon beradi.
Foydalanuvchi paroli
Foydalanuvchi parolini sozlashga imkon beradi. Ushbu elementda <Enter> tugmasini bosing, parolni kiriting va keyin <Enter> tugmasini bosing. Sizdan parolni tasdiqlashingiz so'raladi. Parolni yana kiriting va <Enter> tugmasini bosing. Tizim ishga tushirilganda va BIOS sozlamalariga kirganda administrator parolini (yoki foydalanuvchi parolini) kiritishingiz kerak. Biroq, foydalanuvchi paroli faqat ayrim BIOS sozlamalariga o'zgartirishlar kiritishga imkon beradi, lekin hammasiga emas.
Parolni bekor qilish uchun, parol elementida <Enter> tugmasini bosing va parolni so'raganda avval to'g'ri parolni kiriting. Yangi parol so'ralganda, hech qanday parol kiritmasdan <Enter> tugmasini bosing. Tasdiqlash so'ralganda yana <Enter> tugmasini bosing.
DIQQAT: Foydalanuvchi parolini o'rnatishdan oldin, avval Administrator parolini o'rnating.
Periferiya qurilmalari

Ambient LED
Oʻrnatilgan audio LED funksiyasini yoqadi yoki oʻchiradi. (Standart: Yoqilgan)
Intel Platform Trust Technology (PTT)
Intel ® PTT texnologiyasini yoqadi yoki oʻchiradi. (Standart: Oʻchirilgan)
SW Guard Extensions (SGX)
Intel ® Software Guard Extensions texnologiyasini yoqadi yoki oʻchiradi. Bu funksiya qonuniy dasturiy taʼminotga xavfsiz muhitda ishlash imkonini beradi va dasturiy taʼminotni zararli dasturiy taʼminot hujumlaridan himoya qiladi. Software Controlled (Dasturiy taʼminot tomonidan boshqariladi) opsiyasi sizga ushbu funksiyani Intel tomonidan taqdim etilgan dastur bilan yoqish yoki oʻchirish imkonini beradi. (Standart: Dasturiy taʼminot tomonidan boshqariladi)
OffBoard SATA Controller Configuration
Agar oʻrnatilgan boʻlsa, M.2 PCIe SSD haqida maʼlumotlarni koʻrsatadi.
- Trusted Computing
Trusted Platform Module (TPM) ni yoqadi yoki oʻchiradi. - Super IO Configuration
Serial Port
Oʻrnatilgan ketma-ket portni yoqadi yoki oʻchiradi. (Standart: Yoqilgan) - Intel(R) Bios Guard Technology
BIOSni zararli hujumlardan himoya qiluvchi Intel ® BIOS Guard funksiyasini yoqadi yoki oʻchiradi. - Network Stack Configuration
Network Stack
Windows Deployment Services serveridan operatsion tizimni oʻrnatish kabi GPT formatidagi operatsion tizimni oʻrnatish uchun tarmoqdan yuklashni oʻchiradi yoki yoqadi. (Standart: Oʻchirilgan)
Ipv4 PXE Support
IPv4 PXE Support-ni yoqadi yoki oʻchiradi. Bu element faqat Network Stack yoqilganida sozlanishi mumkin.
Ipv4 HTTP Support
IPv4 uchun HTTP yuklashni qoʻllab-quvvatlashni yoqadi yoki oʻchiradi. Bu element faqat Network Stack yoqilganida sozlanishi mumkin. & Ipv6 PXE Support IPv6 PXE Support-ni yoqadi yoki oʻchiradi. Bu element faqat Network Stack yoqilganida sozlanishi mumkin.
Ipv6 HTTP Support
IPv6 uchun HTTP yuklashni qoʻllab-quvvatlashni yoqadi yoki oʻchiradi. Bu element faqat Network Stack yoqilganida sozlanishi mumkin.
PXE boot wait time
PXE yuklashni bekor qilish uchun <Esc> tugmasini bosishdan oldin qancha vaqt kutish kerakligini sozlash imkonini beradi. Bu element faqat Network Stack yoqilganida sozlanishi mumkin. (Standart: 0)
Media detect count
Media mavjudligini necha marta tekshirish kerakligini oʻrnatish imkonini beradi. Bu element faqat Network Stack yoqilganida sozlanishi mumkin. (Standart: 1) - NVMe Configuration
Agar oʻrnatilgan boʻlsa, M.2 NVME PCIe SSD haqida maʼlumotlarni koʻrsatadi. - USB Configuration
Legacy USB Support
MS-DOS da USB klaviatura/sichqonchadan foydalanishga imkon beradi. (Standart: Yoqilgan)
XHCI Hand-off
XHCI Hand-off qoʻllab-quvvatlamaydigan operatsion tizim uchun XHCI Hand-off funksiyasini yoqish yoki yoʻqligini aniqlaydi. (Standart: Oʻchirilgan)
USB Mass Storage Driver Support
USB xotira qurilmalari uchun qoʻllab-quvvatlashni yoqadi yoki oʻchiradi. (Standart: Yoqilgan)
Port 60/64 Emulation
I/O portlari 64h va 60h emulyatsiyasini yoqadi yoki oʻchiradi. Bu MS-DOS da yoki USB qurilmalarini mahalliy qoʻllab-quvvatlamaydigan operatsion tizimda USB klaviatura/sichqonchalarini toʻliq eskirgan qoʻllab-quvvatlash uchun yoqilishi kerak.
(Standart: Yoqilgan)
Mass Storage Devices
Ulanishgan USB ommaviy saqlash qurilmalarining roʻyxatini koʻrsatadi. Bu element faqat USB xotira qurilmasi oʻrnatilganida paydo boʻladi. - SATA And RST Configuration
SATA Controller(s)
Integratsiyalashgan SATA kontrollerlarini yoqadi yoki oʻchiradi. (Standart: Yoqilgan)
SATA Mode Selection
Integratsiyalashgan SATA kontrollerlarining ishlash rejimini belgilang.
Intel RST With Intel Optane System AccelerationSATA kontrollerlari uchun Intel ® Optane ™ texnologiyasini yoqadi.
AHCI SATA kontrollerlarini AHCI rejimiga sozlaydi. Advanced Host Controller Interface (AHCI) — bu xotira drayveriga Native Command Queuing va hot plug kabi ilgʻor Serial ATA funksiyalarini yoqish imkonini beruvchi interfeys spetsifikatsiyasi. (Standart)
Aggressive LPM Support
Chipset SATA kontrollerlari uchun quvvatni tejash funksiyasi ALPM (Aggressive Link Power Management) ni yoqadi yoki oʻchiradi. (Standart: Yoqilgan)
Port 0/1/2/3/4/5
Har bir SATA portini yoqadi yoki oʻchiradi. (Standart: Yoqilgan)
Hot plug
Har bir SATA porti uchun issiq ulanish imkoniyatini yoqadi yoki oʻchiradi. (Standart: Oʻchirilgan)
Configured as eSATA
Tashqi SATA qurilmalari uchun qoʻllab-quvvatlashni yoqadi yoki oʻchiradi.
Chipset

VT-d (Izoh)
Toʻgʻridan-toʻgʻri I/O uchun Intel ® Virtualizatsiya texnologiyasini yoqadi yoki oʻchiradi. (Standart: Yoqilgan)
Internal Graphics
Oʻrnatilgan grafik funksiyasini yoqadi yoki oʻchiradi. (Standart: Avtomatik)
DVMT Pre-Allocated
Oʻrnatilgan grafik xotira hajmini oʻrnatish imkonini beradi. Variantlar: 32M~1024M. (Standart: 64M)
DVMT Total Gfx Mem
Oʻrnatilgan grafikaning DVMT xotira hajmini ajratish imkonini beradi. Variantlar: 128M, 256M, MAX. (Standart: 256M)
Audio Controller
Oʻrnatilgan audio funksiyasini yoqadi yoki oʻchiradi. (Standart: Yoqilgan) Agar siz oʻrnatilgan audiodan foydalanish oʻrniga 3-chi tomon qoʻshimcha audio kartasini oʻrnatmoqchi boʻlsangiz, bu elementni Oʻchirilgan holatiga oʻrnating.
PCH LAN Controller
Oʻrnatilgan LAN funksiyasini yoqadi yoki oʻchiradi. (Standart: Yoqilgan) Agar siz oʻrnatilgan LANdan foydalanish oʻrniga 3-chi tomon qoʻshimcha tarmoq kartasini oʻrnatmoqchi boʻlsangiz, bu elementni Oʻchirilgan holatiga oʻrnating.
Wake on LAN Enable
LAN funksiyasida uygʻonishni yoqadi yoki oʻchiradi. (Standart: Yoqilgan)
High Precision Timer
Operatsion tizimda yuqori aniqlikdagi voqea taymerini (HPET) yoqadi yoki oʻchiradi. (Standart: Yoqilgan) & IOAPIC 24-119 Entries Bu funksiyani yoqadi yoki oʻchiradi. (Standart: Yoqilgan)
(Izoh) Bu element faqat ushbu funksiyani qoʻllab-quvvatlaydigan protsessorni oʻrnatganingizda mavjud boʻladi. Intel ® protsessorlarining noyob xususiyatlari haqida koʻproq maʼlumot olish uchun Intel veb-saytiga tashrif buyuring.
Quvvat

Platform Power Management (Platforma quvvatini boshqarish)
Active State Power Management (ASPM) funksiyasini yoqadi yoki o'chiradi. (Standart: O'chirilgan)
PEG ASPM
CPU PEG shinasiga ulangan qurilma uchun ASPM rejimini sozlash imkonini beradi. Bu element faqat Platform Power Management yoqilgan holatda sozlanishi mumkin. (Standart: Yoqilgan)
PCH ASPM
Chipsetning PCI Express shinasiga ulangan qurilma uchun ASPM rejimini sozlash imkonini beradi. Bu element faqat Platform Power Management yoqilgan holatda sozlanishi mumkin. (Standart: Yoqilgan)
DMI ASPM
DMI aloqasining CPU tomoni va Chipset tomoni uchun ASPM rejimini sozlash imkonini beradi. Bu element faqat Platform Power Management yoqilgan holatda sozlanishi mumkin. (Standart: Yoqilgan)
AC BACK
AC quvvati uzilgandan keyin tizimning holatini aniqlaydi.
Always Off | AC quvvati qaytgandan so'ng tizim o'chirilgan holatda qoladi. (Standart) |
Always On | AC quvvati qaytgandan so'ng tizim yoqiladi. |
Memory | AC quvvati qaytgandan so'ng tizim o'zining oxirgi ma'lum bo'lgan uyg'oq holatiga qaytadi. |
Power On By Keyboard (Klaviatura orqali yoqish)
PS/2 klaviaturasi orqali uyg'otish hodisasi bilan tizimni yoqish imkonini beradi.
Eslatma: Bu funksiyadan foydalanish uchun sizga +5VSB liniyasida kamida 1A ta'minlaydigan ATX quvvat manbai kerak.
Disabled | Bu funksiyani o'chiradi. (Standart) |
Any Key | Tizimni yoqish uchun istalgan tugmani bosing. |
Keyboard 98 | Tizimni yoqish uchun Windows 98 klaviaturasidagi POWER tugmasini bosing. |
Password | Tizimni yoqish uchun 1~5 belgidan iborat parol o'rnating. |
Power On Password (Parol bilan yoqish)
Power On By Keyboard Password (Parol bilan yoqish) ga o'rnatilganda parolni o'rnating. Ushbu elementda <Enter> ni bosing va 5 tagacha belgidan iborat parolni o'rnating, so'ng qabul qilish uchun <Enter> ni bosing. Tizimni yoqish uchun parolni kiriting va <Enter> ni bosing.
Eslatma: Parolni bekor qilish uchun ushbu elementda <Enter> ni bosing. Parol so'ralganda, parol sozlamalarini tozalash uchun parolni kiritmasdan yana <Enter> ni bosing.
Power On By Mouse (Sichqoncha orqali yoqish)
PS/2 sichqonchasi orqali uyg'otish hodisasi bilan tizimni yoqish imkonini beradi.
Eslatma: Bu funksiyadan foydalanish uchun sizga +5VSB liniyasida kamida 1A ta'minlaydigan ATX quvvat manbai kerak.
Disabled | Bu funksiyani o'chiradi. (Standart) |
Move | Tizimni yoqish uchun sichqonchani harakatlantiring. |
Double Click | Tizimni yoqish uchun sichqonchaning chap tugmasini ikki marta bosing. |
ErP
Tizimning S5 (o'chirish) holatida eng kam quvvat sarflashiga ruxsat berish yoki bermaslikni aniqlaydi. (Standart: O'chirilgan)
Eslatma: Agar bu element yoqilgan bo'lsa, quyidagi funksiyalar mavjud bo'lmaydi: Signal orqali davom etish, PME hodisasi bilan uyg'otish, sichqoncha orqali yoqish, klaviatura orqali yoqish va LAN orqali uyg'otish.
Soft-Off by PWR-BTTN
Quvvat tugmasi yordamida MS-DOS rejimida kompyuterni o'chirish usulini sozlaydi.
Instant-Off | Quvvat tugmasini bosing, shunda tizim bir zumda o'chadi. (Standart) |
Delay 4 Sec. | Tizimni o'chirish uchun quvvat tugmasini 4 soniya bosib turing. Agar quvvat tugmasi 4 soniyadan kamroq bosilsa, tizim kutish rejimiga o'tadi. |
Power Loading (Quvvat yuklanishi)
Soxta yukni yoqadi yoki o'chiradi. Quvvat manbai past yukda bo'lganda, o'zini himoya qilish faollashadi va u o'chadi yoki ishlamay qoladi. Agar shunday bo'lsa, iltimos, Yoqilgan ga o'rnating. Avto BIOSga ushbu sozlamani avtomatik ravishda sozlash imkonini beradi. (Standart: Avto)
Resume by Alarm (Signal orqali davom etish)
Tizimni kerakli vaqtda yoqish yoki yo'qligini aniqlaydi. (Standart: O'chirilgan)
Agar yoqilgan bo'lsa, sanani va vaqtni quyidagicha o'rnating:
Wake up day: Tizimni har kuni ma'lum vaqtda yoki oyning ma'lum kunida yoqing.
Wake up hour/minute/second: Tizim avtomatik ravishda yoqiladigan vaqtni o'rnating.
Eslatma: Ushbu funksiyadan foydalanganda, operatsion tizimdan etarli bo'lmagan o'chirishdan yoki AC quvvatini olib tashlashdan saqlaning, aks holda sozlamalar samarali bo'lmasligi mumkin.
RC6(Render Standby)
Quvvat sarfini kamaytirish uchun bort grafik kartasining kutish rejimiga o'tishiga ruxsat berish yoki bermaslikni aniqlash imkonini beradi. (Standart: Yoqilgan)
Saqlash va Chiqish

Save & Exit Setup (Sozlamalarni saqlash va chiqish)
Ushbu elementda <Enter> ni bosing va Ha ni tanlang. Bu CMOSga o'zgarishlarni saqlaydi va BIOS sozlash dasturidan chiqadi. BIOS sozlash asosiy menyusiga qaytish uchun Yo'q ni tanlang yoki <Esc> ni bosing.
Exit Without Saving (Saqlamasdan chiqish)
Ushbu elementda <Enter> ni bosing va Ha ni tanlang. Bu BIOS sozlashda kiritilgan o'zgarishlarni CMOSga saqlamasdan BIOS sozlashdan chiqadi. BIOS sozlash asosiy menyusiga qaytish uchun Yo'q ni tanlang yoki <Esc> ni bosing.
Load Optimized Defaults (Optimallashtirilgan standartlarni yuklash)
Ushbu elementda <Enter> ni bosing va optimal BIOS standart sozlamalarini yuklash uchun Ha ni tanlang. BIOS standart sozlamalari tizimga optimal holatda ishlashga yordam beradi. BIOSni yangilagandan so'ng yoki CMOS qiymatlarini tozalagandan so'ng har doim optimallashtirilgan standartlarni yuklang.
Boot Override (Yuklashni bekor qilish)
Darhol yuklash uchun qurilmani tanlash imkonini beradi. Tanlagan qurilmangizda <Enter> ni bosing va tasdiqlash uchun Ha ni tanlang. Tizimingiz avtomatik ravishda qayta ishga tushadi va ushbu qurilmadan yuklanadi.
Save Profiles (Profillarni saqlash)
Ushbu funksiya joriy BIOS sozlamalarini profilga saqlash imkonini beradi. Siz 8 tagacha profil yaratishingiz va Setup Profile 1~ Setup Profile 8 sifatida saqlashingiz mumkin. Yakunlash uchun <Enter> ni bosing. Yoki profilni xotira qurilmangizga saqlash uchun HDD/FDD/USB dagi Select File (Faylni tanlash) ni tanlashingiz mumkin.
Load Profiles (Profillarni yuklash)
Agar tizimingiz beqaror bo'lib qolsa va siz BIOS standart sozlamalarini yuklagan bo'lsangiz, BIOS sozlamalarini qayta sozlash tashvishisiz, avval yaratilgan profildan BIOS sozlamalarini yuklash uchun ushbu funksiyadan foydalanishingiz mumkin. Avval yuklamoqchi bo'lgan profilni tanlang, so'ng yakunlash uchun <Enter> ni bosing. Siz xotira qurilmangizdan oldin yaratilgan profilni kiritish uchun HDD/FDD/USB dagi Select File (Faylni tanlash) ni tanlashingiz yoki BIOS tomonidan avtomatik ravishda yaratilgan profilni yuklashingiz mumkin, masalan, BIOS sozlamalarini to'g'ri ishlagan oxirgi sozlamalarga qaytarish (oxirgi ma'lum yaxshi yozuv).
Intel ® Optane ™ texnologiyasini yoqish
Tizim talablari
- Intel ® Optane ™ SSD
- (Optane ™ SSD kamida 16 GB sig‘imga ega bo‘lishi kerak va u tezlashtiriladigan qattiq disk/SSD dan kamroq yoki teng sig‘imga ega bo‘lishi kerak.)
- BIOS sozlamalarida BIOSga o‘ting va CSM Support (CSM qo‘llab-quvvatlash) ni Enabled (yoqilgan) holatiga va Storage Boot Option Control (saqlash yuklash opsiyasini boshqarish) ni UEFI holatiga o‘rnating. So‘ngra Peripherals\SATA And RST Configuration (periferiya qurilmalari\SATA va RST konfiguratsiyasi) ga o‘ting, SATA Mode Selection (SATA rejimini tanlash) ni Intel RST With Intel Optane System Acceleration (Intel Optane tizimini tezlashtirish bilan Intel RST) ga o‘rnating. O‘zgarishlarni saqlang va BIOS sozlamalaridan chiqing.
- Operatsion tizimga kiring, Start (ishga tushirish) menyusidan Intel ® Rapid Storage Technology (Intel ® Tezkor saqlash texnologiyasi) utilitasini ishga tushiring va keyin Intel ® Optane ™ texnologiyasini yoqing.
Drayverlarni o‘rnatish

- Drayverlarni o‘rnatishdan oldin, avval operatsion tizimni o‘rnating. (Quyidagi ko‘rsatmalar misol sifatida Windows 10 operatsion tizimidan foydalanadi.)
- Operatsion tizimni o‘rnatgandan so‘ng, anakart drayverlari diskini optik drayvingizga joylashtiring. Ekraningizning yuqori o‘ng burchagidagi "Tap to choose what happens with this disc" ("ushbu disk bilan nima qilishni tanlash uchun bosing") xabarini bosing va "Run Run.exe." ("Run Run.exe ni ishga tushirish") ni tanlang. (Yoki Mening kompyuterimga o‘ting, optik drayvni ikki marta bosing va Run.exe dasturini ishga tushiring.)
"Xpress Install" (tezkor o‘rnatish) avtomatik ravishda tizimingizni skanerlaydi va keyin o‘rnatish tavsiya etilgan barcha drayverlarni ro‘yxatga oladi. Siz Xpress Install (tezkor o‘rnatish) tugmasini bosishingiz mumkin va "Xpress Install" (tezkor o‘rnatish) tanlangan barcha drayverlarni o‘rnatadi. Yoki strelkani bosing
kerakli drayverlarni alohida o‘rnatish uchun belgisini bosing.

Biz bilan bog‘lanish
GIGA-BYTE TECHNOLOGY CO., LTD.
Manzil: No.6, Baoqiang Road, Xindian Dist., New Taipei City 231,Taiwan
TEL: +886-2-8912-4000, FAKS: +886-2-8912-4005
Texnik va notexnik qo‘llab-quvvatlash (savdo/marketing): http://esupport.gigabyte.com
Veb-manzil (inglizcha): http://www.gigabyte.com
Veb-manzil (xitoycha): http://www.gigabyte.tw
- GIGABYTE eSupport
Texnik yoki notexnik (Savdo/Marketing) savolni yuborish uchun quyidagi manzilga o‘ting: http://esupport.gigabyte.com
![GIGABYTE - GA-B250M-Gaming 3 - GIGABYTE eSupport GIGABYTE eSupport]()
Mualliflik huquqi
© 2017 GIGA-BYTE TECHNOLOGY CO., LTD. Barcha huquqlar himoyalangan. Ushbu qo‘llanmada tilga olingan tovar belgilari o‘z egalariga qonuniy ravishda ro‘yxatdan o‘tgan.
Anakart versiyasini aniqlash
Anakartingizdagi versiya raqami quyidagicha ko‘rinadi: "REV: X.X." Misol uchun, "REV: 1.0" anakartning versiyasi 1.0 ekanligini anglatadi. Anakart BIOS, drayverlarini yangilashdan oldin yoki texnik ma’lumotlarni qidirayotganda anakart versiyasini tekshiring.
Misol:

Qo‘shimcha mahsulot tafsilotlari uchun GIGABYTE veb-saytiga tashrif buyuring.


Manbalar
Qo'llanmani yuklab olish
Bu yerda siz qo'llanmaning to'liq pdf versiyasini yuklab olishingiz mumkin, u qo'shimcha xavfsizlik ko'rsatmalari, kafolat ma'lumotlari, FCC qoidalari va hokazolarni o'z ichiga olishi mumkin.
GIGABYTE GA-B250M-Gaming 3 - Ona plata qo'llanmasi ni yuklab olish
























