Panduan Motherboard GIGABYTE B550M AORUS PRO AX

Mengidentifikasi Revisi Motherboard Anda
Nomor revisi pada motherboard Anda terlihat seperti ini: "REV: X.X." Misalnya, "REV: 1.0" berarti revisi motherboard adalah 1.0. Periksa revisi motherboard Anda sebelum memperbarui BIOS motherboard, driver, atau saat mencari informasi teknis.
Contoh:

Tata Letak Motherboard B550M AORUS PRO AX

Isi Kotak
- Motherboard B550M AORUS PRO AX
- Dua kabel SATA
- Manual Pengguna
- Satu antena
* Isi kotak di atas hanya untuk referensi dan item sebenarnya bergantung pada paket produk yang Anda dapatkan.
Isi kotak dapat berubah tanpa pemberitahuan.
Pemasangan Perangkat Keras
Tindakan Pencegahan Pemasangan
Motherboard berisi banyak sekali sirkuit dan komponen elektronik halus yang dapat rusak akibat pelepasan muatan listrik statis (ESD). Sebelum pemasangan, bacalah dengan saksama buku panduan pengguna dan ikuti prosedur berikut:
- Sebelum pemasangan, pastikan sasis sesuai untuk motherboard.
- Sebelum pemasangan, jangan lepaskan atau merusak stiker S/N (Nomor Seri) motherboard atau stiker garansi yang disediakan oleh dealer Anda. Stiker-stiker ini diperlukan untuk validasi garansi.
- Selalu putuskan daya AC dengan mencabut kabel daya dari stopkontak sebelum memasang atau melepas motherboard atau komponen perangkat keras lainnya.
- Saat menyambungkan komponen perangkat keras ke konektor internal pada motherboard, pastikan komponen tersebut tersambung dengan erat dan aman.
- Saat menangani motherboard, hindari menyentuh kabel atau konektor logam apa pun.
- Sebaiknya kenakan tali pergelangan tangan pelepasan muatan listrik statis (ESD) saat menangani komponen elektronik seperti motherboard, CPU, atau memori. Jika Anda tidak memiliki tali pergelangan tangan ESD, jaga agar tangan Anda tetap kering dan sentuh benda logam terlebih dahulu untuk menghilangkan listrik statis.
- Sebelum memasang motherboard, letakkan di atas alas antistatis atau di dalam wadah pelindung elektrostatik.
- Sebelum menyambungkan atau mencabut kabel catu daya dari motherboard, pastikan catu daya telah dimatikan.
- Sebelum menyalakan daya, pastikan voltase catu daya telah diatur sesuai dengan standar voltase lokal.
- Sebelum menggunakan produk, harap verifikasi bahwa semua kabel dan konektor daya komponen perangkat keras Anda telah tersambung.
- Untuk mencegah kerusakan pada motherboard, jangan biarkan sekrup bersentuhan dengan sirkuit motherboard atau komponennya.
- Pastikan tidak ada sisa sekrup atau komponen logam yang diletakkan di motherboard atau di dalam casing komputer.
- Jangan letakkan sistem komputer di atas permukaan yang tidak rata.
- Jangan letakkan sistem komputer di lingkungan bersuhu tinggi atau basah.
- Menyalakan daya komputer selama proses pemasangan dapat menyebabkan kerusakan pada komponen sistem serta bahaya fisik bagi pengguna.
- Jika Anda tidak yakin tentang langkah-langkah pemasangan apa pun atau memiliki masalah terkait dengan penggunaan produk, silakan berkonsultasi dengan teknisi komputer bersertifikat.
- Jika Anda menggunakan adaptor, kabel daya ekstensi, atau stop kontak, pastikan untuk berkonsultasi dengan petunjuk pemasangan dan/atau pembumiannya.
Spesifikasi Produk
CPU |
|
Chipset |
|
Memori |
|
Grafis Onboard |
|
Audio |
|
LAN |
|
Modul Komunikasi Nirkabel |
|
Slot Ekspansi |
|
Antarmuka Penyimpanan |
|
USB |
|
Konektor Internal |
|
Konektor Panel Belakang |
|
Konektor Panel Belakang |
|
I/O Controller |
|
Monitor Perangkat Keras |
|
BIOS |
|
Fitur Unik |
|
Perangkat Lunak Bundel |
|
Sistem Operasi |
|
Faktor Bentuk |
|
* GIGABYTE berhak untuk membuat perubahan apa pun pada spesifikasi produk dan informasi terkait produk tanpa pemberitahuan sebelumnya.

Silakan kunjungi situs web GIGABYTE untuk daftar dukungan CPU, modul memori, SSD, dan perangkat M.2.

Silakan kunjungi halaman Support\Utility List di situs web GIGABYTE untuk mengunduh versi aplikasi terbaru.
Memasang CPU
Baca panduan berikut sebelum Anda mulai memasang CPU:
- Pastikan motherboard mendukung CPU.
(Buka situs web GIGABYTE untuk daftar dukungan CPU terbaru.) - Selalu matikan komputer dan cabut kabel daya dari stopkontak sebelum memasang CPU untuk mencegah kerusakan perangkat keras.
- Temukan pin satu CPU. CPU tidak dapat dimasukkan jika orientasinya salah.
- Oleskan lapisan pasta termal yang merata dan tipis pada permukaan CPU.
- Jangan hidupkan komputer jika pendingin CPU tidak terpasang, jika tidak, panas berlebih dan kerusakan CPU dapat terjadi.
- Atur frekuensi host CPU sesuai dengan spesifikasi CPU. Tidak disarankan agar frekuensi bus sistem diatur di luar spesifikasi perangkat keras karena tidak memenuhi persyaratan standar untuk periferal. Jika Anda ingin mengatur frekuensi di luar spesifikasi standar, harap lakukan sesuai dengan spesifikasi perangkat keras Anda termasuk CPU, kartu grafis, memori, hard drive, dll.
Memasang CPU
Angkat sepenuhnya tuas pengunci soket CPU. Temukan pin satu (ditandai dengan segitiga kecil) dari soket CPU dan CPU. Setelah CPU diposisikan ke dalam soketnya, letakkan satu jari di tengah CPU, turunkan tuas pengunci dan kaitkan ke posisi terkunci sepenuhnya.

Jangan paksa CPU masuk ke soket CPU sebelum tuas pengunci soket CPU diangkat, atau kerusakan pada CPU dan soket CPU dapat terjadi.
Memasang Memori
Baca panduan berikut sebelum Anda mulai memasang memori:
- Pastikan motherboard mendukung memori. Disarankan agar memori dengan kapasitas, merek, kecepatan, dan chip yang sama digunakan.
(Buka situs web GIGABYTE untuk kecepatan memori dan modul memori yang didukung terbaru.) - Selalu matikan komputer dan cabut kabel daya dari stopkontak sebelum memasang memori untuk mencegah kerusakan perangkat keras.
- Modul memori memiliki desain anti-bodoh. Modul memori hanya dapat dipasang dalam satu arah. Jika Anda tidak dapat memasang memori, ubah arahnya.
Konfigurasi Memori Dual Channel
Motherboard ini menyediakan empat soket memori dan mendukung Teknologi Dual Channel. Setelah memori dipasang, BIOS akan secara otomatis mendeteksi spesifikasi dan kapasitas memori. Mengaktifkan mode memori Dual Channel akan menggandakan bandwidth memori asli.
Silakan kunjungi situs web GIGABYTE untuk detail tentang pemasangan perangkat keras.
Konfigurasi Memori Dual Channel yang Direkomendasikan:
| DDR4_A1 | DDR4_A2 | DDR4_B1 | DDR4_B2 | |
| 2 Modul | - - | DS/SS | - - | DS/SS |
| 4 Modul | DS/SS | DS/SS | DS/SS | DS/SS |
(SS=Single-Sided, DS=Double-Sided, "- -"=Tanpa Memori)
Karena keterbatasan CPU, baca panduan berikut sebelum memasang memori dalam mode Dual Channel.
- Mode Dual Channel tidak dapat diaktifkan jika hanya satu modul memori yang dipasang.
- Saat mengaktifkan mode Dual Channel dengan dua atau empat modul memori, disarankan agar memori dengan kapasitas, merek, kecepatan, dan chip yang sama digunakan.
Memasang Kartu Ekspansi
Baca panduan berikut sebelum Anda mulai memasang kartu ekspansi:
- Pastikan motherboard mendukung kartu ekspansi. Baca dengan saksama manual yang disertakan dengan kartu ekspansi Anda.
- Selalu matikan komputer dan cabut kabel daya dari stopkontak sebelum memasang kartu ekspansi untuk mencegah kerusakan perangkat keras.
Konektor Panel Belakang

- Port USB 2.0/1.1
Port USB mendukung spesifikasi USB 2.0/1.1. Gunakan port ini untuk perangkat USB. - DisplayPort (Catatan 1)
DisplayPort menghadirkan pencitraan dan audio digital berkualitas tinggi, mendukung transmisi audio dua arah. DisplayPort dapat mendukung mekanisme perlindungan konten HDCP 2.3. Anda dapat menggunakan port ini untuk menghubungkan monitor yang didukung DisplayPort. Catatan: Teknologi DisplayPort dapat mendukung resolusi maksimum 5120x2880@60 Hz tetapi resolusi aktual yang didukung bergantung pada monitor yang digunakan. - Port HDMI(Catatan 1)
![]()
Port HDMI sesuai dengan HDCP 2.3 dan mendukung format Dolby TrueHD dan DTS HD Master Audio. Ia juga mendukung output audio LPCM 7.1 saluran hingga 192KHz/24bit. Anda dapat menggunakan port ini untuk menghubungkan monitor yang didukung HDMI Anda. Resolusi maksimum yang didukung adalah 4096x2160@60 Hz, tetapi resolusi aktual yang didukung bergantung pada monitor yang digunakan.
Setelah memasang perangkat DisplayPort/HDMI, pastikan untuk mengatur perangkat pemutaran suara default ke DisplayPort/HDMI. (Nama item mungkin berbeda tergantung pada sistem operasi Anda.) - Port USB 3.2 Gen 1
Port USB 3.2 Gen 1 mendukung spesifikasi USB 3.2 Gen 1 dan kompatibel dengan spesifikasi USB 2.0. Gunakan port ini untuk perangkat USB. - Tombol Q-Flash Plus (Catatan 2)
Q-Flash Plus memungkinkan Anda memperbarui BIOS saat sistem Anda mati (keadaan mati S5). Simpan BIOS terbaru pada USB thumb drive dan colokkan ke port Q-Flash Plus, lalu Anda sekarang dapat mem-flash BIOS secara otomatis hanya dengan menekan tombol Q-Flash Plus. QFLED akan berkedip saat aktivitas pencocokan dan flashing BIOS dimulai dan akan berhenti berkedip saat flashing BIOS utama selesai.
(Catatan 1) Hanya untuk Prosesor AMD Ryzen™ Generasi ke-3 dengan grafis Radeon™.
(Catatan 2) Untuk mengaktifkan fungsi Q-Flash Plus, silakan kunjungi halaman web "Fitur Unik" di situs web GIGABYTE. - Port USB 3.2 Gen 1 (Port Q-Flash Plus)
Port USB 3.2 Gen 1 mendukung spesifikasi USB 3.2 Gen 1 dan kompatibel dengan spesifikasi USB 2.0. Gunakan port ini untuk perangkat USB. Sebelum menggunakan Q-Flash Plus (Catatan 2), pastikan untuk memasukkan flash drive USB ke port ini terlebih dahulu. - Port LAN RJ-45
Port Gigabit Ethernet LAN menyediakan koneksi Internet dengan kecepatan data hingga 2,5 Gbps. Berikut ini menjelaskan status LED port LAN.
![]()
LED Kecepatan:
LED Aktivitas:Status Deskripsi Oranye Kecepatan data 2,5 Gbps Hijau Kecepatan data 1 Gbps Mati Kecepatan data 100 Mbps Status Deskripsi Berkedip Transmisi atau penerimaan data sedang terjadi Mati Tidak ada transmisi atau penerimaan data yang terjadi
- Port USB 3.2 Gen 2 Tipe-A (Merah)
Port USB 3.2 Gen 2 mendukung spesifikasi USB 3.2 Gen 2 dan kompatibel dengan spesifikasi USB 3.2 Gen 1 dan USB 2.0. Gunakan port ini untuk perangkat USB. - Port USB Type-C®
Port USB yang dapat dibalik mendukung spesifikasi USB 3.2 Gen 2 dan kompatibel dengan spesifikasi USB 3.2 Gen 1 dan USB 2.0. Gunakan port ini untuk perangkat USB. - Konektor Antena SMA (2T2R)
Gunakan konektor ini untuk menghubungkan antena.
Kencangkan antena ke konektor antena dan kemudian arahkan antena dengan benar untuk penerimaan sinyal yang lebih baik. - Output Speaker Tengah/Subwoofer
Gunakan jack audio ini untuk menghubungkan speaker tengah/subwoofer. - Output Speaker Belakang
Gunakan jack audio ini untuk menghubungkan speaker belakang. - Konektor Output S/PDIF Optik
Konektor ini menyediakan output audio digital ke sistem audio eksternal yang mendukung audio optik digital. Sebelum menggunakan fitur ini, pastikan sistem audio Anda menyediakan konektor input audio digital optik. - Input Saluran/Output Speaker Samping
Jack input saluran. Gunakan jack audio ini untuk perangkat input saluran seperti drive optik, walkman, dll. - Output Saluran/Output Speaker Depan
Jack output saluran. - Input Mic/Output Speaker Samping
Jack input Mic.
(Catatan 2) Untuk mengaktifkan fungsi Q-Flash Plus, silakan kunjungi halaman web "Fitur Unik" di situs web GIGABYTE.
Konfigurasi Jack Audio:
| Jack | Headphone/2-channel | 4-channel | 5.1-channel | 7.1-channel |
| ![]() | ![]() | ||
| ![]() | ![]() | ![]() | |
| ![]() | |||
| ![]() | ![]() | ![]() | ![]() |
| ![]() |
Anda dapat mengubah fungsi jack audio menggunakan perangkat lunak audio. Jika Anda ingin memasang Speaker Samping, Anda perlu mengatur ulang jack Input Saluran atau Input Mic agar menjadi Output Speaker Samping melalui driver audio.
- Saat melepas kabel yang terhubung ke konektor panel belakang, pertama-tama lepaskan kabel dari perangkat Anda dan kemudian lepaskan dari motherboard.
- Saat melepas kabel, tarik lurus keluar dari konektor. Jangan goyangkan dari sisi ke sisi untuk mencegah korsleting listrik di dalam konektor kabel.
Silakan kunjungi situs web GIGABYTE untuk detail tentang mengonfigurasi perangkat lunak audio.
Konektor Internal

- ATX_12V
- ATX
- CPU_FAN
- SYS_FAN1/2/3
- CPU_OPT
- D_LED1/D_LED2
- LED_CPU
- LED_C1/LED_C2
- SATA3 0/1/2/3
- M2A_CPU/M2B_SB
- F_PANEL
- F_AUDIO
- F_U32C
- F_U32
- F_USB1/F_USB2
- TPM
- COM
- CLR_CMOS
- BAT
Baca panduan berikut sebelum menghubungkan perangkat eksternal:
- Pastikan terlebih dahulu bahwa perangkat Anda sesuai dengan konektor yang ingin Anda sambungkan.
- Sebelum memasang perangkat, pastikan untuk mematikan perangkat dan komputer Anda. Cabut kabel daya dari stop kontak untuk mencegah kerusakan pada perangkat.
- Setelah memasang perangkat dan sebelum menghidupkan komputer, pastikan kabel perangkat telah terpasang dengan aman ke konektor pada motherboard.
1/2) ATX_12V/ATX (Konektor Daya 2x4 12V dan Konektor Daya Utama 2x12)
Dengan penggunaan konektor daya, catu daya dapat menyuplai daya yang stabil ke semua komponen pada motherboard. Sebelum menyambungkan konektor daya, pertama pastikan catu daya dimatikan dan semua perangkat telah terpasang dengan benar. Konektor daya memiliki desain yang mudah dipasang. Sambungkan kabel catu daya ke konektor daya dengan orientasi yang benar.
Konektor daya 12V terutama menyuplai daya ke CPU. Jika konektor daya 12V tidak tersambung, komputer tidak akan menyala.
Untuk memenuhi persyaratan ekspansi, disarankan untuk menggunakan catu daya yang dapat menahan konsumsi daya tinggi (500W atau lebih besar). Jika catu daya yang digunakan tidak memberikan daya yang diperlukan, hasilnya dapat menyebabkan sistem tidak stabil atau tidak dapat di-boot.

| No. Pin | Definisi | No. Pin | Definisi |
| 1 | GND (Hanya untuk 12V 2x4-pin) | 5 | +12V (Hanya untuk 12V 2x4-pin) |
| 2 | GND (Hanya untuk 12V 2x4-pin) | 6 | +12V (Hanya untuk 12V 2x4-pin) |
| 3 | GND | 7 | +12V |
| 4 | GND | 8 | +12V |

| No. Pin | Definisi | No. Pin | Definisi |
| 1 | 3.3V | 13 | 3.3V |
| 2 | 3.3V | 14 | -12V |
| 3 | GND | 15 | GND |
| 4 | +5V | 16 | PS_ON (soft On/Off) |
| 5 | GND | 17 | GND |
| 6 | +5V | 18 | GND |
| 7 | GND | 19 | GND |
| 8 | Power Good | 20 | NC |
| 9 | 5VSB (stand by +5V) | 21 | +5V |
| 10 | +12V | 22 | +5V |
| 11 | +12V (Hanya untuk ATX 2x12-pin) | 23 | +5V (Hanya untuk ATX 2x12-pin) |
| 12 | 3.3V (Hanya untuk ATX 2x12-pin) | 24 | GND (Hanya untuk ATX 2x12-pin) |
3/4) CPU_FAN/SYS_FAN1/2/3 (Header Kipas)
Semua header kipas pada motherboard ini adalah 4-pin. Sebagian besar header kipas memiliki desain pemasangan yang mudah. Saat menyambungkan kabel kipas, pastikan untuk menyambungkannya dengan orientasi yang benar (kabel konektor hitam adalah kabel ground). Fungsi kontrol kecepatan memerlukan penggunaan kipas dengan desain kontrol kecepatan kipas. Untuk disipasi panas yang optimal, disarankan agar kipas sistem dipasang di dalam sasis.

| No. Pin | Definisi |
| 1 | GND |
| 2 | Kontrol Kecepatan Tegangan |
| 3 | Sense |
| 4 | Kontrol Kecepatan PWM |
| Konektor | CPU_FAN | SYS_FAN1/2/3 |
| Arus Maksimum | 2A | 2A |
| Daya Maksimum | 24W | 24W |
- Pastikan untuk menyambungkan kabel kipas ke header kipas untuk mencegah CPU dan sistem Anda dari panas berlebih. Panas berlebih dapat mengakibatkan kerusakan pada CPU atau sistem mungkin hang.
- Header kipas ini bukan blok jumper konfigurasi. Jangan letakkan tutup jumper pada header.
- CPU_OPT (Header Kipas CPU Pendingin Air)
Header kipas adalah 4-pin dan memiliki desain pemasangan yang mudah. Sebagian besar header kipas memiliki desain pemasangan yang mudah. Saat menyambungkan kabel kipas, pastikan untuk menyambungkannya dengan orientasi yang benar (kabel konektor hitam adalah kabel ground). Fungsi kontrol kecepatan memerlukan penggunaan kipas dengan desain kontrol kecepatan kipas.
No. Pin Definisi 1 GND 2 Kontrol Kecepatan Tegangan 3 Sense 4 Kontrol Kecepatan PWM
- Pastikan untuk menyambungkan kabel kipas ke header kipas untuk mencegah CPU dan sistem Anda dari panas berlebih. Panas berlebih dapat mengakibatkan kerusakan pada CPU atau sistem mungkin hang.
- Header kipas ini bukan blok jumper konfigurasi. Jangan letakkan tutup jumper pada header.
- D_LED1/D_LED2 (Header Strip LED yang Dapat Dialamatkan)
Header dapat digunakan untuk menyambungkan strip LED yang dapat dialamatkan 5050 standar, dengan peringkat daya maksimum 5A (5V) dan jumlah maksimum 1000 LED.
No. Pin Definisi 1 V (5V) 2 Data 3 Tanpa Pin 4 GND Hubungkan strip LED yang dapat dialamatkan ke header. Pin daya (ditandai dengan segitiga pada steker) strip LED harus terhubung ke Pin 1 dari header strip LED yang dapat dialamatkan. Sambungan yang salah dapat menyebabkan kerusakan pada strip LED.
![Header strip LED yang dapat dialamatkan]()
- LED_CPU (CPU Cooler LED Strip/RGB LED Strip Header)
Header ini dapat digunakan untuk menghubungkan strip LED pendingin CPU atau strip LED RGB 5050 standar (12V/G/R/B), dengan peringkat daya maksimum 2A (12V) dan panjang maksimum 2m.
Hubungkan strip LED pendingin CPU/strip LED RGB ke header. Pin daya Strip LED RGB (ditandai dengan segitiga pada steker) strip LED harus dihubungkan ke Pin 1 (12V) header ini. Sambungan yang salah dapat menyebabkan kerusakan pada strip LED.No. Pin Definisi 1 12V 2 G 3 R 4 B
![Diagram header LED_CPU]()
Untuk cara menghidupkan/mematikan lampu strip LED, silakan kunjungi halaman web "Fitur Unik" di situs web GIGABYTE.
Sebelum memasang perangkat, pastikan untuk mematikan perangkat dan komputer Anda. Cabut kabel daya dari stopkontak untuk mencegah kerusakan pada perangkat.
- LED_C1/LED_C2 (Header Strip LED RGB)
Header ini dapat digunakan untuk menghubungkan strip LED RGB 5050 standar (12V/G/R/B), dengan peringkat daya maksimum 2A (12V) dan panjang maksimum 2m.
Hubungkan strip LED pendingin CPU/strip LED RGB ke header. Pin daya LED RGB (ditandai dengan segitiga pada steker) strip LED harus dihubungkan ke Pin 1 (12V) dari header ini. Sambungan yang salah dapat menyebabkan kerusakan pada strip LED.No. Pin Definisi 1 12V 2 G 3 R 4 B
![Diagram header LED_C1/LED_C2]()
Untuk cara menghidupkan/mematikan lampu strip LED, silakan kunjungi halaman web "Fitur Unik" di situs web GIGABYTE.
Sebelum memasang perangkat, pastikan untuk mematikan perangkat dan komputer Anda. Cabut kabel daya dari stopkontak untuk mencegah kerusakan pada perangkat.
- SATA3 0/1/2/3 (Konektor SATA 6Gb/s)
Konektor SATA sesuai dengan standar SATA 6Gb/s dan kompatibel dengan standar SATA 3Gb/s dan SATA 1.5Gb/s. Setiap konektor SATA mendukung satu perangkat SATA. Konektor SATA mendukung RAID 0, RAID 1, dan RAID 10. Lihat Bab "Mengonfigurasi Set RAID," untuk instruksi tentang mengonfigurasi larik RAID.
No. Pin Definisi 1 GND 2 TXP 3 TXN 4 GND 5 RXN 6 RXP 7 GND - 2A_CPU/M2B_SB (Konektor M.2 Socket 3)
Konektor M.2 mendukung SSD M.2 SATA atau SSD M.2 PCIe dan mendukung konfigurasi RAID. Harap diperhatikan bahwa SSD M.2 PCIe tidak dapat digunakan untuk membuat set RAID baik dengan SSD M.2 SATA atau hard drive SATA. Lihat Bab "Mengonfigurasi Set RAID," untuk instruksi tentang mengonfigurasi larik RAID.
![GIGABYTE - B550M AORUS PRO AX - M2A_CPU/M2B_SB (Konektor M.2 Socket 3) M2A_CPU/M2B_SB (Konektor M.2 Socket 3)]()
Ikuti langkah-langkah di bawah ini untuk memasang SSD M.2 dengan benar di konektor M.2.
Langkah 1:
Temukan konektor M.2 tempat Anda akan memasang SSD M.2, gunakan obeng untuk melonggarkan sekrup pada heatsink, lalu lepaskan heatsink. (Hanya konektor M2A_CPU yang memiliki heatsink)
Langkah 2:
Temukan lubang pemasangan yang tepat berdasarkan panjang drive SSD M.2 Anda. Jika perlu, pindahkan standoff ke lubang pemasangan yang diinginkan. Masukkan SSD M.2 ke konektor M.2 pada suatu sudut.
Langkah 3:
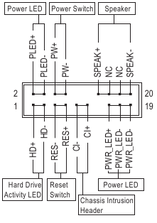
Tekan SSD M.2 ke bawah lalu kencangkan dengan sekrup. Ganti heatsink dan kencangkan ke lubang aslinya. Lepaskan lapisan pelindung dari bagian bawah heatsink sebelum mengganti heatsink. - F_PANEL (Header Panel Depan)
Hubungkan sakelar daya, sakelar reset, speaker, sakelar/sensor intrusi sasis dan indikator status sistem pada sasis ke header ini sesuai dengan tugas pin di bawah ini. Perhatikan pin positif dan negatif sebelum menghubungkan kabel.
![Header panel depan]()
- PLED/PWR_LED (LED Daya):
Terhubung ke indikator status daya pada panel depan sasis. LED menyala saat sistem beroperasi. LED mati saat sistem dalam keadaan tidur S3/S4 atau dimatikan (S5). - PW (Sakelar Daya):
Terhubung ke sakelar daya pada panel depan sasis. Anda dapat mengonfigurasi cara mematikan sistem Anda menggunakan sakelar daya (lihat Bab "Pengaturan BIOS," "Pengaturan\Daya Platform," untuk informasi selengkapnya). - SPEAK (Speaker):
Terhubung ke speaker pada panel depan sasis. Sistem melaporkan status penyalaan sistem dengan mengeluarkan kode bip. Satu bip pendek akan terdengar jika tidak ada masalah yang terdeteksi saat penyalaan sistem. - HD (LED Aktivitas Hard Drive): Terhubung ke LED aktivitas hard drive pada panel depan sasis. LED menyala saat hard drive membaca atau menulis data.
- RES (Sakelar Reset):
Terhubung ke sakelar reset pada panel depan sasis. Tekan sakelar reset untuk memulai ulang komputer jika komputer membeku dan gagal melakukan mulai ulang normal. - CI (Header Intrusi Sasis):
Terhubung ke sakelar/sensor intrusi sasis pada sasis yang dapat mendeteksi apakah penutup sasis telah dilepas. Fungsi ini memerlukan sasis dengan sakelar/sensor intrusi sasis. - NC: Tidak ada sambungan.
Desain panel depan dapat berbeda menurut sasis. Modul panel depan terutama terdiri dari sakelar daya, sakelar reset, LED daya, LED aktivitas hard drive, speaker, dll. Saat menghubungkan modul panel depan sasis Anda ke header ini, pastikan tugas kabel dan tugas pin cocok dengan benar.
- F_AUDIO (Header Audio Panel Depan)
Header audio panel depan mendukung audio Definisi Tinggi (HD). Anda dapat menghubungkan modul audio panel depan sasis Anda ke header ini. Pastikan tugas kabel konektor modul cocok dengan tugas pin header motherboard. Sambungan yang salah antara konektor modul dan header motherboard akan membuat perangkat tidak dapat berfungsi atau bahkan merusaknya.
No. Pin Definisi No. Pin Definisi 1 MIC2_L 6 Sense F_ 2 GND 7 FAUDIO_JD 3 MIC2_R 8 Tidak Ada Pin 4 NC 9 LINE2_L 5 LINE2_R 10 Sense
Beberapa sasis menyediakan modul audio panel depan yang memiliki konektor terpisah di setiap kabel, bukan steker tunggal. Untuk informasi tentang menghubungkan modul audio panel depan yang memiliki tugas kabel berbeda, hubungi produsen sasis. - F_U32C (Header USB Type-C® dengan Dukungan USB 3.2 Gen 1)
Header ini sesuai dengan spesifikasi USB 3.2 Gen 1 dan dapat menyediakan satu port USB.
No. Pin Definisi No. Pin Definisi No. Pin Definisi 1 VBUS 8 CC1 15 RX2+ 2 TX1+ 9 SBU1 16 RX2- 3 TX1- 10 SBU2 17 GND 4 GND 11 VBUS 18 D- 5 RX1+ 12 TX2+ 19 D+ 6 RX1- 13 TX2- 20 CC2 7 VBUS 14 GND - F_U32 (Header USB 3.2 Gen 1)
Header sesuai dengan spesifikasi USB 3.2 Gen 1 dan USB 2.0 dan dapat menyediakan dua port USB. Untuk membeli panel depan 3,5" opsional yang menyediakan dua port USB 3.2 Gen 1, hubungi dealer lokal.
No. Pin Definisi No. Pin Definisi No. Pin Definisi 1 VBUS 8 D1- 15 SSTX2- 2 SSRX1- 9 D1+ 16 GND 3 SSRX1+ 10 NC 17 SSRX2+ 4 GND 11 D2+ 18 SSRX2- 5 SSTX1- 12 D2- 19 VBUS 6 SSTX1+ 13 GND 20 Tidak Ada Pin 7 GND 14 SSTX2+ - F_USB1/F_USB2 (Header USB 2.0/1.1)
Header sesuai dengan spesifikasi USB 2.0/1.1. Setiap header USB dapat menyediakan dua port USB melalui braket USB opsional. Untuk membeli braket USB opsional, hubungi dealer lokal.
No. Pin Definisi No. Pin Definisi 1 Daya (5V) 6 USB DY+ 2 Daya (5V) 7 GND 3 USB DX- 8 GND 4 USB DY- 9 Tidak Ada Pin 5 USB DX+ 10 NC - Jangan colokkan kabel braket IEEE 1394 (2x5-pin) ke header USB 2.0/1.1.
- Sebelum memasang braket USB, pastikan untuk mematikan komputer Anda dan mencabut kabel daya dari stopkontak untuk mencegah kerusakan pada braket USB.
- TPM (Header Trusted Platform Module)
Anda dapat menghubungkan TPM (Trusted Platform Module) ke header ini.
No. Pin Definisi No. Pin Definisi 1 LAD0 7 LAD3 2 VCC3 8 GND _ F 3 LAD1 9 LFRAME 4 Tidak Ada Pin 10 NC 5 LAD2 11 SERIRQ 6 LCLK 12 LRESET - COM (Header Port Serial)
Header COM dapat menyediakan satu port serial melalui kabel port COM opsional. Untuk membeli kabel port COM opsional, hubungi dealer lokal.
No. Pin Definisi No. Pin Definisi 1 NDCD- 6 NDSR- 2 NSIN 7 NRTS- 3 NSOUT 8 NCTS- 4 NDTR- 9 NRI- 5 GND 10 _3 Tidak Ada Pin U - CLR_CMOS (Jumper Clear CMOS)
Gunakan jumper ini untuk menghapus konfigurasi BIOS dan mengatur ulang nilai CMOS ke default pabrik. Untuk menghapus nilai CMOS, gunakan benda logam seperti obeng untuk menyentuh kedua pin selama beberapa detik.![Buka: Normal]()
Buka: Normal ![Singkat: Hapus Nilai CMOS]()
Singkat: Hapus Nilai CMOS - Selalu matikan komputer Anda sebelum menghapus nilai CMOS.
- Setelah sistem dimulai ulang, masuk ke BIOS Setup untuk memuat pengaturan default pabrik (pilih Load Optimized Defaults (Muat Pengaturan Default yang Dioptimalkan)) atau konfigurasikan pengaturan BIOS secara manual (lihat Bab "BIOS Setup," untuk konfigurasi BIOS).
- BAT (Baterai)
Baterai menyediakan daya untuk menyimpan nilai (seperti konfigurasi BIOS, informasi tanggal, dan waktu) di CMOS saat komputer dimatikan. Ganti baterai saat tegangan baterai turun ke level rendah, atau nilai CMOS mungkin tidak akurat atau mungkin hilang.
![]()
Anda dapat menghapus nilai CMOS dengan melepas baterai:- Matikan komputer Anda dan cabut kabel daya.
- Lepaskan baterai secara perlahan dari dudukan baterai dan tunggu selama satu menit. (Atau gunakan benda logam seperti obeng untuk menyentuh terminal positif dan negatif dudukan baterai, sehingga terhubung singkat selama 5 detik.)
- Ganti baterai.
- Colokkan kabel daya dan mulai ulang komputer Anda.
- Selalu matikan komputer Anda dan cabut kabel daya sebelum mengganti baterai.
- Ganti baterai dengan yang setara. Kerusakan pada perangkat Anda dapat terjadi jika baterai diganti dengan model yang salah.
- Hubungi tempat pembelian atau dealer setempat jika Anda tidak dapat mengganti baterai sendiri atau tidak yakin tentang model baterai.
- Saat memasang baterai, perhatikan orientasi sisi positif (+) dan sisi negatif (-) baterai (sisi positif harus menghadap ke atas).
- Baterai bekas harus ditangani sesuai dengan peraturan lingkungan setempat.
Pengaturan BIOS
BIOS (Basic Input and Output System) mencatat parameter perangkat keras sistem di CMOS pada motherboard. Fungsi utamanya meliputi melakukan Power-On Self-Test (POST) selama sistem dinyalakan, menyimpan parameter sistem dan memuat sistem operasi, dll. BIOS menyertakan program Pengaturan BIOS yang memungkinkan pengguna untuk mengubah pengaturan konfigurasi sistem dasar atau mengaktifkan fitur sistem tertentu.
Saat daya dimatikan, baterai pada motherboard memasok daya yang diperlukan ke CMOS untuk menyimpan nilai konfigurasi di CMOS.
Untuk mengakses program Pengaturan BIOS, tekan tombol <Delete> selama POST saat daya dinyalakan.
Untuk memutakhirkan BIOS, gunakan utilitas GIGABYTE Q-Flash atau @BIOS.
- Q-Flash memungkinkan pengguna untuk dengan cepat dan mudah memutakhirkan atau mencadangkan BIOS tanpa memasuki sistem operasi.
- @BIOS adalah utilitas berbasis Windows yang mencari dan mengunduh versi BIOS terbaru dari Internet dan memperbarui BIOS.
- Karena mem-flash BIOS berpotensi berisiko, jika Anda tidak mengalami masalah saat menggunakan versi BIOS saat ini, disarankan agar Anda tidak mem-flash BIOS. Untuk mem-flash BIOS, lakukan dengan hati-hati. Mem-flash BIOS yang tidak memadai dapat mengakibatkan kerusakan sistem.
- Disarankan agar Anda tidak mengubah pengaturan default (kecuali jika Anda perlu melakukannya) untuk mencegah ketidakstabilan sistem atau hasil tak terduga lainnya. Mengubah pengaturan yang tidak memadai dapat mengakibatkan kegagalan sistem untuk melakukan boot. Jika ini terjadi, coba hapus nilai CMOS dan atur ulang papan ke nilai default. (Lihat bagian "Muat Default yang Dioptimalkan" di bab ini atau pengantar jumper baterai/hapus CMOS di Instalasi Perangkat Keras Bab untuk cara menghapus nilai CMOS.)
Layar Startup
Layar Logo startup berikut akan muncul saat komputer melakukan boot.

Ada dua mode BIOS yang berbeda sebagai berikut dan Anda dapat menggunakan tombol <F2> untuk beralih di antara kedua mode tersebut. Mode Mudah memungkinkan pengguna untuk dengan cepat melihat informasi sistem mereka saat ini atau untuk melakukan penyesuaian untuk kinerja optimal. Dalam Mode Mudah, Anda dapat menggunakan mouse untuk bergerak melalui item konfigurasi. Mode Lanjutan menyediakan pengaturan BIOS terperinci. Anda dapat menekan tombol panah pada keyboard untuk bergerak di antara item dan tekan <Enter> untuk menerima atau memasuki sub-menu. Atau Anda dapat menggunakan mouse untuk memilih item yang Anda inginkan.

- Ketika sistem tidak stabil seperti biasa, pilih item Muat Default yang Dioptimalkan untuk mengatur sistem Anda ke defaultnya.
- Menu Pengaturan BIOS yang dijelaskan dalam bab ini hanya untuk referensi dan mungkin berbeda menurut versi BIOS.
Menu Utama

Tombol Fungsi Mode Lanjutan
< >< > | Pindahkan bilah pilihan untuk memilih menu pengaturan |
< >< > | Pindahkan bilah pilihan untuk memilih item konfigurasi pada menu |
| <Enter>/Klik Ganda | Jalankan perintah atau masuk ke menu |
| <+>/<Page Up> | Tingkatkan nilai numerik atau buat perubahan |
| <->/<Page Down> | Kurangi nilai numerik atau buat perubahan |
| <F1> | Tampilkan deskripsi tombol fungsi |
| <F2> | Beralih ke Mode Mudah |
| <F3> | Simpan pengaturan BIOS saat ini ke profil |
| <F4> | Muat pengaturan BIOS dari profil yang dibuat sebelumnya |
| <F5> | Pulihkan pengaturan BIOS sebelumnya untuk submenu saat ini |
| <F6> | Tampilkan layar Smart Fan 5 |
| <F7> | Muat pengaturan default BIOS yang Dioptimalkan untuk submenu saat ini |
| <F8> | Akses utilitas Q-Flash |
| <F10> | Simpan semua perubahan dan keluar dari program Pengaturan BIOS |
| <F11> | Beralih ke submenu Favorit |
| <F12> | Ambil layar saat ini sebagai gambar dan simpan ke drive USB Anda |
| <Insert> | Tambahkan atau hapus opsi favorit |
| <Ctrl>+<S> | Tampilkan informasi tentang memori yang terpasang |
| <Esc> | Menu Utama: Keluar dari program Pengaturan BIOS Submenu: Keluar dari submenu saat ini |
Favorit (F11)

Atur opsi yang sering Anda gunakan sebagai favorit dan gunakan tombol <F11> untuk dengan cepat beralih ke halaman tempat semua opsi favorit Anda berada. Untuk menambahkan atau menghapus opsi favorit, buka halaman aslinya dan tekan <Insert> pada opsi tersebut. Opsi ditandai dengan tanda bintang jika ditetapkan sebagai "favorit".
Tweaker

Apakah sistem akan bekerja dengan stabil dengan pengaturan overclock/overvoltage yang Anda buat bergantung pada konfigurasi sistem Anda secara keseluruhan. Melakukan overclock/overvoltage secara tidak benar dapat mengakibatkan kerusakan pada CPU, chipset, atau memori dan mengurangi masa pakai komponen-komponen ini. Halaman ini hanya untuk pengguna tingkat lanjut dan kami menyarankan Anda untuk tidak mengubah pengaturan default untuk mencegah ketidakstabilan sistem atau hasil tak terduga lainnya. (Mengubah pengaturan secara tidak tepat dapat mengakibatkan kegagalan sistem untuk melakukan boot. Jika ini terjadi, hapus nilai CMOS dan atur ulang papan ke nilai default.)
CPU Clock Control
Memungkinkan Anda untuk secara manual mengatur clock dasar CPU dalam peningkatan 1 MHz. (Default: Auto)
Sangat disarankan agar frekuensi CPU diatur sesuai dengan spesifikasi CPU.
Spread Spectrum Control
Mengaktifkan atau menonaktifkan CPU/PCIe Spread Spectrum. (Default: Auto)
CPU Ratio Mode (Catatan)
Memungkinkan Anda untuk mengatur rasio inti untuk semua inti CPU atau inti individual. (Default: Semua inti)
CCD0 CCX0/1 Ratio (Catatan)
Memungkinkan Anda untuk secara manual mengatur rasio inti untuk inti CPU CCX0, 1. Item ini dapat dikonfigurasi hanya ketika CPU Ratio Mode diatur ke Per CCX. (Default: Auto)
CPU Clock Ratio
Memungkinkan Anda untuk mengubah rasio clock untuk CPU yang terpasang. Rentang yang dapat disesuaikan bergantung pada CPU yang dipasang.
GFX Clock Frequency (Catatan)
Memungkinkan Anda untuk mengubah frekuensi untuk GPU. Setelah Anda mengubah pengaturan GFX Clock Frequency, pastikan untuk menyesuaikan pengaturan GFX Core Voltage. (Default: Auto)
Catatan: Rentang yang dapat disesuaikan bergantung pada CPU yang dipasang. Auto memungkinkan BIOS secara otomatis mengonfigurasi pengaturan ini.
GFX Core Voltage (Catatan)
Memungkinkan Anda untuk mengubah voltase untuk GPU. (Default: Auto)
Catatan: Rentang yang dapat disesuaikan bergantung pada CPU yang dipasang. Auto memungkinkan BIOS secara otomatis mengonfigurasi pengaturan ini.
Pengaturan CPU Lanjutan
& Core Performance Boost (Catatan)
Memungkinkan Anda untuk menentukan apakah akan mengaktifkan teknologi Core Performance Boost (CPB), sebuah teknologi peningkatan kinerja CPU. (Default: Auto)
(Catatan) Item ini hanya ada ketika Anda memasang CPU yang mendukung fitur ini.
SVM Mode
Virtualisasi yang ditingkatkan oleh Teknologi Virtualisasi akan memungkinkan sebuah platform untuk menjalankan beberapa sistem operasi dan aplikasi di partisi independen. Dengan virtualisasi, satu sistem komputer dapat berfungsi sebagai beberapa sistem virtual. (Default: Dinonaktifkan)
AMD Cool&Quiet function
Diaktifkan | Memungkinkan driver AMD Cool'n'Quiet secara dinamis menyesuaikan clock CPU dan VID untuk mengurangi keluaran panas dari komputer Anda dan konsumsi dayanya. (Default) |
Dinonaktifkan | Menonaktifkan fungsi ini. |
PPC Adjustment (Catatan 1)
Memungkinkan Anda untuk memperbaiki PState CPU. (Default: PState 0)
Global C-state Control (Catatan 1)
Memungkinkan Anda untuk menentukan apakah akan membiarkan CPU memasuki C states. Ketika diaktifkan, frekuensi inti CPU akan dikurangi selama kondisi sistem berhenti untuk mengurangi konsumsi daya. (Default: Auto)
Power Supply Idle Control (Catatan 1)
Mengaktifkan atau menonaktifkan Package C6 State.
Typical Current Idle | Menonaktifkan fungsi ini. |
Low Current Idle | Mengaktifkan fungsi ini. |
Auto | Memungkinkan BIOS secara otomatis mengonfigurasi pengaturan ini. (Default) |
CCD Control (Catatan 1)
Mengatur jumlah CCD yang akan digunakan. (Default: Auto)
Downcore Control
Memungkinkan Anda untuk memilih jumlah inti CPU yang akan diaktifkan (jumlah inti CPU dapat bervariasi menurut CPU). (Default: Auto)
SMT Mode
Memungkinkan Anda untuk mengaktifkan atau menonaktifkan teknologi Multi-Threading Simultan CPU. (Default: Auto)
CPPC (Catatan 1)
Mengaktifkan atau menonaktifkan fitur CPPC. (Default: Auto)
CPPC Preferred Cores (Catatan 1)
Mengaktifkan atau menonaktifkan fitur CPPC Preferred Cores. (Default: Auto)
Extreme Memory Profile (X.M.P.) (Catatan 2)
Memungkinkan BIOS untuk membaca data SPD pada modul memori XMP untuk meningkatkan kinerja memori ketika diaktifkan.
Disabled | Menonaktifkan fungsi ini. (Default) |
Profile1 | Menggunakan pengaturan Profile 1. |
Profile2 (Catatan 2) | Menggunakan pengaturan Profile 2. |
XMP High Frequency Support (Catatan 2)
Memungkinkan Anda untuk memilih tingkat kompatibilitas untuk memori frekuensi tinggi. Item ini dapat dikonfigurasi hanya ketika Extreme Memory Profile (X.M.P.) diatur ke Profile1 atau Profile2. (Default: Auto)
System Memory Multiplier
Memungkinkan Anda untuk mengatur pengali memori sistem. Auto mengatur pengali memori sesuai dengan data SPD memori. (Default: Auto)
(Catatan 1) Item ini hanya ada ketika Anda memasang CPU yang mendukung fitur ini.
(Catatan 2) Item ini hanya ada ketika Anda memasang CPU dan modul memori yang mendukung fitur ini.
- Pengaturan Memori Lanjutan
- Subtiming Memori
Standard Timing Control, Advanced Timing Control, CAD Bus Setup Timing, CAD Bus
Drive Strength, Data Bus Configuration
Bagian ini menyediakan pengaturan waktu memori. Catatan: Sistem Anda mungkin menjadi tidak stabil atau gagal untuk melakukan boot setelah Anda membuat perubahan pada pengaturan waktu memori. Jika ini terjadi, harap atur ulang papan ke nilai default dengan memuat default yang dioptimalkan atau menghapus nilai CMOS. - Info SPD
Menampilkan informasi pada memori yang terpasang.
CPU Vcore/Dynamic Vcore(DVID)/VCORE SOC/Dynamic VCORE SOC(DVID)/CPU VDD18/CPU VDDP/A_VDD18S5/DRAM Voltage (CH A/B)/DDRVPP Voltage (CH A/B)/ DRAM Termination (CH A/B)
Item ini memungkinkan Anda untuk menyesuaikan voltase CPU Vcore dan memori.
- Pengaturan CPU/VRM
Submenu ini memungkinkan Anda untuk mengonfigurasi tingkat Kalibrasi Load-Line, tingkat perlindungan over-voltage, tingkat perlindungan over-current, dan fase PWM.
Pengaturan

- Platform Power
AC BACK
Menentukan status sistem setelah daya kembali dari kehilangan daya AC.
MemorySistem kembali ke status aktif terakhir yang diketahui setelah daya AC kembali.
Always OnSistem dihidupkan setelah daya AC kembali.
Always OffSistem tetap mati setelah daya AC kembali. (Default)
ErP
Menentukan apakah akan membiarkan sistem mengonsumsi daya paling sedikit dalam status S5 (shutdown). (Default: Dinonaktifkan) Catatan: Jika item ini diatur ke Aktif, fungsi Lanjutkan dengan Alarm menjadi tidak tersedia.
Soft-Off by PWR-BTTN
Mengonfigurasi cara mematikan komputer dalam mode MS-DOS menggunakan tombol daya.
Instant-Off | Tekan tombol daya dan sistem akan mati secara instan. (Default) |
Delay 4 Sec. | Tekan dan tahan tombol daya selama 4 detik untuk mematikan sistem. Jika tombol daya ditekan kurang dari 4 detik, sistem akan masuk ke mode tidur. |
Power Loading
Mengaktifkan atau menonaktifkan dummy load. Ketika catu daya berada pada beban rendah, perlindungan diri akan aktif yang menyebabkannya mati atau gagal. Jika ini terjadi, harap atur ke Enabled. Auto memungkinkan BIOS secara otomatis mengonfigurasi pengaturan ini. (Default: Auto)
Resume by Alarm
Menentukan apakah akan menghidupkan sistem pada waktu yang diinginkan. (Default: Dinonaktifkan)
Jika diaktifkan, atur tanggal dan waktu sebagai berikut:
Bangun hari: Hidupkan sistem pada waktu tertentu setiap hari atau pada hari tertentu dalam sebulan.
Bangun jam/menit/detik: Atur waktu sistem akan dihidupkan secara otomatis.
Catatan: Saat menggunakan fungsi ini, hindari pematian yang tidak memadai dari sistem operasi atau pelepasan daya AC, atau pengaturan mungkin tidak efektif.
Wake on LAN
Mengaktifkan atau menonaktifkan fungsi bangun di LAN. (Default: Diaktifkan)
High Precision Event Timer
Mengaktifkan atau menonaktifkan High Precision Event Timer (HPET) dalam sistem operasi. (Default: Diaktifkan)
CEC 2019 Ready
Memungkinkan Anda untuk memilih apakah akan mengizinkan sistem untuk menyesuaikan konsumsi daya saat berada dalam keadaan shutdown, idle, atau standby untuk mematuhi Standar CEC (California Energy Commission) 2019. (Default: Dinonaktifkan)
- IO Ports
Initial Display Output
Menentukan inisiasi pertama tampilan monitor dari kartu grafis PCI Express yang terpasang atau grafis onboard.
IGD Video (Note)Mengatur grafis onboard sebagai tampilan pertama.
PCIe 1 SlotMengatur kartu grafis pada slot PCIEX16 sebagai tampilan pertama. (Default)
PCIe 2 SlotMengatur kartu grafis pada slot PCIEX2 sebagai tampilan pertama.
Integrated Graphics (Note)
Mengaktifkan atau menonaktifkan fungsi grafis onboard.
Auto | BIOS akan secara otomatis mengaktifkan atau menonaktifkan grafis onboard tergantung pada kartu grafis yang dipasang. (Default) |
Forces | Mengaktifkan grafis onboard. |
Disabled | Menonaktifkan grafis onboard. |
UMA Mode (Note)
Menentukan mode UMA.
Auto | Membiarkan BIOS secara otomatis mengonfigurasi pengaturan ini. (Default) |
UMA Specified | Mengatur Ukuran Buffer Bingkai UMA. |
UMA Auto | Mengatur resolusi tampilan. |
UMA Game Optimized | Menyesuaikan ukuran buffer bingkai berdasarkan ukuran memori sistem total. |
Item ini hanya dapat dikonfigurasi jika Integrated Graphics diatur ke Forces.
Ukuran Buffer Bingkai UMA (Catatan)
Ukuran buffer bingkai adalah jumlah total memori sistem yang dialokasikan hanya untuk pengontrol grafis terpasang. MS-DOS, misalnya, hanya akan menggunakan memori ini untuk tampilan. Pilihannya adalah: Auto (default), 64M~2G. Item ini hanya dapat dikonfigurasi jika UMA Mode diatur ke UMA Specified.
Resolusi Tampilan (Catatan)
Memungkinkan Anda untuk mengatur resolusi tampilan. Pilihannya adalah: Auto (default), 1920x1080 dan di bawahnya, 2560x1600, 3840x2160.
Item ini hanya dapat dikonfigurasi jika UMA Mode diatur ke UMA Auto.
HD Audio Controller
Mengaktifkan atau menonaktifkan fungsi audio terpasang. (Default: Diaktifkan)
Jika Anda ingin menginstal kartu audio tambahan pihak ke-3 alih-alih menggunakan audio terpasang, atur item ini ke Disabled.
PCIEX16 Bifurcation
Memungkinkan Anda menentukan bagaimana bandwidth slot PCIEX16 dibagi. Pilihan: Auto, PCIE 2x8, PCIE 1x8/2x4, PCIE 2x4/1x8, PCIE 4x4 (Catatan). (Default: Auto)
Above 4G Decoding
Mengaktifkan atau menonaktifkan perangkat berkemampuan 64-bit untuk didekode di atas ruang alamat 4 GB (hanya jika sistem Anda mendukung dekode PCI 64-bit). Atur ke Enabled jika lebih dari satu kartu grafis tingkat lanjut diinstal dan drivernya tidak dapat diluncurkan saat memasuki sistem operasi (karena ruang alamat memori 4 GB yang terbatas). (Default: Dinonaktifkan)
Re-Size BAR Support
Mengaktifkan atau menonaktifkan dukungan untuk Resizable BAR. (Default: Dinonaktifkan)
Onboard LAN Controller
Mengaktifkan atau menonaktifkan fungsi LAN terpasang. (Default: Diaktifkan)
Jika Anda ingin menginstal kartu jaringan tambahan pihak ke-3 alih-alih menggunakan LAN terpasang, atur item ini ke Disabled.
(Catatan) Item ini hanya ada jika Anda menginstal CPU yang mendukung fitur ini.
- Super IO Configuration
Serial Port
Mengaktifkan atau menonaktifkan port serial terpasang. (Default: Diaktifkan) - USB Configuration & Legacy USB Support
Memungkinkan keyboard/mouse USB digunakan di MS-DOS. (Default: Diaktifkan)
XHCI Hand-off
Menentukan apakah akan mengaktifkan fitur XHCI Hand-off untuk sistem operasi tanpa dukungan XHCI Hand-off. (Default: Diaktifkan)
USB Mass Storage Driver Support
Mengaktifkan atau menonaktifkan dukungan untuk perangkat penyimpanan USB. (Default: Diaktifkan)
Port 60/64 Emulation
Mengaktifkan atau menonaktifkan emulasi port I/O 64h dan 60h. Ini harus diaktifkan untuk dukungan lawas penuh untuk keyboard/mouse USB di MS-DOS atau di sistem operasi yang tidak mendukung perangkat USB secara asli. (Default: Dinonaktifkan)
Mass Storage Devices
Menampilkan daftar perangkat penyimpanan massal USB yang terhubung. Item ini hanya muncul saat perangkat penyimpanan USB diinstal. - NVMe Configuration
Menampilkan informasi pada M.2 NVME PCIe SSD Anda jika diinstal. - SATA Configuration
SATA Mode
Mengaktifkan atau menonaktifkan RAID untuk pengontrol SATA yang terintegrasi dalam Chipset atau mengonfigurasi pengontrol SATA ke mode AHCI.
RAIDMengaktifkan RAID untuk pengontrol SATA.
AHCIMengonfigurasi pengontrol SATA ke mode AHCI. Advanced Host Controller Interface (AHCI) adalah spesifikasi antarmuka yang memungkinkan driver penyimpanan untuk mengaktifkan fitur Serial ATA tingkat lanjut seperti Native Command Queuing dan hot plug. (Default)
NVMe RAID mode
Memungkinkan Anda menentukan apakah akan menggunakan M.2 NVMe PCIe SSD Anda untuk mengonfigurasi RAID. (Default: Dinonaktifkan)
Chipset SATA Port Enable
Mengaktifkan atau menonaktifkan pengontrol SATA terintegrasi. (Default: Diaktifkan)
Chipset SATA Port 0/1/2/3
Menampilkan informasi perangkat SATA yang terhubung.
- Network Stack Configuration
Network Stack
Menonaktifkan atau mengaktifkan booting dari jaringan untuk menginstal OS format GPT, seperti menginstal OS dari server Windows Deployment Services. (Default: Dinonaktifkan)
IPv4 PXE Support
Mengaktifkan atau menonaktifkan Dukungan IPv4 PXE. Item ini hanya dapat dikonfigurasi jika Network Stack diaktifkan.
IPv4 HTTP Support
Mengaktifkan atau menonaktifkan dukungan boot HTTP untuk IPv4. Item ini hanya dapat dikonfigurasi jika Network Stack diaktifkan.
IPv6 PXE Support
Mengaktifkan atau menonaktifkan Dukungan IPv6 PXE. Item ini hanya dapat dikonfigurasi jika Network Stack diaktifkan.
IPv6 HTTP Support
Mengaktifkan atau menonaktifkan dukungan boot HTTP untuk IPv6. Item ini hanya dapat dikonfigurasi jika Network Stack diaktifkan.
PXE boot wait time
Memungkinkan Anda mengonfigurasi berapa lama menunggu sebelum Anda dapat menekan <Esc> untuk membatalkan boot PXE. Item ini hanya dapat dikonfigurasi jika Network Stack diaktifkan. (Default: 0)
Media detect count
Memungkinkan Anda untuk mengatur jumlah waktu untuk memeriksa keberadaan media. Item ini hanya dapat dikonfigurasi jika Network Stack diaktifkan. (Default: 1) - Realtek PCIe Family Controller
Sub-menu ini memberikan informasi tentang konfigurasi LAN dan opsi konfigurasi terkait. - Miscellaneous
LEDs in System Power On State
Memungkinkan Anda untuk mengaktifkan atau menonaktifkan lampu LED motherboard saat sistem menyala.
OffMenonaktifkan mode pencahayaan yang dipilih saat sistem menyala.
OnMengaktifkan mode pencahayaan yang dipilih saat sistem menyala. (Default)
LEDs in Sleep, Hibernation, and Soft Off States
Memungkinkan Anda untuk mengatur mode pencahayaan LED motherboard dalam keadaan sistem S3/S4/S5. Item ini dapat dikonfigurasi ketika LEDs in System Power On State diatur ke On.
OffMenonaktifkan mode pencahayaan yang dipilih saat sistem memasuki keadaan S3/S4/S5. (Default)
OnMengaktifkan mode pencahayaan yang dipilih saat sistem memasuki keadaan S3/S4/S5.
PCIe Slot Configuration
Memungkinkan Anda untuk mengatur mode operasi slot PCI Express ke Gen 1, Gen 2, Gen 3, atau Gen 4 (Catatan). Mode operasi aktual tunduk pada spesifikasi perangkat keras setiap slot. Auto membiarkan BIOS secara otomatis mengonfigurasi pengaturan ini. (Default: Auto)
PCIe ASPM Mode
Memungkinkan Anda mengonfigurasi mode ASPM untuk perangkat yang terhubung ke bus PCI Express CPU. (Default: Dinonaktifkan)
3DMark01 Enhancement
Memungkinkan Anda untuk menentukan apakah akan meningkatkan beberapa kinerja benchmark lawas. (Default: Dinonaktifkan)
IOMMU
Mengaktifkan atau menonaktifkan dukungan AMD IOMMU. (Default: Auto)
AMD CPU fTPM
Mengaktifkan atau menonaktifkan fungsi TPM 2.0 yang terintegrasi dalam AMD CPU. (Default: Dinonaktifkan) - Trusted Computing
Mengaktifkan atau menonaktifkan Trusted Platform Module (TPM). - AMD CBS
Sub-menu ini memberikan opsi konfigurasi terkait AMD CBS. - PC Health
Reset Case Open Status
DisabledMenyimpan atau menghapus catatan status intrusi sasis sebelumnya. (Default)
EnabledMenghapus catatan status intrusi sasis sebelumnya dan bidang Buka Casing akan menampilkan "No" saat boot berikutnya. (Catatan) Item ini hanya ada ketika Anda memasang CPU yang mendukung fitur ini.
Case Open
Menampilkan status deteksi perangkat deteksi gangguan sasis yang terpasang ke header CI motherboard. Jika penutup sasis sistem dilepas, bidang ini akan menampilkan "Yes" (Ya), jika tidak, akan menampilkan "No" (Tidak). Untuk menghapus catatan status gangguan sasis, atur Reset Case Open Status ke Enabled (Diaktifkan), simpan pengaturan ke CMOS, lalu mulai ulang sistem Anda.
CPU Vcore/CPU VDDP/DRAM Channel A/B Voltage/+3.3V/+5V/CHIPSET Core/+12V/ VCORE SOC
Menampilkan voltase sistem saat ini. - Smart Fan 5
Monitor
Memungkinkan Anda memilih target untuk dipantau dan melakukan penyesuaian lebih lanjut. (Default: CPU FAN)
Fan Speed Control
Memungkinkan Anda menentukan apakah akan mengaktifkan fungsi kontrol kecepatan kipas dan menyesuaikan kecepatan kipas.
NormalMemungkinkan kipas berjalan pada kecepatan yang berbeda sesuai dengan suhu. Anda dapat menyesuaikan kecepatan kipas dengan System Information Viewer berdasarkan kebutuhan sistem Anda. (Default)
SilentMemungkinkan kipas berjalan pada kecepatan rendah.
ManualMemungkinkan Anda mengontrol kecepatan kipas dalam grafik kurva.
Full SpeedMemungkinkan kipas berjalan pada kecepatan penuh.
Fan Control Use Temperature Input
Memungkinkan Anda memilih suhu referensi untuk kontrol kecepatan kipas.
Temperature Interval
Memungkinkan Anda memilih interval suhu untuk perubahan kecepatan kipas.
Fan Control Mode
AutoMembiarkan BIOS secara otomatis mendeteksi jenis kipas yang terpasang dan mengatur mode kontrol yang optimal. (Default)
VoltageMode Voltage direkomendasikan untuk kipas 3-pin.
PWMMode PWM direkomendasikan untuk kipas 4-pin.
Fan Stop
Mengaktifkan atau menonaktifkan fungsi penghentian kipas. Anda dapat mengatur batas suhu menggunakan kurva suhu. Kipas berhenti beroperasi ketika suhu lebih rendah dari batas. (Default: Disabled)
Temperature
Menampilkan suhu area target yang dipilih saat ini.
Fan Speed
Menampilkan kecepatan kipas saat ini.
Flow Rate
Menampilkan laju aliran sistem pendingin air Anda.
Temperature Warning Control
Mengatur ambang peringatan untuk suhu. Ketika suhu melebihi ambang batas, BIOS akan mengeluarkan suara peringatan. Pilihannya adalah: Disabled (dinonaktifkan) (default), 60oC/140oF, 70oC/158oF, 80oC/176oF, 90oC/194oF.
Fan Fail Warning
Memungkinkan sistem mengeluarkan suara peringatan jika kipas tidak terhubung atau gagal. Periksa kondisi kipas atau koneksi kipas saat ini terjadi. (Default: Disabled)
Info Sistem

Bagian ini menyediakan informasi tentang model motherboard dan versi BIOS Anda. Anda juga dapat memilih bahasa default yang digunakan oleh BIOS dan mengatur waktu sistem secara manual.
Bahasa Sistem
Memilih bahasa default yang digunakan oleh BIOS.
Tanggal Sistem
Mengatur tanggal sistem. Format tanggal adalah minggu (hanya baca), bulan, tanggal, dan tahun. Gunakan <Enter> untuk beralih antara kolom Bulan, Tanggal, dan Tahun dan gunakan tombol <Page Up> atau <Page Down> untuk mengatur nilai yang diinginkan.
Waktu Sistem
Mengatur waktu sistem. Format waktu adalah jam, menit, dan detik. Misalnya, pukul 1 siang adalah 13:00:00. Gunakan <Enter> untuk beralih antara kolom Jam, Menit, dan Detik dan gunakan tombol <Page Up> atau <Page Down> untuk mengatur nilai yang diinginkan.
Tingkat Akses
Menampilkan tingkat akses saat ini tergantung pada jenis perlindungan kata sandi yang digunakan. (Jika tidak ada kata sandi yang disetel, default akan ditampilkan sebagai Administrator.) Tingkat Administrator memungkinkan Anda membuat perubahan pada semua pengaturan BIOS; tingkat Pengguna hanya memungkinkan Anda membuat perubahan pada pengaturan BIOS tertentu tetapi tidak semuanya.
- Info Perangkat yang Dicolokkan
Menampilkan informasi tentang perangkat SATA, PCI Express, dan M.2 Anda jika terpasang. - Q-Flash
Memungkinkan Anda mengakses utilitas Q-Flash untuk memperbarui BIOS atau mencadangkan konfigurasi BIOS saat ini.
Boot

Prioritas Opsi Boot
Menentukan urutan boot keseluruhan dari perangkat yang tersedia. Perangkat penyimpanan yang dapat dilepas yang mendukung format GPT akan diawali dengan string "UEFI:" pada daftar perangkat boot. Untuk melakukan boot dari sistem operasi yang mendukung partisi GPT, pilih perangkat yang diawali dengan string "UEFI:".
Atau jika Anda ingin menginstal sistem operasi yang mendukung partisi GPT seperti Windows 10 64-bit, pilih drive optik yang berisi disk instalasi Windows 10 64-bit dan diawali dengan string "UEFI:".
Status NumLock saat Boot
Mengaktifkan atau menonaktifkan fitur Numlock pada keypad numerik keyboard setelah POST. (Default: Aktif)
Opsi Keamanan
Menentukan apakah kata sandi diperlukan setiap kali sistem melakukan boot, atau hanya saat Anda memasuki Pengaturan BIOS. Setelah mengonfigurasi item ini, atur kata sandi di bawah item Kata Sandi Administrator/Kata Sandi Pengguna.
Setup | Kata sandi hanya diperlukan untuk memasuki program Pengaturan BIOS. |
Sistem | Kata sandi diperlukan untuk mem-boot sistem dan untuk memasuki program Pengaturan BIOS. (Default) |
Tampilan LOGO Layar Penuh
Memungkinkan Anda menentukan apakah akan menampilkan Logo GIGABYTE saat sistem dimulai. Dinonaktifkan melewati Logo GIGABYTE saat sistem dimulai. (Default: Diaktifkan)
Boot Cepat
Mengaktifkan atau menonaktifkan Boot Cepat untuk mempersingkat proses boot OS. Ultra Cepat memberikan kecepatan boot tercepat. (Default: Dinonaktifkan)
Dukungan SATA
Hanya Perangkat SATA Boot Terakhir | Kecuali untuk drive boot sebelumnya, semua perangkat SATA dinonaktifkan sebelum proses boot OS selesai. (Default) |
Semua Perangkat SATA | Semua perangkat SATA berfungsi di sistem operasi dan selama POST. |
Item ini hanya dapat dikonfigurasi ketika Boot Cepat diatur ke Diaktifkan atau Ultra Cepat.
Dukungan NVMe
Memungkinkan Anda untuk mengaktifkan atau menonaktifkan perangkat NVMe. (Default: Diaktifkan)
Item ini hanya dapat dikonfigurasi ketika Boot Cepat diatur ke Diaktifkan atau Ultra Cepat.
Dukungan VGA
Memungkinkan Anda memilih jenis sistem operasi mana yang akan di-boot.
Otomatis | Hanya mengaktifkan ROM opsi warisan. |
Driver EFI | Mengaktifkan ROM opsi EFI. (Default) |
Item ini hanya dapat dikonfigurasi ketika Boot Cepat diatur ke Diaktifkan atau Ultra Cepat.
Dukungan USB
Dinonaktifkan | Semua perangkat USB dinonaktifkan sebelum proses boot OS selesai. |
Inisialisasi Penuh | Semua perangkat USB berfungsi di sistem operasi dan selama POST. (Default) |
Inisialisasi Sebagian | Sebagian perangkat USB dinonaktifkan sebelum proses boot OS selesai. |
Item ini hanya dapat dikonfigurasi ketika Boot Cepat diatur ke Diaktifkan. Fungsi ini dinonaktifkan ketika Boot Cepat diatur ke Ultra Cepat.
Dukungan Driver Tumpukan Jaringan
Dinonaktifkan | Menonaktifkan booting dari jaringan. (Default) |
Diaktifkan | Mengaktifkan booting dari jaringan. |
Item ini hanya dapat dikonfigurasi ketika Boot Cepat diatur ke Diaktifkan atau Ultra Cepat.
Dukungan CSM
Mengaktifkan atau menonaktifkan UEFI CSM (Compatibility Support Module) untuk mendukung proses boot PC warisan.
Dinonaktifkan | Menonaktifkan UEFI CSM dan hanya mendukung proses boot UEFI BIOS. |
Diaktifkan | Mengaktifkan UEFI CSM. (Default) |
LAN PXE Boot Option ROM
Memungkinkan Anda untuk memilih apakah akan mengaktifkan ROM opsi warisan untuk pengontrol LAN. (Default: Dinonaktifkan) Item ini hanya dapat dikonfigurasi ketika Dukungan CSM diatur ke Diaktifkan.
Kontrol Opsi Boot Penyimpanan
Memungkinkan Anda untuk memilih apakah akan mengaktifkan UEFI atau ROM opsi warisan untuk pengontrol perangkat penyimpanan.
Dinonaktifkan | Menonaktifkan ROM opsi. |
Hanya UEFI | Hanya mengaktifkan ROM opsi UEFI. (Default) |
Hanya Warisan | Hanya mengaktifkan ROM opsi warisan. |
Item ini hanya dapat dikonfigurasi ketika Dukungan CSM diatur ke Diaktifkan.
Prioritas ROM Perangkat PCI Lainnya
Memungkinkan Anda untuk memilih apakah akan mengaktifkan UEFI atau ROM opsi Warisan untuk pengontrol perangkat PCI selain pengontrol LAN, perangkat penyimpanan, dan grafis.
Dinonaktifkan | Menonaktifkan ROM opsi. |
Hanya UEFI | Hanya mengaktifkan ROM opsi UEFI. (Default) |
Hanya Warisan | Hanya mengaktifkan ROM opsi warisan. |
Item ini hanya dapat dikonfigurasi ketika Dukungan CSM diatur ke Diaktifkan.
Kata Sandi Administrator
Memungkinkan Anda untuk mengonfigurasi kata sandi administrator. Tekan <Enter> pada item ini, ketik kata sandi, lalu tekan <Enter>. Anda akan diminta untuk mengonfirmasi kata sandi. Ketik kata sandi lagi dan tekan <Enter>. Anda harus memasukkan kata sandi administrator (atau kata sandi pengguna) saat sistem dimulai dan saat memasuki Pengaturan BIOS. Berbeda dengan kata sandi pengguna, kata sandi administrator memungkinkan Anda membuat perubahan pada semua pengaturan BIOS.
Kata Sandi Pengguna
Memungkinkan Anda untuk mengonfigurasi kata sandi pengguna. Tekan <Enter> pada item ini, ketik kata sandi, lalu tekan <Enter>. Anda akan diminta untuk mengonfirmasi kata sandi. Ketik kata sandi lagi dan tekan <Enter>. Anda harus memasukkan kata sandi administrator (atau kata sandi pengguna) saat sistem dimulai dan saat memasuki Pengaturan BIOS. Namun, kata sandi pengguna hanya memungkinkan Anda membuat perubahan pada pengaturan BIOS tertentu tetapi tidak semuanya.
Untuk membatalkan kata sandi, tekan <Enter> pada item kata sandi dan ketika diminta kata sandi, masukkan kata sandi yang benar terlebih dahulu. Ketika diminta kata sandi baru, tekan <Enter> tanpa memasukkan kata sandi apa pun. Tekan <Enter> lagi ketika diminta untuk mengonfirmasi.
CATATAN: Sebelum mengatur Kata Sandi Pengguna, pastikan untuk mengatur Kata Sandi Administrator terlebih dahulu.
- Boot Aman
Memungkinkan Anda untuk mengaktifkan atau menonaktifkan Boot Aman dan mengonfigurasi pengaturan terkait. Item ini hanya dapat dikonfigurasi ketika Dukungan CSM diatur ke Dinonaktifkan.
Mode Operasi Pilihan
Memungkinkan Anda untuk memilih apakah akan memasuki mode Mudah atau mode Lanjutan setelah memasuki Pengaturan BIOS. Otomatis memasuki mode BIOS di mana terakhir kali. (Default: Otomatis)
Simpan & Keluar

Save & Exit Setup
Tekan <Enter> pada item ini dan pilih Yes (Ya). Ini menyimpan perubahan pada CMOS dan keluar dari program BIOS Setup. Pilih No (Tidak) atau tekan <Esc> untuk kembali ke Menu Utama BIOS Setup.
Exit Without Saving
Tekan <Enter> pada item ini dan pilih Yes (Ya). Ini keluar dari BIOS Setup tanpa menyimpan perubahan yang dibuat di BIOS Setup ke CMOS. Pilih No (Tidak) atau tekan <Esc> untuk kembali ke Menu Utama BIOS Setup.
Load Optimized Defaults
Tekan <Enter> pada item ini dan pilih Yes (Ya) untuk memuat pengaturan default BIOS yang optimal. Pengaturan default BIOS membantu sistem beroperasi dalam keadaan optimal. Selalu muat default Optimal setelah memperbarui BIOS atau setelah menghapus nilai CMOS.
Boot Override
Memungkinkan Anda memilih perangkat untuk segera melakukan boot. Tekan <Enter> pada perangkat yang Anda pilih dan pilih Yes (Ya) untuk mengonfirmasi. Sistem Anda akan restart secara otomatis dan boot dari perangkat itu.
Save Profiles
Fungsi ini memungkinkan Anda menyimpan pengaturan BIOS saat ini ke profil. Anda dapat membuat hingga 8 profil dan menyimpan sebagai Setup Profile 1~ Setup Profile 8. Tekan <Enter> untuk menyelesaikan. Atau Anda dapat memilih Select File in HDD/FDD/USB untuk menyimpan profil ke perangkat penyimpanan Anda.
Load Profiles
Jika sistem Anda menjadi tidak stabil dan Anda telah memuat pengaturan default BIOS, Anda dapat menggunakan fungsi ini untuk memuat pengaturan BIOS dari profil yang dibuat sebelumnya, tanpa kesulitan mengonfigurasi ulang pengaturan BIOS. Pertama pilih profil yang ingin Anda muat dan kemudian tekan <Enter> untuk menyelesaikan. Anda dapat memilih Select File in HDD/FDD/USB untuk memasukkan profil yang sebelumnya dibuat dari perangkat penyimpanan Anda atau memuat profil yang dibuat secara otomatis oleh BIOS, seperti mengembalikan pengaturan BIOS ke pengaturan terakhir yang berfungsi dengan baik (rekaman baik terakhir yang diketahui).
Mengonfigurasi Set RAID
Tingkat RAID
| RAID 0 | RAID 1 | RAID 10 | |
| Jumlah Minimum Hard Drive | ≥2 | 2 | 4 |
| Kapasitas Array | Jumlah hard drive * Ukuran drive terkecil | Ukuran drive terkecil | (Jumlah hard drive/2) * Ukuran drive terkecil |
| Toleransi Kesalahan | Tidak | Ya | Ya |
Sebelum memulai, siapkan item berikut:
- Setidaknya dua hard drive SATA atau SSD. (Catatan) (Untuk memastikan kinerja optimal, disarankan agar Anda menggunakan dua hard drive dengan model dan kapasitas yang identik).
- Disc pengaturan Windows.
- Komputer yang terhubung ke Internet.
- USB thumb drive.
Mengonfigurasi Pengontrol SATA Onboard
- Memasang hard drive SATA di komputer Anda
Pasang hard drive/SSD di konektor SATA/M.2 pada motherboard. Kemudian sambungkan konektor daya dari catu daya Anda ke hard drive. - Mengonfigurasi mode pengontrol SATA di Pengaturan BIOS
Pastikan untuk mengonfigurasi mode pengontrol SATA dengan benar di Pengaturan BIOS sistem.
Langkah-langkah:
Nyalakan komputer Anda dan tekan <Delete> untuk masuk ke Pengaturan BIOS selama POST (Power-On Self-Test). Di bawah Settings\IO Ports, atur SATA Configuration\SATA Mode ke RAID. Kemudian simpan pengaturan dan mulai ulang komputer Anda. (Jika Anda ingin menggunakan SSD PCIe NVMe untuk mengonfigurasi RAID, pastikan untuk mengatur NVMe RAID mode ke Enabled.)
Menu Pengaturan BIOS yang dijelaskan di bagian ini mungkin berbeda dari pengaturan yang tepat untuk motherboard Anda. Opsi menu Pengaturan BIOS yang sebenarnya akan Anda lihat akan bergantung pada motherboard yang Anda miliki dan versi BIOS. - Konfigurasi RAID UEFI
Langkah-langkah:- Di Pengaturan BIOS, buka Boot dan atur CSM Support ke Disabled. Simpan perubahan dan keluar dari Pengaturan BIOS.
- Setelah sistem di-reboot, masuk kembali ke Pengaturan BIOS. Kemudian masuk ke sub-menu Settings\IO Ports\RAIDXpert2 Configuration Utility.
- Pada layar RAIDXpert2 Configuration Utility, tekan <Enter> pada Array Management untuk masuk ke layar Create Array. Kemudian, pilih tingkat RAID. Tingkat RAID yang didukung mencakup RAID 0, RAID 1, dan RAID 10 (pilihan yang tersedia bergantung pada jumlah hard drive yang dipasang). Selanjutnya, tekan <Enter> pada Select Physical Disks untuk masuk ke layar Select Physical Disks.
- Pada layar Select Physical Disks, pilih hard drive yang akan disertakan dalam array RAID dan atur ke Enabled. Selanjutnya, gunakan tombol panah bawah untuk berpindah ke Apply Changes dan tekan <Enter>. Kemudian kembali ke layar sebelumnya dan atur Select CacheTagSize, Read Cache Policy dan Write Cache Policy.
- Pindah ke Create Array dan tekan <Enter> untuk memulai.
- Setelah selesai, Anda akan dibawa kembali ke layar Array Management. Di bawah Manage Array Properties Anda dapat melihat volume RAID baru dan informasi tentang tingkat RAID, nama array, kapasitas array, dll.
(Catatan) SSD PCIe M.2 tidak dapat digunakan untuk menyiapkan set RAID baik dengan SSD SATA M.2 atau hard drive SATA.
Instal driver RAID dan sistem operasi
Dengan pengaturan BIOS yang benar, Anda siap untuk menginstal sistem operasi.
Menginstal Sistem Operasi
Karena beberapa sistem operasi sudah menyertakan driver RAID, Anda tidak perlu menginstal driver RAID terpisah selama proses instalasi Windows. Setelah sistem operasi diinstal, kami sarankan Anda menginstal semua driver yang diperlukan dari GIGABYTE APP Center untuk memastikan kinerja dan kompatibilitas sistem. Jika sistem operasi yang akan diinstal mengharuskan Anda untuk menyediakan driver RAID tambahan selama proses instalasi OS, silakan lihat langkah-langkah di bawah ini:
- Buka situs web GIGABYTE, telusuri ke halaman web model motherboard, unduh file AMD RAID Preinstall Driver di halaman Support\Download\SATA RAID/AHCI, unzip file dan salin file ke USB thumb drive Anda.
- Boot dari disc pengaturan Windows dan lakukan langkah-langkah instalasi OS standar. Saat layar yang meminta Anda untuk memuat driver muncul, pilih Browse (Telusuri).
- Masukkan USB thumb drive dan kemudian telusuri ke lokasi driver. Pilih AMD-RAID Bottom Device terlebih dahulu dan klik Next (Berikutnya) untuk memuat driver. Kemudian pilih AMD-RAID Controller dan klik Next (Berikutnya) untuk memuat driver. Terakhir, lanjutkan instalasi OS.

Silakan kunjungi situs web GIGABYTE untuk detail tentang mengonfigurasi array RAID.
Instalasi Driver
Setelah Anda menginstal sistem operasi, kotak dialog akan muncul di sudut kanan bawah desktop menanyakan apakah Anda ingin mengunduh dan menginstal driver dan aplikasi GIGABYTE melalui APP Center. Klik Install (Instal) untuk melanjutkan instalasi. (Di Pengaturan BIOS, pastikan Settings\IO Ports\APP Center Download & Install Configuration\APP Center Download & Install diatur ke Enabled.)

Ketika kotak dialog Perjanjian Lisensi Pengguna Akhir muncul, tekan <Accept> untuk menginstal APP Center. Pada layar APP Center, pilih driver dan aplikasi yang ingin Anda instal dan klik Install (Instal).

Sebelum instalasi, pastikan sistem terhubung ke Internet.

Silakan kunjungi situs web GIGABYTE untuk informasi perangkat lunak lainnya.

Silakan kunjungi situs web GIGABYTE untuk informasi pemecahan masalah lainnya.

Hubungi Kami
GIGA-BYTE TECHNOLOGY CO., LTD.
Address: No.6, Baoqiang Rd., Xindian Dist., New Taipei City 231
TEL: +886-2-8912-4000, FAX: +886-2-8912-4005
Tech. and Non-Tech. Support (Sales/Marketing): https://esupport.gigabyte.com
WEB address (English): https://www.gigabyte.com
WEB address (Chinese): https://www.gigabyte.com/tw
- GIGABYTE eSupport
Untuk mengirimkan pertanyaan teknis atau non-teknis (Penjualan/Pemasaran), silakan tautkan ke:https://esupport.gigabyte.com
![GIGABYTE - B550M AORUS PRO AX - eSupport eSupport]()

Untuk detail produk lainnya, silakan kunjungi situs web GIGABYTE.

GIGABYTE akan mengurangi penggunaan kertas untuk memenuhi tanggung jawab sebagai warga negara global. Juga, untuk mengurangi dampak pemanasan global, bahan kemasan produk ini dapat didaur ulang dan digunakan kembali. GIGABYTE bekerja sama dengan Anda untuk melindungi lingkungan.
Hak Cipta
© 2022 GIGA-BYTE TECHNOLOGY CO., LTD. Semua hak dilindungi undang-undang.
Merek dagang yang disebutkan dalam manual ini terdaftar secara hukum atas nama pemiliknya masing-masing.

Referensi
Unduh manual
Di sini Anda dapat mengunduh versi pdf lengkap manual, mungkin berisi instruksi keselamatan tambahan, informasi garansi, aturan FCC, dll.
Unduh Panduan Motherboard GIGABYTE B550M AORUS PRO AX































><
>
><
>
Standard Timing Control, Advanced Timing Control, CAD Bus Setup Timing, CAD Bus