Εγχειρίδιο μητρικής πλακέτας GIGABYTE B550 AORUS ELITE AX V2, B550 AORUS ELITE V2
- 1 Αναγνώριση της αναθεώρησης της μητρικής σας πλακέτας
- 2 Εισαγωγή προϊόντος
- 3 Εγκατάσταση υλικού
-
4
Προδιαγραφές προϊόντος
- 4.1 Εγκατάσταση της CPU
- 4.2 Εγκατάσταση της μνήμης
- 4.3 Εγκατάσταση μιας κάρτας επέκτασης
- 4.4 Συνδέσεις πίσω πλαισίου
-
4.5
Εσωτερικές συνδέσεις
- 4.5.1 ATX_12V/ATX (Υποδοχή τροφοδοσίας 2x4 12V και κύρια υποδοχή τροφοδοσίας 2x12)
- 4.5.2 CPU_FAN/SYS_FAN1/2/3 (Θύρες ανεμιστήρα)
- 4.5.3 CPU_OPT (Θύρα ανεμιστήρα CPU ψύξης νερού)
- 4.5.4 LED_CPU (Ψύκτρα CPU LED Strip/RGB LED Strip Header)
- 4.5.5 D_LED1/D_LED2 (Διευθυνσιοδοτούμενες κεφαλίδες λωρίδας LED)
- 4.5.6 LED_C1/LED_C2 (Κεφαλίδες λωρίδας RGB LED)
- 4.5.7 SATA3 0/1/2/3 (Υποδοχές SATA 6Gb/s)
- 4.5.8 M2A_CPU/M2B_SB (Υποδοχές M.2 Socket 3)
- 4.5.9 F_PANEL (Επικεφαλίδα μπροστινού πίνακα)
- 4.5.10 F_AUDIO (Επικεφαλίδα ήχου μπροστινού πίνακα)
- 4.5.11 F_U32C (Επικεφαλίδα USB Type-C με υποστήριξη USB 3.2 Gen 1)
- 4.5.12 F_U32 (Επικεφαλίδα USB 3.2 Gen 1)
- 4.5.13 F_USB1/F_USB2 (Επικεφαλίδες USB 2.0/1.1)
- 4.5.14 TPM (Επικεφαλίδα Trusted Platform Module)
- 4.5.15 CLR_CMOS (Jumper Clear CMOS)
- 4.5.16 BAT (Μπαταρία)
- 5 Ρύθμιση BIOS
- 6 Εγκατάσταση του λειτουργικού συστήματος και των προγραμμάτων οδήγησης
- 7 Διαμόρφωση ενός συνόλου RAID
- 8 Αναφορές
- 9 Λήψη εγχειριδίου
- 10 Σε άλλες γλώσσες

Αναγνώριση της αναθεώρησης της μητρικής σας πλακέτας
Ο αριθμός αναθεώρησης στη μητρική σας πλακέτα μοιάζει με αυτό: "REV: X.X." Για παράδειγμα, "REV: 1.0" σημαίνει ότι η αναθεώρηση της μητρικής πλακέτας είναι 1.0. Ελέγξτε την αναθεώρηση της μητρικής σας πλακέτας πριν ενημερώσετε το BIOS της μητρικής πλακέτας, τα προγράμματα οδήγησης ή όταν αναζητάτε τεχνικές πληροφορίες.
Παράδειγμα:

Εισαγωγή προϊόντος
Διάταξη μητρικής πλακέτας

(Σημείωση) Μόνο για B550 AORUS ELITE AX V2.
Εγκατάσταση υλικού
Προφυλάξεις κατά την εγκατάσταση
Η μητρική πλακέτα περιέχει πολλά ευαίσθητα ηλεκτρονικά κυκλώματα και εξαρτήματα που μπορεί να υποστούν ζημιά ως αποτέλεσμα ηλεκτροστατικής εκφόρτισης (ESD). Πριν από την εγκατάσταση, διαβάστε προσεκτικά το εγχειρίδιο χρήσης και ακολουθήστε αυτές τις διαδικασίες:
- Πριν από την εγκατάσταση, βεβαιωθείτε ότι το πλαίσιο είναι κατάλληλο για τη μητρική πλακέτα.
- Πριν από την εγκατάσταση, μην αφαιρέσετε ή σπάσετε το αυτοκόλλητο S/N (Serial Number) της μητρικής πλακέτας ή το αυτοκόλλητο εγγύησης που παρέχεται από τον αντιπρόσωπό σας. Αυτά τα αυτοκόλλητα απαιτούνται για την επικύρωση της εγγύησης.
- Να αφαιρείτε πάντα την τροφοδοσία AC αποσυνδέοντας το καλώδιο ρεύματος από την πρίζα πριν εγκαταστήσετε ή αφαιρέσετε τη μητρική πλακέτα ή άλλα στοιχεία υλικού.
- Όταν συνδέετε στοιχεία υλικού στις εσωτερικές υποδοχές της μητρικής πλακέτας, βεβαιωθείτε ότι είναι συνδεδεμένα σφιχτά και με ασφάλεια.
- Όταν χειρίζεστε τη μητρική πλακέτα, αποφύγετε να αγγίζετε μεταλλικά καλώδια ή συνδέσμους.
- Είναι καλύτερο να φοράτε έναν ιμάντα καρπού ηλεκτροστατικής εκφόρτισης (ESD) όταν χειρίζεστε ηλεκτρονικά εξαρτήματα, όπως μια μητρική πλακέτα, CPU ή μνήμη. Εάν δεν έχετε ιμάντα καρπού ESD, κρατήστε τα χέρια σας στεγνά και αγγίξτε πρώτα ένα μεταλλικό αντικείμενο για να εξαλείψετε τον στατικό ηλεκτρισμό.
- Πριν από την εγκατάσταση της μητρικής πλακέτας, τοποθετήστε την πάνω από ένα αντιστατικό μαξιλάρι ή μέσα σε ένα ηλεκτροστατικό δοχείο θωράκισης.
- Πριν συνδέσετε ή αποσυνδέσετε το καλώδιο τροφοδοσίας από τη μητρική πλακέτα, βεβαιωθείτε ότι το τροφοδοτικό έχει απενεργοποιηθεί.
- Πριν ενεργοποιήσετε την τροφοδοσία, βεβαιωθείτε ότι η τάση του τροφοδοτικού έχει ρυθμιστεί σύμφωνα με το τοπικό πρότυπο τάσης.
- Πριν χρησιμοποιήσετε το προϊόν, βεβαιωθείτε ότι όλα τα καλώδια και οι σύνδεσμοι ρεύματος του υλικού σας είναι συνδεδεμένοι.
- Για να αποφύγετε ζημιά στη μητρική πλακέτα, μην αφήνετε τις βίδες να έρθουν σε επαφή με το κύκλωμα της μητρικής πλακέτας ή τα εξαρτήματά της.
- Βεβαιωθείτε ότι δεν υπάρχουν βίδες ή μεταλλικά εξαρτήματα που έχουν απομείνει τοποθετημένα στη μητρική πλακέτα ή μέσα στο περίβλημα του υπολογιστή.
- Μην τοποθετείτε το σύστημα υπολογιστή σε ανώμαλη επιφάνεια.
- Μην τοποθετείτε το σύστημα υπολογιστή σε περιβάλλον υψηλής θερμοκρασίας ή υγρασίας.
- Η ενεργοποίηση της τροφοδοσίας του υπολογιστή κατά τη διαδικασία εγκατάστασης μπορεί να οδηγήσει σε ζημιά στα στοιχεία του συστήματος καθώς και σε σωματική βλάβη στον χρήστη.
- Εάν δεν είστε βέβαιοι για κάποιο βήμα εγκατάστασης ή έχετε κάποιο πρόβλημα σχετικά με τη χρήση του προϊόντος, συμβουλευτείτε έναν πιστοποιημένο τεχνικό υπολογιστών.
- Εάν χρησιμοποιείτε έναν προσαρμογέα, ένα καλώδιο επέκτασης ρεύματος ή ένα πολύπριζο, φροντίστε να συμβουλευτείτε τις οδηγίες εγκατάστασης ή/και γείωσης.
Προδιαγραφές προϊόντος
| CPU |
|
| Chipset |
|
| Memory |
|
| Onboard Graphics |
|
| Audio |
|
| LAN |
|
| Wireless Communication Module (Σημείωση) |
|
| Expansion Slots |
|
| Storage Interface |
|
| USB |
|
| Internal Connectors |
|
| Back Panel Connectors |
|
| I/O Controller |
|
| Hardware Monitor |
|
| BIOS |
|
| Unique Features |
|
| Bundled Software |
|
| Operating System |
|
| Form Factor |
|
(Σημείωση) Μόνο για B550 AORUS ELITE AX V2.
* Η GIGABYTE διατηρεί το δικαίωμα να προβεί σε οποιεσδήποτε αλλαγές στις προδιαγραφές του προϊόντος και στις πληροφορίες που σχετίζονται με το προϊόν χωρίς προηγούμενη ειδοποίηση.
- Επισκεφθείτε τον ιστότοπο της GIGABYTE για λίστες υποστήριξης CPU, μονάδων μνήμης, SSD και συσκευών M.2.
https://www.gigabyte.com/Motherboard/B550-AORUS-ELITE-AX-V2-rev-15?m=dl#support-dl
https://www.gigabyte.com/Motherboard/B550-AORUS-ELITE-V2-rev-15?m=dl#support-dl - Επισκεφθείτε τη σελίδα SERVICE/SUPPORT\Utility στον ιστότοπο της GIGABYTE για να κατεβάσετε την πιο πρόσφατη έκδοση των εφαρμογών.
https://www.gigabyte.com/Support/Utility/Motherboard?m=ut
Εγκατάσταση της CPU
Διαβάστε τις παρακάτω οδηγίες πριν ξεκινήσετε την εγκατάσταση της CPU:
- Βεβαιωθείτε ότι η μητρική πλακέτα υποστηρίζει την CPU.
(Μεταβείτε στον ιστότοπο της GIGABYTE για την πιο πρόσφατη λίστα υποστήριξης CPU.) - Να απενεργοποιείτε πάντα τον υπολογιστή και να αποσυνδέετε το καλώδιο ρεύματος από την πρίζα πριν από την εγκατάσταση της CPU για να αποφύγετε ζημιά στο υλικό.
- Εντοπίστε το pin ένα της CPU. Η CPU δεν μπορεί να τοποθετηθεί εάν είναι λανθασμένα προσανατολισμένη.
- Εφαρμόστε μια ομοιόμορφη και λεπτή στρώση θερμογόνου γράσου στην επιφάνεια της CPU.
- Μην ενεργοποιείτε τον υπολογιστή εάν δεν είναι εγκατεστημένο το ψυγείο της CPU, διαφορετικά μπορεί να προκληθεί υπερθέρμανση και ζημιά στην CPU.
- Ρυθμίστε τη συχνότητα κεντρικού υπολογιστή της CPU σύμφωνα με τις προδιαγραφές της CPU. Δεν συνιστάται η ρύθμιση της συχνότητας του διαύλου συστήματος πέρα από τις προδιαγραφές του υλικού, καθώς δεν πληροί τις τυπικές απαιτήσεις για τα περιφερειακά. Εάν επιθυμείτε να ρυθμίσετε τη συχνότητα πέρα από τις τυπικές προδιαγραφές, κάντε το σύμφωνα με τις προδιαγραφές του υλικού σας, συμπεριλαμβανομένης της CPU, της κάρτας γραφικών, της μνήμης, του σκληρού δίσκου κ.λπ.
Εγκατάσταση της CPU
Ανασηκώστε εντελώς το μοχλό ασφάλισης της υποδοχής CPU. Εντοπίστε το pin ένα (που υποδεικνύεται από ένα μικρό τρίγωνο) της υποδοχής CPU και της CPU. Αφού τοποθετηθεί η CPU στην υποδοχή της, τοποθετήστε ένα δάχτυλο στο μέσο της CPU, χαμηλώνοντας το μοχλό ασφάλισης και ασφαλίζοντάς τον στην πλήρως ασφαλισμένη θέση.

Μην πιέζετε την CPU στην υποδοχή CPU πριν σηκωθεί ο μοχλός ασφάλισης της υποδοχής CPU, διαφορετικά μπορεί να προκληθεί ζημιά στην CPU και στην υποδοχή CPU.
Εγκατάσταση της μνήμης
Διαβάστε τις παρακάτω οδηγίες πριν ξεκινήσετε την εγκατάσταση της μνήμης:
- Βεβαιωθείτε ότι η μητρική πλακέτα υποστηρίζει τη μνήμη. Συνιστάται η χρήση μνήμης ίδιας χωρητικότητας, μάρκας, ταχύτητας και chip. (Μεταβείτε στον ιστότοπο της GIGABYTE για τις πιο πρόσφατες υποστηριζόμενες ταχύτητες μνήμης και μονάδες μνήμης.)
- Να απενεργοποιείτε πάντα τον υπολογιστή και να αποσυνδέετε το καλώδιο ρεύματος από την πρίζα πριν από την εγκατάσταση της μνήμης για να αποφύγετε ζημιά στο υλικό.
- Οι μονάδες μνήμης έχουν αλάνθαστο σχεδιασμό. Μια μονάδα μνήμης μπορεί να εγκατασταθεί μόνο προς μία κατεύθυνση. Εάν δεν μπορείτε να τοποθετήσετε τη μνήμη, αλλάξτε την κατεύθυνση.
Διαμόρφωση μνήμης διπλού καναλιού
Αυτή η μητρική πλακέτα παρέχει τέσσερις υποδοχές μνήμης και υποστηρίζει την τεχνολογία διπλού καναλιού. Μετά την εγκατάσταση της μνήμης, το BIOS θα ανιχνεύσει αυτόματα τις προδιαγραφές και τη χωρητικότητα της μνήμης. Η ενεργοποίηση της λειτουργίας μνήμης διπλού καναλιού θα διπλασιάσει το αρχικό εύρος ζώνης μνήμης.
Οι τέσσερις υποδοχές μνήμης χωρίζονται σε δύο κανάλια και κάθε κανάλι έχει δύο υποδοχές μνήμης ως εξής:
- Κανάλι A: DDR4_A1, DDR4_A2
- Κανάλι B: DDR4_B1, DDR4_B2
- Προτεινόμενη διαμόρφωση μνήμης διπλού καναλιού:
(SS=Μονής όψης, DS=Διπλής όψης, "- -"=Χωρίς μνήμη)DDR4_A1 DDR4_A2 DDR4_B1 DDR4_B2 2 μονάδες - - DS/SS - - DS/SS 4 μονάδες DS/SS DS/SS DS/SS DS/SS
Λόγω των περιορισμών της CPU, διαβάστε τις παρακάτω οδηγίες πριν από την εγκατάσταση της μνήμης σε λειτουργία διπλού καναλιού.
- Δεν είναι δυνατή η ενεργοποίηση της λειτουργίας διπλού καναλιού εάν είναι εγκατεστημένη μόνο μία μονάδα μνήμης.
- Κατά την ενεργοποίηση της λειτουργίας διπλού καναλιού με δύο ή τέσσερις μονάδες μνήμης, συνιστάται η χρήση μνήμης ίδιας χωρητικότητας, μάρκας, ταχύτητας και chip.
- Επισκεφθείτε τον ιστότοπο της GIGABYTE για λεπτομέρειες σχετικά με την εγκατάσταση υλικού.
http://www.gigabyte.com/WebPage/210/quick-guide.html?m=sw
Εγκατάσταση μιας κάρτας επέκτασης
Διαβάστε τις παρακάτω οδηγίες πριν ξεκινήσετε την εγκατάσταση μιας κάρτας επέκτασης:
- Βεβαιωθείτε ότι η μητρική πλακέτα υποστηρίζει την κάρτα επέκτασης. Διαβάστε προσεκτικά το εγχειρίδιο που συνοδεύει την κάρτα επέκτασης.
- Να απενεργοποιείτε πάντα τον υπολογιστή και να αποσυνδέετε το καλώδιο ρεύματος από την πρίζα πριν από την εγκατάσταση μιας κάρτας επέκτασης για να αποφύγετε ζημιά στο υλικό.
Συνδέσεις πίσω πλαισίου

- Θύρα USB 2.0/1.1
Η θύρα USB υποστηρίζει την προδιαγραφή USB 2.0/1.1. Χρησιμοποιήστε αυτήν τη θύρα για συσκευές USB. - Συνδέσεις κεραίας SMA (2T2R) (Σημείωση 1)
Χρησιμοποιήστε αυτήν τη σύνδεση για να συνδέσετε μια κεραία.
Σφίξτε τις κεραίες στις συνδέσεις κεραίας και, στη συνέχεια, στοχεύστε σωστά τις κεραίες για καλύτερη λήψη σήματος.
- DisplayPort (Σημείωση 2)
Το DisplayPort παρέχει ψηφιακή απεικόνιση και ήχο υψηλής ποιότητας, υποστηρίζοντας αμφίδρομη μετάδοση ήχου. Το DisplayPort μπορεί να υποστηρίξει μηχανισμούς προστασίας περιεχομένου DPCP και HDCP 2.3. Παρέχει βελτιωμένα οπτικά στοιχεία που υποστηρίζουν Rec. 2020 (Wide Color Gamut) και High Dynamic Range (HDR) για αναπαραγωγή Blu-ray UHD. Μπορείτε να χρησιμοποιήσετε αυτήν τη θύρα για να συνδέσετε την οθόνη που υποστηρίζει DisplayPort. Σημείωση: Η τεχνολογία DisplayPort μπορεί να υποστηρίξει μέγιστη ανάλυση 5120x2880@60 Hz, αλλά οι πραγματικές υποστηριζόμενες αναλύσεις εξαρτώνται από την οθόνη που χρησιμοποιείται. - Θύρα HDMI(Σημείωση 2)
![]()
Η θύρα HDMI είναι συμβατή με HDCP 2.3 και υποστηρίζει μορφές Dolby TrueHD και DTS HD Master Audio. Υποστηρίζει επίσης έξοδο ήχου LPCM 7.1 καναλιών έως 192 KHz/24 bit. Μπορείτε να χρησιμοποιήσετε αυτήν τη θύρα για να συνδέσετε την οθόνη που υποστηρίζει HDMI. Η μέγιστη υποστηριζόμενη ανάλυση είναι 4096x2160@60 Hz, αλλά οι πραγματικές υποστηριζόμενες αναλύσεις εξαρτώνται από την οθόνη που χρησιμοποιείται.
Μετά την εγκατάσταση της συσκευής DisplayPort/HDMI, φροντίστε να ρυθμίσετε την προεπιλεγμένη συσκευή αναπαραγωγής ήχου σε DisplayPort/HDMI. (Το όνομα του στοιχείου ενδέχεται να διαφέρει ανάλογα με το λειτουργικό σας σύστημα.)
- Κουμπί Q-Flash Plus (Σημείωση 3)
Το Q-Flash Plus σάς επιτρέπει να ενημερώσετε το BIOS όταν το σύστημά σας είναι απενεργοποιημένο (κατάσταση τερματισμού λειτουργίας S5). Αποθηκεύστε το πιο πρόσφατο BIOS σε μια μονάδα USB και συνδέστε το στη θύρα Q-Flash Plus και, στη συνέχεια, μπορείτε πλέον να κάνετε flash το BIOS αυτόματα απλά πατώντας το κουμπί Q-Flash Plus. Το QFLED θα αναβοσβήνει όταν ξεκινήσουν οι δραστηριότητες αντιστοίχισης και flashing του BIOS και θα σταματήσει να αναβοσβήνει όταν ολοκληρωθεί το flashing του BIOS. - Θύρα USB 3.2 Gen 1 (Θύρα Q-Flash Plus)
Η θύρα USB 3.2 Gen 1 υποστηρίζει την προδιαγραφή USB 3.2 Gen 1 και είναι συμβατή με την προδιαγραφή USB 2.0. Χρησιμοποιήστε αυτήν τη θύρα για συσκευές USB. Πριν χρησιμοποιήσετε το Q-Flash Plus (Σημείωση 3), φροντίστε να τοποθετήσετε πρώτα τη μονάδα flash USB σε αυτήν τη θύρα. - Θύρα USB 3.2 Gen 2 Type-A (Κόκκινη)
Η θύρα USB 3.2 Gen 2 Type-A υποστηρίζει την προδιαγραφή USB 3.2 Gen 2 και είναι συμβατή με τις προδιαγραφές USB 3.2 Gen 1 και USB 2.0. Χρησιμοποιήστε αυτήν τη θύρα για συσκευές USB. - Θύρα RJ-45 LAN
Η θύρα Gigabit Ethernet LAN παρέχει σύνδεση στο Internet με ρυθμό δεδομένων έως και 2,5 Gbps. Τα παρακάτω περιγράφουν τις καταστάσεις των LED της θύρας LAN.
![]()
LED ταχύτητας:
LED δραστηριότητας:Κατάσταση Περιγραφή Πορτοκαλί Ρυθμός δεδομένων 2,5 Gbps Πράσινο Ρυθμός δεδομένων 1 Gbps Απενεργοποίηση Ρυθμός δεδομένων 100 Mbps Κατάσταση Περιγραφή Αναβοσβήνει Εκτελείται μετάδοση ή λήψη δεδομένων Απενεργοποίηση Δεν εκτελείται μετάδοση ή λήψη δεδομένων - Θύρα USB 3.2 Gen 1
Η θύρα USB 3.2 Gen 1 υποστηρίζει την προδιαγραφή USB 3.2 Gen 1 και είναι συμβατή με την προδιαγραφή USB 2.0. - Έξοδος ηχείου κέντρου/υπογούφερ
Χρησιμοποιήστε αυτήν την υποδοχή ήχου για να συνδέσετε ηχεία κέντρου/υπογούφερ. - Έξοδος πίσω ηχείου
Χρησιμοποιήστε αυτήν την υποδοχή ήχου για να συνδέσετε πίσω ηχεία. - Οπτική σύνδεση εξόδου S/PDIF
Αυτή η σύνδεση παρέχει έξοδο ψηφιακού ήχου σε ένα εξωτερικό σύστημα ήχου που υποστηρίζει ψηφιακό οπτικό ήχο. Πριν χρησιμοποιήσετε αυτήν τη δυνατότητα, βεβαιωθείτε ότι το σύστημα ήχου σας παρέχει μια οπτική ψηφιακή σύνδεση εισόδου ήχου. - Είσοδος γραμμής/Έξοδος πλευρικού ηχείου
Η υποδοχή εισόδου γραμμής. Χρησιμοποιήστε αυτήν την υποδοχή ήχου για συσκευές εισόδου γραμμής, όπως μια μονάδα οπτικού δίσκου, walkman κ.λπ. - Έξοδος γραμμής/Έξοδος μπροστινού ηχείου
Η υποδοχή εξόδου γραμμής. - Είσοδος μικροφώνου/Έξοδος πλευρικού ηχείου
Η υποδοχή εισόδου μικροφώνου.
(Σημείωση 1) Μόνο για B550 AORUS ELITE AX V2.
(Σημείωση 2) Μόνο για επεξεργαστές AMD Ryzen™ 5000 G-Series/4000 G-Series.
(Σημείωση 3) Για να ενεργοποιήσετε τη λειτουργία Q-Flash Plus, επισκεφθείτε την ιστοσελίδα "Μοναδικά χαρακτηριστικά" του ιστότοπου της GIGABYTE.
Διαμορφώσεις υποδοχής ήχου:
| Υποδοχή | Ακουστικά/ 2 καναλιών | 4 καναλιών | 5.1 καναλιών | 7.1 καναλιών |
| ✓ | ✓ | ||
| ✓ | ✓ | ✓ | |
| ✓ | |||
| ✓ | ✓ | ✓ | ✓ |
| ✓ |
Εάν θέλετε να εγκαταστήσετε ένα πλευρικό ηχείο, πρέπει να αλλάξετε τη λειτουργία της υποδοχής εισόδου γραμμής ή εισόδου μικροφώνου σε έξοδο πλευρικού ηχείου μέσω του προγράμματος οδήγησης ήχου.
- Επισκεφθείτε τον ιστότοπο της GIGABYTE για λεπτομέρειες σχετικά με τη διαμόρφωση του λογισμικού ήχου.
https://www.gigabyte.com/WebPage/697/realtek897-audio.html
- Όταν αφαιρείτε το καλώδιο που είναι συνδεδεμένο σε μια σύνδεση πίσω πλαισίου, αφαιρέστε πρώτα το καλώδιο από τη συσκευή σας και, στη συνέχεια, αφαιρέστε το από τη μητρική πλακέτα.
- Όταν αφαιρείτε το καλώδιο, τραβήξτε το ευθεία έξω από τη σύνδεση. Μην το ταλαντεύετε από τη μια πλευρά στην άλλη για να αποφύγετε ένα ηλεκτρικό βραχυκύκλωμα μέσα στη σύνδεση καλωδίου.
Εσωτερικές συνδέσεις

- ATX_12V
- ATX
- CPU_FAN
- SYS_FAN1/2/3
- CPU_OPT
- LED_CPU
- D_LED1/D_LED2
- LED_C1/LED_C2
- SATA3 0/1/2/3
- M2A_CPU/M2B_SB
- F_PANEL
- F_AUDIO
- F_U32C
- F_U32
- F_USB1/F_USB2
- TPM
- CLR_CMOS
- BAT
Διαβάστε τις παρακάτω οδηγίες πριν συνδέσετε εξωτερικές συσκευές:
- Πρώτα βεβαιωθείτε ότι οι συσκευές σας είναι συμβατές με τις υποδοχές που θέλετε να συνδέσετε.
- Πριν εγκαταστήσετε τις συσκευές, φροντίστε να απενεργοποιήσετε τις συσκευές και τον υπολογιστή σας. Αποσυνδέστε το καλώδιο τροφοδοσίας από την πρίζα για να αποφύγετε την πρόκληση ζημιάς στις συσκευές.
- Μετά την εγκατάσταση της συσκευής και πριν ενεργοποιήσετε τον υπολογιστή, βεβαιωθείτε ότι το καλώδιο της συσκευής έχει συνδεθεί με ασφάλεια στην υποδοχή της μητρικής πλακέτας.
ATX_12V/ATX (Υποδοχή τροφοδοσίας 2x4 12V και κύρια υποδοχή τροφοδοσίας 2x12)
Με τη χρήση της υποδοχής τροφοδοσίας, το τροφοδοτικό μπορεί να παρέχει αρκετή σταθερή τροφοδοσία σε όλα τα εξαρτήματα της μητρικής πλακέτας. Πριν συνδέσετε την υποδοχή τροφοδοσίας, βεβαιωθείτε πρώτα ότι το τροφοδοτικό είναι απενεργοποιημένο και ότι όλες οι συσκευές είναι σωστά εγκατεστημένες. Η υποδοχή τροφοδοσίας διαθέτει αλάνθαστο σχεδιασμό. Συνδέστε το καλώδιο τροφοδοσίας στην υποδοχή τροφοδοσίας με τον σωστό προσανατολισμό.
Η υποδοχή τροφοδοσίας 12V παρέχει κυρίως τροφοδοσία στην CPU. Εάν η υποδοχή τροφοδοσίας 12V δεν είναι συνδεδεμένη, ο υπολογιστής δεν θα ξεκινήσει.
Για να ικανοποιηθούν οι απαιτήσεις επέκτασης, συνιστάται η χρήση τροφοδοτικού που μπορεί να αντέξει υψηλή κατανάλωση ενέργειας (500 W ή μεγαλύτερη). Εάν χρησιμοποιηθεί τροφοδοτικό που δεν παρέχει την απαιτούμενη ισχύ, το αποτέλεσμα μπορεί να οδηγήσει σε ένα ασταθές ή μη εκκινήσιμο σύστημα.

| Αρ. ακροδέκτη | Ορισμός |
| 1 | GND (Μόνο για 2x4 ακίδες 12V) |
| 2 | GND (Μόνο για 2x4 ακίδες 12V) |
| 3 | GND |
| 4 | GND |
| 5 | +12V (Μόνο για 2x4 ακίδες 12V) |
| 6 | +12V (Μόνο για 2x4 ακίδες 12V) |
| 7 | +12V |
| 8 | +12V |

| Αρ. ακροδέκτη | Ορισμός |
| 1 | 3.3V |
| 2 | 3.3V |
| 3 | GND |
| 4 | +5V |
| 5 | GND |
| 6 | +5V |
| 7 | GND |
| 8 | Power Good |
| 9 | 5VSB (αναμονή +5V) |
| 10 | +12V |
| 11 | +12V (Μόνο για 2x12 ακίδες ATX) |
| 12 | 3.3V (Μόνο για 2x12 ακίδες ATX) |
| 13 | 3.3V |
| 14 | -12V |
| 15 | GND |
| 16 | PS_ON (soft On/Off) |
| 17 | GND |
| 18 | GND |
| 19 | GND |
| 20 | NC |
| 21 | +5V |
| 22 | +5V |
| 23 | +5V (Μόνο για 2x12 ακίδες ATX) |
| 24 | GND (Μόνο για 2x12 ακίδες ATX) |
CPU_FAN/SYS_FAN1/2/3 (Θύρες ανεμιστήρα)
Όλες οι θύρες ανεμιστήρα σε αυτήν τη μητρική πλακέτα είναι 4 ακίδων. Οι περισσότερες θύρες ανεμιστήρα διαθέτουν αλάνθαστο σχεδιασμό εισαγωγής. Όταν συνδέετε ένα καλώδιο ανεμιστήρα, φροντίστε να το συνδέσετε με τον σωστό προσανατολισμό (το μαύρο καλώδιο της υποδοχής είναι το καλώδιο γείωσης). Η λειτουργία ελέγχου ταχύτητας απαιτεί τη χρήση ανεμιστήρα με σχεδιασμό ελέγχου ταχύτητας ανεμιστήρα. Για βέλτιστη απαγωγή θερμότητας, συνιστάται η εγκατάσταση ενός ανεμιστήρα συστήματος μέσα στο πλαίσιο.

| Αρ. ακροδέκτη | Ορισμός |
| 1 | GND |
| 2 | Έλεγχος ταχύτητας τάσης |
| 3 | Sense |
| 4 | Έλεγχος ταχύτητας PWM |
- Βεβαιωθείτε ότι έχετε συνδέσει τα καλώδια του ανεμιστήρα στις θύρες του ανεμιστήρα για να αποτρέψετε την υπερθέρμανση της CPU και του συστήματός σας. Η υπερθέρμανση μπορεί να προκαλέσει βλάβη στην CPU ή το σύστημα ενδέχεται να κολλήσει.
- Αυτές οι θύρες ανεμιστήρα δεν είναι μπλοκ βραχυκυκλωτήρων διαμόρφωσης. Μην τοποθετείτε ένα κάλυμμα βραχυκυκλωτήρα στις θύρες.
CPU_OPT (Θύρα ανεμιστήρα CPU ψύξης νερού)
Η θύρα ανεμιστήρα είναι 4 ακίδων και διαθέτει αλάνθαστο σχεδιασμό εισαγωγής. Οι περισσότερες θύρες ανεμιστήρα διαθέτουν αλάνθαστο σχεδιασμό εισαγωγής. Όταν συνδέετε ένα καλώδιο ανεμιστήρα, φροντίστε να το συνδέσετε με τον σωστό προσανατολισμό (το μαύρο καλώδιο της υποδοχής είναι το καλώδιο γείωσης). Η λειτουργία ελέγχου ταχύτητας απαιτεί τη χρήση ανεμιστήρα με σχεδιασμό ελέγχου ταχύτητας ανεμιστήρα.

| Αρ. ακροδέκτη | Ορισμός |
| 1 | GND |
| 2 | Έλεγχος ταχύτητας τάσης |
| 3 | Sense |
| 4 | Έλεγχος ταχύτητας PWM |
- Βεβαιωθείτε ότι έχετε συνδέσει τα καλώδια του ανεμιστήρα στις θύρες του ανεμιστήρα για να αποτρέψετε την υπερθέρμανση της CPU και του συστήματός σας. Η υπερθέρμανση μπορεί να προκαλέσει βλάβη στην CPU ή το σύστημα ενδέχεται να κολλήσει.
- Αυτές οι θύρες ανεμιστήρα δεν είναι μπλοκ βραχυκυκλωτήρων διαμόρφωσης. Μην τοποθετείτε ένα κάλυμμα βραχυκυκλωτήρα στις θύρες.
LED_CPU (Ψύκτρα CPU LED Strip/RGB LED Strip Header)
Η κεφαλίδα μπορεί να χρησιμοποιηθεί για τη σύνδεση μιας λωρίδας LED ψύκτρας CPU ή μιας τυπικής λωρίδας RGB LED 5050 (12V/G/R/B), με μέγιστη ονομαστική ισχύ 2A (12V) και μέγιστο μήκος 2m.

| Αρ. ακροδέκτη | Ορισμός |
| 1 | 12V |
| 2 | G |
| 3 | R |
| 4 | B |
Συνδέστε τη λωρίδα LED ψύκτρας CPU/τη λωρίδα RGB LED στην κεφαλίδα. Ο ακροδέκτης τροφοδοσίας (που επισημαίνεται με ένα τρίγωνο στο βύσμα) της λωρίδας LED πρέπει να συνδεθεί στον ακροδέκτη 1 (12V) αυτής της κεφαλίδας. Η λανθασμένη σύνδεση μπορεί να οδηγήσει σε ζημιά της λωρίδας LED.
D_LED1/D_LED2 (Διευθυνσιοδοτούμενες κεφαλίδες λωρίδας LED)
Οι κεφαλίδες μπορούν να χρησιμοποιηθούν για τη σύνδεση μιας τυπικής διευθυνσιοδοτούμενης λωρίδας LED 5050, με μέγιστη ονομαστική ισχύ 5A (5V) και μέγιστο αριθμό 1000 LED.

| Αρ. ακροδέκτη | Ορισμός |
| 1 | V (5V) |
| 2 | Data |
| 3 | No Pin |
| 4 | GND |
Συνδέστε τη διευθυνσιοδοτούμενη λωρίδα LED στην κεφαλίδα. Ο ακροδέκτης τροφοδοσίας (που επισημαίνεται με ένα τρίγωνο στο βύσμα) της λωρίδας LED πρέπει να συνδεθεί στον ακροδέκτη 1 της διευθυνσιοδοτούμενης κεφαλίδας λωρίδας LED. Η λανθασμένη σύνδεση μπορεί να οδηγήσει σε ζημιά της λωρίδας LED.
Για το πώς να ενεργοποιήσετε/απενεργοποιήσετε τα φώτα της λωρίδας LED, επισκεφθείτε την ιστοσελίδα "Μοναδικά χαρακτηριστικά" του ιστότοπου της GIGABYTE.
Πριν εγκαταστήσετε τις συσκευές, φροντίστε να απενεργοποιήσετε τις συσκευές και τον υπολογιστή σας. Αποσυνδέστε το καλώδιο τροφοδοσίας από την πρίζα για να αποφύγετε την πρόκληση ζημιάς στις συσκευές.
LED_C1/LED_C2 (Κεφαλίδες λωρίδας RGB LED)
Οι κεφαλίδες μπορούν να χρησιμοποιηθούν για τη σύνδεση μιας τυπικής λωρίδας RGB LED 5050 (12V/G/R/B), με μέγιστη ονομαστική ισχύ 2A (12V) και μέγιστο μήκος 2m.

| Αρ. ακροδέκτη | Ορισμός |
| 1 | 12V |
| 2 | G |
| 3 | R |
| 4 | B |
Συνδέστε τη λωρίδα RGB LED στην κεφαλίδα. Ο ακροδέκτης τροφοδοσίας (που επισημαίνεται με ένα τρίγωνο στο βύσμα) της λωρίδας LED πρέπει να συνδεθεί στον ακροδέκτη 1 (12V) αυτής της κεφαλίδας. Η λανθασμένη σύνδεση μπορεί να οδηγήσει σε ζημιά της λωρίδας LED.
Για το πώς να ενεργοποιήσετε/απενεργοποιήσετε τα φώτα της λωρίδας LED, επισκεφθείτε την ιστοσελίδα "Μοναδικά χαρακτηριστικά" του ιστότοπου της GIGABYTE.
Πριν εγκαταστήσετε τις συσκευές, φροντίστε να απενεργοποιήσετε τις συσκευές και τον υπολογιστή σας. Αποσυνδέστε το καλώδιο τροφοδοσίας από την πρίζα για να αποφύγετε την πρόκληση ζημιάς στις συσκευές.
SATA3 0/1/2/3 (Υποδοχές SATA 6Gb/s)
Οι υποδοχές SATA συμμορφώνονται με το πρότυπο SATA 6Gb/s και είναι συμβατές με τα πρότυπα SATA 3Gb/s και SATA 1.5Gb/s. Κάθε υποδοχή SATA υποστηρίζει μία μόνο συσκευή SATA. Οι υποδοχές SATA υποστηρίζουν RAID 0, RAID 1 και RAID 10. Μεταβείτε στη σελίδα "Διαμόρφωση συνόλου RAID" του ιστότοπου της GIGABYTE για οδηγίες σχετικά με τη διαμόρφωση ενός πίνακα RAID.

| Αρ. ακροδέκτη | Ορισμός |
| 1 | GND |
| 2 | TXP |
| 3 | TXN |
| 4 | GND |
| 5 | RXN |
| 6 | RXP |
| 7 | GND |
M2A_CPU/M2B_SB (Υποδοχές M.2 Socket 3)
Οι υποδοχές M.2 υποστηρίζουν M.2 SATA SSD ή M.2 PCIe SSD και υποστηρίζουν διαμόρφωση RAID. Σημειώστε ότι ένα M.2 PCIe SSD δεν μπορεί να χρησιμοποιηθεί για τη δημιουργία ενός σετ RAID είτε με ένα M.2 SATA SSD είτε με έναν σκληρό δίσκο SATA. Μεταβείτε στη σελίδα "Configuring a RAID Set" (Διαμόρφωση ενός σετ RAID) της ιστοσελίδας της GIGABYTE για οδηγίες σχετικά με τη διαμόρφωση μιας διάταξης RAID.

Ακολουθήστε τα παρακάτω βήματα για να εγκαταστήσετε σωστά ένα M.2 SSD στην υποδοχή M.2.
Βήμα 1:
Εντοπίστε την υποδοχή M.2 όπου θα εγκαταστήσετε το M.2 SSD, χρησιμοποιήστε ένα κατσαβίδι για να ξεβιδώσετε τη βίδα στην ψύκτρα και, στη συνέχεια, αφαιρέστε την ψύκτρα.
Βήμα 2:
Εντοπίστε την κατάλληλη οπή στήριξης με βάση το μήκος της μονάδας δίσκου M.2 SSD. Εάν χρειάζεται, μετακινήστε το στήριγμα στην επιθυμητή οπή στήριξης. Τοποθετήστε το M.2 SSD στην υποδοχή M.2 υπό γωνία.
Βήμα 3:
Πιέστε το M.2 SSD προς τα κάτω και, στη συνέχεια, στερεώστε το με τη βίδα. Αντικαταστήστε την ψύκτρα και στερεώστε την στην αρχική οπή. Φροντίστε να αφαιρέσετε την προστατευτική μεμβράνη από το κάτω μέρος της ψύκτρας πριν την αντικαταστήσετε.
Επιλέξτε τη σωστή οπή για την εγκατάσταση του M.2 SSD και επανασφίξτε τη βίδα και το στήριγμα.
(Σημείωση) Μόνο η B550 AORUS ELITE AX V2 διαθέτει την ψύκτρα.
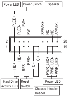
F_PANEL (Επικεφαλίδα μπροστινού πίνακα)
Συνδέστε τον διακόπτη τροφοδοσίας, τον διακόπτη επαναφοράς, το ηχείο, τον διακόπτη/αισθητήρα παραβίασης πλαισίου και την ένδειξη κατάστασης συστήματος στο πλαίσιο σε αυτήν την επικεφαλίδα σύμφωνα με τις παρακάτω αντιστοιχίσεις ακίδων. Σημειώστε τις θετικές και αρνητικές ακίδες πριν συνδέσετε τα καλώδια.

- PLED/PWR_LED (Power LED):
Συνδέεται στην ένδειξη κατάστασης τροφοδοσίας στην μπροστινή όψη του πλαισίου. Η λυχνία LED είναι αναμμένη όταν το σύστημα λειτουργεί. Η λυχνία LED είναι σβηστή όταν το σύστημα βρίσκεται σε κατάσταση αναστολής λειτουργίας S3/S4 ή είναι απενεργοποιημένο (S5).Κατάσταση συστήματος LED S0 Ενεργό S3/S4/S5 Ανενεργό - PW (Διακόπτης τροφοδοσίας):
Συνδέεται στον διακόπτη τροφοδοσίας στην μπροστινή όψη του πλαισίου. Μπορείτε να διαμορφώσετε τον τρόπο απενεργοποίησης του συστήματός σας χρησιμοποιώντας τον διακόπτη τροφοδοσίας (μεταβείτε στη σελίδα "BIOS Setup" (Ρύθμιση BIOS) της ιστοσελίδας της GIGABYTE και αναζητήστε "Settings\Platform Power" (Ρυθμίσεις\Τροφοδοσία πλατφόρμας) για περισσότερες πληροφορίες). - SPEAK (Ηχείο):
Συνδέεται στο ηχείο στην μπροστινή όψη του πλαισίου. Το σύστημα αναφέρει την κατάσταση εκκίνησης του συστήματος εκδίδοντας έναν κωδικό ηχητικού σήματος. Ένα μονό σύντομο ηχητικό σήμα θα ακουστεί εάν δεν εντοπιστεί κανένα πρόβλημα κατά την εκκίνηση του συστήματος. - HD (LED δραστηριότητας σκληρού δίσκου):
Συνδέεται στο LED δραστηριότητας του σκληρού δίσκου στην μπροστινή όψη του πλαισίου. Η λυχνία LED είναι αναμμένη όταν ο σκληρός δίσκος διαβάζει ή γράφει δεδομένα. - RES (Διακόπτης επαναφοράς):
Συνδέεται στον διακόπτη επαναφοράς στην μπροστινή όψη του πλαισίου. Πατήστε τον διακόπτη επαναφοράς για να επανεκκινήσετε τον υπολογιστή εάν ο υπολογιστής παγώσει και αποτύχει να εκτελέσει μια κανονική επανεκκίνηση. - CI (Επικεφαλίδα παραβίασης πλαισίου):
Συνδέεται στον διακόπτη/αισθητήρα παραβίασης πλαισίου στο πλαίσιο που μπορεί να ανιχνεύσει εάν έχει αφαιρεθεί το κάλυμμα του πλαισίου. Αυτή η λειτουργία απαιτεί ένα πλαίσιο με διακόπτη/αισθητήρα παραβίασης πλαισίου. - NC: Καμία σύνδεση.
Η σχεδίαση του μπροστινού πίνακα μπορεί να διαφέρει ανάλογα με το πλαίσιο. Μια μονάδα μπροστινού πίνακα αποτελείται κυρίως από διακόπτη τροφοδοσίας, διακόπτη επαναφοράς, LED τροφοδοσίας, LED δραστηριότητας σκληρού δίσκου, ηχείο κ.λπ. Όταν συνδέετε τη μονάδα μπροστινού πίνακα του πλαισίου σας σε αυτήν την επικεφαλίδα, βεβαιωθείτε ότι οι αντιστοιχίσεις καλωδίων και οι αντιστοιχίσεις ακίδων ταιριάζουν σωστά.
F_AUDIO (Επικεφαλίδα ήχου μπροστινού πίνακα)
Η επικεφαλίδα ήχου μπροστινού πίνακα υποστηρίζει ήχο High Definition (HD). Μπορείτε να συνδέσετε τη μονάδα ήχου μπροστινού πίνακα του πλαισίου σας σε αυτήν την επικεφαλίδα. Βεβαιωθείτε ότι οι αντιστοιχίσεις καλωδίων του συνδέσμου της μονάδας ταιριάζουν με τις αντιστοιχίσεις ακίδων της επικεφαλίδας της μητρικής πλακέτας. Η εσφαλμένη σύνδεση μεταξύ του συνδέσμου της μονάδας και της επικεφαλίδας της μητρικής πλακέτας θα καταστήσει τη συσκευή ανίκανη να λειτουργήσει ή ακόμη και θα την καταστρέψει.

| Αρ. ακίδας | Ορισμός |
| 1 | MIC L |
| 2 | GND |
| 3 | MIC R |
| 4 | NC |
| 5 | Head Phone R |
| 6 | Ανίχνευση MIC |
| 7 | SENSE_SEND |
| 8 | Χωρίς ακίδα |
| 9 | Head Phone L |
| 10 | Ανίχνευση ακουστικών |
Ορισμένα πλαίσια παρέχουν μια μονάδα ήχου μπροστινού πίνακα που έχει ξεχωριστούς συνδέσμους σε κάθε καλώδιο αντί για ένα μόνο βύσμα. Για πληροφορίες σχετικά με τη σύνδεση της μονάδας ήχου μπροστινού πίνακα που έχει διαφορετικές αντιστοιχίσεις καλωδίων, επικοινωνήστε με τον κατασκευαστή του πλαισίου.
F_U32C (Επικεφαλίδα USB Type-C® με υποστήριξη USB 3.2 Gen 1)
Η επικεφαλίδα συμμορφώνεται με τις προδιαγραφές USB 3.2 Gen 1 και μπορεί να παρέχει μία θύρα USB.

| Αρ. ακίδας | Ορισμός |
| 1 | VBUS |
| 2 | TX1+ |
| 3 | TX1- |
| 4 | GND |
| 5 | RX1+ |
| 6 | RX1- |
| 7 | VBUS |
| 8 | CC1 |
| 9 | SBU1 |
| 10 | SBU2 |
| 11 | VBUS |
| 12 | TX2+ |
| 13 | TX2- |
| 14 | GND |
| 15 | RX2+ |
| 16 | RX2- |
| 17 | GND |
| 18 | D- |
| 19 | D+ |
| 20 | CC2 |
F_U32 (Επικεφαλίδα USB 3.2 Gen 1)
Η επικεφαλίδα συμμορφώνεται με τις προδιαγραφές USB 3.2 Gen 1 και USB 2.0 και μπορεί να παρέχει δύο θύρες USB. Για την αγορά του προαιρετικού μπροστινού πίνακα 3,5" που παρέχει δύο θύρες USB 3.2 Gen 1, επικοινωνήστε με τον τοπικό αντιπρόσωπο.

| Αρ. ακίδας | Ορισμός |
| 1 | VBUS |
| 2 | SSRX1- |
| 3 | SSRX1+ |
| 4 | GND |
| 5 | SSTX1- |
| 6 | SSTX1+ |
| 7 | GND |
| 8 | D1- |
| 9 | D1+ |
| 10 | NC |
| 11 | D2+ |
| 12 | D2- |
| 13 | GND |
| 14 | SSTX2+ |
| 15 | SSTX2- |
| 16 | GND |
| 17 | SSRX2+ |
| 18 | SSRX2- |
| 19 | VBUS |
| 20 | Χωρίς ακίδα |
F_USB1/F_USB2 (Επικεφαλίδες USB 2.0/1.1)
Οι επικεφαλίδες συμμορφώνονται με τις προδιαγραφές USB 2.0/1.1. Κάθε επικεφαλίδα USB μπορεί να παρέχει δύο θύρες USB μέσω ενός προαιρετικού βραχίονα USB. Για την αγορά του προαιρετικού βραχίονα USB, επικοινωνήστε με τον τοπικό αντιπρόσωπο.

| Αρ. ακίδας | Ορισμός |
| 1 | Τροφοδοσία (5V) |
| 2 | Τροφοδοσία (5V) |
| 3 | USB DX- |
| 4 | USB DY- |
| 5 | USB DX+ |
| 6 | USB DY+ |
| 7 | GND |
| 8 | GND |
| 9 | Χωρίς ακίδα |
| 10 | NC |
Πριν εγκαταστήσετε τον βραχίονα USB, φροντίστε να απενεργοποιήσετε τον υπολογιστή σας και να αποσυνδέσετε το καλώδιο τροφοδοσίας από την πρίζα για να αποφύγετε ζημιά στον βραχίονα USB.
TPM (Επικεφαλίδα Trusted Platform Module)
Μπορείτε να συνδέσετε ένα TPM (Trusted Platform Module) σε αυτήν την επικεφαλίδα.

| Αρ. ακίδας | Ορισμός |
| 1 | LAD0 |
| 2 | VCC3 |
| 3 | LAD1 |
| 4 | Χωρίς ακίδα |
| 5 | LAD2 |
| 6 | LCLK |
| 7 | LAD3 |
| 8 | GND |
| 9 | LFRAME |
| 10 | NC |
| 11 | SERIRQ |
| 12 | LRESET |
CLR_CMOS (Jumper Clear CMOS)
Χρησιμοποιήστε αυτό το βραχυκυκλωτήρα για να διαγράψετε τη διαμόρφωση του BIOS και να επαναφέρετε τις τιμές CMOS στις εργοστασιακές προεπιλογές. Για να διαγράψετε τις τιμές CMOS, χρησιμοποιήστε ένα μεταλλικό αντικείμενο, όπως ένα κατσαβίδι, για να αγγίξετε τις δύο ακίδες για λίγα δευτερόλεπτα.
Άνοιγμα: Κανονικό

Βραχυκύκλωμα: Εκκαθάριση τιμών CMOS

- Να απενεργοποιείτε πάντα τον υπολογιστή σας πριν διαγράψετε τις τιμές CMOS.
- Μετά την επανεκκίνηση του συστήματος, μεταβείτε στο BIOS Setup για να φορτώσετε τις εργοστασιακές προεπιλογές (επιλέξτε Load Optimized Defaults (Φόρτωση βελτιστοποιημένων προεπιλογών)) ή διαμορφώστε χειροκίνητα τις ρυθμίσεις του BIOS (μεταβείτε στη σελίδα "BIOS Setup" (Ρύθμιση BIOS) της ιστοσελίδας της GIGABYTE για περισσότερες πληροφορίες).
BAT (Μπαταρία)
Η μπαταρία παρέχει ρεύμα για να διατηρεί τις τιμές (όπως τις ρυθμίσεις του BIOS, τις πληροφορίες ημερομηνίας και ώρας) στο CMOS όταν ο υπολογιστής είναι απενεργοποιημένος. Αντικαταστήστε την μπαταρία όταν η τάση της μπαταρίας πέσει σε χαμηλό επίπεδο, διαφορετικά οι τιμές του CMOS ενδέχεται να μην είναι ακριβείς ή να χαθούν.

Μπορείτε να διαγράψετε τις τιμές του CMOS αφαιρώντας την μπαταρία:
- Απενεργοποιήστε τον υπολογιστή σας και αποσυνδέστε το καλώδιο τροφοδοσίας.
- Αφαιρέστε απαλά την μπαταρία από τη θήκη της μπαταρίας και περιμένετε ένα λεπτό. (Ή χρησιμοποιήστε ένα μεταλλικό αντικείμενο, όπως ένα κατσαβίδι, για να αγγίξετε τους θετικούς και αρνητικούς ακροδέκτες της θήκης της μπαταρίας, βραχυκυκλώνοντάς τους για 5 δευτερόλεπτα.)
- Αντικαταστήστε την μπαταρία.
- Συνδέστε το καλώδιο τροφοδοσίας και επανεκκινήστε τον υπολογιστή σας.
- Να απενεργοποιείτε πάντα τον υπολογιστή σας και να αποσυνδέετε το καλώδιο τροφοδοσίας πριν αντικαταστήσετε την μπαταρία.
- Αντικαταστήστε την μπαταρία με μια ισοδύναμη. Μπορεί να προκληθεί ζημιά στις συσκευές σας εάν η μπαταρία αντικατασταθεί με ένα εσφαλμένο μοντέλο.
- Επικοινωνήστε με το σημείο αγοράς ή τον τοπικό αντιπρόσωπο εάν δεν μπορείτε να αντικαταστήσετε την μπαταρία μόνοι σας ή δεν είστε βέβαιοι για το μοντέλο της μπαταρίας.
- Κατά την εγκατάσταση της μπαταρίας, σημειώστε τον προσανατολισμό της θετικής πλευράς (+) και της αρνητικής πλευράς (-) της μπαταρίας (η θετική πλευρά πρέπει να είναι στραμμένη προς τα πάνω).
- Οι χρησιμοποιημένες μπαταρίες πρέπει να τύχουν χειρισμού σύμφωνα με τους τοπικούς περιβαλλοντικούς κανονισμούς.
Ρύθμιση BIOS
Το BIOS (Basic Input and Output System) καταγράφει τις παραμέτρους υλικού του συστήματος στο CMOS στη μητρική πλακέτα. Οι κύριες λειτουργίες του περιλαμβάνουν τη διεξαγωγή του Power-On Self-Test (POST) κατά την εκκίνηση του συστήματος, την αποθήκευση των παραμέτρων του συστήματος και τη φόρτωση του λειτουργικού συστήματος, κ.λπ. Το BIOS περιλαμβάνει ένα πρόγραμμα ρύθμισης BIOS που επιτρέπει στον χρήστη να τροποποιήσει τις βασικές ρυθμίσεις διαμόρφωσης του συστήματος ή να ενεργοποιήσει ορισμένες δυνατότητες του συστήματος.
Όταν απενεργοποιείται η τροφοδοσία, η μπαταρία στη μητρική πλακέτα παρέχει την απαραίτητη ισχύ στο CMOS για να διατηρήσει τις τιμές διαμόρφωσης στο CMOS.
Για να αποκτήσετε πρόσβαση στο πρόγραμμα ρύθμισης BIOS, πατήστε το πλήκτρο <Delete> κατά τη διάρκεια του POST όταν ενεργοποιηθεί η τροφοδοσία.
Για να αναβαθμίσετε το BIOS, χρησιμοποιήστε είτε το βοηθητικό πρόγραμμα GIGABYTE Q-Flash είτε το @BIOS.
- Το Q-Flash επιτρέπει στον χρήστη να αναβαθμίσει ή να δημιουργήσει αντίγραφα ασφαλείας του BIOS γρήγορα και εύκολα χωρίς να εισέλθει στο λειτουργικό σύστημα.
- Το @BIOS είναι ένα βοηθητικό πρόγραμμα που βασίζεται στα Windows και το οποίο αναζητά και κατεβάζει την τελευταία έκδοση του BIOS από το Διαδίκτυο και ενημερώνει το BIOS.
Για οδηγίες σχετικά με τη χρήση των βοηθητικών προγραμμάτων Q-Flash και @BIOS, μεταβείτε στη σελίδα "Unique Features" (Μοναδικά χαρακτηριστικά) του ιστότοπου της GIGABYTE και αναζητήστε το "BIOS Update Utilities" (Βοηθητικά προγράμματα ενημέρωσης BIOS).
- Επειδή η αναβάθμιση του BIOS είναι δυνητικά επικίνδυνη, εάν δεν αντιμετωπίζετε προβλήματα χρησιμοποιώντας την τρέχουσα έκδοση του BIOS, συνιστάται να μην αναβαθμίσετε το BIOS. Για να αναβαθμίσετε το BIOS, κάντε το με προσοχή. Η ακατάλληλη αναβάθμιση του BIOS μπορεί να οδηγήσει σε δυσλειτουργία του συστήματος.
- Συνιστάται να μην αλλάξετε τις προεπιλεγμένες ρυθμίσεις (εκτός αν χρειάζεται) για να αποφύγετε την αστάθεια του συστήματος ή άλλα απροσδόκητα αποτελέσματα. Η ακατάλληλη αλλαγή των ρυθμίσεων μπορεί να οδηγήσει σε αποτυχία εκκίνησης του συστήματος. Εάν συμβεί αυτό, προσπαθήστε να διαγράψετε τις τιμές CMOS και να επαναφέρετε την πλακέτα στις προεπιλεγμένες τιμές.
- Ανατρέξτε στις εισαγωγές της μπαταρίας/του βραχυκυκλωτήρα διαγραφής CMOS στο κεφάλαιο "Hardware Installation" (Εγκατάσταση υλικού) ή μεταβείτε στη σελίδα "BIOS Setup" (Ρύθμιση BIOS) του ιστότοπου της GIGABYTE και αναζητήστε το "Load Optimized Defaults" (Φόρτωση βελτιστοποιημένων προεπιλογών) για να μάθετε πώς να διαγράψετε τις τιμές CMOS.
Επισκεφθείτε τον ιστότοπο της GIGABYTE για λεπτομέρειες σχετικά με τη διαμόρφωση της ρύθμισης BIOS.
https://www.gigabyte.com/WebPage/954/amd500-bios.html
Startup Screen: (Οθόνη εκκίνησης:)
Η ακόλουθη οθόνη με το λογότυπο εκκίνησης θα εμφανιστεί κατά την εκκίνηση του υπολογιστή.

Πλήκτρα λειτουργιών
<DEL>: BIOS SETUP\Q-FLASH
Πατήστε το πλήκτρο <Delete> για να εισέλθετε στη ρύθμιση BIOS ή για να αποκτήσετε πρόσβαση στο βοηθητικό πρόγραμμα Q-Flash στη ρύθμιση BIOS.
<F12>: BOOT MENU
Το Boot Menu σάς επιτρέπει να ορίσετε την πρώτη συσκευή εκκίνησης χωρίς να εισέλθετε στη ρύθμιση BIOS. Στο Boot Menu, χρησιμοποιήστε το πλήκτρο πάνω βέλους <↑> ή το πλήκτρο κάτω βέλους <↓> για να επιλέξετε την πρώτη συσκευή εκκίνησης και, στη συνέχεια, πατήστε <Enter> για να αποδεχτείτε. Το σύστημα θα εκκινηθεί αμέσως από τη συσκευή.
Σημείωση: Η ρύθμιση στο Boot Menu ισχύει μόνο για μία φορά. Μετά την επανεκκίνηση του συστήματος, η σειρά εκκίνησης της συσκευής θα εξακολουθεί να βασίζεται στις ρυθμίσεις της ρύθμισης BIOS.
<END>: Q-FLASH
Πατήστε το πλήκτρο <End> για να αποκτήσετε πρόσβαση στο βοηθητικό πρόγραμμα Q-Flash απευθείας χωρίς να χρειαστεί να εισέλθετε πρώτα στη ρύθμιση BIOS.
Εγκατάσταση του λειτουργικού συστήματος και των προγραμμάτων οδήγησης
Εγκατάσταση λειτουργικού συστήματος
Με τις σωστές ρυθμίσεις BIOS, είστε έτοιμοι να εγκαταστήσετε το λειτουργικό σύστημα.
Καθώς ορισμένα λειτουργικά συστήματα περιλαμβάνουν ήδη πρόγραμμα οδήγησης RAID, δεν χρειάζεται να εγκαταστήσετε ξεχωριστό πρόγραμμα οδήγησης RAID κατά τη διαδικασία εγκατάστασης των Windows. Αφού εγκατασταθεί το λειτουργικό σύστημα, συνιστούμε να εγκαταστήσετε όλα τα απαιτούμενα προγράμματα οδήγησης από το GIGABYTE APP Center για να διασφαλίσετε την απόδοση και τη συμβατότητα του συστήματος. Εάν το λειτουργικό σύστημα που πρόκειται να εγκατασταθεί απαιτεί να παρέχετε επιπλέον πρόγραμμα οδήγησης RAID κατά τη διαδικασία εγκατάστασης του λειτουργικού συστήματος, ανατρέξτε στα παρακάτω βήματα:
Step 1: (Βήμα 1:)
Μεταβείτε στον ιστότοπο της GIGABYTE, μεταβείτε στην ιστοσελίδα του μοντέλου της μητρικής πλακέτας, κατεβάστε το αρχείο AMD RAID Preinstall Driver στη σελίδα Support\Download\SATA RAID/AHCI (Υποστήριξη\Λήψη\SATA RAID/AHCI), αποσυμπιέστε το αρχείο και αντιγράψτε τα αρχεία στη μονάδα USB.
Step 2: (Βήμα 2:)
Εκκινήστε από το δίσκο εγκατάστασης των Windows και εκτελέστε τα τυπικά βήματα εγκατάστασης του λειτουργικού συστήματος. Όταν εμφανιστεί η οθόνη που σας ζητά να φορτώσετε το πρόγραμμα οδήγησης, επιλέξτε Browse (Αναζήτηση).
Step 3: (Βήμα 3:)
Εισαγάγετε τη μονάδα USB και, στη συνέχεια, μεταβείτε στη θέση του προγράμματος οδήγησης. Επιλέξτε πρώτα AMD-RAID Bottom Device και κάντε κλικ στο Next (Επόμενο) για να φορτώσετε το πρόγραμμα οδήγησης. Στη συνέχεια, επιλέξτε AMD-RAID Controller και κάντε κλικ στο Next (Επόμενο) για να φορτώσετε το πρόγραμμα οδήγησης. Τέλος, συνεχίστε την εγκατάσταση του λειτουργικού συστήματος.

Εγκατάσταση προγραμμάτων οδήγησης
Αφού εγκαταστήσετε το λειτουργικό σύστημα, θα εμφανιστεί ένα παράθυρο διαλόγου στην κάτω δεξιά γωνία της επιφάνειας εργασίας, το οποίο θα σας ρωτά εάν θέλετε να κατεβάσετε και να εγκαταστήσετε τα προγράμματα οδήγησης και τις εφαρμογές GIGABYTE μέσω του APP Center. Κάντε κλικ στο Install (Εγκατάσταση) για να συνεχίσετε την εγκατάσταση. (Στη ρύθμιση BIOS, βεβαιωθείτε ότι η επιλογή Settings\IO Ports\APP Center Download & Install Configuration\APP Center Download & Install (Ρυθμίσεις\Θύρες εισόδου/εξόδου\Διαμόρφωση λήψης & εγκατάστασης APP Center\Λήψη & εγκατάσταση APP Center) έχει οριστεί σε Enabled (Ενεργοποιημένο).)

Όταν εμφανιστεί το παράθυρο διαλόγου της συμφωνίας άδειας χρήσης τελικού χρήστη, πατήστε <Accept> για να εγκαταστήσετε το APP Center. Στην οθόνη APP Center, επιλέξτε τα προγράμματα οδήγησης και τις εφαρμογές που θέλετε να εγκαταστήσετε και κάντε κλικ στο Install (Εγκατάσταση).

Πριν από την εγκατάσταση, βεβαιωθείτε ότι το σύστημα είναι συνδεδεμένο στο Διαδίκτυο.
- Επισκεφθείτε τον ιστότοπο της GIGABYTE για περισσότερες πληροφορίες σχετικά με το λογισμικό.
https://www.gigabyte.com/WebPage/320/am4-app-center.html?m=sw - Επισκεφθείτε τον ιστότοπο της GIGABYTE για περισσότερες πληροφορίες αντιμετώπισης προβλημάτων.
https://www.gigabyte.com/WebPage/351/faq.html
Διαμόρφωση ενός συνόλου RAID
Επίπεδα RAID
| RAID 0 | RAID 1 | RAID 10 | |
| Ελάχιστος αριθμός σκληρών δίσκων | ≥2 | 2 | 4 |
| Χωρητικότητα συστοιχίας | Αριθμός σκληρών δίσκων * Μέγεθος του μικρότερου δίσκου | Μέγεθος του μικρότερου δίσκου | (Αριθμός σκληρών δίσκων/2) * Μέγεθος του μικρότερου δίσκου |
| Ανοχή σφαλμάτων | Όχι | Ναι | Ναι |
Πριν ξεκινήσετε, ετοιμάστε τα παρακάτω στοιχεία:
Αυτή η μητρική πλακέτα υποστηρίζει RAID 0, RAID 1 και RAID 10. Ετοιμάστε τον σωστό αριθμό σκληρών δίσκων όπως υποδεικνύεται στον παραπάνω πίνακα πριν διαμορφώσετε μια συστοιχία RAID.
- Σκληροί δίσκοι SATA ή SSD. Για να διασφαλίσετε τη βέλτιστη απόδοση, συνιστάται να χρησιμοποιείτε δύο σκληρούς δίσκους με πανομοιότυπο μοντέλο και χωρητικότητα.
- Δίσκος εγκατάστασης των Windows.
- Ένας υπολογιστής συνδεδεμένος στο Διαδίκτυο.
- Μια μονάδα USB.
Ένας M.2 PCIe SSD δεν μπορεί να χρησιμοποιηθεί για τη δημιουργία ενός συνόλου RAID με έναν σκληρό δίσκο SATA.
- Επισκεφθείτε τον ιστότοπο της GIGABYTE για λεπτομέρειες σχετικά με τη διαμόρφωση μιας συστοιχίας RAID.
https://www.gigabyte.com/WebPage/313/am4-raid.html?m=sw
GIGA-BYTE TECHNOLOGY CO., LTD.
Διεύθυνση: No.6, Baoqiang Rd., Xindian Dist., New Taipei City 231
ΤΗΛ: +886-2-8912-4000, ΦΑΞ: +886-2-8912-4005
Τεχνική και μη τεχνική υποστήριξη (Πωλήσεις/Μάρκετινγκ): https://esupport.gigabyte.com
Διεύθυνση WEB (Αγγλικά): https://www.gigabyte.com
Διεύθυνση WEB (Κινεζικά): https://www.gigabyte.com/tw
- GIGABYTE eSupport
Για να υποβάλετε μια τεχνική ή μη τεχνική (Πωλήσεις/Μάρκετινγκ) ερώτηση, συνδεθείτε στο: https://esupport.gigabyte.com
![]()
Αναφορές
B550 AORUS ELITE AX V2 (rev. 1.5) Key Features | Motherboard - GIGABYTE Global
B550 AORUS ELITE V2 (rev. 1.5) Key Features | Motherboard - GIGABYTE Global
Utility | Service / Support - GIGABYTE GlobalGIGABYTE Quick-Guide
GIGABYTE Realtek Audio
GIGABYTE AMD AM4 Series BIOS Setup
GIGABYTE AM4 Series Motherboards Software Manual
GIGABYTE Troubleshooting Manual
GIGABYTE AM4 Series RAID Manual
GIGABYTE - eSupport
GIGABYTE Global
GIGABYTE 技嘉科技
Λήψη εγχειριδίου
Εδώ μπορείτε να κατεβάσετε την πλήρη έκδοση pdf του εγχειριδίου, μπορεί να περιέχει πρόσθετες οδηγίες ασφαλείας, πληροφορίες εγγύησης, κανόνες FCC κ.λπ.
Λήψη Εγχειρίδιο μητρικής πλακέτας GIGABYTE B550 AORUS ELITE AX V2, B550 AORUS ELITE V2


